TV NEO TV2121TX - Potrebna shema (RESENO)
Pravila foruma
Naslov teme treba da bude u formatu: PROIZVOĐAČ, MODEL, KRATAK OPIS KVARA
Nakon rešenog kvara zatvoriti temu >> >UPUTSTVO< u suprotnom ništa ne činiti.
HOME -- SERVISERI -- DALJINSKI -- RAZNA UPUTSTVA
Naslov teme treba da bude u formatu: PROIZVOĐAČ, MODEL, KRATAK OPIS KVARA
Nakon rešenog kvara zatvoriti temu >> >UPUTSTVO< u suprotnom ništa ne činiti.
HOME -- SERVISERI -- DALJINSKI -- RAZNA UPUTSTVA
TV NEO TV2121TX - Potrebna shema (RESENO)
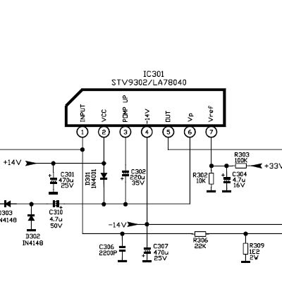
da nema neko semu za ovaj tv? stv9302 je u vertikali
Zadnja izmena: ekran, dana 12 Feb 2008, 14:50, ukupno menjano 1 put.
- chellawy
- gx
- Postovi: 3186
- Pridružen: 12 Avg 2006, 22:25
- Location: Bačka Palanka
- Contact person: SIX
- Specialty: tv
oooo pa gde si ti kolega .... godina dana prodje a tebe slabo ima ...
ima sema ima , ima ali daj jos malo podataka.... malo je samo vertikala....
ima sema ima , ima ali daj jos malo podataka.... malo je samo vertikala....
Kompletna ponuda rezervnih delova koja će biti veoma ažurirana u narednih dve ,dve i po godine :)
https://www.kupindo.com/Clan/chellawy/SpisakPredmeta
https://www.kupindo.com/Clan/chellawy/SpisakPredmeta
cale radi tv ( oko 40god. ) ja radim sa mobilnima..chellawy je napisao:oooo pa gde si ti kolega .... godina dana prodje a tebe slabo ima ...
ima sema ima , ima ali daj jos malo podataka.... malo je samo vertikala....
nasao sam semu. tj. poslao @RubinMiki.
crklo je stv9302a a nema zamenu.....
gde nam je @cubica

- rubin_miki
- Preminuo
- Postovi: 3382
- Pridružen: 13 Avg 2006, 00:22
- Location: Prilep Makedonija
- Specialty: tv-multimedia
- Kontakt:
pozdravi mi onu Cubicu-Milancicu kad JE vidis



ce da izadjem na televizor,a????
http://www.macedonium.org/makedonija.swf
http://www.macedonium.org/makedonija.swf
- Majstor Duja
- Neaktivan
- Postovi: 3136
- Pridružen: 23 Avg 2006, 17:29
- Location: Novi Sad - centar
- Warranty service: http://www.elektrocentar.com
- Contact person: Goran Duic
- Specialty: tv-multimedia
-
- Slične teme
- Odgovori
- Pregledano
- Zadnji post
-
-
TV NEO TV2121TX - Potreban dump (RESENO)
napisao maksim » 19 Dec 2007, 14:26 » u Servisiranje CRT Televizora - 24 Odgovori
- 6895 Pregledano
-
Zadnji post napisao vedranc
03 Jan 2008, 15:06
-
-
-
TV NEO TV2121TX Chassis GBJL7821064 - Potreban dump (RESENO)
napisao irsa » 05 Mar 2008, 23:13 » u Servisiranje CRT Televizora - 14 Odgovori
- 3453 Pregledano
-
Zadnji post napisao irsa
07 Mar 2008, 22:38
-
-
-
TV NEO TV2121TX - Slika zelena sa belim linijama (RESENO)
napisao viktor333 » 06 Mar 2009, 00:57 » u Servisiranje CRT Televizora - 15 Odgovori
- 2859 Pregledano
-
Zadnji post napisao viktor333
12 Mar 2009, 20:45
-
-
-
TV NEO TV2155TX - Potrebna shema mreze (RESENO)
napisao kibsa » 14 Jan 2008, 19:07 » u Servisiranje CRT Televizora - 8 Odgovori
- 1625 Pregledano
-
Zadnji post napisao kibsa
21 Jan 2008, 20:32
-
-
-
TV NEO TV2000TXV Chassis TV2K - Potrebna shema (RESENO)
napisao borce » 23 svi 2008, 12:01 » u Servisiranje CRT Televizora - 4 Odgovori
- 1373 Pregledano
-
Zadnji post napisao kisko
23 svi 2008, 14:26
-
-
-
NEO 2166tX - POTREBNA SEMA (RESENO)
napisao kirka » 08 Avg 2009, 20:04 » u Servisiranje CRT Televizora - 7 Odgovori
- 2161 Pregledano
-
Zadnji post napisao kirka
16 Avg 2009, 21:42
-
-
-
NEO - TV2166TX-potrebna sema - problem mreza - reseno
napisao sveta » 18 Dec 2009, 18:29 » u Servisiranje CRT Televizora - 8 Odgovori
- 2483 Pregledano
-
Zadnji post napisao sveta
07 Jan 2010, 16:32
-
-
- 4 Odgovori
- 998 Pregledano
-
Zadnji post napisao Majstor Duja
02 Feb 2012, 15:48