
TV JVC AVK21TR2 Chassis CL - Nece da startuje (RESENO)
Pravila foruma
Naslov teme treba da bude u formatu: PROIZVOĐAČ, MODEL, KRATAK OPIS KVARA
Nakon rešenog kvara zatvoriti temu >> >UPUTSTVO< u suprotnom ništa ne činiti.
HOME -- SERVISERI -- DALJINSKI -- RAZNA UPUTSTVA
Naslov teme treba da bude u formatu: PROIZVOĐAČ, MODEL, KRATAK OPIS KVARA
Nakon rešenog kvara zatvoriti temu >> >UPUTSTVO< u suprotnom ništa ne činiti.
HOME -- SERVISERI -- DALJINSKI -- RAZNA UPUTSTVA
-
- _
- Postovi: 26
- Pridružen: 24 Okt 2007, 22:27
- Location: STRUMICA MAKEDONIJA
- Contact person: Gligor
- Phone number: 0038934322617
- Specialty: tv-multimedia
TV JVC AVK21TR2 Chassis CL - Nece da startuje (RESENO)
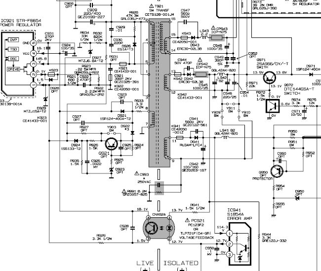
TV nece da startuje , nakon nekoliko pokusaja mozda startuje . Primarni deo mreze je OK . Konstatovao sam da kad ga opteretim sa neki potrosac (
) na elektrolitu na 120V onda startuje iz prve. Nemam ideju gde bi mogao da bude problem.

-
- _
- Postovi: 26
- Pridružen: 24 Okt 2007, 22:27
- Location: STRUMICA MAKEDONIJA
- Contact person: Gligor
- Phone number: 0038934322617
- Specialty: tv-multimedia
-
- _
- Postovi: 26
- Pridružen: 24 Okt 2007, 22:27
- Location: STRUMICA MAKEDONIJA
- Contact person: Gligor
- Phone number: 0038934322617
- Specialty: tv-multimedia
imao sam davno takvu grešku,stavi sijalicu na mjesto tranzistora i izmjeri (mreža je vjerovatno dobra) ima li oscilator na bazi ili dodje na tren pa nestane ako se tako ponaša onda je 100% kvar u sekundaru mreže i to elkosi ,koliko se sjećam dva oslabe mislim da su 470mikrofarada.gligor popovski je napisao:tacno koristi mosfet tranzistor za pobuda
POKUŠAJ pa javi a ja ću pregledati svesku i vidjeti imam li tačno zapisano.
-
- _
- Postovi: 26
- Pridružen: 24 Okt 2007, 22:27
- Location: STRUMICA MAKEDONIJA
- Contact person: Gligor
- Phone number: 0038934322617
- Specialty: tv-multimedia
-
- _
- Postovi: 26
- Pridružen: 24 Okt 2007, 22:27
- Location: STRUMICA MAKEDONIJA
- Contact person: Gligor
- Phone number: 0038934322617
- Specialty: tv-multimedia
TV JVC AVK21TR2 Chassis CL - Nece da startuje ( RESENO )
Kao sto si rekao tako je ispalo. Zamenio sam 2 elko. sa novim i TV je proradio kako treba. Problem je resen. Hvala na pomoc.
- milan
- Preminuo
- Postovi: 4426
- Pridružen: 19 Avg 2006, 22:38
- Location: Novi Sad
- Specialty: tv-multimedia
Re: TV JVC AVK21TR2 Chassis CL - Nece da startuje ( RESENO )
Na pocetku sam ti napisao da moras zameniti sve elektrolite u primarugligor popovski je napisao:Kao sto si rekao tako je ispalo. Zamenio sam 2 elko. sa novim i TV je proradio kako treba. Problem je resen. Hvala na pomoc.
i sekundaru a ti sta si radio?
-
- Slične teme
- Odgovori
- Pregledano
- Zadnji post
-
-
JVC AV28KM3SN 11AK37 ne startuje HIS(Reseno)
napisao kele » 01 Okt 2012, 17:52 » u Servisiranje CRT Televizora - 8 Odgovori
- 1783 Pregledano
-
Zadnji post napisao kele
02 Okt 2012, 09:56
-
-
-
TV JVC AV28GS1E Chassis MXI - Gasi se (RESENO)
napisao mancic » 31 Mar 2008, 14:46 » u Servisiranje CRT Televizora - 10 Odgovori
- 1331 Pregledano
-
Zadnji post napisao Majstor Duja
03 Apr 2008, 19:55
-
-
-
TV JVC AV2111TEE Chassis CL - Blinka led dioda(ODUSTAO)
napisao robert » 28 svi 2008, 13:00 » u Servisiranje CRT Televizora - 5 Odgovori
- 1123 Pregledano
-
Zadnji post napisao robert
30 svi 2008, 08:52
-
-
-
JVC C210ME CHASSIS BX Problem slika [ODUSTAO]
napisao Goran_V » 18 Mar 2012, 19:41 » u Servisiranje CRT Televizora - 6 Odgovori
- 1218 Pregledano
-
Zadnji post napisao toce
19 Mar 2012, 01:00
-
-
-
TV SONY KV29C3D Chassis AE4 - Nece da startuje (RESENO)
napisao gligor popovski » 30 Nov 2007, 22:13 » u Servisiranje CRT Televizora - 5 Odgovori
- 1541 Pregledano
-
Zadnji post napisao Majstor Duja
15 Dec 2007, 09:39
-
-
-
TV NEO TV2121FXX Chassis 11AK30A14 - Ne startuje (RESENO)
napisao Japanac » 03 Sep 2008, 18:13 » u Servisiranje CRT Televizora - 9 Odgovori
- 2586 Pregledano
-
Zadnji post napisao Japanac
22 Sep 2008, 21:35
-
-
-
TV GOLDSTAR CKT9742 Chassis PC91A - Ne startuje (RESENO)
napisao ljube » 26 Jan 2009, 01:00 » u Servisiranje CRT Televizora - 19 Odgovori
- 2427 Pregledano
-
Zadnji post napisao cacko85
30 Jan 2009, 21:21
-
-
-
TV SONY KV29CL11K Chassis FE2 - Mreza ne startuje (RESENO)
napisao Hi-B » 06 svi 2009, 16:41 » u Servisiranje CRT Televizora - 12 Odgovori
- 2441 Pregledano
-
Zadnji post napisao Hi-B
08 svi 2009, 09:21
-