TV CROWN CTV1422 - Shema mreze (RESENO)
Pravila foruma
Naslov teme treba da bude u formatu: PROIZVOĐAČ, MODEL, KRATAK OPIS KVARA
Nakon rešenog kvara zatvoriti temu >> >UPUTSTVO< u suprotnom ništa ne činiti.
HOME -- SERVISERI -- DALJINSKI -- RAZNA UPUTSTVA
Naslov teme treba da bude u formatu: PROIZVOĐAČ, MODEL, KRATAK OPIS KVARA
Nakon rešenog kvara zatvoriti temu >> >UPUTSTVO< u suprotnom ništa ne činiti.
HOME -- SERVISERI -- DALJINSKI -- RAZNA UPUTSTVA
TV CROWN CTV1422 - Shema mreze (RESENO)
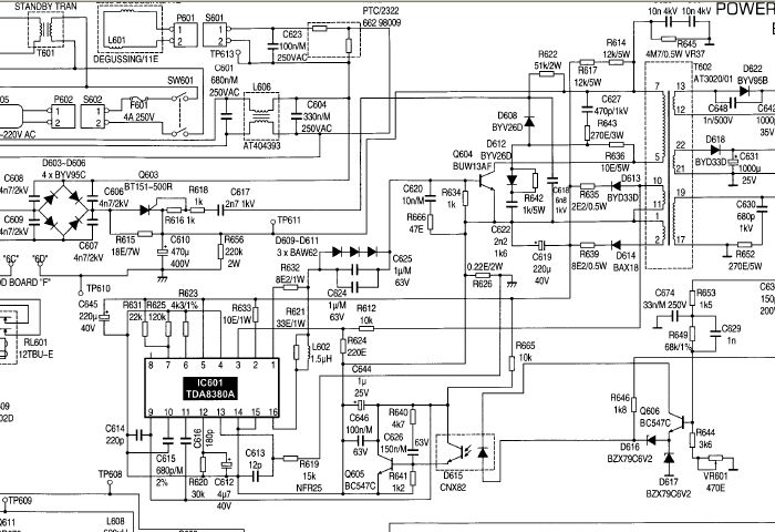
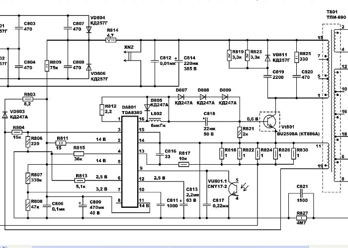
Pozdrav svim kolegama,potrebna mi je shema mreže za navedeni tv,u mreži je kolo TDA8380.
- chellawy
- gx
- Postovi: 3186
- Pridružen: 12 Avg 2006, 22:25
- Location: Bačka Palanka
- Contact person: SIX
- Specialty: tv
moj savet , opet,
TDA8380 kosta koliko i uni mreza... i ako ti slucajno popase iz nekog razloga u startu si u gubitku , a na uni mrezi imas BU508 koji je 50 dinara !!!!
od nedavno mi vise ne pada na pamet da u EI B-100 stavljam TDA8380a jer mi je nedavno mrezni trafo ubio TDA i radio sam fakticki za cokoladu :plaz:
racunaj da ce retko ko dati vise od 2500 dinara za popravku i onda izracunaj kolika ti je zarada ako ti jedan set delova "zvekne"...
TDA8380 kosta koliko i uni mreza... i ako ti slucajno popase iz nekog razloga u startu si u gubitku , a na uni mrezi imas BU508 koji je 50 dinara !!!!
od nedavno mi vise ne pada na pamet da u EI B-100 stavljam TDA8380a jer mi je nedavno mrezni trafo ubio TDA i radio sam fakticki za cokoladu :plaz:
racunaj da ce retko ko dati vise od 2500 dinara za popravku i onda izracunaj kolika ti je zarada ako ti jedan set delova "zvekne"...
Kompletna ponuda rezervnih delova koja će biti veoma ažurirana u narednih dve ,dve i po godine :)
https://www.kupindo.com/Clan/chellawy/SpisakPredmeta
https://www.kupindo.com/Clan/chellawy/SpisakPredmeta
-
- Slične teme
- Odgovori
- Pregledano
- Zadnji post
-
-
TV NEO TV2155TX - Potrebna shema mreze (RESENO)
napisao kibsa » 14 Jan 2008, 19:07 » u Servisiranje CRT Televizora - 8 Odgovori
- 1617 Pregledano
-
Zadnji post napisao kibsa
21 Jan 2008, 20:32
-
-
-
Shema mreze za Toshiba 2112DD(Reseno)
napisao Antonije64 » 13 Jul 2009, 19:09 » u Servisiranje CRT Televizora - 16 Odgovori
- 1911 Pregledano
-
Zadnji post napisao milan
15 Jul 2009, 21:36
-
-
- 40 Odgovori
- 6115 Pregledano
-
Zadnji post napisao kisko
09 Jun 2008, 21:56
-
-
TV CROWN K25200 - Vertikalna linija (RESENO)
napisao Milorad » 20 Feb 2008, 20:31 » u Servisiranje CRT Televizora - 6 Odgovori
- 1305 Pregledano
-
Zadnji post napisao Milorad
21 Feb 2008, 19:37
-
-
-
TV CROWN CTV5521 Chassis 99TA015J - Problem slika (RESENO)
napisao borce » 06 Jun 2008, 12:50 » u Servisiranje CRT Televizora - 2 Odgovori
- 1204 Pregledano
-
Zadnji post napisao borce
07 Jun 2008, 17:32
-
-
-
TV CROWN CTV2003R - Mreza (RESENO)
napisao cacko85 » 12 Feb 2009, 22:14 » u Servisiranje CRT Televizora - 9 Odgovori
- 1015 Pregledano
-
Zadnji post napisao cacko85
13 Feb 2009, 20:05
-
-
-
CROWN 21T07 JUG7820011 reseno
napisao milivojsa » 21 Feb 2010, 16:42 » u Servisiranje CRT Televizora - 8 Odgovori
- 1441 Pregledano
-
Zadnji post napisao milivojsa
21 Feb 2010, 18:45
-
-
- 11 Odgovori
- 2148 Pregledano
-
Zadnji post napisao krllebg
07 Jul 2010, 21:02