Rolsen C21SR68NTplat - Ne radi, cuje se caktanje
Pravila foruma
Naslov teme treba da bude u formatu: PROIZVOĐAČ, MODEL, KRATAK OPIS KVARA
Nakon rešenog kvara zatvoriti temu >> >UPUTSTVO< u suprotnom ništa ne činiti.
HOME -- SERVISERI -- DALJINSKI -- RAZNA UPUTSTVA
Naslov teme treba da bude u formatu: PROIZVOĐAČ, MODEL, KRATAK OPIS KVARA
Nakon rešenog kvara zatvoriti temu >> >UPUTSTVO< u suprotnom ništa ne činiti.
HOME -- SERVISERI -- DALJINSKI -- RAZNA UPUTSTVA
Rolsen C21SR68NTplat - Ne radi, cuje se caktanje
CRT TV
FIRMA: Rolsen
MODEL: C21SR68NTplat
CHASSIS: CCE-V0
PCB(oznake na štampanoj ploči):
***************************************
DETALJAN OPIS KVARA i PREDUZETE RADNJE:
U uredjaju je probio HIS tranzistor 1803DHI, probao sam sa stavljanjem BU808DFI ali crkne cim se tv startuje (upali zelena led i dobije vn napon u ekranu ali ne stigne da osvetli ekran).
Da li uopste moze da se stavlja BU808DFI umesto 1803DHI?
FIRMA: Rolsen
MODEL: C21SR68NTplat
CHASSIS: CCE-V0
PCB(oznake na štampanoj ploči):
***************************************
DETALJAN OPIS KVARA i PREDUZETE RADNJE:
U uredjaju je probio HIS tranzistor 1803DHI, probao sam sa stavljanjem BU808DFI ali crkne cim se tv startuje (upali zelena led i dobije vn napon u ekranu ali ne stigne da osvetli ekran).
Da li uopste moze da se stavlja BU808DFI umesto 1803DHI?
- Liskun Elektronik
- gx

- Postovi: 1617
- Pridružen: 13 Avg 2006, 10:37
- Location: Srbija
- Warranty service: ERG-VOX
- Specialty: tv-multimedia
- Lokacija: Stara Pazova
Re: Rolsen C21SR68NTplat - Ne radi, cuje se caktanje
BU808 ti je darlington, za taj tranzistor sto tebi treba ima dosta adekvatnih zamena ako vec nemas originalni. Ako si tv serviser, toga sigurno imas na nekim plocama. I sigurno ima neki razlog zasto je taj tranzistor crkao, pa pre zamene istog proveri +B, damper blok, diode..hl.lemove, vn trafo....
Mora da se zna ko namesta antenu, a ko vice ne valja :)
Re: Rolsen C21SR68NTplat - Ne radi, cuje se caktanje
Jel odgovara 2SD2499 (malo je slabiji)?
Dioda VD705 (ispred tranzistora) je bila odlemljena, zamenjen plavi vn kondenzator C830 (221 2KV), zamenjen blok kondenzator C704 (33nF 630V) pokazivao je da nema kapaciteta, prelemljen trafo u mrezi, fbt kao svi losi lemovi.
P.S. Probao sa stavljanjem sijalice od 75W umesto HIS tranzistora,
svetli i na njoj imam 134V, na tv mi svetli zelena led dioda a na ekranu nema nista.
Dioda VD705 (ispred tranzistora) je bila odlemljena, zamenjen plavi vn kondenzator C830 (221 2KV), zamenjen blok kondenzator C704 (33nF 630V) pokazivao je da nema kapaciteta, prelemljen trafo u mrezi, fbt kao svi losi lemovi.
P.S. Probao sa stavljanjem sijalice od 75W umesto HIS tranzistora,
- alexa_pg
- Site Admin

- Postovi: 6119
- Pridružen: 22 Avg 2006, 08:10
- Location: Podgorica
- Specialty: tv-multimedia
Re: Rolsen C21SR68NTplat - Ne radi, cuje se caktanje
Ako je sve kako je napisano, nešto mi je taj napon +134V veliki za TV 21". Tu bi trebalo da je max. 110V. Provjeri mrežu.
Imaš li šemu od TV-a. Provjeri kondenzator u kolektoru tranzistora linijskog izlaza.
Kao zamjenu tog tranzistora, možeš upotrebiti veliki broj drugih koji rade u HIS-u. Nemoj ugrađivati slabije tranzistore.
Imaš li šemu od TV-a. Provjeri kondenzator u kolektoru tranzistora linijskog izlaza.
Kao zamjenu tog tranzistora, možeš upotrebiti veliki broj drugih koji rade u HIS-u. Nemoj ugrađivati slabije tranzistore.
"I ja volim ljude ali ih sve manje podnosim"
Re: Rolsen C21SR68NTplat - Ne radi, cuje se caktanje
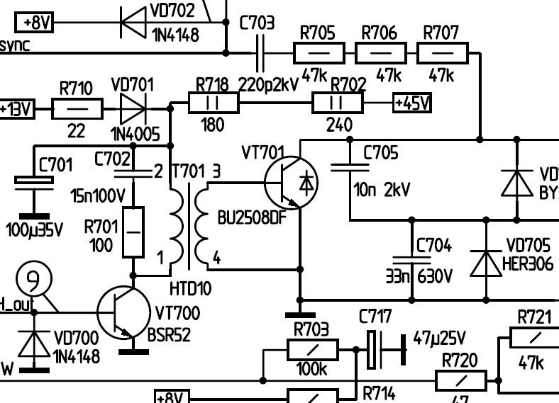
Semu od TV nemam. U kolektoru blok kondenzator C705 (10nF 1600V) pokazuje da ima 5nF tako da cu da ga zamenim. 2SD2499 koji sam pomenuo je u HIS-u na Samsungovim sasijama ali je slabiji od ovog koji meni treba. Jel mozete da napisete oznake od adekvatnih zamena?
- Stolle
- Preminuo
- Postovi: 19098
- Pridružen: 12 Avg 2006, 23:35
- Location: Srbija
- Specialty: tv-multimedia
- Lokacija: Dimitrovgrad
Re: Rolsen C21SR68NTplat - Ne radi, cuje se caktanje
Radiće on. Ipak proveri temperaturu posle nekog vremena.
Deo šeme, ako odgovara.
Ne mogu da postavim, gnjavi forum.
Jedva.
Deo šeme, ako odgovara.
Ne mogu da postavim, gnjavi forum.
Jedva.
"29 poslednjih dana u mesecu je najteže"
Re: Rolsen C21SR68NTplat - Ne radi, cuje se caktanje * REŠENO *
Zamenjena dva elektrolitska kondenzatora u mrezi C814 (100uF 35V) i C816 (100uF 35V), zamenjen blok kondenzator u kolektoru HIS tranzistora C705 (10nF 1600V) pokazivao 5nF, zamenjen elko u HIS C713 (1uF 250V). Nakon zamene svega pomenutog, ubacio sam u HIS tranzistor 2SD2499 umesto 1803DHI i sve radi nema preteranog grejanja tranzistora s tim da je na istom hladnjaku ic za vertikalu, ic za audio (posle vise od 1h rada temperatura na hladnjaku je ispod 60 stepeni).
Slika mi je malo pomerena po horizontali tj sa obe strane bezi malo sa ekrana, ne smeta prilikom gledanja ali ne bi bilo lose da bude do ivica ekrana.
P.S. Stavljam reseno s obzirom da je resen problem.
Slika mi je malo pomerena po horizontali tj sa obe strane bezi malo sa ekrana, ne smeta prilikom gledanja ali ne bi bilo lose da bude do ivica ekrana.
P.S. Stavljam reseno s obzirom da je resen problem.
- Stolle
- Preminuo
- Postovi: 19098
- Pridružen: 12 Avg 2006, 23:35
- Location: Srbija
- Specialty: tv-multimedia
- Lokacija: Dimitrovgrad
Re: Rolsen C21SR68NTplat - Ne radi, cuje se caktanje
Kako misliš beži? Ako je proširena gore i dole po horizontali, proveri C704 i D705.
"29 poslednjih dana u mesecu je najteže"
Re: Rolsen C21SR68NTplat - Ne radi, cuje se caktanje
U redu je po vertikali, prosirena je po horizontali levo i desno.
-
- Slične teme
- Odgovori
- Pregledano
- Zadnji post
-
-
TV Rolsen C29R40TI2PLAT ne radi OW (RESENO)
napisao Ribery » 10 Okt 2013, 10:55 » u Servisiranje CRT Televizora - 22 Odgovori
- 3531 Pregledano
-
Zadnji post napisao Ribery
25 Okt 2013, 00:01
-
-
-
TV SAMSUNG CB336F(S) - Slabo se cuje zvuk (RESENO)
napisao Marko Enter » 28 Jun 2008, 17:28 » u Servisiranje CRT Televizora - 16 Odgovori
- 2803 Pregledano
-
Zadnji post napisao Marko Enter
18 Jul 2008, 22:37
-
-
-
Sony KV-21T3K, neće da upali samo blicne led, i čuje se neko zujanje
napisao golub » 26 Apr 2020, 10:04 » u Servisiranje CRT Televizora - 7 Odgovori
- 28963 Pregledano
-
Zadnji post napisao alexa_pg
04 Jul 2020, 16:34
-
-
-
TV ROLSEN C21R70T - Potreban dump
napisao disxa » 16 Sep 2008, 21:14 » u Servisiranje CRT Televizora - 2 Odgovori
- 1404 Pregledano
-
Zadnji post napisao GOKA
22 Sep 2008, 01:55
-
-
-
TV ROLSEN C21SR68NT Plat - Vertikala i EW (RESENO)
napisao Boban » 04 Okt 2008, 19:44 » u Servisiranje CRT Televizora - 7 Odgovori
- 2370 Pregledano
-
Zadnji post napisao Boban
05 Okt 2008, 20:39
-
-
- 0 Odgovori
- 934 Pregledano
-
Zadnji post napisao zmajtv
03 Nov 2009, 07:49
-
- 3 Odgovori
- 989 Pregledano
-
Zadnji post napisao stojkePN
04 Jan 2011, 04:51
-
-
ROLSEN C21R70T PLAT POTREBAN DUMP
napisao ilija88 » 11 Jan 2011, 19:41 » u Servisiranje CRT Televizora - 5 Odgovori
- 1551 Pregledano
-
Zadnji post napisao emem
12 Jan 2011, 08:50
-

