CRT TV
FIRMA: QUADRO
MODEL: CTV 72F14 TXT
CHASSIS: CH-20 CHA5515
***************************************
SIMPTOMI:
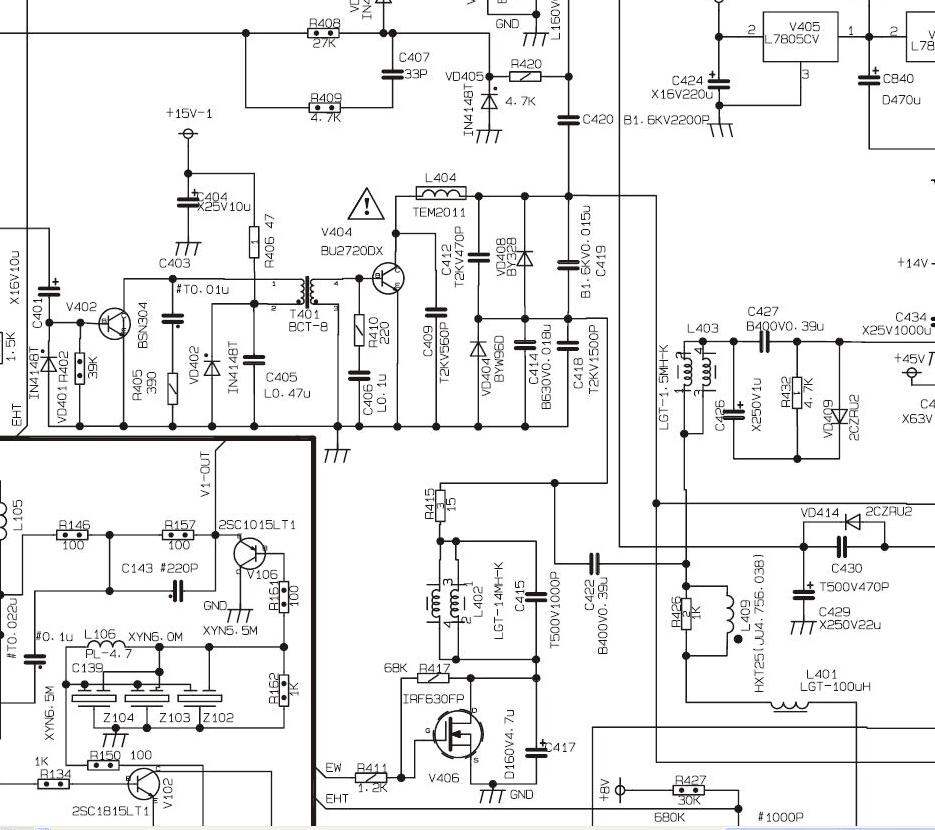
Pregoreo kondenzator C409 kod visokonaponskok transformatora nemam shemu i neznam koja mu je vrednost
DETALJAN OPIS KVARA i PREDUZETE RADNJE:
potrebna shema ili samo vrednost tog kondenzatora C409
quadro ctv 72f14 txt
Pravila foruma
Naslov teme treba da bude u formatu: PROIZVOĐAČ, MODEL, KRATAK OPIS KVARA
Nakon rešenog kvara zatvoriti temu >> >UPUTSTVO< u suprotnom ništa ne činiti.
HOME -- SERVISERI -- DALJINSKI -- RAZNA UPUTSTVA
Naslov teme treba da bude u formatu: PROIZVOĐAČ, MODEL, KRATAK OPIS KVARA
Nakon rešenog kvara zatvoriti temu >> >UPUTSTVO< u suprotnom ništa ne činiti.
HOME -- SERVISERI -- DALJINSKI -- RAZNA UPUTSTVA
-
- _
- Postovi: 2
- Pridružen: 02 Feb 2017, 19:02
- Location: sombor
- Specialty: tv
-
- _
- Postovi: 2
- Pridružen: 02 Feb 2017, 19:02
- Location: sombor
- Specialty: tv
Re: quadro ctv 72f14 txt
hvala veliko
-
- Slične teme
- Odgovori
- Pregledano
- Zadnji post
-
-
QUADRO CTV-55SF65 TXT A3P52E POTREBNA SEMA (RESENO)
napisao virtual » 22 Jun 2011, 12:47 » u Servisiranje CRT Televizora - 8 Odgovori
- 2917 Pregledano
-
Zadnji post napisao stingray
04 Feb 2014, 18:50
-
-
-
Re: Quadro CTV 72F37 TXT - Nece da starta ( Reseno )
napisao kortov » 30 Jul 2011, 15:04 » u Servisiranje CRT Televizora - 8 Odgovori
- 1696 Pregledano
-
Zadnji post napisao kortov
01 Avg 2011, 20:36
-
-
-
quadro ctv-72d11 txt potrebna schema [RESENO]
napisao alexb » 04 Jun 2015, 11:04 » u Servisiranje CRT Televizora - 3 Odgovori
- 1841 Pregledano
-
Zadnji post napisao alexa_pg
06 Jun 2015, 22:43
-
-
-
TV SEG CTV-21406 TXT/S Chassis 11AK30-A14, greje se BU808DFX
napisao SPARTACUS » 03 Dec 2021, 19:05 » u Servisiranje CRT Televizora - 8 Odgovori
- 3024 Pregledano
-
Zadnji post napisao alexa_pg
03 Dec 2021, 22:15
-
-
- 6 Odgovori
- 3920 Pregledano
-
Zadnji post napisao Milos06
31 Okt 2019, 09:38
-
-
Quadro 55x10 txt-Problem vertikala [RESENO]
napisao chon-ji » 27 Avg 2015, 23:41 » u Servisiranje CRT Televizora - 13 Odgovori
- 3968 Pregledano
-
Zadnji post napisao tom
31 Avg 2015, 17:51
-
-
-
QUADRO CTV-37D10TXT Gori otpornik u stand-by *RESENO*
napisao stojkePN » 07 Jul 2009, 01:40 » u Servisiranje CRT Televizora - 9 Odgovori
- 2092 Pregledano
-
Zadnji post napisao majstorr
10 Jul 2009, 00:14
-
-
-
QUADRO CTV-55F19TXT problem sa slikom (RESENO)
napisao virtual » 08 Nov 2012, 13:54 » u Servisiranje CRT Televizora - 5 Odgovori
- 1659 Pregledano
-
Zadnji post napisao virtual
09 Nov 2012, 15:41
-