Zdravo,
Moje ime je Pavle i vech mnogo dugo vremena sam serviser u oblasti TV-a i IT tehnologie. Zivim u Skopje- Makedonija.
Treba mi pomosh da reshim jedan kvar kod TCL 2927 TV,chasija M35-36. Opis kvara:
TV moze se ukluchiti sa dajliskom ili dugmad za + ili - kanale. Kad se ukluchi odma na ekranu pochinje auto search.Ako probam da ga ugasim sa dajliskom, ugasi se (led zasveti crveno) onda ako ponovo ukluchim TV sa dalechinskim TV se ukluchi i opet pochinje auto search. E sada nakon drugog ukluchenja ako ga ugasim vishe TV neche se upaliti odnosno sveti crvena led (Standby) i TV ne prima nikakve signale od dalechiskim ili dugmadi, ednostavno blokira se.
Nasao sam na forumu neka slichne kvarove, probao sam sa zamenu eeproma i drugog firmware-om ali opet isto. Po meni mislim da e kvar u procesuru VCT3831A C4.
Sahta Vi mislite?
Pozdrav,
Pavle,
TCL2927 Blokira se u Standby
Pravila foruma
Naslov teme treba da bude u formatu: PROIZVOĐAČ, MODEL, KRATAK OPIS KVARA
Nakon rešenog kvara zatvoriti temu >> >UPUTSTVO< u suprotnom ništa ne činiti.
HOME -- SERVISERI -- DALJINSKI -- RAZNA UPUTSTVA
Naslov teme treba da bude u formatu: PROIZVOĐAČ, MODEL, KRATAK OPIS KVARA
Nakon rešenog kvara zatvoriti temu >> >UPUTSTVO< u suprotnom ništa ne činiti.
HOME -- SERVISERI -- DALJINSKI -- RAZNA UPUTSTVA
- alexa_pg
- Site Admin

- Postovi: 6119
- Pridružen: 22 Avg 2006, 08:10
- Location: Podgorica
- Specialty: tv-multimedia
Re: TCL2927 Blokira se u Standby
Dobrodosao na Fanzo forum!
Kao što je rekao kolega, prvo bih krenuo od tastature a procesor bih ostavio kao krajnju mogućnost.
Ako je aparat bio u vlaznoj prostoriji, valjalo bi oprati ploču oko procesora.
Prvi ti je post ali to ne znači da ne treba da pročitas pravilnik foruma i da se upoznaš sa načinom postavljanja teme.
Sve je napisano u crvenom polju iznad tvog posta.
Kao što je rekao kolega, prvo bih krenuo od tastature a procesor bih ostavio kao krajnju mogućnost.
Ako je aparat bio u vlaznoj prostoriji, valjalo bi oprati ploču oko procesora.
Prvi ti je post ali to ne znači da ne treba da pročitas pravilnik foruma i da se upoznaš sa načinom postavljanja teme.
Sve je napisano u crvenom polju iznad tvog posta.
"I ja volim ljude ali ih sve manje podnosim"
Re: TCL2927 Blokira se u Standby RESHENO
Zdravo,
Tek juche sam bio u moznosti da proverim ovo sa tastaturom. Do sada u praksi prvo ochistim-izduvam kompresorom od prashine TV-a pa onda pristupim na reshavanje problema.Ako TV popravljam kod vlasnika onda usisam koliko je mozno od prashine. Ako ima vlage odnoso prashini pomeshana sa vlagom (kal) onda upotrebljavam kontakt sprej i chetkicu
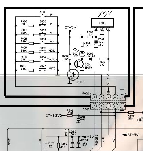
Tastaturom sam ochistio prvo sa etanolom a onda i sa kontakt spreom i povtorno uzduvao.To nie pomoglo da se reshi problem. Onda sa duvalicom toplom vozduhu na oko 100c zagrejao sam celu tastaturu i tako zagrejana sam proverio dali ima neke promene. TV se palio i gasio bez problema duze vreme ali kad se plocha ohladila onda problem se vratio. Zanci problem je bio negde u tastaturi. Primenio sam staru fintu grejanje dela po dela i kada sam zagrejao tranzistor Q001 TV je radio normalno.
Pitao sam vlasnika josh jednom da se priseti kada tachno se pojavi problem, rekao mi je kad je pokusao da pritisne neko dugme na tastaturi chuo se zvuk "PC' odnosno mala iskra elektrostatichkog praznjene.Najverovatno ovo praznenje je oshetio Q001 koi je u vrsku na izlazu IR001.
Promena Q001 problem se reshio. Preventivno sam zamenio i diodu D002.
Nesha, hvala na pomosh isto i Alexa hvala puno
Pozz,
Pavle,
P.S hteo sam da atachiram sliku od sheme gde se nalaze ovi delovi,kako to da uradim?
Tek juche sam bio u moznosti da proverim ovo sa tastaturom. Do sada u praksi prvo ochistim-izduvam kompresorom od prashine TV-a pa onda pristupim na reshavanje problema.Ako TV popravljam kod vlasnika onda usisam koliko je mozno od prashine. Ako ima vlage odnoso prashini pomeshana sa vlagom (kal) onda upotrebljavam kontakt sprej i chetkicu
Tastaturom sam ochistio prvo sa etanolom a onda i sa kontakt spreom i povtorno uzduvao.To nie pomoglo da se reshi problem. Onda sa duvalicom toplom vozduhu na oko 100c zagrejao sam celu tastaturu i tako zagrejana sam proverio dali ima neke promene. TV se palio i gasio bez problema duze vreme ali kad se plocha ohladila onda problem se vratio. Zanci problem je bio negde u tastaturi. Primenio sam staru fintu grejanje dela po dela i kada sam zagrejao tranzistor Q001 TV je radio normalno.
Pitao sam vlasnika josh jednom da se priseti kada tachno se pojavi problem, rekao mi je kad je pokusao da pritisne neko dugme na tastaturi chuo se zvuk "PC' odnosno mala iskra elektrostatichkog praznjene.Najverovatno ovo praznenje je oshetio Q001 koi je u vrsku na izlazu IR001.
Promena Q001 problem se reshio. Preventivno sam zamenio i diodu D002.
Nesha, hvala na pomosh isto i Alexa hvala puno
Pozz,
Pavle,
P.S hteo sam da atachiram sliku od sheme gde se nalaze ovi delovi,kako to da uradim?
- BD-electronic
- gx

- Postovi: 1348
- Pridružen: 10 Avg 2006, 10:54
- Location: N.Travnik BiH-SFRJ
- Warranty service: LG,Elit,Morgans,Verso,Elta,Qteck
- Contact person: Dejan
- Phone number: 0038730793402
- Specialty: tv-multimedia
- Kontakt:
Re: TCL2927 Blokira se u Standby
Bojim se da nisi riješio taj kvar kako treba nikad nisam imao problem da strada Tranzistor na ploči tastature !!
-
- Slične teme
- Odgovori
- Pregledano
- Zadnji post
-
-
TV SCHNEIDER Chassis 176 (17.6) - Blokira (RESENO)
napisao milans01 » 25 Feb 2008, 11:24 » u Servisiranje CRT Televizora - 8 Odgovori
- 1412 Pregledano
-
Zadnji post napisao milans01
04 Mar 2008, 18:36
-
-
-
TV FUNAI Portabl MS14AMK - Blokira komande (REŠENO)
napisao DJ.Mr.Schultz » 07 Mar 2008, 01:23 » u Servisiranje CRT Televizora - 5 Odgovori
- 1184 Pregledano
-
Zadnji post napisao DJ.Mr.Schultz
08 Mar 2008, 15:57
-
-
-
VIVAX TV2960 STANDBY BLINKA reseno
napisao milivojsa » 28 Dec 2009, 08:32 » u Servisiranje CRT Televizora - 9 Odgovori
- 1841 Pregledano
-
Zadnji post napisao milivojsa
29 Dec 2009, 12:17
-
-
-
TV Samsung CK20H1T S15A 2 nema standby
napisao mili88 » 28 Dec 2010, 18:45 » u Servisiranje CRT Televizora - 18 Odgovori
- 4132 Pregledano
-
Zadnji post napisao DSsasa
15 Feb 2011, 17:26
-
-
-
SAMSUNG CB5073T S15A Nema standby
napisao simoni » 10 Feb 2011, 21:35 » u Servisiranje CRT Televizora - 3 Odgovori
- 1147 Pregledano
-
Zadnji post napisao integralpk
10 Feb 2011, 23:15
-
-
-
TV Panasonic TX21X2T zujanje mreze u standby (RESENO)
napisao icko » 27 Feb 2012, 20:49 » u Servisiranje CRT Televizora - 5 Odgovori
- 1548 Pregledano
-
Zadnji post napisao icko
29 Feb 2012, 21:10
-
-
-
LG 29FB5RLX poslije 5 s ide u StandBy RIJESENO
napisao Gemini » 24 Jun 2012, 14:46 » u Servisiranje CRT Televizora - 2 Odgovori
- 879 Pregledano
-
Zadnji post napisao Gemini
24 Jun 2012, 16:38
-
-
-
VIVAX TV2106NF 21CK3 STANDBY BLINKA [RESENO]
napisao frici » 08 Sep 2012, 19:01 » u Servisiranje CRT Televizora - 12 Odgovori
- 3893 Pregledano
-
Zadnji post napisao Stolle
03 Apr 2013, 12:46
-

