Problem choper trafo BCK40/45 chassis PHO2-C - RESENO
Pravila foruma
Naslov teme treba da bude u formatu: PROIZVOĐAČ, MODEL, KRATAK OPIS KVARA
Nakon rešenog kvara zatvoriti temu >> >UPUTSTVO< u suprotnom ništa ne činiti.
HOME -- SERVISERI -- DALJINSKI -- RAZNA UPUTSTVA
Naslov teme treba da bude u formatu: PROIZVOĐAČ, MODEL, KRATAK OPIS KVARA
Nakon rešenog kvara zatvoriti temu >> >UPUTSTVO< u suprotnom ništa ne činiti.
HOME -- SERVISERI -- DALJINSKI -- RAZNA UPUTSTVA
Problem choper trafo BCK40/45 chassis PHO2-C - RESENO
Potreban pomenuti mrezni trafo, ne mogu da ga pronadjem. BCK40/45-644B-1 na sasiji PH02-C ima ga u Vivax, Quart i jos nekim "kinezima". Moze i neka zamena pa cu probati da prilagodim.
Hvala.
Hvala.
Zadnja izmena: joki_TXT, dana 12 Mar 2014, 18:50, ukupno menjano 1 put.
Re: Potreban choper trafo BCK40/45 chassis PHO2-C
Rado bih ti pomogao oko ovog trafoa, ali tek od ponedeljka, pošto sam na putu....Ako dotle ne rešiš problem- javi se.
Re: Potreban choper trafo BCK40/45 chassis PHO2-C
Moze kolega... odlicno, nije toliko hitno stavicu ga sa strane. Cujemo se onda preko nedelje... 061/704 6591 Mita
Pozzz
Pozzz
Re: Potreban choper trafo BCK40/45 chassis PHO2-C
Nažalost, nije ista oznaka trafoa (pretpostavljam da je sa šasije PH-02): BCK43-45/334-2A. Ako ti odgovar da pošaljem?
U svakom slučaju ga poklanjam, plaćaš samo dostavu....
U svakom slučaju ga poklanjam, plaćaš samo dostavu....
Re: Potreban choper trafo BCK40/45 chassis PHO2-C
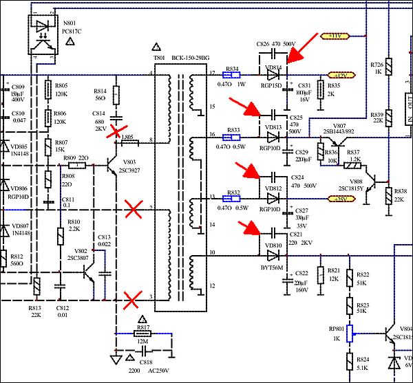
Prelistao sam sad na netu par ph02 sasija i sve imaju gotovo iste trafoe. Ne mogu da nadjem specifikaciju tog trafoa mada mozda bi se i uklopio. Evo slike BCK40/45-644B-1 trafoa sa rasporedom nozica i docrtao sam i semu [omski ispitano]. Pa kad stignes kolega baci pogled mozda i odgovara.
Pozdrav!
Pozdrav!
- fanzo
- Site Admin

- Postovi: 16015
- Pridružen: 02 Avg 2006, 06:41
- Location: Bački Petrovac, Srbija
- Phone number: 0038121781575
- Specialty: tv-multimedia
- Lokacija: Bački Petrovac
Re: Potreban choper trafo BCK40/45 chassis PHO2-C
Može da ga zameniš ako je sa PH02 šasije.
Ako bude mreža cvilela u st.by onda dodaš ili skineš jedini elko u primaru koji je nakaradno nakačen tamo.
Ako bude mreža cvilela u st.by onda dodaš ili skineš jedini elko u primaru koji je nakaradno nakačen tamo.
Svakodnevno usavršavanje je bolje od zakasnelog savršenstva
- Stolle
- Preminuo
- Postovi: 19098
- Pridružen: 12 Avg 2006, 23:35
- Location: Srbija
- Specialty: tv-multimedia
- Lokacija: Dimitrovgrad
Re: Potreban choper trafo BCK40/45 chassis PHO2-C
Beše sa tri tranzistora? Stari SANYO TV-i (neki, ne znam napamet) su imali takvu mrežu.
"29 poslednjih dana u mesecu je najteže"
Re: Potreban choper trafo BCK40/45 chassis PHO2-C
Dabome, klasicna tranzistorska mreza [kineska]... doduse za svaki model ta sasija je malo modifikovana, konkretno na ovom Tv-u je umesto zenerice VD519 stavljena 1N4148 i umesto otpornik R517 - 1K stavljen je cini mi se 470K i ako je sema skroz ispostovana u celini jedino to su malo modifikovali. Ja sam ih licno vidjao kod Vivaxa, Quarta i cini mi se i kod Sanyo...
- tom
- gxu

- Postovi: 2299
- Pridružen: 23 Apr 2007, 20:01
- Location: Strumica
- Contact person: TOME
- Specialty: tv
- Lokacija: Makedonija
Re: Potreban choper trafo BCK40/45 chassis PHO2-C
Ja nisam razumeo da li si siguran da je taj trafo neispravan !
Ako jesi, pitao bih na osnovu cega si dosao do tog zakljucka.
Da li si ispitao metodom zamene, metodom LOPT/FBT tester ili nesto slicno.
Ako jesi, pitao bih na osnovu cega si dosao do tog zakljucka.
Da li si ispitao metodom zamene, metodom LOPT/FBT tester ili nesto slicno.
TOME
Re: Potreban choper trafo BCK40/45 chassis PHO2-C
Poznajem dosta dobro tu mrezu i to mi je bila zadnja opcija, precesljao sam sve u primaru i sekundaru ali nisam mogo da je resim... relativno je prosta ali nikako nisam mogo da smanjim napone u sekundaru, svi su uvecani skoro pa duplo.. zamenio sam sve tranz. optokaler, trimer, otkacio sve diode i otpor. i prekontrolisao i sve deluje ok, preventivno sam zamenio otpornike R552 i R551 jer oni ponekad kao delilac napona hoce da zezaju... i ista prica...
na kraju sam postavio uni modul ZD-08A jer se on dosta dobro pokazao na ovim televizorima ali i onda ista prica... s' toga sam gotovo 99% siguran da je trafo. Iako omski deluje u redu opet sumnjam u njega jer mi se i ranije desavalo da su trafoi omski ok a da je do njih bio problem...
Ne bih vise da duzim da nebi promasio temu...
Pozdrav!
na kraju sam postavio uni modul ZD-08A jer se on dosta dobro pokazao na ovim televizorima ali i onda ista prica... s' toga sam gotovo 99% siguran da je trafo. Iako omski deluje u redu opet sumnjam u njega jer mi se i ranije desavalo da su trafoi omski ok a da je do njih bio problem...
Ne bih vise da duzim da nebi promasio temu...
Pozdrav!
- fanzo
- Site Admin

- Postovi: 16015
- Pridružen: 02 Avg 2006, 06:41
- Location: Bački Petrovac, Srbija
- Phone number: 0038121781575
- Specialty: tv-multimedia
- Lokacija: Bački Petrovac
Re: Potreban choper trafo BCK40/45 chassis PHO2-C
Ja mislim da ti je trafo dobar 99,99%.
Imaš problem negde u sekundaru mreže u grani optokaplera.
Zbog trafoa ne može nikako da poveća sekundarne napone.
Imaš problem negde u sekundaru mreže u grani optokaplera.
Zbog trafoa ne može nikako da poveća sekundarne napone.
Svakodnevno usavršavanje je bolje od zakasnelog savršenstva
- Majstor Duja
- Neaktivan
- Postovi: 3136
- Pridružen: 23 Avg 2006, 17:29
- Location: Novi Sad - centar
- Warranty service: http://www.elektrocentar.com
- Contact person: Goran Duic
- Specialty: tv-multimedia
Re: Potreban choper trafo BCK40/45 chassis PHO2-C
Moze to da se desi ako se kratkospoje primarni namotaji pa podigne sekundarne napone ali samo u nestabilisanim mrezama...
Rule #1 "Always stand for what you believe, even if it means standing alone."
Re: Potreban choper trafo BCK40/45 chassis PHO2-C
I ja sam bio siguran da je problem u grani optokaplera, zato sam preventivno promenio tranz. diode, trimer i optokapler... otpornike sam otkacio i proverio i dobri su... i naravno sve elektrol. u sekundaru... sve sam zamenio istim ali ista prica.
I meni je kao sto rece Majstor Duja jedino logicno da su namotaji u primaru trafoa u kratkom spoju pa da je to diglo sve ostale napone u sekundaru...
I meni je kao sto rece Majstor Duja jedino logicno da su namotaji u primaru trafoa u kratkom spoju pa da je to diglo sve ostale napone u sekundaru...
- tom
- gxu

- Postovi: 2299
- Pridružen: 23 Apr 2007, 20:01
- Location: Strumica
- Contact person: TOME
- Specialty: tv
- Lokacija: Makedonija
Re: Potreban choper trafo BCK40/45 chassis PHO2-C
Da još jednom probaš ZD08A (bez upotrebe zelene žice) ali da anuliraš veze označene kao X a u sekundaru promeniš obeležane kondenzatore (kao na slici)joki_TXT je napisao:...postavio uni modul ZD08A...
TOME
Re: Potreban choper trafo BCK40/45 chassis PHO2-C
Pozdrav Tom,
sema je dosta slicna ali nije bas indenticna... da, to sam sve vec ispostovao... zamenio sam te kondenzatore, ustvari na ploci postoje sam ta dva gornja od 470pF i 220pF - 1KV zamenjeni su... kao i paralelne diode..
sema je dosta slicna ali nije bas indenticna... da, to sam sve vec ispostovao... zamenio sam te kondenzatore, ustvari na ploci postoje sam ta dva gornja od 470pF i 220pF - 1KV zamenjeni su... kao i paralelne diode..
- alexa_pg
- Site Admin

- Postovi: 6046
- Pridružen: 22 Avg 2006, 08:10
- Location: Podgorica
- Specialty: tv-multimedia
Re: Potreban choper trafo BCK40/45 chassis PHO2-C
Slozio bih se sa fanzom "Ja mislim da ti je trafo dobar 99,99%."
Na semi koju je prilozio tom, kvar bih trazio u donjem desnom uglu seme, oko trimera i sve sto je u tom strujnom krugu.
Probao bih takodje jos jednom ovo sto rece tom "Da još jednom probaš ZD08A (bez upotrebe zelene žice)"
Ako opet ne radi kako treba, definitivno ne valja mr. trafo. To je onih 0.01% sa pocetka price.
Na semi koju je prilozio tom, kvar bih trazio u donjem desnom uglu seme, oko trimera i sve sto je u tom strujnom krugu.
Probao bih takodje jos jednom ovo sto rece tom "Da još jednom probaš ZD08A (bez upotrebe zelene žice)"
Ako opet ne radi kako treba, definitivno ne valja mr. trafo. To je onih 0.01% sa pocetka price.
"I ja volim ljude ali ih sve manje podnosim"
Re: Potreban choper trafo BCK40/45 chassis PHO2-C
Ok nije mi tesko, veceras ga vracam na sto i probacu sve ispocetka...
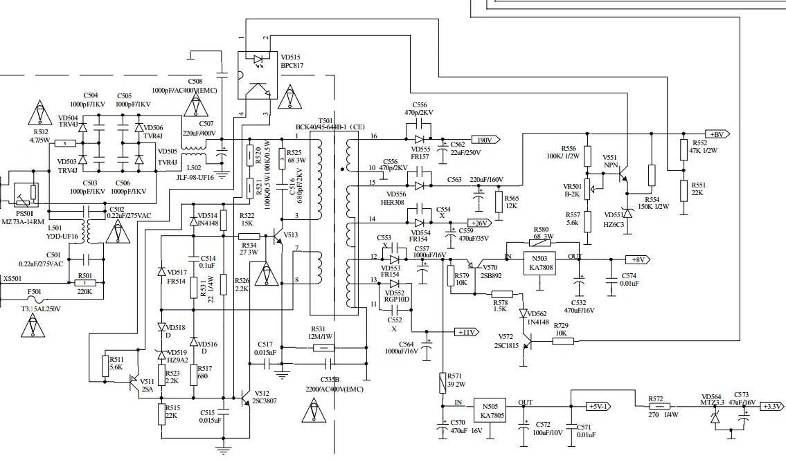
Inace ovo je skoro identicna sema te mreze.
Inace ovo je skoro identicna sema te mreze.
Re: Potreban choper trafo BCK40/45 chassis PHO2-C
A, ako baš ne ''ide'', našao sam original trafo......
Re: Problem choper trafo BCK40/45 chassis PHO2-C
Ne ide, ipak je mrezni trafo u pitanju... Hvala kolega zozontv1!
Majstor Duja je zbog diskusije premestio temu - OPRAVDANO. Pa cu ti se obraditi u PP za podatke.
Pozzz i hvala svima na pomoci!
Majstor Duja je zbog diskusije premestio temu - OPRAVDANO. Pa cu ti se obraditi u PP za podatke.
Pozzz i hvala svima na pomoci!
Re: Problem choper trafo BCK40/45 chassis PHO2-C - RESENO
Pozdrav svima, nisam imao vremena da se javim bio sam na teren par dana...
Tv je resen, zahvaljujuci kolegi Zozontv1 koji mi je poslao original trafo, cim sam ga postavio naponi su bili manje-vise u redu. Moram samo da napomenem i to, da mi je covek poslao trafo dzabe jos je i platio postarinu... sta vise reci, prosudite samo o kakvom se coveku radi...
Jos jednom, hvala svima koji su ucestvovali u ovom postu... zivi bili!!!
Tv je resen, zahvaljujuci kolegi Zozontv1 koji mi je poslao original trafo, cim sam ga postavio naponi su bili manje-vise u redu. Moram samo da napomenem i to, da mi je covek poslao trafo dzabe jos je i platio postarinu... sta vise reci, prosudite samo o kakvom se coveku radi...
Jos jednom, hvala svima koji su ucestvovali u ovom postu... zivi bili!!!
-
- Slične teme
- Odgovori
- Pregledano
- Zadnji post
-
-
TV SAMSUNG CW29Z404N Chassis KS7C - Trafo (RESENO)
napisao Sully » 29 svi 2009, 13:22 » u Servisiranje CRT Televizora - 6 Odgovori
- 1683 Pregledano
-
Zadnji post napisao Majstor Duja
10 Jun 2009, 10:39
-
-
-
TV ELITE 21ES67 Chassis PX200304C - Potreban VN trafo
napisao stojkePN » 27 Nov 2007, 05:31 » u Servisiranje CRT Televizora - 24 Odgovori
- 5660 Pregledano
-
Zadnji post napisao majstorr
06 Dec 2007, 23:14
-
-
-
TV QUADRO CTV72S10TXT Chassis 5P60 - Split Trafo (ODUSTAO)
napisao cacko85 » 03 Feb 2009, 15:39 » u Servisiranje CRT Televizora - 18 Odgovori
- 4742 Pregledano
-
Zadnji post napisao cacko85
08 Feb 2009, 20:52
-
-
-
TV DUBROVKINJA DCS2037VR Chassis C43M - VN Trafo
napisao Vucko_AR » 20 Apr 2009, 14:35 » u Servisiranje CRT Televizora - 74 Odgovori
- 7381 Pregledano
-
Zadnji post napisao Stolle
05 Apr 2013, 16:49
-
-
-
TV FUNAI lTV2003 - VN trafo (RESENO)
napisao icko » 27 Jan 2009, 16:30 » u Servisiranje CRT Televizora - 13 Odgovori
- 1799 Pregledano
-
Zadnji post napisao vlatkocopa
29 Jan 2009, 14:19
-
-
-
Trafo za TV ORION COLOR 5588VT - REŠENO
napisao mpajovic » 12 Mar 2011, 15:09 » u Servisiranje CRT Televizora - 5 Odgovori
- 1177 Pregledano
-
Zadnji post napisao mpajovic
17 Mar 2011, 10:23
-
-
-
Philips 14PV18301 koji je VN-trafo(RESENO)
napisao vlatkocopa » 19 Apr 2011, 21:05 » u Servisiranje CRT Televizora - 11 Odgovori
- 1163 Pregledano
-
Zadnji post napisao buzdumra
27 Jun 2011, 12:51
-
-
-
VIVAX TV2121 T2P06 (00) pulsira VN trafo(Reseno)
napisao kele » 06 svi 2011, 20:24 » u Servisiranje CRT Televizora - 7 Odgovori
- 2260 Pregledano
-
Zadnji post napisao kele
08 svi 2011, 09:41
-


