Orion TV8201 ch 7000 HIS tr se pregreva (rešeno)
Pravila foruma
Naslov teme treba da bude u formatu: PROIZVOĐAČ, MODEL, KRATAK OPIS KVARA
Nakon rešenog kvara zatvoriti temu >> >UPUTSTVO< u suprotnom ništa ne činiti.
HOME -- SERVISERI -- DALJINSKI -- RAZNA UPUTSTVA
Naslov teme treba da bude u formatu: PROIZVOĐAČ, MODEL, KRATAK OPIS KVARA
Nakon rešenog kvara zatvoriti temu >> >UPUTSTVO< u suprotnom ništa ne činiti.
HOME -- SERVISERI -- DALJINSKI -- RAZNA UPUTSTVA
- Vojvoda
- ___
- Postovi: 2285
- Pridružen: 17 Dec 2006, 22:14
- Location: Srbija
- Contact person: Mirko
- Specialty: tv-multimedia
- Lokacija: Beograd, Karaburma
Kolega nesko101 je u pravu za otklon. Stavi drugi pored TV-a i samo prebaci žice na njega. Ako se BU prestane usijavati eto rešenja.
Budženje je majka zanata.
Ko dobro budži, bolje pare uzima.
http://www.youtube.com/watch?v=WBao61sI ... ture=share
Ko dobro budži, bolje pare uzima.
http://www.youtube.com/watch?v=WBao61sI ... ture=share
moze ostavit vertikalu zakacenu ako proba his,, tako bit ce linija i top nepuca sve u tacku pa moze nesto duze da radi ...
a i ideja o otkacivanju grejanja nije losa ... mada se moze desit da se tra\nzfistor greje i zbog napona grejanja..
evo sad sam pomislijo da imam slican problem kad ono tran.. se ugreje do 55 stepeni i tako dalje radi..


evo sad sam pomislijo da imam slican problem kad ono tran.. se ugreje do 55 stepeni i tako dalje radi..



proradijo mi net zahvaljujuci fanzi
Ma teško će ovde bit otklonska, sve mi nešto vuče na VN trafo, ja to nebi mogao nastaviti nakon zamjene TDA8140 i elektrolita bez zamjene trafa. Kad razmislim, u većini slučajeva gdje sam se vrtio ko mačak oko vruće kaše u stvari sam pokušao izbjeći kupovinu skupog dijela. Možda netko ima da ti pošalje trafo za probu ...
-
- _
- Postovi: 4
- Pridružen: 07 svi 2007, 15:21
Proveri jos jednom CL 5 , mozda je na novom kondezatoru pogresno
odstampana oznaka + i - ,u tom slucaju tranzistor ce biti predugo otvoren i to vodi unistenju izlaznog tranzistora . Stavi proveren polovan elko i sve mi mirese na tako neku nebulozu . Takodje proveri otpornicku mrezu baza , emitor ka masi i CL 6 jer je to povratna sprega ka pobudi izlaznog stepena i kontrola oblika i velicine pobudnog impulsa . Svim kolegama skrecem paznju da se neispravan trafo prepoznaje po nenormalnom grejanju jezgra a otklonska jedinica bi takodje bil vrela i propusila posto TV ipak radi neko vreme uz sve to je vrlo bitna brzinatranzistora pa treba probati sa tranzistorima iz nekog 100Hz tv
odstampana oznaka + i - ,u tom slucaju tranzistor ce biti predugo otvoren i to vodi unistenju izlaznog tranzistora . Stavi proveren polovan elko i sve mi mirese na tako neku nebulozu . Takodje proveri otpornicku mrezu baza , emitor ka masi i CL 6 jer je to povratna sprega ka pobudi izlaznog stepena i kontrola oblika i velicine pobudnog impulsa . Svim kolegama skrecem paznju da se neispravan trafo prepoznaje po nenormalnom grejanju jezgra a otklonska jedinica bi takodje bil vrela i propusila posto TV ipak radi neko vreme uz sve to je vrlo bitna brzinatranzistora pa treba probati sa tranzistorima iz nekog 100Hz tv

moja teorija je takav kvar:Proveri jos jednom CL 5 , mozda je na novom kondezatoru pogresno
odstampana oznaka + i - ,u tom slucaju tranzistor ce biti predugo otvoren i to vodi unistenju izlaznog tranzistora .
bocnes osiloskop na bazu tranzistora OSILOGRAM ima sum ili nema dali je duze ZATVOREN ili delimicno zatvoren... napon...
drugi korak: kolektor.. vidjeti oblik i visinu vrhova..
obicno u dva koraka nadjes sta je..
ovo nikad nisam radio ali mislim da moze.. zakaciti ampermetar ispred trafoa na b+

proradijo mi net zahvaljujuci fanzi
Ajoj: otklonska je OK (nasao sam istu takvu), kupio novi split stavio kad ono isto. Idem ponovo da proverim oko TDA8140 ili da ga izbacim definitivno. Da li bi moglo da ne valja podnožje kat. cevi (<= potezi očajnika) jer sam ga menjao i stavio neko sa filipsa AA5? Inače stavio sam split eldor 1352.5006 a originalni je bio orega 40330-16.
- chellawy
- gx
- Postovi: 3186
- Pridružen: 12 Avg 2006, 22:25
- Location: Bačka Palanka
- Contact person: SIX
- Specialty: tv
da li u te blokove koje si menjao spada i CL1 ?Što se tiče hisa menjao sam TDA8140, elektrolite, blokove, CL12 je bio izgoren verovatno zbog lošeg lema, menjao diode, kratkospojio sam RL12 i jednostavno više nemam ideja. TV radi, trafo ne cvrči, sve je OK i tv se ugasiposle 10tak minuta jer se TL2 pregrejao ili probio
Kompletna ponuda rezervnih delova koja će biti veoma ažurirana u narednih dve ,dve i po godine :)
https://www.kupindo.com/Clan/chellawy/SpisakPredmeta
https://www.kupindo.com/Clan/chellawy/SpisakPredmeta
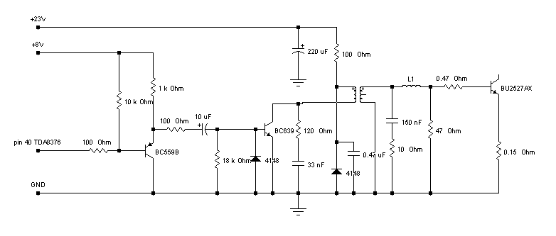
Izbacio sam TDA8140 sa pripadajućim delovima i ubacio staru dobru transformatorsku pobudu (iz T1 šasije Ei) i tranzistor je ladan ko špricer. Od ovih kola izmenjao sam ih nekoliko i uvek je bilo isto. Da ne pominjem da sam ostale komponente menjao i po nekoliko puta (osim onih SMD). A i ovi kineski plagijati BU-a me sa'raniše. Ovde dole je ta šema i proradila je iz prve (nikakve prepravke nisam radio). Liniju +23V sam morao malo ispeglati jer je bila slobodna na ovoj šasiji. Trenutno uživam u blagodetima 16:9 76cm ekrana.
- Prilog
-
- pobuda.gif (4.58 KiB) Pregledano 2269 puta.
-
- Slične teme
- Odgovori
- Pregledano
- Zadnji post
-
- 7 Odgovori
- 2621 Pregledano
-
Zadnji post napisao gsarkovic
07 Mar 2008, 12:30
-
-
TV PHILIPS 21PT1542 Chassis L61AA - Ne radi HIS (RESENO)
napisao zozontv1 » 19 Avg 2008, 07:00 » u Servisiranje CRT Televizora - 19 Odgovori
- 6142 Pregledano
-
Zadnji post napisao kele
03 Mar 2014, 21:29
-
-
-
TV NEO 1442TX - Ne startuje HIS (RESENO)
napisao sky_hawk » 30 Okt 2008, 19:05 » u Servisiranje CRT Televizora - 11 Odgovori
- 2260 Pregledano
-
Zadnji post napisao sky_hawk
31 Okt 2008, 16:44
-
-
-
TV GORENJE TVF29S15 Chassis 11AK37S - Ne starta HIS (REŠENO)
napisao cromax » 02 Nov 2008, 13:58 » u Servisiranje CRT Televizora - 6 Odgovori
- 2641 Pregledano
-
Zadnji post napisao Stolle
14 Nov 2008, 15:45
-
-
-
TV SAMSUNG WS32Z308T Chassis S63B - HIS (RESENO)
napisao viktel » 11 Jun 2009, 10:29 » u Servisiranje CRT Televizora - 7 Odgovori
- 1784 Pregledano
-
Zadnji post napisao viktel
11 Jun 2009, 12:46
-
-
-
Samsung CB5079t - HIS ne starta [REŠENO]
napisao svetrenjacas » 30 Apr 2010, 13:53 » u Servisiranje CRT Televizora - 2 Odgovori
- 1016 Pregledano
-
Zadnji post napisao Stolle
08 svi 2010, 16:48
-
-
-
TV SAMSUNG CZ20H32T Potrebna sema problem HIS (RESENO)
napisao tihi » 11 svi 2010, 21:58 » u Servisiranje CRT Televizora - 5 Odgovori
- 1612 Pregledano
-
Zadnji post napisao tihi
14 svi 2010, 20:45
-
-
- 10 Odgovori
- 2433 Pregledano
-
Zadnji post napisao agatel
28 Jul 2011, 16:08