Blaupunkt FM310.32 ne pali (Sasija ista kao CUC5360) RESENO

problemi , kvarovi , sheme upload/download popravka CRT televizora
HOME -- SERVISERI -- EXPERT-TEAM -- DALJINSKI

Urednici: alexa_pg,KASA1

Pravila foruma
Naslov teme treba da bude u formatu: PROIZVOĐAČ, MODEL, KRATAK OPIS KVARA
Nakon rešenog kvara zatvoriti temu >> >UPUTSTVO< u suprotnom ništa ne činiti.

HOME -- SERVISERI -- DALJINSKI -- RAZNA UPUTSTVA
Avatar
tihi
_
_
Postovi: 43
Pridružen: 02 Avg 2009, 21:33
Location: Zrenjanin
Specialty: tv-multimedia
Lokacija: Zrenjanin

Blaupunkt FM310.32 ne pali (Sasija ista kao CUC5360) RESENO

Post napisao tihi » 21 Dec 2012, 17:47

:arrow: FM310-32 = FM310.32 = FM31032 = CUC5360 = CS9106
FIRMA:Blaupunkt
MODEL: IS7043VT
CHASSIS(oznaka šasije):FM310.32
PCB(oznake na štampanoj ploči):A29701
MCU(procesor):SDA20561
EEPROM:MCM2814
VERTIKALA:TDA8214A
AUDIO:TDA2009A
VIDEO:TDA4685
SMPS (mreža):TDA4605
FBT (vn trafo):M29201-029.01
TUNER:29504-101
KVAR:
OPIS KVARA:Covek kaze da kad upali tv posle 2-3 sata dodje slika ali sad nece uopste da se pojavi.Merenjem sam ustanovio da su prisutni svi naponi iz mreze i horizontala radi, ali nema slike ni tona.Medjutim ne postoje naponi na izlazu iz VN trafoa kao ni grejanje na cevi. Medjutim nije mi jasno zasto nema tona.
Zadnja izmena: tihi, dana 21 Dec 2012, 19:52, ukupno menjano 2 puta.

Avatar
tihi
_
_
Postovi: 43
Pridružen: 02 Avg 2009, 21:33
Location: Zrenjanin
Specialty: tv-multimedia
Lokacija: Zrenjanin

Re: Blaupunkt FM310.32 ne pali (Sasija ista kao CUC5360)

Post napisao tihi » 21 Dec 2012, 20:21

Tranzistor u HIS-u on4542 je ispravan i svi jednosmerni naponi postoje pre Vn trafoa

Avatar
alexa_pg
Site Admin
Site Admin
Postovi: 6045
Pridružen: 22 Avg 2006, 08:10
Location: Podgorica
Specialty: tv-multimedia

Re: Blaupunkt FM310.32 ne pali (Sasija ista kao CUC5360)

Post napisao alexa_pg » 21 Dec 2012, 21:34

...Merenjem sam ustanovio da su prisutni svi naponi iz mreze i horizontala radi... Medjutim ne postoje naponi na izlazu iz VN trafoa...
To sto ne postoje naponi iz VN trafoa i sto nemas grijanje ekrana znaci da ipak horizontala ne radi.
Potrebno je provjeriti da li hor. oscilator ima napajanje, ima li hor. impulsa na njegovom izlazu i propratiti to sve preko drajverkog tranzistora do baze tranzistora u linijskom izlazu.
"I ja volim ljude ali ih sve manje podnosim"

Avatar
tihi
_
_
Postovi: 43
Pridružen: 02 Avg 2009, 21:33
Location: Zrenjanin
Specialty: tv-multimedia
Lokacija: Zrenjanin

Re: Blaupunkt FM310.32 ne pali (Sasija ista kao CUC5360)

Post napisao tihi » 22 Dec 2012, 15:03

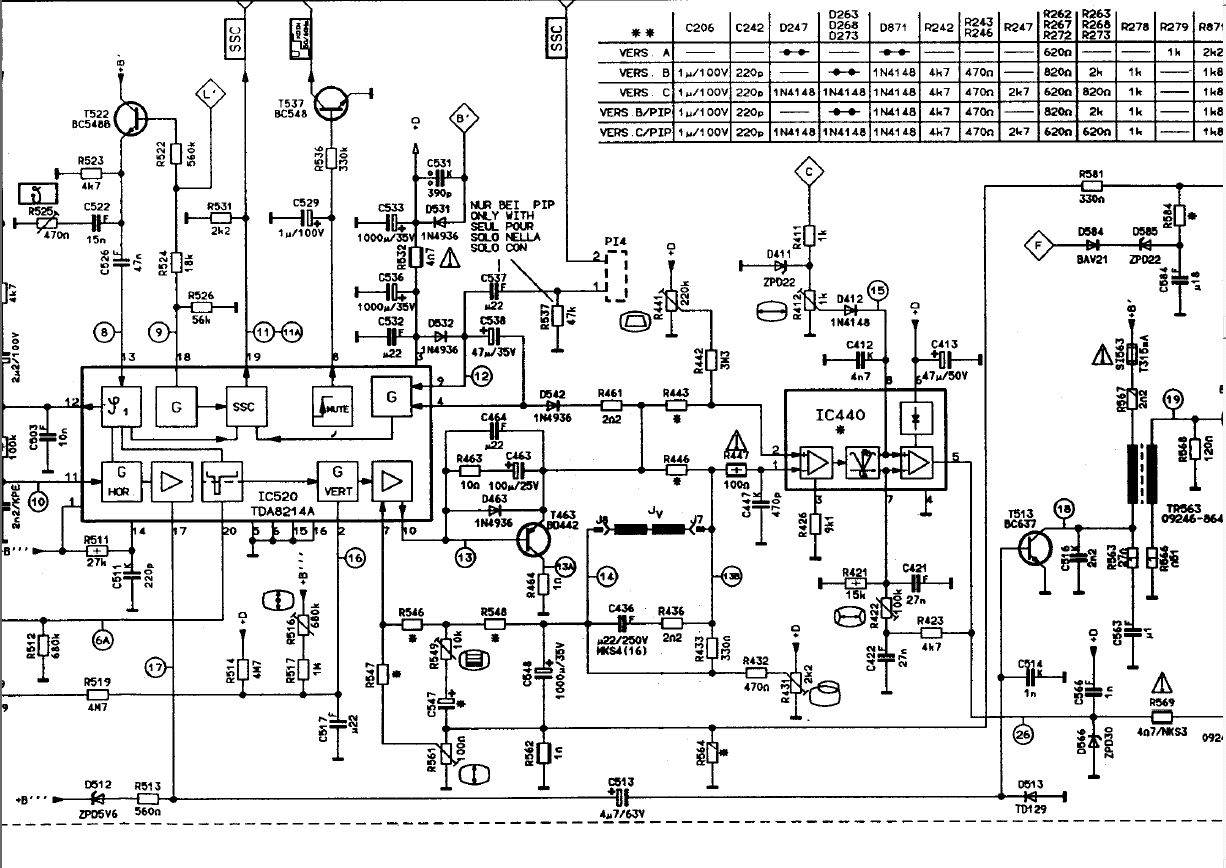
Integrisano kolo TDA8214 na pinu 11 ima testerasti signal ali na pinu 17 nema signala, pretpostavljam da je u pitanu integralac. Moram da nabavim drugi pa da probam da zamenim.
Prilog
Capture1.PNG

Avatar
alexa_pg
Site Admin
Site Admin
Postovi: 6045
Pridružen: 22 Avg 2006, 08:10
Location: Podgorica
Specialty: tv-multimedia

Re: Blaupunkt FM310.32 ne pali (Sasija ista kao CUC5360)

Post napisao alexa_pg » 22 Dec 2012, 15:07

Ako je napajanje kola dobro, velike su sanse da je sam iC neispravan
"I ja volim ljude ali ih sve manje podnosim"

Avatar
tihi
_
_
Postovi: 43
Pridružen: 02 Avg 2009, 21:33
Location: Zrenjanin
Specialty: tv-multimedia
Lokacija: Zrenjanin

Re: Blaupunkt FM310.32 ne pali (Sasija ista kao CUC5360)

Post napisao tihi » 22 Dec 2012, 15:26

Jeste napajanje je u redu. Mnogo hvala za pomoć!

Avatar
tihi
_
_
Postovi: 43
Pridružen: 02 Avg 2009, 21:33
Location: Zrenjanin
Specialty: tv-multimedia
Lokacija: Zrenjanin

Re: Blaupunkt FM310.32 ne pali (Sasija ista kao CUC5360)

Post napisao tihi » 26 Dec 2012, 16:27

TV proradio zamenom TDA8214 (TDA8215B)! Međutim na gornjoj polovini slike se vide povratne linije koje su postojale i pre.Interesantno je da ih na nekim kanalima ima a na nekim ne.

Avatar
dzafer
gx
gx
Postovi: 2520
Pridružen: 21 Sep 2006, 13:13
Location: BIH SARAJEVO-ILIDŽA
Specialty: tv-multimedia

Re: Blaupunkt FM310.32 ne pali (Sasija ista kao CUC5360)

Post napisao dzafer » 26 Dec 2012, 17:09

Pokusaj sa zamjenom elektrolita u krugo tog ic
džale
Bez alata nema zanata, a bez znanja ni najbolji alat neće pomoći.

Avatar
tihi
_
_
Postovi: 43
Pridružen: 02 Avg 2009, 21:33
Location: Zrenjanin
Specialty: tv-multimedia
Lokacija: Zrenjanin

Re: Blaupunkt FM310.32 ne pali (Sasija ista kao CUC5360)

Post napisao tihi » 26 Dec 2012, 18:25

Rešene i linije, izmenom kondenzatora oko kola (inace ovo kolo je i vertikalni i horizontalni otklon). Najvise sumnjam da je uzrok pojavi belih linija bio C538 47uF . Pozdrav! Hvala svima za pomoć! :pivopije:

Odgovori
  • Slične teme
    Odgovori
    Pregledano
    Zadnji post

Natrag na “Servisiranje CRT Televizora”