FIRMA:fox
MODEL:21C05
CHASSIS(oznaka šasije):PH9361A-A02
PCB(oznake na štampanoj ploči):P2618C
MCU(procesor):TDA9351PS/N3/3
EEPROM:24C08
VERTIKALA:LA78040
AUDIO:CD7522CS
VIDEO:
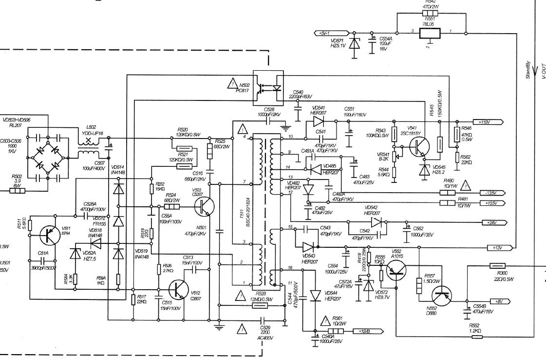
SMPS (mreža):D5287C
FBT (vn trafo):
TUNER:
KVAR:televiyor je došao sa neispravnim CD7522. Umesto njega stavljeno AN7522. Uređaj radio jedan dan i posle toga izgorela mreža.
OPIS KVARA: U mreži zamenjeni sledeći delovi :tranzistori D5287C(stavljen BU2508AF),D1207,A1015 i C1815, diode 1n4148, BA 159,zener 7,5v i 6,8v (kod optokaplera), optokapler,kao i kondanzatori 150uf/400v,100uf/160v, 1000uf/35v kao i kondenzator 1n kod tranzistora D5287C. Kada se uklijuči uređaj , bez opterečenje(otkačen D1555),napon je 105v. prilikom kačenja sijalice, obara napon na 68 volti i pulsira, diže do 75 volti, pa opet obara.Dali je neko imao sličan slučaj, ili šemu za ovaj uređaj.
Problem je bio u diodi 1n4148. Na poziciji D512 nova je bila neispravna. Pozdrav
fox 21c05 mreža rešeno
Pravila foruma
Naslov teme treba da bude u formatu: PROIZVOĐAČ, MODEL, KRATAK OPIS KVARA
Nakon rešenog kvara zatvoriti temu >> >UPUTSTVO< u suprotnom ništa ne činiti.
HOME -- SERVISERI -- DALJINSKI -- RAZNA UPUTSTVA
Naslov teme treba da bude u formatu: PROIZVOĐAČ, MODEL, KRATAK OPIS KVARA
Nakon rešenog kvara zatvoriti temu >> >UPUTSTVO< u suprotnom ništa ne činiti.
HOME -- SERVISERI -- DALJINSKI -- RAZNA UPUTSTVA
fox 21c05 mreža rešeno
Zadnja izmena: milivojsa, dana 20 Mar 2012, 12:18, ukupno menjano 2 puta.
- Stolle
- Preminuo
- Postovi: 19099
- Pridružen: 12 Avg 2006, 23:35
- Location: Srbija
- Specialty: tv-multimedia
- Lokacija: Dimitrovgrad
Re: fox 21c05 mreža
Tu možeš da koristiš bilo koju šemu sa A1015, C3807 i ovim trećim tranzistorom. Iako mogu i neki drugi, ipak stavi C3807.
I, piši oznake i merne jedinice velikim slovima,
ovako, nikako ne izgleda.
BU2508AF, ne bu2508af; 150uF/400V, ne 150uf/400v.
I, piši oznake i merne jedinice velikim slovima,

BU2508AF, ne bu2508af; 150uF/400V, ne 150uf/400v.
"29 poslednjih dana u mesecu je najteže"
-
- Slične teme
- Odgovori
- Pregledano
- Zadnji post
-
-
FOX 21C05 - Radi mreza ali ne startuje
napisao Stefan7 » 09 Apr 2018, 21:28 » u Servisiranje CRT Televizora - 4 Odgovori
- 3290 Pregledano
-
Zadnji post napisao Stefan7
05 Jul 2018, 16:04
-
-
-
FOX 2110T TIP 21C05 JUG7820287-1 pali se i gasi : RESENO
napisao zorig » 07 Okt 2011, 11:28 » u Servisiranje CRT Televizora - 5 Odgovori
- 2772 Pregledano
-
Zadnji post napisao Radojcic Dejan
20 Nov 2011, 23:33
-
-
-
FOX 21C05 - Uvećani naponi iz mreže REŠENO
napisao ivan_trle » 29 Avg 2012, 09:41 » u Servisiranje CRT Televizora - 9 Odgovori
- 1351 Pregledano
-
Zadnji post napisao ivan_trle
04 Sep 2012, 12:42
-
-
-
FOX 21c05 problem sa slikom RESENO!
napisao marko50 » 06 Sep 2015, 20:11 » u Servisiranje CRT Televizora - 10 Odgovori
- 3152 Pregledano
-
Zadnji post napisao marko50
07 Sep 2015, 23:40
-
-
-
TV FOX 21C05 SHASIJA TH-P1008 (ODUSTAO OD POPRAVKE)
napisao predragr » 11 Mar 2011, 21:19 » u Servisiranje CRT Televizora - 9 Odgovori
- 2063 Pregledano
-
Zadnji post napisao predragr
15 Mar 2011, 14:33
-
-
-
FOX - 21C05 - ZAMENSKI VN TRAFO [NERESENO]
napisao baracuda » 25 Sep 2015, 20:35 » u Servisiranje CRT Televizora - 5 Odgovori
- 2091 Pregledano
-
Zadnji post napisao baracuda
26 Sep 2015, 18:12
-
-
- 6 Odgovori
- 1146 Pregledano
-
Zadnji post napisao IvicaVS
28 Okt 2011, 09:30
-
-
TV FOX 29F05 - Tuning napon (REŠENO)
napisao simoni » 02 Okt 2009, 10:00 » u Servisiranje CRT Televizora - 5 Odgovori
- 1335 Pregledano
-
Zadnji post napisao simoni
19 Nov 2009, 13:12
-