TV NEO 2151 T2S01(06) MRTVA MREZA (RESENO)
Pravila foruma
Naslov teme treba da bude u formatu: PROIZVOĐAČ, MODEL, KRATAK OPIS KVARA
Nakon rešenog kvara zatvoriti temu >> >UPUTSTVO< u suprotnom ništa ne činiti.
HOME -- SERVISERI -- DALJINSKI -- RAZNA UPUTSTVA
Naslov teme treba da bude u formatu: PROIZVOĐAČ, MODEL, KRATAK OPIS KVARA
Nakon rešenog kvara zatvoriti temu >> >UPUTSTVO< u suprotnom ništa ne činiti.
HOME -- SERVISERI -- DALJINSKI -- RAZNA UPUTSTVA
-
virtual
- _

- Postovi: 87
- Pridružen: 29 Jan 2011, 11:05
- Location: Makedonija
- Warranty service: vivax
- Contact person: Joce
- Phone number: 0038932612406
- Lokacija: Stip
TV NEO 2151 T2S01(06) MRTVA MREZA (RESENO)
FIRMA:NEO
MODEL:TV2151TXF
CHASSIS(oznaka šasije):T2S01(06)
PCB(oznake na štampanoj ploči):T2S01(06)
MCU(procesor):ST92195C7B1/MTH
EEPROM:24C08
VERTIKALA:TDA8174A
AUDIO:CD7523CS
VIDEO:STV2246H
SMPS (mreža):1802FX
FBT (vn trafo):BSC25-05N2178A
TUNER:UVC68K5VEA
KVAR:Mreza je mrtva
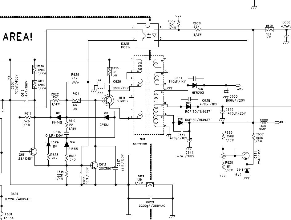
OPIS KVARA:Osigurac nije bio pregoren, mreze nijedan napon nije davala otpornik R620 120k.o bio je prekinut po zamene i proverke sve u mreze osigurac je pregoreo kako i mrezni tranzistor 1802FX, opet sam sve proverio u mrezi, u redu ali sad neznam posto nemam ovaj tranzistor koi bi mogao stavit, a i sema dobro bi mi dosla. Hvala unapred.
MODEL:TV2151TXF
CHASSIS(oznaka šasije):T2S01(06)
PCB(oznake na štampanoj ploči):T2S01(06)
MCU(procesor):ST92195C7B1/MTH
EEPROM:24C08
VERTIKALA:TDA8174A
AUDIO:CD7523CS
VIDEO:STV2246H
SMPS (mreža):1802FX
FBT (vn trafo):BSC25-05N2178A
TUNER:UVC68K5VEA
KVAR:Mreza je mrtva
OPIS KVARA:Osigurac nije bio pregoren, mreze nijedan napon nije davala otpornik R620 120k.o bio je prekinut po zamene i proverke sve u mreze osigurac je pregoreo kako i mrezni tranzistor 1802FX, opet sam sve proverio u mrezi, u redu ali sad neznam posto nemam ovaj tranzistor koi bi mogao stavit, a i sema dobro bi mi dosla. Hvala unapred.
Zadnja izmena: virtual, dana 29 Okt 2011, 13:42, ukupno menjano 1 put.
- Stolle
- Preminuo
- Postovi: 19098
- Pridružen: 12 Avg 2006, 23:35
- Location: Srbija
- Specialty: tv-multimedia
- Lokacija: Dimitrovgrad
Re: TV NEO 2151 T2S01(06) MRTVA MREZA
Tu treba da zameniš sva tri tranzistora i proveriš sve diode i otpornike. C3807 mora original. A ST1802FX, tu stavljam šta god imam, samo da je dobar, da nije falš. BU508A, BU2508A, D2498....
"29 poslednjih dana u mesecu je najteže"
-
virtual
- _

- Postovi: 87
- Pridružen: 29 Jan 2011, 11:05
- Location: Makedonija
- Warranty service: vivax
- Contact person: Joce
- Phone number: 0038932612406
- Lokacija: Stip
Re: TV NEO 2151 T2S01(06) MRTVA MREZA
Na samog TV je stojao DA3807 ja sam stavio C3807 a sad mi je sumliv otpornik R620 dali je 120K il je 12K posto nemam semu stavio sam 120K a drugi tranzistori sam zamenio kao i optokapler.
- Stolle
- Preminuo
- Postovi: 19098
- Pridružen: 12 Avg 2006, 23:35
- Location: Srbija
- Specialty: tv-multimedia
- Lokacija: Dimitrovgrad
Re: TV NEO 2151 T2S01(06) MRTVA MREZA
120kΩ je. Kao i R621.
"29 poslednjih dana u mesecu je najteže"
-
virtual
- _

- Postovi: 87
- Pridružen: 29 Jan 2011, 11:05
- Location: Makedonija
- Warranty service: vivax
- Contact person: Joce
- Phone number: 0038932612406
- Lokacija: Stip
Re: TV NEO 2151 T2S01(06) MRTVA MREZA (RESENO)
RESENO. Stavio sam D508DFX i zabelezio da visoki napon od samog trafo sta ide na rgb plocicu u tokom vrtenje ploca se otkacio, zakacio stavio osigurac i tv je startovao i naponi su OK i sve radi normalno. Hvala na pomoc.
- Stolle
- Preminuo
- Postovi: 19098
- Pridružen: 12 Avg 2006, 23:35
- Location: Srbija
- Specialty: tv-multimedia
- Lokacija: Dimitrovgrad
Re: TV NEO 2151 T2S01(06) MRTVA MREZA (RESENO)
virtual je napisao:D508DFX
"29 poslednjih dana u mesecu je najteže"
- dzafer
- gx

- Postovi: 2520
- Pridružen: 21 Sep 2006, 13:13
- Location: BIH SARAJEVO-ILIDŽA
- Specialty: tv-multimedia
Re: TV NEO 2151 T2S01(06) MRTVA MREZA (RESENO)
Daj malo bolje pojasni gdje si ti stavio ovaj tranzistor u mreznom i horizontalnom izlaznom stepenuvirtual je napisao:RESENO. Stavio sam D508DFX
džale
Bez alata nema zanata, a bez znanja ni najbolji alat neće pomoći.
Bez alata nema zanata, a bez znanja ni najbolji alat neće pomoći.
- filka
- gx

- Postovi: 1988
- Pridružen: 13 Avg 2006, 10:38
- Location: Kavadarci Makedonija
- Warranty service: Fuego Grundig LG Beko Samsung
- Specialty: tv
Re: TV NEO 2151 T2S01(06) MRTVA MREZA (RESENO)
Joceeeee Reko sam ti davno- BU508A u mrezi i BU508D u Horizontali i nemas problema.....
-će izginemo ki Mančester
-
virtual
- _

- Postovi: 87
- Pridružen: 29 Jan 2011, 11:05
- Location: Makedonija
- Warranty service: vivax
- Contact person: Joce
- Phone number: 0038932612406
- Lokacija: Stip
Re: TV NEO 2151 T2S01(06) MRTVA MREZA (RESENO)
Eto moja je greska BU508A sam stavio a ne DFX kao sto sam napisao, izvinjavam se svima.
- ivica-servis
- Udaljen sa foruma zbog nedoličnog ponašanja
- Postovi: 75
- Pridružen: 18 Nov 2010, 00:32
- Location: Vranje
- Contact person: Ivica
- Specialty: tv
Re: TV NEO 2151 T2S01(06) MRTVA MREZA (RESENO)
2SC3807MP NPN Epitaxial Planar Silicon Transistor
25V / 2A High-hFE, Low Frequency
25V / 2A High-hFE, Low Frequency
moracu da te demantujem,vise puta sam ugradjivao tranzistor druge oznake a i sad,kupio sam zamorce za eksperiment tv VOX J2132,mrezni stepen uradjen sa 3 tranzistora kao kod vecine kineskog djubreta za jednokratnu upotrebu (20 dolara u Kini)Q511-A1015,Q512-C3807 ugradio sam BD243C,Q513-BU508A bio u njemu,ugradio sam S2000AF i tv radi bez problema,nista se ne pregreva.Citam ovde a i na orbit forumu kako mora samo C3807 i nijedan drugi tranzistor,kako nema zamenu???a ima vise zamena i neznam sto je taj mrezni stepen veoma problematican majstorima(citam po forumima)??? cak i onima koji to rade u garanciji???Stolle je napisao:C3807 mora original.
I dodje starac vodenim skuterom u mirno more gde deca uce da plivaju i dize talase...
-
- Slične teme
- Odgovori
- Pregledano
- Zadnji post
-
-
NEO TV-2166TX Mrtva mreza (RESENO)
napisao Goran_V » 14 Feb 2016, 05:29 » u Servisiranje CRT Televizora - 12 Odgovori
- 4103 Pregledano
-
Zadnji post napisao Goran_V
16 Feb 2016, 22:30
-
-
-
NEO - TV2166TX-potrebna sema - problem mreza - reseno
napisao sveta » 18 Dec 2009, 18:29 » u Servisiranje CRT Televizora - 8 Odgovori
- 2700 Pregledano
-
Zadnji post napisao sveta
07 Jan 2010, 16:32
-
-
-
NEO TV-2166TX Pulsira mreza *INFO*
napisao stojkePN » 07 Jun 2010, 00:16 » u Servisiranje CRT Televizora - 0 Odgovori
- 1606 Pregledano
-
Zadnji post napisao stojkePN
07 Jun 2010, 00:16
-
-
-
TV NEO TV2121TX - Potrebna shema (RESENO)
napisao ekran » 12 Feb 2008, 13:23 » u Servisiranje CRT Televizora - 6 Odgovori
- 1578 Pregledano
-
Zadnji post napisao Majstor Duja
13 Feb 2008, 09:36
-
-
-
TV NEO TV2121TX Chassis GBJL7821064 - Potreban dump (RESENO)
napisao irsa » 05 Mar 2008, 23:13 » u Servisiranje CRT Televizora - 14 Odgovori
- 3811 Pregledano
-
Zadnji post napisao irsa
07 Mar 2008, 22:38
-
-
-
TV NEO TV1425 - Potreban dump (RESENO)
napisao agron » 13 Apr 2008, 00:07 » u Servisiranje CRT Televizora - 7 Odgovori
- 1837 Pregledano
-
Zadnji post napisao kisko
14 Apr 2008, 01:59
-
-
-
TV NEO TV2000TXV Chassis TV2K - Potrebna shema (RESENO)
napisao borce » 23 svi 2008, 12:01 » u Servisiranje CRT Televizora - 4 Odgovori
- 1503 Pregledano
-
Zadnji post napisao kisko
23 svi 2008, 14:26
-
-
-
TV NEO TV2166TX - Ne startuje (RESENO)
napisao majstorr » 24 Jul 2008, 11:11 » u Servisiranje CRT Televizora - 9 Odgovori
- 2385 Pregledano
-
Zadnji post napisao kisko
26 Jul 2008, 19:57
-
