[REŠENO] THOMSON 32WF45E ICC20 16:9

problemi , kvarovi , sheme upload/download popravka CRT televizora
HOME -- SERVISERI -- EXPERT-TEAM -- DALJINSKI

Urednici: alexa_pg,KASA1

Pravila foruma
Naslov teme treba da bude u formatu: PROIZVOĐAČ, MODEL, KRATAK OPIS KVARA
Nakon rešenog kvara zatvoriti temu >> >UPUTSTVO< u suprotnom ništa ne činiti.

HOME -- SERVISERI -- DALJINSKI -- RAZNA UPUTSTVA
ertans
_
_
Postovi: 12
Pridružen: 27 Mar 2007, 16:41

[REŠENO] THOMSON 32WF45E ICC20 16:9

Post napisao ertans » 31 Mar 2007, 19:50

Postovane kolege:

Imam problem sa Thomsonom...
Na prvi start kad je potpuno hladan otvori sliku mada se ceka prilicno dugo..vise od dva minuta.
Posle nekoliko minuta gasi v.napon,pokusa ukljucenje jos dva puta i pocinje da blinka gresku.
Blinka prvo cetiri puta uzastopno, zatim zadrzi crvenu lampicu pa blinka pet puta uzastopno i ceo taj ciklus ponavlja tri puta.
Zatim prelazi u ST.BY
Napominjem da sam mu prosle godine menjao split-trafo i tad sam mu stavio eldorovu zamenu jer nigde nisam nasao original.
Molom nekog ako ima semu ili neki savet da mi pomogne

Avatar
zoran1408
_
_
Postovi: 96
Pridružen: 17 Jan 2007, 10:37
Lokacija: krusevac

Post napisao zoran1408 » 31 Mar 2007, 23:46

mozda ce ti ova sema odgovarati
Prilog
THOMSON_icc20.rar
(1.12 MiB) Preuzeto 256 puta.

Avatar
chellawy
gx
gx
Postovi: 3186
Pridružen: 12 Avg 2006, 22:25
Location: Bačka Palanka
Contact person: SIX
Specialty: tv

Post napisao chellawy » 01 Apr 2007, 08:55

po onome kako si opisao kvar :
ja bih prvo proverio naravno mrezne napone
a zatim ako su dobri preletovao celu vertikalu.
ako ni to ne da rezultata mogao bi da prekontrolises ekran da ne ode slucajno u KS (s/c)

najlakse ce biti ako neko ima spisak kodnih gresaka za icc20 pa da okaci
jel koliko vidim tebi prijavljuje 45

jer kod mene na spisku gresaka ima samo od od 10 do 43 ...

recimo :Error code 41:
TDA9178 is defective at PSU
Kompletna ponuda rezervnih delova koja će biti veoma ažurirana u narednih dve ,dve i po godine :)
https://www.kupindo.com/Clan/chellawy/SpisakPredmeta

Avatar
Liskun Elektronik
gx
gx
Postovi: 1608
Pridružen: 13 Avg 2006, 10:37
Location: Srbija
Warranty service: ERG-VOX
Specialty: tv-multimedia
Lokacija: Stara Pazova

Post napisao Liskun Elektronik » 01 Apr 2007, 09:54

Probaj da zamenis TL 029.

ertans
_
_
Postovi: 12
Pridružen: 27 Mar 2007, 16:41

Post napisao ertans » 01 Apr 2007, 10:18

greska 45-TDA9330H pin5 flash>2v
ablenkshutzschaltung activ
Jedino sto sam tu pronasao je razlemljen C129 470nF ali i posle zamene sve je isto.
Sve ovo sto ste rekli sam prethodno proverio nema promena.
U svakom slucaju hvala na paznji.

BLEND
_
_
Postovi: 37
Pridružen: 16 Avg 2006, 21:22

Post napisao BLEND » 01 Apr 2007, 16:29

moguc kvar CL033

katicbranko
___
___
Postovi: 215
Pridružen: 03 Okt 2006, 22:07
Lokacija: Sabac

tomson koji se gasi

Post napisao katicbranko » 02 Apr 2007, 09:22

skini katodnu sa ekrana i ukljuci ga da radi.

Avatar
filka
gx
gx
Postovi: 1986
Pridružen: 13 Avg 2006, 10:38
Location: Kavadarci Makedonija
Warranty service: Fuego Grundig LG Beko Samsung
Specialty: tv

Post napisao filka » 02 Apr 2007, 13:02

Pojasni malo katodna cef ili ekran nije li to isto ili si mislio na b-platina koja ide na ekran?pozdrav...
-će izginemo ki Mančester

ertans
_
_
Postovi: 12
Pridružen: 27 Mar 2007, 16:41

reseno

Post napisao ertans » 03 Apr 2007, 19:18

Cestitam Veteran,bili ste potpuno upravu...problem je bio do TL029.
Jedva sam ga nasao i trud se isplatio.
Veliko hvala svima.

Avatar
alexa_pg
Site Admin
Site Admin
Postovi: 6029
Pridružen: 22 Avg 2006, 08:10
Location: Podgorica
Specialty: tv-multimedia

Post napisao alexa_pg » 03 Apr 2007, 20:25

Prije nego sto zatvoris TV, napisi rijeseno u naslovu :)
"I ja volim ljude ali ih sve manje podnosim"

ertans
_
_
Postovi: 12
Pridružen: 27 Mar 2007, 16:41

reseno

Post napisao ertans » 04 Apr 2007, 14:30

Hvala svima

Avatar
Liskun Elektronik
gx
gx
Postovi: 1608
Pridružen: 13 Avg 2006, 10:37
Location: Srbija
Warranty service: ERG-VOX
Specialty: tv-multimedia
Lokacija: Stara Pazova

Post napisao Liskun Elektronik » 04 Apr 2007, 17:42

bravo drago mi je sto si resio problem,nego idi na tvoj post gore i klikni na izmeni pa u naslovu dodaj da je reseno....

katicbranko
___
___
Postovi: 215
Pridružen: 03 Okt 2006, 22:07
Lokacija: Sabac

Post napisao katicbranko » 04 Apr 2007, 22:14

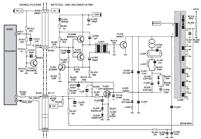
sta je tl029 i gde se nalazi?

Avatar
Stolle
Preminuo
Postovi: 19098
Pridružen: 12 Avg 2006, 23:35
Location: Srbija
Specialty: tv-multimedia
Lokacija: Dimitrovgrad

Post napisao Stolle » 04 Apr 2007, 22:30

:arrow:
Prilog
Capture Selection-20070404-222806-1.jpg
Capture Selection-20070404-222806-1.jpg (78.92 KiB) Pregledano 2460 puta.

Odgovori
  • Slične teme
    Odgovori
    Pregledano
    Zadnji post

Natrag na “Servisiranje CRT Televizora”