Re: SAMSUNG PT92 potrebna šema(REŠENO)
Pravila foruma
Naslov teme treba da bude u formatu: PROIZVOĐAČ, MODEL, KRATAK OPIS KVARA
Nakon rešenog kvara zatvoriti temu >> >UPUTSTVO< u suprotnom ništa ne činiti.
HOME -- SERVISERI -- DALJINSKI -- RAZNA UPUTSTVA
Naslov teme treba da bude u formatu: PROIZVOĐAČ, MODEL, KRATAK OPIS KVARA
Nakon rešenog kvara zatvoriti temu >> >UPUTSTVO< u suprotnom ništa ne činiti.
HOME -- SERVISERI -- DALJINSKI -- RAZNA UPUTSTVA
- Borce Vasilev
- gx

- Postovi: 658
- Pridružen: 19 Dec 2010, 15:28
- Location: Janko Cvetinov br.51 Strumica
- Warranty service: Philips;Saeco,Overmax,Aurora Networks,Garmin Systems,Blackview,Manta electronics,NOA electronics,
- Contact person: Borce
- Phone number: 38978356916
- Specialty: tv-multimedia
- Lokacija: Strumica
Re: SAMSUNG PT92 potrebna šema(REŠENO) * REŠENO *
jel neko mozda ima sema za samsung chassis pt92.
Hvala vam !!
Hvala vam !!
Zadnja izmena: Borce Vasilev, dana 06 Jul 2011, 16:22, ukupno menjano 1 put.
Instinkt je nešto što nadmašuje znanje.
- Stolle
- Preminuo
- Postovi: 19098
- Pridružen: 12 Avg 2006, 23:35
- Location: Srbija
- Specialty: tv-multimedia
- Lokacija: Dimitrovgrad
Re: SAMSUNG PT92 potrebna šema
Uvek otvaraj novu temu. Tamo se samo postavljaju šeme. Upiši i model TV-a u naslovu.
Ima "milion" šema za PT92, samo ukucaš na Google. Takođe, treba zapamtiti ove linkove koje stalno postavljamo, tu proveriti pa ako nema, onda pitati. Ovo pišem za sve članove.
Evo ti link, tu imaš još mnogo šema, a ima i više verzija ove šasije.
SM: http://www.eserviceinfo.com/downloadsm/ ... _PT92.html
Šema: http://www.eserviceinfo.com/downloadsm/ ... 0PT92.html
Ima "milion" šema za PT92, samo ukucaš na Google. Takođe, treba zapamtiti ove linkove koje stalno postavljamo, tu proveriti pa ako nema, onda pitati. Ovo pišem za sve članove.
Evo ti link, tu imaš još mnogo šema, a ima i više verzija ove šasije.
SM: http://www.eserviceinfo.com/downloadsm/ ... _PT92.html
Šema: http://www.eserviceinfo.com/downloadsm/ ... 0PT92.html
"29 poslednjih dana u mesecu je najteže"
- Borce Vasilev
- gx

- Postovi: 658
- Pridružen: 19 Dec 2010, 15:28
- Location: Janko Cvetinov br.51 Strumica
- Warranty service: Philips;Saeco,Overmax,Aurora Networks,Garmin Systems,Blackview,Manta electronics,NOA electronics,
- Contact person: Borce
- Phone number: 38978356916
- Specialty: tv-multimedia
- Lokacija: Strumica
POTREBNA SEMA SAMSUNG CHASSIS PT92
FIRMA:SAMSUNG
MODEL:NEMA
CHASSIS(oznaka šasije):PT92
PCB(oznake na štampanoj ploči):99TA052D/00301176
MCU(procesor):tda9350ps/n1/2s0296
EEPROM:TDA24C16
SMPS (mreža):tda16846
ekran: A61 A51LPE02X01
FBT (vn trafo)::
KVAR: IZBRISANE SU OZNAKE NA FBT(VN TRAFO) PA POTREBNA MI JE SEMA ILI AKO JE MOGUCE I TOCNE OZNAKE
MODEL:NEMA
CHASSIS(oznaka šasije):PT92
PCB(oznake na štampanoj ploči):99TA052D/00301176
MCU(procesor):tda9350ps/n1/2s0296
EEPROM:TDA24C16
SMPS (mreža):tda16846
ekran: A61 A51LPE02X01
FBT (vn trafo)::
KVAR: IZBRISANE SU OZNAKE NA FBT(VN TRAFO) PA POTREBNA MI JE SEMA ILI AKO JE MOGUCE I TOCNE OZNAKE
Zadnja izmena: Borce Vasilev, dana 05 Jul 2011, 19:57, ukupno menjano 2 puta.
Instinkt je nešto što nadmašuje znanje.
- Majstor Duja
- Neaktivan
- Postovi: 3136
- Pridružen: 23 Avg 2006, 17:29
- Location: Novi Sad - centar
- Warranty service: http://www.elektrocentar.com
- Contact person: Goran Duic
- Specialty: tv-multimedia
Re: SAMSUNG PT92 potrebna šema
Sad sam hteo isto da napisem: prvo pretrazi Fanzo forum, pa koristi google i pretrazi net, pa ako nema sta ti treba, postavi temu.
Rule #1 "Always stand for what you believe, even if it means standing alone."
- Borce Vasilev
- gx

- Postovi: 658
- Pridružen: 19 Dec 2010, 15:28
- Location: Janko Cvetinov br.51 Strumica
- Warranty service: Philips;Saeco,Overmax,Aurora Networks,Garmin Systems,Blackview,Manta electronics,NOA electronics,
- Contact person: Borce
- Phone number: 38978356916
- Specialty: tv-multimedia
- Lokacija: Strumica
Re: SAMSUNG PT92 potrebna šema
pa nisam uspeo naci nista sve sto mi je potrebno je tocan model na FBT vn Trafo ili HR zamjena!!!
Instinkt je nešto što nadmašuje znanje.
- milan
- Preminuo
- Postovi: 4426
- Pridružen: 19 Avg 2006, 22:38
- Location: Novi Sad
- Specialty: tv-multimedia
Re: SAMSUNG PT92 potrebna šema
Nezahvalno je davati takve podatke, jer mogu da budu nepouzdani i netacni.
Nisi naveo ni koji ekran je ugradjen, odnosno koliko stepeni je otklon.
Nisi naveo ni koji ekran je ugradjen, odnosno koliko stepeni je otklon.
- Borce Vasilev
- gx

- Postovi: 658
- Pridružen: 19 Dec 2010, 15:28
- Location: Janko Cvetinov br.51 Strumica
- Warranty service: Philips;Saeco,Overmax,Aurora Networks,Garmin Systems,Blackview,Manta electronics,NOA electronics,
- Contact person: Borce
- Phone number: 38978356916
- Specialty: tv-multimedia
- Lokacija: Strumica
Re: SAMSUNG PT92 potrebna šema(REŠENO)
upravo sam dodao tip na ekrana i jos jedna oznaka na stampane ploce
ekran: A61 A51LPE02X01
oznake stampane ploce : 99TA052D
a sta se tice sasija vec sam nasao SM od nje
SM: http://www.eserviceinfo.com/downloadsm/ ... _PT92.html
ali nikud ne pise model FBT
(pin 5 = HEATER )
(pin 4 = 200 v)
(pin 2 = B+Out)
ekran: A61 A51LPE02X01
oznake stampane ploce : 99TA052D
a sta se tice sasija vec sam nasao SM od nje
SM: http://www.eserviceinfo.com/downloadsm/ ... _PT92.html
ali nikud ne pise model FBT
(pin 5 = HEATER )
(pin 4 = 200 v)
(pin 2 = B+Out)
- Prilog
-
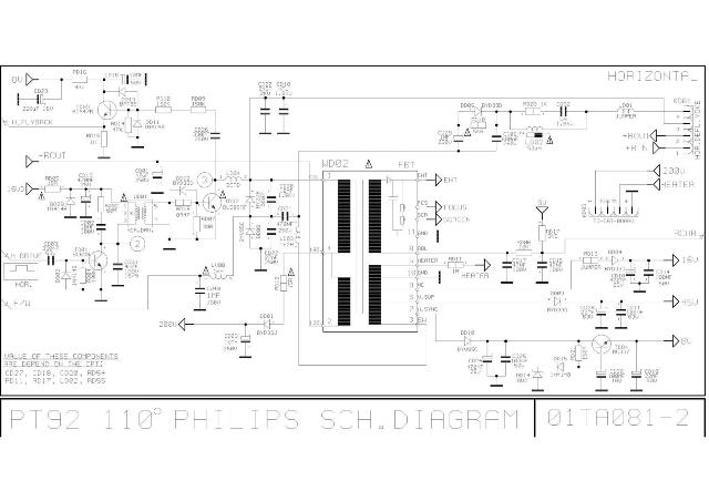
Telestar PT92 kin.110stop.PHILIPS.pdf- ovo je sema ali i tu ne pise model FBT
- (531.7 KiB) Preuzeto 217 puta.
Zadnja izmena: Borce Vasilev, dana 06 Jul 2011, 16:20, ukupno menjano 1 put.
Instinkt je nešto što nadmašuje znanje.
- tom
- gxu

- Postovi: 2299
- Pridružen: 23 Apr 2007, 20:01
- Location: Strumica
- Contact person: TOME
- Specialty: tv
- Lokacija: Makedonija
Re: SAMSUNG PT92 potrebna šema
Kod: Označi sve
http://www.elektroda.pl/rtvforum/viewtopic.php?p=4346015#4346015index CMTVEPFB15.orega 40337-49 10677080-P1,40337-61 10737290 PT9290"WO.B eldor 1142.5119A 200001591, 1142.5119A 60420900000341 samsung FSV-20C01.chassis PT92 14",21"
index CMTVEPFB17.orega 40348A-09 10669000 P5 PT92 110.eldor 1352.5037 200000551.inne philips 22671 AT2078 OP0306 chassis PT92 28"
index CMTVEPFB18.orega 40348A-12 10696660.eldor 1362.5006d 200000581.chassis PT92 32"
Może komś się przyda .Pozdrawiam.
TOME
- Borce Vasilev
- gx

- Postovi: 658
- Pridružen: 19 Dec 2010, 15:28
- Location: Janko Cvetinov br.51 Strumica
- Warranty service: Philips;Saeco,Overmax,Aurora Networks,Garmin Systems,Blackview,Manta electronics,NOA electronics,
- Contact person: Borce
- Phone number: 38978356916
- Specialty: tv-multimedia
- Lokacija: Strumica
- tom
- gxu

- Postovi: 2299
- Pridružen: 23 Apr 2007, 20:01
- Location: Strumica
- Contact person: TOME
- Specialty: tv
- Lokacija: Makedonija
Re: SAMSUNG PT92 potrebna šema
FSV20C012 = HR8545 za 14" 21"


- Prilog
-
- FSV20C012
- FSV20C012.jpg (4.65 KiB) Pregledano 1933 puta.
TOME
- Borce Vasilev
- gx

- Postovi: 658
- Pridružen: 19 Dec 2010, 15:28
- Location: Janko Cvetinov br.51 Strumica
- Warranty service: Philips;Saeco,Overmax,Aurora Networks,Garmin Systems,Blackview,Manta electronics,NOA electronics,
- Contact person: Borce
- Phone number: 38978356916
- Specialty: tv-multimedia
- Lokacija: Strumica
Re: SAMSUNG PT92 potrebna šema
FSV20C012 to je to , posao zavrsen hvala svima na pomoci
Pozdrav
Pozdrav
Instinkt je nešto što nadmašuje znanje.
-
- Slične teme
- Odgovori
- Pregledano
- Zadnji post
-
-
TV SAMSUNG Chassis PT92 - Dump (REŠENO)
napisao servis tim » 06 Nov 2008, 11:11 » u Servisiranje CRT Televizora - 4 Odgovori
- 1233 Pregledano
-
Zadnji post napisao servis tim
06 Nov 2008, 13:10
-
-
-
Grundig pt92 chassis trazenje kanala,daljinac [RESENO]
napisao banertd » 13 Mar 2013, 04:52 » u Servisiranje CRT Televizora - 6 Odgovori
- 1638 Pregledano
-
Zadnji post napisao banertd
16 Apr 2013, 21:19
-
-
-
Silva Schneider PT92 - startuje pa se vratu u stby-ODUSTAO
napisao majstorr » 19 Avg 2013, 00:36 » u Servisiranje CRT Televizora - 11 Odgovori
- 1999 Pregledano
-
Zadnji post napisao Ribery
21 Avg 2013, 17:05
-
-
-
TV SAMSUNG CZ20F42T Chassis KS1A - Potrebna sema (RESENO)
napisao djtesla » 18 Jun 2008, 15:46 » u Servisiranje CRT Televizora - 1 Odgovori
- 1782 Pregledano
-
Zadnji post napisao nec
18 Jun 2008, 15:59
-
-
-
TV SAMSUNG CZ20H32T Potrebna sema problem HIS (RESENO)
napisao tihi » 11 svi 2010, 21:58 » u Servisiranje CRT Televizora - 5 Odgovori
- 1691 Pregledano
-
Zadnji post napisao tihi
14 svi 2010, 20:45
-
-
- 1 Odgovori
- 1507 Pregledano
-
Zadnji post napisao nec
02 Jun 2010, 23:00
-
-
TV PANASONIC FX74 - Potrebna sema (RESENO)
napisao bucko » 20 Nov 2007, 20:19 » u Servisiranje CRT Televizora - 5 Odgovori
- 925 Pregledano
-
Zadnji post napisao bucko
21 Nov 2007, 16:45
-
-
-
TV ORION TV1470MTX Chassis TM8402A - Potrebna šema (RESENO)
napisao Boban » 28 Dec 2007, 19:47 » u Servisiranje CRT Televizora - 3 Odgovori
- 1317 Pregledano
-
Zadnji post napisao nikola
30 Dec 2007, 20:13
-
