Ima li neko od kolega ideju sta je ovde u pitanju...
TV Samsung CZ28D83N
Chassis S56A
Vertikala LA7845
RGB-ic TDA6108JF
TV je dosao sa simptomom slika nestaje i dolazi a kada dodje vuce na crveno. Rekao sam stranci da ne valja ekran. Covek je pristao na cenu da se ekran zameni. Zamenio sam ekran ss philipsovim (sto sam radio vec 100 puta) otklonska odgovara po otpornosti vorizontale, vertikalna priblizna, znaci pase. Imam crn raster sa povratnim linijama gore a slika i dalje ponekad uskoci na sekundu. Promenjen RGB ic i ic u vertikali... bez promene... naponi deluju ok, screen reaguje i kada se poveca dodje beo raster sa povratnim linijama. Svaka ideja je dobrodosla.
Unapred hvala.
TV Samsung S56A CZ28D83N-RESENO!
Pravila foruma
Naslov teme treba da bude u formatu: PROIZVOĐAČ, MODEL, KRATAK OPIS KVARA
Nakon rešenog kvara zatvoriti temu >> >UPUTSTVO< u suprotnom ništa ne činiti.
HOME -- SERVISERI -- DALJINSKI -- RAZNA UPUTSTVA
Naslov teme treba da bude u formatu: PROIZVOĐAČ, MODEL, KRATAK OPIS KVARA
Nakon rešenog kvara zatvoriti temu >> >UPUTSTVO< u suprotnom ništa ne činiti.
HOME -- SERVISERI -- DALJINSKI -- RAZNA UPUTSTVA
TV Samsung S56A CZ28D83N-RESENO!
Zadnja izmena: Grubiz, dana 09 Dec 2010, 16:29, ukupno menjano 1 put.
- alexa_pg
- Site Admin
- Postovi: 6029
- Pridružen: 22 Avg 2006, 08:10
- Location: Podgorica
- Specialty: tv-multimedia
Re: TV Samsung S56A CZ28D83N
Jesi li provjerio liniju +200V za napajanje RGB stepena?
Jesi li siguran da je taj ekran ispravan?
Jesi li siguran da je taj ekran ispravan?
"I ja volim ljude ali ih sve manje podnosim"
Re: TV Samsung S56A CZ28D83N
Reseno- zenerka 24V u vertikali...
- alexa_pg
- Site Admin
- Postovi: 6029
- Pridružen: 22 Avg 2006, 08:10
- Location: Podgorica
- Specialty: tv-multimedia
Re: TV Samsung S56A CZ28D83N-RESENO!
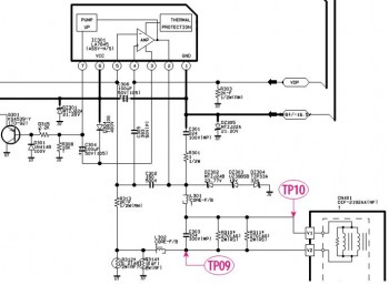
Da li mozes na semi u prilogu da oznacis koja je to dioda? Sema je od Samsung S56A - vertikalni stepen.
"I ja volim ljude ali ih sve manje podnosim"
Re: TV Samsung S56A CZ28D83N-RESENO!
Izvinjavam se, mislio sam da je ocigledno posto jeste jedina u tom kolu... U pitanju jeste DZ302.
-
- Slične teme
- Odgovori
- Pregledano
- Zadnji post
-
-
Samsung CZ28D83N-S56A mreza(Reseno)
napisao kele » 04 Avg 2011, 08:24 » u Servisiranje CRT Televizora - 14 Odgovori
- 1804 Pregledano
-
Zadnji post napisao ivica-servis
05 Avg 2011, 19:50
-
-
-
samsung cz28d83n s56a mreza (RESENO)
napisao yamamoto » 02 Nov 2011, 14:03 » u Servisiranje CRT Televizora - 6 Odgovori
- 1282 Pregledano
-
Zadnji post napisao yamamoto
02 Nov 2011, 22:32
-
-
-
SAMSUNG CZ28D83N Horizontalni izlaz problem RIJESENO
napisao strujaze » 11 Nov 2010, 14:38 » u Servisiranje CRT Televizora - 5 Odgovori
- 1470 Pregledano
-
Zadnji post napisao strujaze
19 Nov 2010, 11:19
-
-
-
SAMSUNG CZ28D83N pomerena slika
napisao decoli86 » 30 Jan 2012, 19:13 » u Servisiranje CRT Televizora - 6 Odgovori
- 1621 Pregledano
-
Zadnji post napisao Stolle
06 Feb 2012, 18:08
-
-
-
Samsung CZ28V53N-S56A jaka crvena boja (Reseno)
napisao kele » 20 Nov 2009, 19:10 » u Servisiranje CRT Televizora - 7 Odgovori
- 1867 Pregledano
-
Zadnji post napisao chellawy
29 Nov 2009, 14:56
-
-
-
Samsung CZ25D83 S56A nema tona [REŠENO]
napisao senad terzić » 07 Sep 2011, 12:39 » u Servisiranje CRT Televizora - 13 Odgovori
- 1709 Pregledano
-
Zadnji post napisao krllebg
10 Sep 2011, 18:20
-
-
-
SAMSUNG CZ28V53NSPXXEH S56A PROBLEM TON [RESENO DELIMICNO]
napisao Rumba King » 31 svi 2012, 14:19 » u Servisiranje CRT Televizora - 9 Odgovori
- 1429 Pregledano
-
Zadnji post napisao Rumba King
05 Jun 2012, 12:14
-
-
-
SAMSUNG CZ28V53N S56A slika se pojavi i nestane(RIJEŠENO)
napisao dado9012 » 11 Apr 2010, 16:52 » u Servisiranje CRT Televizora - 8 Odgovori
- 2114 Pregledano
-
Zadnji post napisao dado9012
12 Apr 2010, 21:06
-