Skyworth 21N01 3Y111 nema sliku
Pravila foruma
Naslov teme treba da bude u formatu: PROIZVOĐAČ, MODEL, KRATAK OPIS KVARA
Nakon rešenog kvara zatvoriti temu >> >UPUTSTVO< u suprotnom ništa ne činiti.
HOME -- SERVISERI -- DALJINSKI -- RAZNA UPUTSTVA
Naslov teme treba da bude u formatu: PROIZVOĐAČ, MODEL, KRATAK OPIS KVARA
Nakon rešenog kvara zatvoriti temu >> >UPUTSTVO< u suprotnom ništa ne činiti.
HOME -- SERVISERI -- DALJINSKI -- RAZNA UPUTSTVA
Skyworth 21N01 3Y111 nema sliku
FIRMA: Skyworth
MODEL: 21N01
CHASSIS(oznaka šasije): 3Y11
PCB(oznake na štampanoj ploči): 5800 3Y111 01
MCU(procesor):
EEPROM:
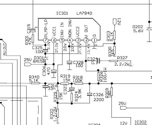
VERTIKALA: LA7840
AUDIO:
VIDEO: LA76810A
SMPS (mreža):
FBT (vn trafo):
TUNER:
KVAR:
OPIS KVARA: TV nema sliku i ton , kada mu se pojaca G2 na trafou , pojavi se kao da je kvar u vertikali (linija na pola ekrana, podebljana sa povratnim linijama ka vrhu ekrana probao sam da zamenim LA7840 , ali opet isto zamenjeni su i svi elektroliti u vertikali ali opet isto da li je neko imao slican problem.
MODEL: 21N01
CHASSIS(oznaka šasije): 3Y11
PCB(oznake na štampanoj ploči): 5800 3Y111 01
MCU(procesor):
EEPROM:
VERTIKALA: LA7840
AUDIO:
VIDEO: LA76810A
SMPS (mreža):
FBT (vn trafo):
TUNER:
KVAR:
OPIS KVARA: TV nema sliku i ton , kada mu se pojaca G2 na trafou , pojavi se kao da je kvar u vertikali (linija na pola ekrana, podebljana sa povratnim linijama ka vrhu ekrana probao sam da zamenim LA7840 , ali opet isto zamenjeni su i svi elektroliti u vertikali ali opet isto da li je neko imao slican problem.
Re: Skyworth 21N01 3Y111 nema sliku
Da ima 25(26,4v) i 12(11,6)
- cacko85
- gx
- Postovi: 1746
- Pridružen: 03 Dec 2008, 17:51
- Location: Macedonia
- Contact person: Slavche
- Specialty: tv-multimedia
- Lokacija: Sveti Nikole
- Kontakt:
Re: Skyworth 21N01 3Y111 nema sliku
Ako si sve proverio u vertikala ondak problem ti je u LA76810A vrlo cesto ovaj integralac zna da crkne.
Pre da zamenish prekontrolishaj negovi naponi za napajanje. Zameni svi eklosi u mreza i elkosi na stabilizatori za svi naponi.
Promeni i eeprom i njegov sadrzaj.
Pre da zamenish prekontrolishaj negovi naponi za napajanje. Zameni svi eklosi u mreza i elkosi na stabilizatori za svi naponi.
Promeni i eeprom i njegov sadrzaj.
www.facebook.com/slavceelectronics
- spagagz
- gx
- Postovi: 1526
- Pridružen: 29 Dec 2008, 21:47
- Location: Gorazde BiH
- Contact person: Nedeljko
- Specialty: tv-multimedia
Re: Skyworth 21N01 3Y111 nema sliku
Da je do vertikale imao bi ton.Kao sto rece kolega Cacko,LA76810,provjeri da li je u redu napajanje,i,ako jeste mjenjaj ic.
Re: Skyworth 21N01 3Y111 nema sliku
VERTIKALA: LA7840
Da li ovde nedostaje jedna ''nula''?
Da li ovde nedostaje jedna ''nula''?
Re: Skyworth 21N01 3Y111 nema sliku
zamenio sam i la76810, ali opet nista jedina anomalija koju sam uvideo je da na drugoj nozici la7840 ima 24 volta
apo semi koju imam za tu sasiju stoji 13,4 v(vout)
apo semi koju imam za tu sasiju stoji 13,4 v(vout)
- miodrag popovic
- gx
- Postovi: 3300
- Pridružen: 08 Nov 2006, 21:08
- Location: Srbija
- Phone number: 00381638773821
- Specialty: tv
- Lokacija: Pančevo Braće Jovanović 56
Re: Skyworth 21N01 3Y111 nema sliku
Zaista sam ih vidjao tako upisane,naravno ide SA nulom nova,a gdje su izgubili onu nulu???zozontv1 je napisao:VERTIKALA: LA7840
Da li ovde nedostaje jedna ''nula''?
Ko izgubi dobitak, taj dobija gubitak
- Majstor Duja
- Neaktivan
- Postovi: 3136
- Pridružen: 23 Avg 2006, 17:29
- Location: Novi Sad - centar
- Warranty service: http://www.elektrocentar.com
- Contact person: Goran Duic
- Specialty: tv-multimedia
Re: Skyworth 21N01 3Y111 nema sliku
@Milivojsa: Da li je vertikalno kolo LA7840 ili LA78040?milivojsa je napisao:zamenio sam i la76810, ali opet nista jedina anomalija koju sam uvideo je da na drugoj nozici la7840 ima 24 volta
apo semi koju imam za tu sasiju stoji 13,4 v(vout)
Rule #1 "Always stand for what you believe, even if it means standing alone."
Re: Skyworth 21N01 3Y111 nema sliku
kolo je la7840
Re: Skyworth 21N01 3Y111 nema sliku
problem je sto mi je napon na drugoj nozici 24 volta
- Stolle
- Preminuo
- Postovi: 19098
- Pridružen: 12 Avg 2006, 23:35
- Location: Srbija
- Specialty: tv-multimedia
- Lokacija: Dimitrovgrad
Re: Skyworth 21N01 3Y111 nema sliku
Da li ti je dobar taj novi LA7840?
"29 poslednjih dana u mesecu je najteže"
Re: Skyworth 21N01 3Y111 nema sliku
da skinut je sa jedne sasije ks1a ispravan
- Majstor Duja
- Neaktivan
- Postovi: 3136
- Pridružen: 23 Avg 2006, 17:29
- Location: Novi Sad - centar
- Warranty service: http://www.elektrocentar.com
- Contact person: Goran Duic
- Specialty: tv-multimedia
Re: Skyworth 21N01 3Y111 nema sliku
Pogledaj onda tj. prekontrolisi elemente oko LA7840, mada postoji mogucnost da je i taj IC vec neispravan, kakva je otklonska? Mada, opet, kakve veze ima to sa tim da tona nema (mozda ne vidis da nije na kanalu ili slicno)...
Rule #1 "Always stand for what you believe, even if it means standing alone."
- spagagz
- gx
- Postovi: 1526
- Pridružen: 29 Dec 2008, 21:47
- Location: Gorazde BiH
- Contact person: Nedeljko
- Specialty: tv-multimedia
Re: Skyworth 21N01 3Y111 nema sliku
Probaj prvo imas li tona preko skarta.Da otklonimo jednu dilemu.Ni ta 24v na pinu 2 nemora biti problem,on moze da seta,u zavisnosti od ulaza.
-
- _
- Postovi: 4
- Pridružen: 09 Sep 2010, 12:50
- Location: Surcin, Beograd
- Contact person: Nedeljko
- Specialty: tv
Re: Skyworth 21N01 3Y111 nema sliku
Probaj eеprom.
- DSsasa
- _
- Postovi: 192
- Pridružen: 24 Okt 2008, 06:24
- Location: Pirot, Srbija
- Contact person: Sasa
- Specialty: tv-multimedia
Re: Skyworth 21N01 3Y111 nema sliku
Problem ti je najverovatnije u napajanju kola LA76810 i to sa 9V. Imaš u podnožju šasije ispod LA kola stabilizator napona na 9V u malom BC tranzistorskom kućištu (pričam napamet). Proveri njega i zameni jer je najverovatnije smanjio napon na ispod 7 V.
Ne zaboravimo da, ne uspemo li u svemu što želimo, ponekad je baš to srećan pogodak.
-
- Slične teme
- Odgovori
- Pregledano
- Zadnji post
-
-
TV PHILIPS Chassis K40 - Ima ton, nema sliku (RESENO)
napisao Japanac » 29 Nov 2007, 19:07 » u Servisiranje CRT Televizora - 11 Odgovori
- 1840 Pregledano
-
Zadnji post napisao Japanac
03 Dec 2007, 23:36
-
-
-
TV VENUS Chassis 11AK45B5 - Nema sliku (RESENO)
napisao baki » 18 Jan 2008, 09:34 » u Servisiranje CRT Televizora - 5 Odgovori
- 1701 Pregledano
-
Zadnji post napisao Majstor Duja
19 Jan 2008, 09:35
-
-
-
TV EI Chassis B30 - Suzava sliku i pucketa (REŠENO)
napisao zoki » 25 Jan 2008, 20:18 » u Servisiranje CRT Televizora - 11 Odgovori
- 2418 Pregledano
-
Zadnji post napisao majstorr
26 Jan 2008, 20:57
-
-
-
TV SAMSUNG CS29D4V Chassis S51A - Nema ton i sliku (ODUSTAO)
napisao megawat » 18 Feb 2008, 11:38 » u Servisiranje CRT Televizora - 26 Odgovori
- 3064 Pregledano
-
Zadnji post napisao megawat
21 Feb 2008, 08:49
-
-
-
TV CAJAVEC 556PS - Nema sliku (RESENO)
napisao andro79 » 07 Mar 2008, 16:44 » u Servisiranje CRT Televizora - 25 Odgovori
- 4076 Pregledano
-
Zadnji post napisao andro79
25 Dec 2008, 15:28
-
-
-
TV LG CF21E20X Chassis MC64A - Pumpa sliku (RIJEŠENO)
napisao dane » 27 Sep 2008, 21:15 » u Servisiranje CRT Televizora - 6 Odgovori
- 1795 Pregledano
-
Zadnji post napisao dane
28 Sep 2008, 19:07
-
-
-
tv teletech ctv2140tx chassis 3y11 nema sliku i ton RESENO
napisao milivojsa » 05 Jul 2009, 15:40 » u Servisiranje CRT Televizora - 10 Odgovori
- 2472 Pregledano
-
Zadnji post napisao milivojsa
09 Jul 2009, 09:58
-
-
-
TV SAMSUNG CKH1TR gubi sliku RESENO
napisao sinisa » 10 Sep 2009, 16:24 » u Servisiranje CRT Televizora - 9 Odgovori
- 1802 Pregledano
-
Zadnji post napisao sinisa
11 Sep 2009, 18:40
-