CROWN 3Y11 chassis RESENO
Pravila foruma
Naslov teme treba da bude u formatu: PROIZVOĐAČ, MODEL, KRATAK OPIS KVARA
Nakon rešenog kvara zatvoriti temu >> >UPUTSTVO< u suprotnom ništa ne činiti.
HOME -- SERVISERI -- DALJINSKI -- RAZNA UPUTSTVA
Naslov teme treba da bude u formatu: PROIZVOĐAČ, MODEL, KRATAK OPIS KVARA
Nakon rešenog kvara zatvoriti temu >> >UPUTSTVO< u suprotnom ništa ne činiti.
HOME -- SERVISERI -- DALJINSKI -- RAZNA UPUTSTVA
CROWN 3Y11 chassis RESENO
FIRMA:CROWN
MODEL:FT 3Y111
CHASSIS(oznaka šasije): (3Y11)
PCB(oznake na štampanoj ploči): 5800-A3Y111-01
MCU(procesor):
EEPROM:24C08
VERTIKALA: LA7840
AUDIO:TDA8944J
VIDEO: LA76810A
SMPS (mreža):
FBT (vn trafo):
TUNER:BR14223
KVAR:RGB IZLAZ
OPIS KVARA:PLAVA BOJA SA BELIM LINIJAMA
TV CROWN RGB PROBLEM pozdrav svima, imam jedan problem na tv crown sasija 5800-a3y111-01,da krenem od pocetka, bu508d je bio izgoreo u his, kad sam ga zamenio i prilikom ukljucivanja ton ima a slika se na trenutak pojavi (4 sekunde) onda pobledi i predje na plavu boju sa belim linijama ton i dalje ima. elkosi su ureduu vertikala je la 7840 i njega sam promenio u rgb je la 76810a i njega sam promenio i opet ista prica, napajanje je dobro a prilikom ukljucivanja u rgb pobuda na izlaznim tranzistorima je oko 3v i kako se slika gubi napon je oko 1,3 v napajanje na rgb je oko 180v , kada merim sa dig,instrumenat izlazni napon je na dva topa 115v i kako se slika gubi i prelazi u plavu naponi odose u 180v a na treci top ispred tranzistora izlazni greje otpornik od 10 kom i napon je samo oko 55v, imam drugi ekran i njega sam isprobao i opet ista prica, da poludis, sve se isto desava?, trazim pomoc da li je neko imao isti slucaj sa ovaj krs od televizor
MODEL:FT 3Y111
CHASSIS(oznaka šasije): (3Y11)
PCB(oznake na štampanoj ploči): 5800-A3Y111-01
MCU(procesor):
EEPROM:24C08
VERTIKALA: LA7840
AUDIO:TDA8944J
VIDEO: LA76810A
SMPS (mreža):
FBT (vn trafo):
TUNER:BR14223
KVAR:RGB IZLAZ
OPIS KVARA:PLAVA BOJA SA BELIM LINIJAMA
TV CROWN RGB PROBLEM pozdrav svima, imam jedan problem na tv crown sasija 5800-a3y111-01,da krenem od pocetka, bu508d je bio izgoreo u his, kad sam ga zamenio i prilikom ukljucivanja ton ima a slika se na trenutak pojavi (4 sekunde) onda pobledi i predje na plavu boju sa belim linijama ton i dalje ima. elkosi su ureduu vertikala je la 7840 i njega sam promenio u rgb je la 76810a i njega sam promenio i opet ista prica, napajanje je dobro a prilikom ukljucivanja u rgb pobuda na izlaznim tranzistorima je oko 3v i kako se slika gubi napon je oko 1,3 v napajanje na rgb je oko 180v , kada merim sa dig,instrumenat izlazni napon je na dva topa 115v i kako se slika gubi i prelazi u plavu naponi odose u 180v a na treci top ispred tranzistora izlazni greje otpornik od 10 kom i napon je samo oko 55v, imam drugi ekran i njega sam isprobao i opet ista prica, da poludis, sve se isto desava?, trazim pomoc da li je neko imao isti slucaj sa ovaj krs od televizor
Zadnja izmena: nesko62, dana 07 Jul 2010, 20:19, ukupno menjano 3 puta.
- miodrag popovic
- gx
- Postovi: 3300
- Pridružen: 08 Nov 2006, 21:08
- Location: Srbija
- Phone number: 00381638773821
- Specialty: tv
- Lokacija: Pančevo Braće Jovanović 56
Re: tv crown rgb problem
ABL sa trafoa dobar?Ug2 dobar?Naponi za memoriju i procesor?
Ko izgubi dobitak, taj dobija gubitak
Re: tv crown rgb problem
abl nisam merio na procesor la76810a naponi su uredu ug2 napon je dobar isto se desava kad mu pustim veci napon na ug2, jedino mi preostaje memoriju da pregledam al to cu sutra, fvala ti na savet
- alexa_pg
- Site Admin
- Postovi: 6029
- Pridružen: 22 Avg 2006, 08:10
- Location: Podgorica
- Specialty: tv-multimedia
Re: tv crown rgb problem ***ISPRAVITE NASLOV I POST***
Skini izlazni tranzistor u B kanalu i probaj bez njega da vidimo sta se desava.
Trabalo bi da ima slike bez plave boje.
Trabalo bi da ima slike bez plave boje.
"I ja volim ljude ali ih sve manje podnosim"
Re: tv crown rgb problem ***ISPRAVITE NASLOV I POST***
skinuo sam tranzistor i opet isto,pojavi se slika par sekundi i odmah predje u plavu boju sa belim linijama,tranzistor sam skinuo i ispred njega otpornik od 10kom opet se greje, na njega dolazi 180v i ide nakolektor tog tranzistora
- alexa_pg
- Site Admin
- Postovi: 6029
- Pridružen: 22 Avg 2006, 08:10
- Location: Podgorica
- Specialty: tv-multimedia
Re: **TV CROWN RGB PROBLEM*ISPRAVITE NASLOV I POST***
Posto je greska u RGB stepenu valjalo bi da si napisao kako je tacno izveden RGB stepen. Bilo bi nam lakse da se snadjemo, ovako samo 3Y11...
Misljenja sam da ti pravis neku gresku u mjerenju ili si napravio sam sebi neki kvar.
Ako skines tranzistor u B kanalu (Q503), kod ispravnog televizora, nikako ne moze da bude plava slika sa povratnim linijama.
Moze ako je neispravan ekran, neispravno podnozje ekrana ili nesto prespojeno na plocici kat. cijevi.
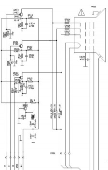
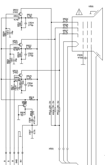
U prilogu je sema RGB stepena sasija 3y11.
Koji je to otpornik 10K koji se grije (pozicija u semi)?
Misljenja sam da ti pravis neku gresku u mjerenju ili si napravio sam sebi neki kvar.
Ako skines tranzistor u B kanalu (Q503), kod ispravnog televizora, nikako ne moze da bude plava slika sa povratnim linijama.
Moze ako je neispravan ekran, neispravno podnozje ekrana ili nesto prespojeno na plocici kat. cijevi.
U prilogu je sema RGB stepena sasija 3y11.
Koji je to otpornik 10K koji se grije (pozicija u semi)?
"I ja volim ljude ali ih sve manje podnosim"
- Stolle
- Preminuo
- Postovi: 19099
- Pridružen: 12 Avg 2006, 23:35
- Location: Srbija
- Specialty: tv-multimedia
- Lokacija: Dimitrovgrad
Re: **TV CROWN RGB PROBLEM*ISPRAVITE NASLOV I POST***
@nesko62
Ne ignoriši urednike.
Pročitaj pravila o postavljanju teme u tom crvenom polju iznad i ispravi svoj prvi post kako treba.
Pogledaj i neke druge teme da vidiš kako to treba uraditi.
Ne ignoriši urednike.

Pogledaj i neke druge teme da vidiš kako to treba uraditi.

"29 poslednjih dana u mesecu je najteže"
Re: **TV CROWN RGB PROBLEM*ISPRAVITE NASLOV I POST***
sema je slicna a sasija je ova kao sto sam napisao na pocetku 5800-a3y111-o1, po tvojoj slici je otpornik od 15kom r522, a po mojoj je tranzistor Q531 c4544 a otpornik je r531 10kom
- Stolle
- Preminuo
- Postovi: 19099
- Pridružen: 12 Avg 2006, 23:35
- Location: Srbija
- Specialty: tv-multimedia
- Lokacija: Dimitrovgrad
Re: **TV CROWN RGB PROBLEM*ISPRAVITE NASLOV I POST***
Ok, kad nešto nije jasno pitajte slobodno. Važi za sve. Bolje tako , nego da pišemo po desetak nepotrebnih postova.
Znači:
U naslov teme upišite samo TIP, MODEL/ŠASIJU I KVAR ! Sve oznake pišete velikim slovima bez crtica i razmaka u nazivu MODELA.
U post upišite opet iste podatke iz naslova, oznaku sa osnovne ploče. Ako ne znate o kojoj se šasiji radi popišete par glavnih komponenti. Zatim ukratko opišite koje ste sve radnje preduzeli prilikom servisiranja, budite što precizniji , ali kratki.
Praktikujemo da na kraju opišemo kako smo rešili problem. Zatim otvorimo svoj prvi post (UREDI) i dopišemo u naslov REŠENO/NEREŠENO/INFO.
Ja ću popraviti koliko može od tvojih podataka, a ti dodaj model u naslovu i popuni taj šablon koji ću iskopirati.
Znači:
U naslov teme upišite samo TIP, MODEL/ŠASIJU I KVAR ! Sve oznake pišete velikim slovima bez crtica i razmaka u nazivu MODELA.
U post upišite opet iste podatke iz naslova, oznaku sa osnovne ploče. Ako ne znate o kojoj se šasiji radi popišete par glavnih komponenti. Zatim ukratko opišite koje ste sve radnje preduzeli prilikom servisiranja, budite što precizniji , ali kratki.
Praktikujemo da na kraju opišemo kako smo rešili problem. Zatim otvorimo svoj prvi post (UREDI) i dopišemo u naslov REŠENO/NEREŠENO/INFO.
Ja ću popraviti koliko može od tvojih podataka, a ti dodaj model u naslovu i popuni taj šablon koji ću iskopirati.
"29 poslednjih dana u mesecu je najteže"
- alexa_pg
- Site Admin
- Postovi: 6029
- Pridružen: 22 Avg 2006, 08:10
- Location: Podgorica
- Specialty: tv-multimedia
Re: CROWN 3Y11 chassis
I dalje ostajem pri tome, i ako je slicna sema, ako skines "B tranzistor" ne smije da bude plava slika. Obrati paznju na vec receno u vezi toga.
PS. Okaci semu RGB stepena da gledamo istu a ne ja jednu a ti drugu.
PS. Okaci semu RGB stepena da gledamo istu a ne ja jednu a ti drugu.
"I ja volim ljude ali ih sve manje podnosim"
Re: CROWN 3Y11 chassis
evo da opisem kako sam resio tu plavu boju sa belim linijama, skinuo sam celu plocicu rgb sa ekrana otkacio sva napajanja, zatim sam skinuo od grundig model t55-830 i skinuo celi rgb koji se u svemu podudara kapica pa cak i cela konekcija za rgb i to zalemio i stavio i iz starta je odmah proradio.evo testiram ga i drugi je dan neprekidno radi, veliko hvala Alekxi i naravno Stolletu, pozdrav
- krllebg
- ___
- Postovi: 1719
- Pridružen: 27 Avg 2006, 19:45
- Location: Beograd
- Warranty service: DeGermany
- Specialty: tv
- Lokacija: Beograd
- Kontakt:
Re: CROWN 3Y11 chassis RESENO
hhmmmm ... i to je popravka.Ali da si sa te iste plocice menjao elemente,stavljao na tu originalnu dosao bi do resenja.I za
sledeci put znas kvar
sledeci put znas kvar

... Here lies a man whom is little known !!!
-
- Slične teme
- Odgovori
- Pregledano
- Zadnji post
-
-
TV QUADRO CTV55S10 Chassis 3Y11 - Ne radi mreza( RESENO)
napisao kirka » 27 Mar 2008, 23:29 » u Servisiranje CRT Televizora - 23 Odgovori
- 5437 Pregledano
-
Zadnji post napisao kirka
03 Apr 2008, 15:12
-
-
-
TV MASTER CTV2103 TXT Chassis 3Y11 - Problem ton(RESENO)
napisao makedonec » 03 Dec 2008, 10:30 » u Servisiranje CRT Televizora - 8 Odgovori
- 2400 Pregledano
-
Zadnji post napisao bogoslav
04 Dec 2008, 23:11
-
-
-
TV MASTER CTV2103 Chassis 3Y11 - Ekran (RESENO)
napisao Mlinko » 17 Dec 2008, 13:18 » u Servisiranje CRT Televizora - 8 Odgovori
- 1642 Pregledano
-
Zadnji post napisao toce
17 Dec 2008, 21:44
-
-
-
tv teletech ctv2140tx chassis 3y11 nema sliku i ton RESENO
napisao milivojsa » 05 Jul 2009, 15:40 » u Servisiranje CRT Televizora - 10 Odgovori
- 2459 Pregledano
-
Zadnji post napisao milivojsa
09 Jul 2009, 09:58
-
-
-
TV CROWN CTV5521 Chassis 99TA015J - Problem slika (RESENO)
napisao borce » 06 Jun 2008, 12:50 » u Servisiranje CRT Televizora - 2 Odgovori
- 1206 Pregledano
-
Zadnji post napisao borce
07 Jun 2008, 17:32
-
-
-
TV CROWN CTV1422 - Shema mreze (RESENO)
napisao lale » 01 Nov 2007, 15:22 » u Servisiranje CRT Televizora - 6 Odgovori
- 1516 Pregledano
-
Zadnji post napisao lale
02 Nov 2007, 12:57
-
-
-
TV CROWN K25200 - Vertikalna linija (RESENO)
napisao Milorad » 20 Feb 2008, 20:31 » u Servisiranje CRT Televizora - 6 Odgovori
- 1306 Pregledano
-
Zadnji post napisao Milorad
21 Feb 2008, 19:37
-
-
-
TV CROWN CTV2003R - Mreza (RESENO)
napisao cacko85 » 12 Feb 2009, 22:14 » u Servisiranje CRT Televizora - 9 Odgovori
- 1022 Pregledano
-
Zadnji post napisao cacko85
13 Feb 2009, 20:05
-