PHILIPS FW-C280/22 potrebna šema (RESENO)
Pravila foruma
Naslov teme treba da bude u formatu: PROIZVOĐAČ, MODEL, KRATAK OPIS KVARA
Nakon rešenog kvara zatvoriti temu >> >UPUTSTVO< u suprotnom ništa ne činiti.
RAZNA UPUTSTVA
Naslov teme treba da bude u formatu: PROIZVOĐAČ, MODEL, KRATAK OPIS KVARA
Nakon rešenog kvara zatvoriti temu >> >UPUTSTVO< u suprotnom ništa ne činiti.
RAZNA UPUTSTVA
-
kirka
- _

- Postovi: 82
- Pridružen: 08 Jul 2007, 02:17
- Location: macedonia
- Contact person: kire micajkov
- Phone number: 0038978268098
- Specialty: tv-multimedia
- Lokacija: macedonia kavadarci
- Kontakt:
PHILIPS FW-C280/22 potrebna šema (RESENO)
zdravo svima potrebna mi je sema za sistem philips model je FW-C280/22! kvar je u izlaz integralno je puklo bas na brojke samo stoi oznaka AN! pa ako neko ima sema ili zna koe integralno je neka pise! odnapred hvala za pomos!
Zadnja izmena: kirka, dana 19 Jan 2009, 19:36, ukupno menjano 1 put.
- Stolle
- Preminuo
- Postovi: 19098
- Pridružen: 12 Avg 2006, 23:35
- Location: Srbija
- Specialty: tv-multimedia
- Lokacija: Dimitrovgrad
Re: potrebna je sema za sistem philips!
NOVA TEMA (NASLOV): U naslov teme upišite samo TIP, MODEL/ŠASIJU I KVAR ! Sve oznake pišete velikim slovima bez crtica i razmaka u nazivu MODELA. 
"29 poslednjih dana u mesecu je najteže"
-
kirka
- _

- Postovi: 82
- Pridružen: 08 Jul 2007, 02:17
- Location: macedonia
- Contact person: kire micajkov
- Phone number: 0038978268098
- Specialty: tv-multimedia
- Lokacija: macedonia kavadarci
- Kontakt:
Re: potrebna je sema za sistem philips!
ok FIRMA PHILIPS
MODEL JE FWC280/22
KVAR JE IZLAZ INTEGRALNO AN ....? BROJKE NEMA ZATOA STO JE PUKLO!
MODEL JE FWC280/22
KVAR JE IZLAZ INTEGRALNO AN ....? BROJKE NEMA ZATOA STO JE PUKLO!
- Stolle
- Preminuo
- Postovi: 19098
- Pridružen: 12 Avg 2006, 23:35
- Location: Srbija
- Specialty: tv-multimedia
- Lokacija: Dimitrovgrad
Re: PHILIPS FWC280 22 potrebna šema
To se piše u prvom postu.Moraćeš da pročitaš pravila.Za sad sam promenio ja.
I da,velika slova samo u naslovu,u postu normalan text.
I da,velika slova samo u naslovu,u postu normalan text.
"29 poslednjih dana u mesecu je najteže"
- milan
- Preminuo
- Postovi: 4426
- Pridružen: 19 Avg 2006, 22:38
- Location: Novi Sad
- Specialty: tv-multimedia
Re: PHILIPS FWC28022 potrebna šema
Davimo te sa pravilima, ali mora se da bi licio Forum na nesto.
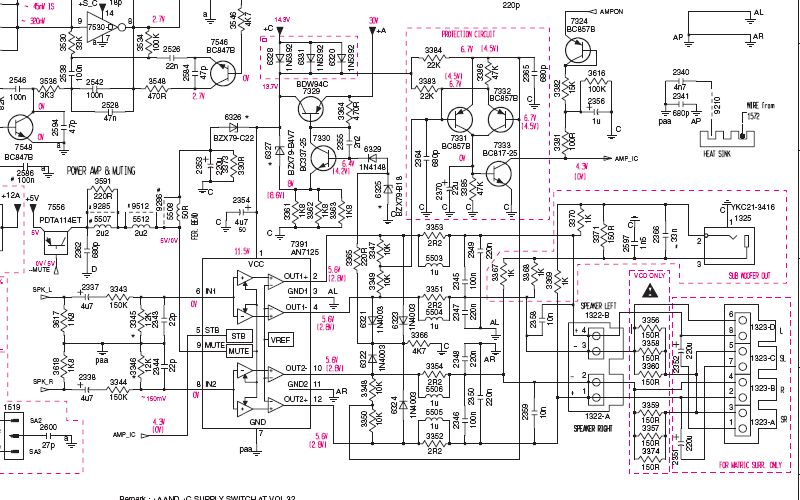
IC kolo je AN7125
IC kolo je AN7125
- Stolle
- Preminuo
- Postovi: 19098
- Pridružen: 12 Avg 2006, 23:35
- Location: Srbija
- Specialty: tv-multimedia
- Lokacija: Dimitrovgrad
Re: PHILIPS FWC28022 potrebna šema
Po modelu sam našao ovo:
AN17830A
PS I trebalo bi da je isti kao i AN7125.
AN17830A
PS I trebalo bi da je isti kao i AN7125.
"29 poslednjih dana u mesecu je najteže"
Re: PHILIPS FWC28022 potrebna šema
Stolle je napisao:I da,velika slova samo u naslovu,u postu normalan text.
mozda nezna procitat ili zahebava , evo na mk """""""""""""" Golemi bukvi vo naslovot,a mali bukvi vo postot"""""""""""kirka je napisao:ok FIRMA PHILIPS
MODEL JE FWC280/22
KVAR JE IZLAZ INTEGRALNO AN ....? BROJKE NEMA ZATOA STO JE PUKLO!
proradijo mi net zahvaljujuci fanzi
- Stolle
- Preminuo
- Postovi: 19098
- Pridružen: 12 Avg 2006, 23:35
- Location: Srbija
- Specialty: tv-multimedia
- Lokacija: Dimitrovgrad
Re: PHILIPS FWC28022 potrebna šema
Da,našao sam i ja i dopisao sam u postu gore.
"29 poslednjih dana u mesecu je najteže"
- milan
- Preminuo
- Postovi: 4426
- Pridružen: 19 Avg 2006, 22:38
- Location: Novi Sad
- Specialty: tv-multimedia
Re: PHILIPS FWC28022 potrebna šema
@Stolle, ti si Car, sada je sve jasno.
Samo da se ispostuje gramatika i covek popravi aparat, zaradi neku paru i popije pice.
Samo da se ispostuje gramatika i covek popravi aparat, zaradi neku paru i popije pice.
-
kirka
- _

- Postovi: 82
- Pridružen: 08 Jul 2007, 02:17
- Location: macedonia
- Contact person: kire micajkov
- Phone number: 0038978268098
- Specialty: tv-multimedia
- Lokacija: macedonia kavadarci
- Kontakt:
Re: PHILIPS FW-C280/22 potrebna šema
OK HVALA KOLEGE I IZVINITE MNOGO ZA GRAMATICE I CRTICE POZDRAV MNOGO I DUZAN SAM KOD VAS ZA OVO USLUGU! 
- tom
- gxu

- Postovi: 2299
- Pridružen: 23 Apr 2007, 20:01
- Location: Strumica
- Contact person: TOME
- Specialty: tv
- Lokacija: Makedonija
Re: PHILIPS FW-C280/22 potrebna šema
kirka ti izgleda ne si razbral što se pišuva so golemi bukvi a što so mali...kirka je napisao:OK HVALA KOLEGE I IZVINITE MNOGO ZA GRAMATICE I CRTICE POZDRAV MNOGO I DUZAN SAM KOD VAS ZA OVO USLUGU!
Znači vaka
1. Koga otvaraš nova tema togaš možeš celiot naslov da go napišeš so golemi bukvi...
2. Koga počnuvaš da pišuvaš vo postot (vo golemoto mesto za pišuvanje) togaš počnuvaš so golema bukva i prodolžuvaš so mali bukvi i ponatamu po pravopisot...
TOME
- milan
- Preminuo
- Postovi: 4426
- Pridružen: 19 Avg 2006, 22:38
- Location: Novi Sad
- Specialty: tv-multimedia
Re: PHILIPS FW-C280/22 potrebna šema (RESENO)
Kod popravki gde se razleteo IC kao kod ovog aparata, vrlo je bitno da se u napajanju prekontrolisu sve komponte
da se nebi i novi raspao, odnosno doziveo sudbinu prethodnog.
Na semi se vidi da on ima dvostruko napajanje koje moze da se umnozi zbog neispravnih komponenata.
U pitanju je ovde napajanje koje ide preko tranzistora BDW94C na poziciji 7329.
Treba njega obavezno promeniti ili prekontrolisati, kao i elemente koji rade u sklopu njega, da se nebi napon povecao
iznad deklarisanih za taj IC a to pise na semi koliki je.Sema je ovde gore postavljena iz koje se sve ovo jasno vidi.
da se nebi i novi raspao, odnosno doziveo sudbinu prethodnog.
Na semi se vidi da on ima dvostruko napajanje koje moze da se umnozi zbog neispravnih komponenata.
U pitanju je ovde napajanje koje ide preko tranzistora BDW94C na poziciji 7329.
Treba njega obavezno promeniti ili prekontrolisati, kao i elemente koji rade u sklopu njega, da se nebi napon povecao
iznad deklarisanih za taj IC a to pise na semi koliki je.Sema je ovde gore postavljena iz koje se sve ovo jasno vidi.
-
- Slične teme
- Odgovori
- Pregledano
- Zadnji post
-
-
PHILIPS 70FA930/00S potrebna sema
napisao slavko.e » 07 Avg 2008, 18:38 » u Servisiranje AUDIO Tehnike - 2 Odgovori
- 1343 Pregledano
-
Zadnji post napisao milan
08 Avg 2008, 17:15
-
-
-
NAD2200-potrebna sema tafoa [RESENO]
napisao slavko.e » 25 Sep 2008, 19:00 » u Servisiranje AUDIO Tehnike - 6 Odgovori
- 1717 Pregledano
-
Zadnji post napisao slavko.e
25 Sep 2008, 21:55
-
-
-
potrebna sema za poj.marantz pm310-reseno
napisao cceda » 30 Jan 2009, 17:57 » u Servisiranje AUDIO Tehnike - 2 Odgovori
- 1267 Pregledano
-
Zadnji post napisao cceda
30 Jan 2009, 22:15
-
-
-
Pioneer GM3000 potrebna sema (RESENO)
napisao vlatkocopa » 14 Mar 2011, 21:29 » u Servisiranje AUDIO Tehnike - 7 Odgovori
- 2120 Pregledano
-
Zadnji post napisao vlatkocopa
15 svi 2012, 13:28
-
-
-
Telefunken HA850 pojacalo potrebna sema(RESENO)
napisao vlatkocopa » 18 Apr 2011, 21:18 » u Servisiranje AUDIO Tehnike - 9 Odgovori
- 2158 Pregledano
-
Zadnji post napisao vlatkocopa
14 Jun 2011, 12:08
-
-
-
Peavey T-MAX Potrebna sema *RESENO*
napisao stojkePN » 12 Okt 2012, 18:28 » u Servisiranje AUDIO Tehnike - 15 Odgovori
- 3123 Pregledano
-
Zadnji post napisao stojkePN
06 Nov 2012, 02:32
-
-
-
Potrebna sema za TELEFUNKEN CR8000 RESENO
napisao faca74 » 20 Apr 2013, 16:14 » u Servisiranje AUDIO Tehnike - 1 Odgovori
- 830 Pregledano
-
Zadnji post napisao faca74
23 Apr 2013, 14:07
-
-
-
QUADRO MCD707 Potrebna sema (rešeno)
napisao Japanac » 19 Jun 2015, 16:52 » u Servisiranje AUDIO Tehnike - 2 Odgovori
- 2774 Pregledano
-
Zadnji post napisao Japanac
01 Jul 2015, 22:16
-

