Aiwa AVNW30EZ nema funkcija, mrtva (reseno)

problemi i kvarovi na audio i Hi-Fi kućnim aparatima

Urednici: alexa_pg,KASA1

Pravila foruma
Naslov teme treba da bude u formatu: PROIZVOĐAČ, MODEL, KRATAK OPIS KVARA
Nakon rešenog kvara zatvoriti temu >> >UPUTSTVO< u suprotnom ništa ne činiti.
RAZNA UPUTSTVA
Avatar
Ribery
gx
gx
Postovi: 665
Pridružen: 28 Okt 2008, 20:21
Location: Beograd
Contact person: Darko
Specialty: tv-multimedia
Lokacija: Beograd-Zvezdara
Kontakt:

Aiwa AVNW30EZ nema funkcija, mrtva (reseno)

Post napisao Ribery » 01 Nov 2013, 17:20

AIWA AV-NW30EZ [AVNW30EZ]
Aiwa uredjaj (pojacalo i risiver) ne pali komandu uopste. Model sam napisao u naslovu teme a ploca je PBWMAIN8CAR663211. Kada se stisne dugme za ukljucivanje samo skljocne relej i nista vise, niti blicne pozadinsko osvetljenje niti bilo sta drugo da se desava, mrtav uredjaj samo skljocne relej za sekundu i to je to. Merio sam sve elemente u mrezi, omski je sve OK nema nista da je izgorelo itd. Napon napajanja za komandu na nozici 5 koji je inace za standby je 12 V na konektoru CN602 koji napaja komandni deo i to mislim da je OK napon i mreza radi kako treba.

slika

Na komandu isto dolazi tih 12V sa nozice 5 od konektora i to mislim da je OK napon. Izlazni tranzistori su omski uredu kao i zastitni otpornici. Ima li neko ideju sta jos da proverim posto ja sumnjam na komandu?
Zadnja izmena: buzdumra, dana 03 Nov 2013, 23:41, ukupno menjano 2 puta.
Razlog: izmena naslova
Posao TV servisera moras da volis da bi radio takav posao. Ovaj posao niko ne uci samo zbog novca.

Avatar
vlatkocopa
gx
gx
Postovi: 3030
Pridružen: 04 Jun 2008, 22:41
Location: Makedonija-Kumanovo
Contact person: Vlado
Phone number: 0038931420808
Specialty: tv

Re: Aiwa AVNW30EZ ne ukljucuje komandu

Post napisao vlatkocopa » 01 Nov 2013, 17:50

Predpostavjam da si napone sa velikog trafoa proverio :roll:
Za sjaj u očima, rumenilo u licu i lepršav hod - koristite kozmetiku -Šljivovica a moze i domaca jabukovaca ..:))

Avatar
Ribery
gx
gx
Postovi: 665
Pridružen: 28 Okt 2008, 20:21
Location: Beograd
Contact person: Darko
Specialty: tv-multimedia
Lokacija: Beograd-Zvezdara
Kontakt:

Re: Aiwa AVNW30EZ ne ukljucuje komandu

Post napisao Ribery » 01 Nov 2013, 18:08

Da, naponi velikog trafoa su provereni ali na mreznim elektrolitima nemam nikakvog napona a na devetopinskom konektoru CNA002 koji ide od velikog trafoa nemam naizmenicni napon. Cetvrta nozica je masa kada gledam sekundar a izmedju mase i ostalih izvoda nema napona. Da li je moguce da transformator ne valja iako nije izgoreo ? Postoji li neka termicka zastita ispod trake koja je obmotana oko namotaja transformatora kao sto sam to vidjao kod nekih uredjaja ?

Slika konektora i dela mreze

slika
Posao TV servisera moras da volis da bi radio takav posao. Ovaj posao niko ne uci samo zbog novca.

Avatar
Ribery
gx
gx
Postovi: 665
Pridružen: 28 Okt 2008, 20:21
Location: Beograd
Contact person: Darko
Specialty: tv-multimedia
Lokacija: Beograd-Zvezdara
Kontakt:

Re: Aiwa AVNW30EZ ne ukljucuje komandu

Post napisao Ribery » 03 Nov 2013, 18:37

Trafo je OK kao i mreza ali relej iskljuci ceo uredjaj kada prikljucim, verovatno ima problem negde u pojacavackom delu ili predpojacavacu. Da li neko ima predpostavku gde bi mogao biti problem posto ni jedan tranzistor u izlazu nije u kratkom spoju predpojacavac sam gledao i sve je omski OK ?
Posao TV servisera moras da volis da bi radio takav posao. Ovaj posao niko ne uci samo zbog novca.

Avatar
Stolle
Preminuo
Postovi: 19098
Pridružen: 12 Avg 2006, 23:35
Location: Srbija
Specialty: tv-multimedia
Lokacija: Dimitrovgrad

Re: Aiwa AVNW30EZ ne ukljucuje komandu

Post napisao Stolle » 03 Nov 2013, 19:13

Raskači izlaz pa vidi da li je do njega. Može biti greška i u samoj zaštiti.
"29 poslednjih dana u mesecu je najteže"

Avatar
Ribery
gx
gx
Postovi: 665
Pridružen: 28 Okt 2008, 20:21
Location: Beograd
Contact person: Darko
Specialty: tv-multimedia
Lokacija: Beograd-Zvezdara
Kontakt:

Re: Aiwa AVNW30EZ ne ukljucuje komandu

Post napisao Ribery » 03 Nov 2013, 19:18

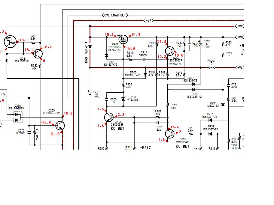
Neispravan tranzistor na poziciji Q201 sa oznakom NEC2SK3053 u predpojacavackom delu koji stoji na hladnjaku. On je za sada u kratkom spoju a drugi tranzistor je OK. Kada zamenim njega videcu sta se dalje desava.
Posao TV servisera moras da volis da bi radio takav posao. Ovaj posao niko ne uci samo zbog novca.

Avatar
buzdumra
gx
gx
Postovi: 5371
Pridružen: 22 Okt 2006, 20:14
Location: srbija

Re: Aiwa AVNW30EZ ne ukljucuje komandu

Post napisao buzdumra » 03 Nov 2013, 21:58

Ribery je napisao:Neispravan tranzistor na poziciji Q201 sa oznakom NEC2SK3053 u predpojacavackom delu
ovo nije predpojacivac
muda labudova.JPG
zakljucavam jer voli da ulazi u rasprave :roll:
proradijo mi net zahvaljujuci fanzi

Zaključano
  • Slične teme
    Odgovori
    Pregledano
    Zadnji post

Natrag na “Servisiranje AUDIO Tehnike”