
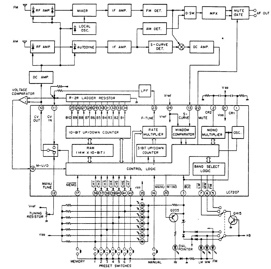
Kod: Označi sve
http://www.radiomuseum.org/r/pioneer_sx_700lsx700.html

Nasao sam isti problem na ovom linku ali ne vidim da je resen uspesno

Kod: Označi sve
http://www.circuitsonline.net/forum/view/73818
Kod: Označi sve
http://www.radiomuseum.org/r/pioneer_sx_700lsx700.html
Kod: Označi sve
http://www.circuitsonline.net/forum/view/73818
Kod: Označi sve
http://elektrotanya.com/pioneer_sx-700l_sm.pdf/download.html
prevaraijo te instrumentstojkePN je napisao:premerio sam elektrolite ESR-om...
Nijebuzdumra je napisao:prevaraijo te instrumentstojkePN je napisao:premerio sam elektrolite ESR-om...