Genius SW-HF 5005 ne može da se utiša
Pravila foruma
Naslov teme treba da bude u formatu: PROIZVOĐAČ, MODEL, KRATAK OPIS KVARA
Nakon rešenog kvara zatvoriti temu >> >UPUTSTVO< u suprotnom ništa ne činiti.
RAZNA UPUTSTVA
Naslov teme treba da bude u formatu: PROIZVOĐAČ, MODEL, KRATAK OPIS KVARA
Nakon rešenog kvara zatvoriti temu >> >UPUTSTVO< u suprotnom ništa ne činiti.
RAZNA UPUTSTVA
Genius SW-HF 5005 ne može da se utiša
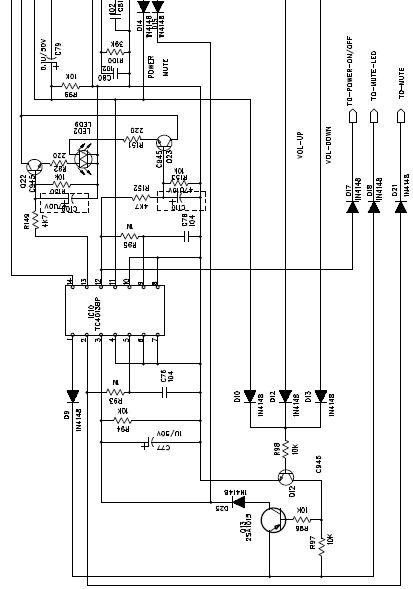
Pojačalo stalno radi na max. a potenciometrom je moguće samo uključiti ili isključiti zvuk. Da li neko ima shemu, pa da prionem na posao.
- tanebosev
- ___

- Postovi: 295
- Pridružen: 15 Jul 2008, 16:24
- Location: Makedonija
- Contact person: Tane
- Phone number: 0038932443721
- Lokacija: Sveti Nikole
Re: Genius SW-HF 5005 ne može da se utiša
prekontrolishi potenciometar nema potreba od shema za to.
Tane
Re: Genius SW-HF 5005 ne može da se utiša
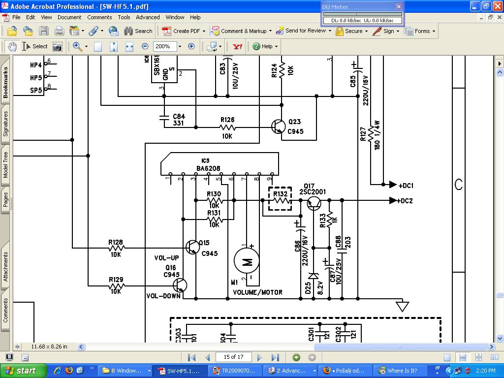
Kontrolisao sam ga. Njega vodi elektro motor preko daljinskog, a on upravlja nekim operacionim pojačavačem.
Re: Genius SW-HF 5005 ne može da se utiša
Zameni taj BA6208 i proveri tranzistori koji su oko BA 
TOCE
Re: Genius SW-HF 5005 ne može da se utiša
Ovaj BA 6208 je drajver za motor na potenciometru, a on funkcionoše (preko daljinskog se okreće). Nema logike da mi on pravi problem. Na shemi ne vidim odakle ova dva tr.q 15 i q 16 dobijaju pobudu. Ako može cela shema da se vidi ili link do nje nebi bilo loše.
Re: Genius SW-HF 5005 ne može da se utiša
Probaj da otkacis ova dva pina koja idu na ic - pin2 i pin3 i vidi onda jel ton moze da se stisa 
TOCE
- Stolle
- Preminuo
- Postovi: 19098
- Pridružen: 12 Avg 2006, 23:35
- Location: Srbija
- Specialty: tv-multimedia
- Lokacija: Dimitrovgrad
Re: Genius SW-HF 5005 ne može da se utiša
Ako se okreće...vidi da ne proklizava, da se ne okreće samo dugme, a da potenciometar ostaje na max?
"29 poslednjih dana u mesecu je najteže"
- alexa_pg
- Site Admin

- Postovi: 6122
- Pridružen: 22 Avg 2006, 08:10
- Location: Podgorica
- Specialty: tv-multimedia
Re: Genius SW-HF 5005 ne može da se utiša
Mislim da na ovom sajtu imas sve sto te intereseju.
http:
Takodje semu mozes skinuti sa
http:
pogledaj i ovo da li ti odgovara
http:
obrisano
http:
Takodje semu mozes skinuti sa
http:
pogledaj i ovo da li ti odgovara
http:
obrisano
"I ja volim ljude ali ih sve manje podnosim"
- milan
- Preminuo
- Postovi: 4426
- Pridružen: 19 Avg 2006, 22:38
- Location: Novi Sad
- Specialty: tv-multimedia
Re: Genius SW-HF 5005 ne može da se utiša
Genius SW-HF 5005 ne može da se utiša
--------------------------------------------------
Pojačalo stalno radi na max. a potenciometrom je moguće samo uključiti ili isključiti zvuk.
----------------------------------------------------------------------------------------------------------
Njega vodi elektro motor preko daljinskog, a on upravlja nekim operacionim pojačavačem.
-----------------------------------------------------------------------------------------------------------
Ovaj BA 6208 je drajver za motor na potenciometru, a on funkcionoše (preko daljinskog se okreće). Nema logike da mi on pravi problem. Na shemi ne vidim odakle ova dva tr.q 15 i q 16 dobijaju pobudu. Ako može cela shema da se vidi ili link do nje nebi bilo loše.
-------------------------------------------------------------------------------
Stvarno bi trebao da svoja pitanja tacno formulusis ako zelis pomoc.
Ili ti je u cilju da samo dobijes semu.
--------------------------------------------------
Pojačalo stalno radi na max. a potenciometrom je moguće samo uključiti ili isključiti zvuk.
----------------------------------------------------------------------------------------------------------
Njega vodi elektro motor preko daljinskog, a on upravlja nekim operacionim pojačavačem.
-----------------------------------------------------------------------------------------------------------
Ovaj BA 6208 je drajver za motor na potenciometru, a on funkcionoše (preko daljinskog se okreće). Nema logike da mi on pravi problem. Na shemi ne vidim odakle ova dva tr.q 15 i q 16 dobijaju pobudu. Ako može cela shema da se vidi ili link do nje nebi bilo loše.
-------------------------------------------------------------------------------
Stvarno bi trebao da svoja pitanja tacno formulusis ako zelis pomoc.
Ili ti je u cilju da samo dobijes semu.
Re: Genius SW-HF 5005 ne može da se utiša
na zahtev kolega ,.obrisao sam linkove sto je postavijo aleksa 
proradijo mi net zahvaljujuci fanzi
- SaleSk
- ___

- Postovi: 656
- Pridružen: 04 Nov 2006, 21:08
- Location: Skopje
- Warranty service: Siemens, Konica Minolta, Kodak, B Braun, Dade Behring, Johnson & Johnson, Drew, TerumoBCT
- Kontakt:
Re: Genius SW-HF 5005 ne može da se utiša
Nekada stvarno ne vidim razlog za brisanje poruka ili linkova....
Kada je vec postavljen na netu neki podatak, javno normalno, zasto bi bilo zabranjeno postaviti link ovde???...
Ali nebitno....Sve se moze naci uz malo googlanja...
Pozdrav
A i problem je resljiv u 15 minuta sa otvaranjem i zatvaranjem uredjaja...(Mislim na budzenje)...
Kada je vec postavljen na netu neki podatak, javno normalno, zasto bi bilo zabranjeno postaviti link ovde???...
Ali nebitno....Sve se moze naci uz malo googlanja...
Pozdrav
A i problem je resljiv u 15 minuta sa otvaranjem i zatvaranjem uredjaja...(Mislim na budzenje)...
Dusevni bolesnik nikada ne napada bez razloga. U tome se razlikuje od normalnih ljudi.
- milan
- Preminuo
- Postovi: 4426
- Pridružen: 19 Avg 2006, 22:38
- Location: Novi Sad
- Specialty: tv-multimedia
Re: Genius SW-HF 5005 ne može da se utiša
Ovo je forum koji je namenjen pomoci kod popravki aparata, a ne razmena tehnicke dokumentacije.
Za to postoje drugi sajtovi.
Da tema nebi otisla u nesto drugo ide katanac.
Za to postoje drugi sajtovi.
Da tema nebi otisla u nesto drugo ide katanac.
-
- Slične teme
- Odgovori
- Pregledano
- Zadnji post
-
-
Genius 5.1 5005 problem sa izvorom zvuka
napisao XbaneX » 20 svi 2016, 18:28 » u Servisiranje AUDIO Tehnike - 2 Odgovori
- 3657 Pregledano
-
Zadnji post napisao XbaneX
09 Jun 2016, 15:02
-
-
-
PRETPOJACALO SP-200 ne moze da se utisa do kraja
napisao goran » 21 svi 2018, 15:59 » u Servisiranje AUDIO Tehnike - 15 Odgovori
- 8147 Pregledano
-
Zadnji post napisao Stolle
05 Jun 2018, 11:16
-
-
- 2 Odgovori
- 1347 Pregledano
-
Zadnji post napisao djuras
28 Mar 2008, 21:37
-
- 12 Odgovori
- 3080 Pregledano
-
Zadnji post napisao boban1982
28 Jan 2011, 22:23
-
-
Genius SW-5.1 Home Theatre(RESENO)
napisao bolle86 » 01 Avg 2009, 12:01 » u Servisiranje AUDIO Tehnike - 5 Odgovori
- 1409 Pregledano
-
Zadnji post napisao bolle86
05 Avg 2009, 15:47
-
-
-
Genius aktive 5.1 Home Theater (krci ton)RESENO
napisao vlatkocopa » 22 Dec 2009, 21:02 » u Servisiranje AUDIO Tehnike - 2 Odgovori
- 1611 Pregledano
-
Zadnji post napisao vlatkocopa
24 Dec 2009, 15:37
-
-
-
genius SWHF 2.1 2000 Shema Reseno
napisao gaganic » 12 Nov 2010, 00:42 » u Servisiranje AUDIO Tehnike - 7 Odgovori
- 1780 Pregledano
-
Zadnji post napisao gaganic
15 Nov 2010, 13:19
-
-
-
Transformator za Genius SW-HF 5.1 4000 (reseno)
napisao Congor » 11 Apr 2011, 14:21 » u Servisiranje AUDIO Tehnike - 9 Odgovori
- 2129 Pregledano
-
Zadnji post napisao Congor
26 Apr 2011, 20:28
-


