Post
napisao Ribery » 24 Dec 2009, 14:32
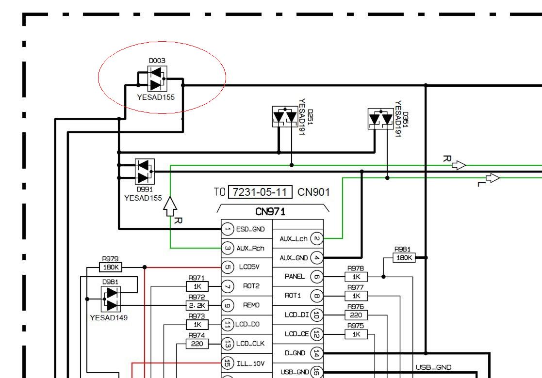
Potrebna shema za ovaj Autoradio. Hvala unapred!
Hvala za semu, HVALA SVIMA!!! Zamenom te diode autoradio je u ispravnom stanju :) HVALA

Zadnja izmena:
Ribery, dana 24 Dec 2009, 20:10, ukupno menjano 1 put.
Posao TV servisera moras da volis da bi radio takav posao. Ovaj posao niko ne uci samo zbog novca.