Stranica: 1/2.
Potrebna sema za Labor-Netzgerät MONACOR PS-305 [RESENO]
Napisan post: 01 Feb 2016, 23:20
napisao MbyLegend
Re: Potrebna sema za napajanje Labor-Netzgerät MONACOR PS-30
Napisan post: 02 Feb 2016, 10:33
napisao milan
Nisam ga imao u rukama, ali po podacima isti je kao i PS-303 koji je slabije amperaze.
Re: Potrebna sema za napajanje Labor-Netzgerät MONACOR PS-30
Napisan post: 02 Feb 2016, 17:05
napisao MbyLegend
Hvala puno za semu, izgleda da sam bio u pravu. Sada idem u trazenje ovih komponenti pa pisem sta se desava.

Re: Potrebna sema za napajanje Labor-Netzgerät MONACOR PS-30
Napisan post: 03 Feb 2016, 11:24
napisao kibsa
Milane jesi li našao 723, kod mene je negdje bilo par komada. Duže vrijeme su višak, voljan sam ti pokloniti.
Re: Potrebna sema za napajanje Labor-Netzgerät MONACOR PS-30
Napisan post: 03 Feb 2016, 20:18
napisao MbyLegend
Nisam nasao, mislio sam naruciti preko e-bay jer ovdje u Bijeljini u servisima nema, a prodavnica elektro komponenti najbliza mi je u Beogradu. Tako da ako si voljan poslati mogu ti i platiti, sto se mene tice nije problem.
Re: Potrebna sema za napajanje Labor-Netzgerät MONACOR PS-30
Napisan post: 05 Feb 2016, 12:17
napisao kibsa
Pošalji mi u PM adresu da ti pošaljem , jel ti treba jedan ili dva. Ili ako dolaziš ti ili neko tvoj do Živinica.
Re: Potrebna sema za napajanje Labor-Netzgerät MONACOR PS-30
Napisan post: 05 Feb 2016, 17:43
napisao MbyLegend
Dolazim ja u Zivinice ali ne tako cesto. Potrebna su mi 2 LM723. Adresa ide u poruci.
Re: Potrebna sema za napajanje Labor-Netzgerät MONACOR PS-30
Napisan post: 05 Feb 2016, 22:57
napisao kibsa
U redu, poslaću ti poslije vikenda dva komada.
Re: Potrebna sema za napajanje Labor-Netzgerät MONACOR PS-30
Napisan post: 06 Feb 2016, 00:01
napisao MbyLegend
Ok,hvala unaprijed
Re: Potrebna sema za napajanje Labor-Netzgerät MONACOR PS-30
Napisan post: 06 Feb 2016, 07:54
napisao Kobac
Jos nisam video ovakve ispravljace sa dva 723, obicno imaju jedan i neki operacioni... Shema od PS303 je samo sa jednim kolom.
Re: Potrebna sema za napajanje Labor-Netzgerät MONACOR PS-30
Napisan post: 06 Feb 2016, 20:20
napisao grubiz1@gmail.com

- Moglo bi biti to
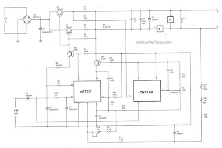
Kolega Kobac je u pravu.Drugi 723 nema smisla.Može biti samo neko operaciono pojačalo,pošto je opseg regulacije struje dosta velik od 0-5A a vidim da je šant ,,veliki" odnosno vrlo malog otpora.Kolo 723 ne reguliše od 0V već u odnosu 1prema 10 (min/max napon)pa i za to vežbanje da bi išlo od nule bi trebalo dvostruko napajanje,ili neko vežbanje, a i verovatno opet operaciono pojačalo.Vodovi se jako loše vide ali ih proprati i uporedi sa ovom šemom koju šaljem.Tih 723 imam gomilu pa ako treba javi se.
Re: Potrebna sema za napajanje Labor-Netzgerät MONACOR PS-30
Napisan post: 07 Feb 2016, 01:07
napisao kibsa
Na bivšem radnom mjestu sam imao regulacioni ispravljač od 0-30 V, čini mi se da je struja do 2A i ako se dobro sjećam bio je sa jednim 723 i još neko kolo. Provjeriću kod kolege ali tek poslije vikenda. Možda bude od koristi koja fotka.
Re: Potrebna sema za napajanje Labor-Netzgerät MONACOR PS-30
Napisan post: 07 Feb 2016, 11:48
napisao MbyLegend
Evo nasao sam i ja dvije seme, navodno od modela PS-303 ali je prikazano sa dva neka kola V3 i V6 (schematic (1)). Sema odgovara plocici koja se nalazi u uredjaju, ali na njoj nema oznaka komponenti. Na drugoj semi (schematic), na tom mjestu sam zatekao osjecene zice (vidi se na slici 2), tu sam ja predpostavio da ide grec (po semi i ide).Ta sema (schematic) odgovara kompletnom uredjaju na kome je kao A1 prikazana plocica iz druge seme (schematic (1). Na trafou imam 2 izlaza, 20V i 14V naizmjenicno.
EDIT:
Upravo sam nasao spisak komponenti za semu ovog uredjaja i nju dostavljam u prilogu. Tek sada sam vidjeo da je i ona bila na stranici gdje sam i ove seme nasao. U njoj je prikazano da ipak idu dva kola LM723. Spisak elemenata je pod EA-NGSB1a
Seme i spisak u prilogu:
Re: Potrebna sema za napajanje Labor-Netzgerät MONACOR PS-30
Napisan post: 07 Feb 2016, 13:25
napisao Stolle
Sad je lakše. Sve piše na radiomuseum.
Monacor bremen ps303 6 transistoren
Semiconductors (the count is only for transistors) 6:
BC547 BC547 BC547 BC557 BD244 2N3055 µA723 µA723 µA78xx
http://www.radiomuseum.org/r/monacor_la ... toren.html
Pa što si uklonio šeme?
Re: Potrebna sema za napajanje Labor-Netzgerät MONACOR PS-30
Napisan post: 07 Feb 2016, 13:28
napisao MbyLegend
Uklonio sam da bih dodao i spisak komponenti koji sam tek pronasao. Sada bi trebalo da je sve na okupu. Nisam htjeo da spamujem post.
Re: Potrebna sema za napajanje Labor-Netzgerät MONACOR PS-30
Napisan post: 07 Feb 2016, 13:39
napisao Stolle
A, pisali smo u isto vreme, Ili nema ništa, ili ima duplo.
Kako skidaš dokumenta sa radiomuseum-a?
Re: Potrebna sema za napajanje Labor-Netzgerät MONACOR PS-30
Napisan post: 07 Feb 2016, 13:46
napisao MbyLegend
Samo kliknem na semu, otvori se novi prozor, upisem ime i prezime i mail adresu, potvrdim da nisam robot i na mail stize u istom momentu sema koju sam trazio.
Re: Potrebna sema za napajanje Labor-Netzgerät MONACOR PS-30
Napisan post: 07 Feb 2016, 13:53
napisao Stolle

Au, a toliko puta smo pokušavali i nije išlo.

Treba samo kliknuti dvaput.
Re: Potrebna sema za napajanje Labor-Netzgerät MONACOR PS-30
Napisan post: 07 Feb 2016, 14:02
napisao MbyLegend
Kao na mom avataru

Re: Potrebna sema za napajanje Labor-Netzgerät MONACOR PS-30
Napisan post: 08 Feb 2016, 23:04
napisao kibsa
Obećah fotku i neke podatkesa ispravljača iz moje ranije radionice u firmi, ali da ne širim temu i ne udaljavam se od naslova. Ispravljač koj sam pominjao je Iskrin u kojem su dva integralna sklopa 723 i 741, pa mislim da nije ni potrebno da kačim. Razlikuje se u mnogo čemu od naslovnog ispravljača.