Potrebna sema za Labor-Netzgerät MONACOR PS-305 [RESENO]

Ovde postujte diskusije o korisnim alatkama instrumentima i ostalom.

Urednik: alexa_pg

Avatar
MbyLegend
_
_
Postovi: 143
Pridružen: 13 Okt 2012, 22:26
Location: Bijeljina
Contact person: Milan
Specialty: computers
Lokacija: Bijeljina

Potrebna sema za Labor-Netzgerät MONACOR PS-305 [RESENO]

Post napisao MbyLegend » 01 Feb 2016, 23:20

Kupio sam danas vrlo povoljno napajanje iz naslova. Igrom slucaja naletio sam na to i kupio za 5 EUR. Nisam ga probao na licu mjesta, a za te pare nije ni bilo za ocekivati da radi. Donijeo sam kuci i naravno prije nego ga ukljucim u struju rastavio sam, cisto da vidim sta me ocekuje. Na prvu sam vidjeo da fali grec i neka dva kola sa po 14 nogica. Molio bih ako neko ima semu da je postavi ili posalje jer me interesuje koje komponente tu idu. Kako god skontam cini mi se da je LM723 u oba lezista, ali posto nemam iskustva sa ovim, tj nisam nikada bio u prilici da rastavljam nesto ovako nisam 100% siguran. Slike u prilogu.

slika
slika
slika
slika
slika
Zadnja izmena: alexa_pg, dana 07 Mar 2016, 23:53, ukupno menjano 1 put.
Razlog: u naslovu upisano Reseno
Ne zivim da bih radio, radim da bih prezivjeo...

Avatar
milan
Preminuo
Postovi: 4426
Pridružen: 19 Avg 2006, 22:38
Location: Novi Sad
Specialty: tv-multimedia

Re: Potrebna sema za napajanje Labor-Netzgerät MONACOR PS-30

Post napisao milan » 02 Feb 2016, 10:33

Nisam ga imao u rukama, ali po podacima isti je kao i PS-303 koji je slabije amperaze.
Prilog
PS-303.pdf
(628.54 KiB) Preuzeto 357 puta.

Avatar
MbyLegend
_
_
Postovi: 143
Pridružen: 13 Okt 2012, 22:26
Location: Bijeljina
Contact person: Milan
Specialty: computers
Lokacija: Bijeljina

Re: Potrebna sema za napajanje Labor-Netzgerät MONACOR PS-30

Post napisao MbyLegend » 02 Feb 2016, 17:05

Hvala puno za semu, izgleda da sam bio u pravu. Sada idem u trazenje ovih komponenti pa pisem sta se desava. :pivopije:
Ne zivim da bih radio, radim da bih prezivjeo...

Avatar
kibsa
_
_
Postovi: 194
Pridružen: 16 Nov 2006, 01:11
Lokacija: BiH

Re: Potrebna sema za napajanje Labor-Netzgerät MONACOR PS-30

Post napisao kibsa » 03 Feb 2016, 11:24

Milane jesi li našao 723, kod mene je negdje bilo par komada. Duže vrijeme su višak, voljan sam ti pokloniti.

Avatar
MbyLegend
_
_
Postovi: 143
Pridružen: 13 Okt 2012, 22:26
Location: Bijeljina
Contact person: Milan
Specialty: computers
Lokacija: Bijeljina

Re: Potrebna sema za napajanje Labor-Netzgerät MONACOR PS-30

Post napisao MbyLegend » 03 Feb 2016, 20:18

Nisam nasao, mislio sam naruciti preko e-bay jer ovdje u Bijeljini u servisima nema, a prodavnica elektro komponenti najbliza mi je u Beogradu. Tako da ako si voljan poslati mogu ti i platiti, sto se mene tice nije problem.
Ne zivim da bih radio, radim da bih prezivjeo...

Avatar
kibsa
_
_
Postovi: 194
Pridružen: 16 Nov 2006, 01:11
Lokacija: BiH

Re: Potrebna sema za napajanje Labor-Netzgerät MONACOR PS-30

Post napisao kibsa » 05 Feb 2016, 12:17

Pošalji mi u PM adresu da ti pošaljem , jel ti treba jedan ili dva. Ili ako dolaziš ti ili neko tvoj do Živinica.

Avatar
MbyLegend
_
_
Postovi: 143
Pridružen: 13 Okt 2012, 22:26
Location: Bijeljina
Contact person: Milan
Specialty: computers
Lokacija: Bijeljina

Re: Potrebna sema za napajanje Labor-Netzgerät MONACOR PS-30

Post napisao MbyLegend » 05 Feb 2016, 17:43

Dolazim ja u Zivinice ali ne tako cesto. Potrebna su mi 2 LM723. Adresa ide u poruci.
Ne zivim da bih radio, radim da bih prezivjeo...

Avatar
kibsa
_
_
Postovi: 194
Pridružen: 16 Nov 2006, 01:11
Lokacija: BiH

Re: Potrebna sema za napajanje Labor-Netzgerät MONACOR PS-30

Post napisao kibsa » 05 Feb 2016, 22:57

U redu, poslaću ti poslije vikenda dva komada.

Avatar
MbyLegend
_
_
Postovi: 143
Pridružen: 13 Okt 2012, 22:26
Location: Bijeljina
Contact person: Milan
Specialty: computers
Lokacija: Bijeljina

Re: Potrebna sema za napajanje Labor-Netzgerät MONACOR PS-30

Post napisao MbyLegend » 06 Feb 2016, 00:01

Ok,hvala unaprijed
Ne zivim da bih radio, radim da bih prezivjeo...

Avatar
Kobac
bela tehnika
bela tehnika
Postovi: 650
Pridružen: 26 Jun 2008, 23:19
Location: Beograd

Re: Potrebna sema za napajanje Labor-Netzgerät MONACOR PS-30

Post napisao Kobac » 06 Feb 2016, 07:54

Jos nisam video ovakve ispravljace sa dva 723, obicno imaju jedan i neki operacioni... Shema od PS303 je samo sa jednim kolom.

grubiz1@gmail.com
_
_
Postovi: 190
Pridružen: 10 Dec 2012, 13:08
Location: SOMBOR
Contact person: Zeljko

Re: Potrebna sema za napajanje Labor-Netzgerät MONACOR PS-30

Post napisao grubiz1@gmail.com » 06 Feb 2016, 20:20

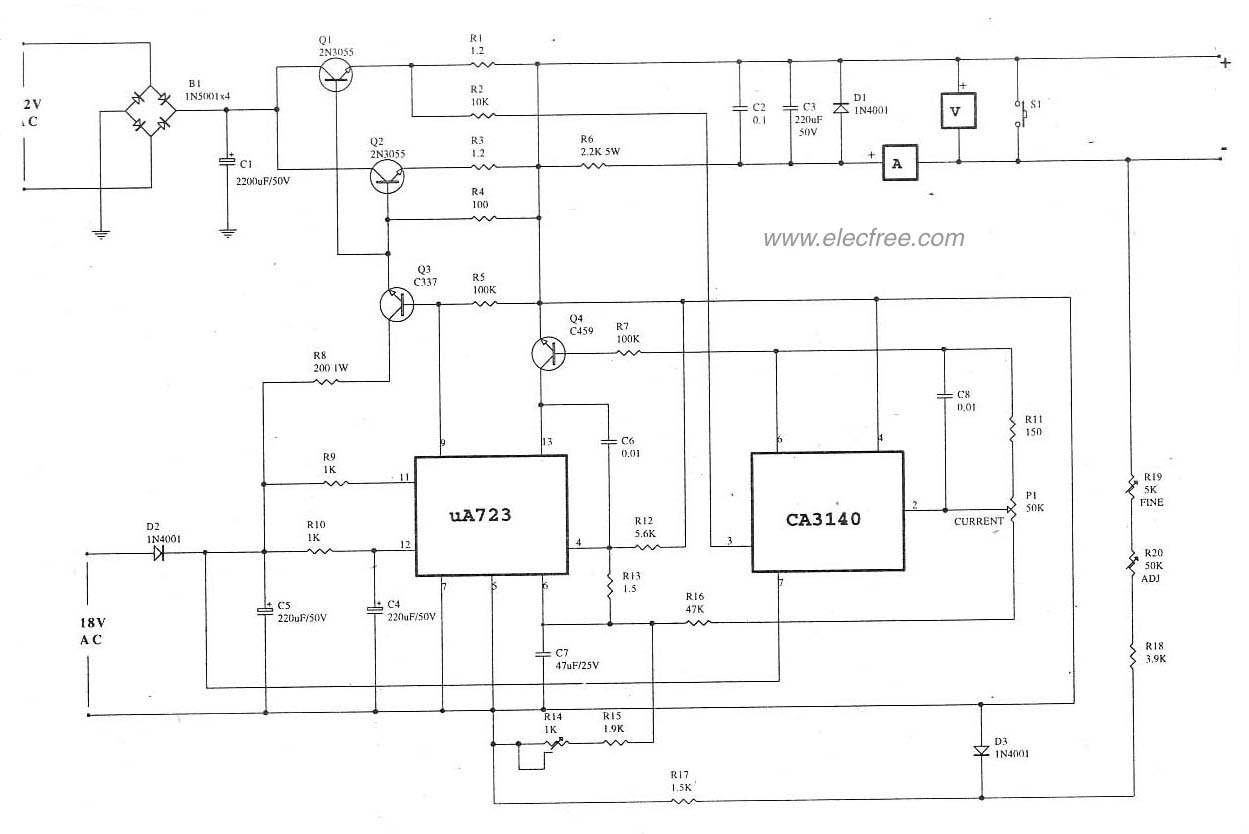
circuit_variable-regulator_0-30v_5a_lm723_ca3140_2n3055.jpg
Moglo bi biti to
Kolega Kobac je u pravu.Drugi 723 nema smisla.Može biti samo neko operaciono pojačalo,pošto je opseg regulacije struje dosta velik od 0-5A a vidim da je šant ,,veliki" odnosno vrlo malog otpora.Kolo 723 ne reguliše od 0V već u odnosu 1prema 10 (min/max napon)pa i za to vežbanje da bi išlo od nule bi trebalo dvostruko napajanje,ili neko vežbanje, a i verovatno opet operaciono pojačalo.Vodovi se jako loše vide ali ih proprati i uporedi sa ovom šemom koju šaljem.Tih 723 imam gomilu pa ako treba javi se.

Avatar
kibsa
_
_
Postovi: 194
Pridružen: 16 Nov 2006, 01:11
Lokacija: BiH

Re: Potrebna sema za napajanje Labor-Netzgerät MONACOR PS-30

Post napisao kibsa » 07 Feb 2016, 01:07

Na bivšem radnom mjestu sam imao regulacioni ispravljač od 0-30 V, čini mi se da je struja do 2A i ako se dobro sjećam bio je sa jednim 723 i još neko kolo. Provjeriću kod kolege ali tek poslije vikenda. Možda bude od koristi koja fotka.

Avatar
MbyLegend
_
_
Postovi: 143
Pridružen: 13 Okt 2012, 22:26
Location: Bijeljina
Contact person: Milan
Specialty: computers
Lokacija: Bijeljina

Re: Potrebna sema za napajanje Labor-Netzgerät MONACOR PS-30

Post napisao MbyLegend » 07 Feb 2016, 11:48

Evo nasao sam i ja dvije seme, navodno od modela PS-303 ali je prikazano sa dva neka kola V3 i V6 (schematic (1)). Sema odgovara plocici koja se nalazi u uredjaju, ali na njoj nema oznaka komponenti. Na drugoj semi (schematic), na tom mjestu sam zatekao osjecene zice (vidi se na slici 2), tu sam ja predpostavio da ide grec (po semi i ide).Ta sema (schematic) odgovara kompletnom uredjaju na kome je kao A1 prikazana plocica iz druge seme (schematic (1). Na trafou imam 2 izlaza, 20V i 14V naizmjenicno.

EDIT:

Upravo sam nasao spisak komponenti za semu ovog uredjaja i nju dostavljam u prilogu. Tek sada sam vidjeo da je i ona bila na stranici gdje sam i ove seme nasao. U njoj je prikazano da ipak idu dva kola LM723. Spisak elemenata je pod EA-NGSB1a

Seme i spisak u prilogu:
Prilog
Seme PS-303.rar
(277.66 KiB) Preuzeto 239 puta.
Zadnja izmena: MbyLegend, dana 07 Feb 2016, 13:26, ukupno menjano 1 put.
Ne zivim da bih radio, radim da bih prezivjeo...

Avatar
Stolle
Preminuo
Postovi: 19099
Pridružen: 12 Avg 2006, 23:35
Location: Srbija
Specialty: tv-multimedia
Lokacija: Dimitrovgrad

Re: Potrebna sema za napajanje Labor-Netzgerät MONACOR PS-30

Post napisao Stolle » 07 Feb 2016, 13:25

Sad je lakše. Sve piše na radiomuseum.
Monacor bremen ps303 6 transistoren
Semiconductors (the count is only for transistors) 6:
BC547 BC547 BC547 BC557 BD244 2N3055 µA723 µA723 µA78xx
http://www.radiomuseum.org/r/monacor_la ... toren.html

Pa što si uklonio šeme?
"29 poslednjih dana u mesecu je najteže"

Avatar
MbyLegend
_
_
Postovi: 143
Pridružen: 13 Okt 2012, 22:26
Location: Bijeljina
Contact person: Milan
Specialty: computers
Lokacija: Bijeljina

Re: Potrebna sema za napajanje Labor-Netzgerät MONACOR PS-30

Post napisao MbyLegend » 07 Feb 2016, 13:28

Uklonio sam da bih dodao i spisak komponenti koji sam tek pronasao. Sada bi trebalo da je sve na okupu. Nisam htjeo da spamujem post.
Ne zivim da bih radio, radim da bih prezivjeo...

Avatar
Stolle
Preminuo
Postovi: 19099
Pridružen: 12 Avg 2006, 23:35
Location: Srbija
Specialty: tv-multimedia
Lokacija: Dimitrovgrad

Re: Potrebna sema za napajanje Labor-Netzgerät MONACOR PS-30

Post napisao Stolle » 07 Feb 2016, 13:39

A, pisali smo u isto vreme, Ili nema ništa, ili ima duplo. :mrgreen:
Kako skidaš dokumenta sa radiomuseum-a?
"29 poslednjih dana u mesecu je najteže"

Avatar
MbyLegend
_
_
Postovi: 143
Pridružen: 13 Okt 2012, 22:26
Location: Bijeljina
Contact person: Milan
Specialty: computers
Lokacija: Bijeljina

Re: Potrebna sema za napajanje Labor-Netzgerät MONACOR PS-30

Post napisao MbyLegend » 07 Feb 2016, 13:46

Samo kliknem na semu, otvori se novi prozor, upisem ime i prezime i mail adresu, potvrdim da nisam robot i na mail stize u istom momentu sema koju sam trazio.
Ne zivim da bih radio, radim da bih prezivjeo...

Avatar
Stolle
Preminuo
Postovi: 19099
Pridružen: 12 Avg 2006, 23:35
Location: Srbija
Specialty: tv-multimedia
Lokacija: Dimitrovgrad

Re: Potrebna sema za napajanje Labor-Netzgerät MONACOR PS-30

Post napisao Stolle » 07 Feb 2016, 13:53

:tooo: Au, a toliko puta smo pokušavali i nije išlo. :mrgreen: Treba samo kliknuti dvaput.
"29 poslednjih dana u mesecu je najteže"

Avatar
MbyLegend
_
_
Postovi: 143
Pridružen: 13 Okt 2012, 22:26
Location: Bijeljina
Contact person: Milan
Specialty: computers
Lokacija: Bijeljina

Re: Potrebna sema za napajanje Labor-Netzgerät MONACOR PS-30

Post napisao MbyLegend » 07 Feb 2016, 14:02

Kao na mom avataru :pivopije: lolzi
Ne zivim da bih radio, radim da bih prezivjeo...

Avatar
kibsa
_
_
Postovi: 194
Pridružen: 16 Nov 2006, 01:11
Lokacija: BiH

Re: Potrebna sema za napajanje Labor-Netzgerät MONACOR PS-30

Post napisao kibsa » 08 Feb 2016, 23:04

Obećah fotku i neke podatkesa ispravljača iz moje ranije radionice u firmi, ali da ne širim temu i ne udaljavam se od naslova. Ispravljač koj sam pominjao je Iskrin u kojem su dva integralna sklopa 723 i 741, pa mislim da nije ni potrebno da kačim. Razlikuje se u mnogo čemu od naslovnog ispravljača.

Odgovori
  • Slične teme
    Odgovori
    Pregledano
    Zadnji post

Natrag na “Alati”