AUTO ELEKTRONIKA
VRSTA VOZILA: Opel Isuzu 1.7
PROIZVOĐAČ: Opel
MODEL: Astra Corsa....
GODIŠTE:dvehiljadite
****************************
PREDMET SERVISIRANJA:EDU
****************************
SIMPTOMI:
Auto neće da upali
PREDUZETE RADNJE:
Popravka i ispitivanje EDU
Čest problem kod Isuzu motora je ovaj uređaj . Koliko su motori istrajni toliko ova elektronika pravi problem. S jedinim razlogom jer se nalazi na najnezgodnijem mestu. To jest nalazi se iznad izduvne grane gde je veoma visoka temperatura. Pošto elektronika osciluje visokom frekvenciom i podiže napon preko prigušnice . Dešavaju se hladni lemovi tj izgara lem oko određenih pinova. Neću pričati o samoj opravci jer toga ima dosta na internetu. I sami automehaničari ih rešavaju, sve dok nedođe do komplikovanih kvarova tj do tolikog oštećenja da to laici nemogu rešiti. Opisaću postupak provere samog EDUa (A107) jer majstori nikad nisu sigurni o ispravnosti dela. A prosta zamena je skupa oko stotinak i više €.
Za proveru od materijala je potrebno sledeće
1. Izvor 12V bar 5A. Masa na pin 12 ili 7 ili kućišta. +12v pin 7 ili 4
2. Rele 12-24V . Idealno je nabaviti originalni ventil za gorivo jer samo sa njim su realni uslovi Y132 između pinova 20 i 14
3. Izvor frekvencije od 0 do 1khz. Na pin 22. Idealan PWM oscilator
4. Šema i dobra volja :)
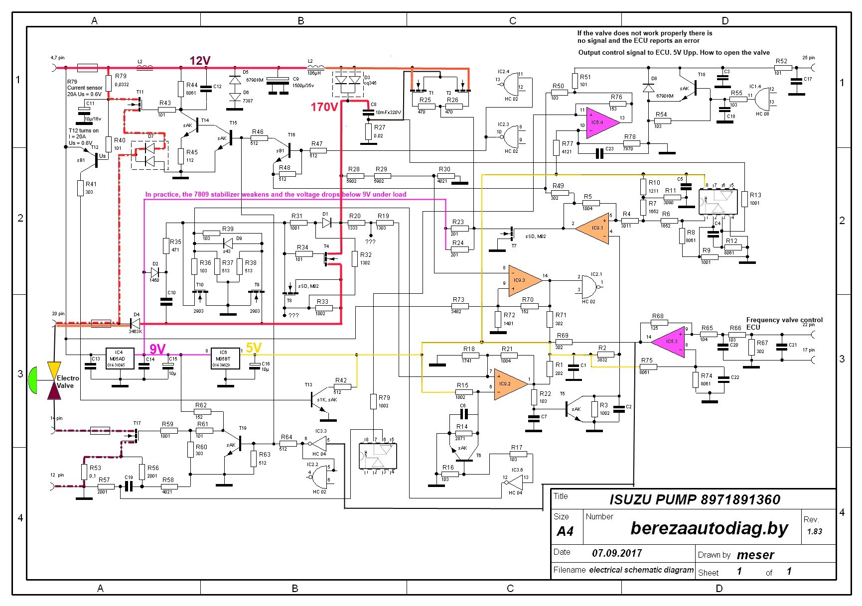
Posle povezivanja i startovanja uređaj mora da povuče max 5A i da može stabilno da radi. Bilo koje promene u radu ili gubljenje snage ventila uređaj delimično radi i na autu će praviti problema. Edu je u stvari samo DRAJVER tj pojačavač napona i snage za rad ventila a upravlja ga sam ECU tj motorni računar. većina majstora misli da je EDU računar ali to je " samo " snagaš koji je dodat ECU motornom računaru. Pri ispitivanju PWM glumi ECU motorni računar. Pin 25 je povratna informacija ECU računaru da li je drajver EDU u ispravnom režimu......
To je otprilike sve o tome na snimku se može videti kako se na stolu ispituje EDU.
https://www.youtube.com/watch?v=fOayI74P02w&t=27s
EDU Isuzu 1.7 provera drajvera dizel pumpe
Urednik: Barbarella56
Pravila foruma
Praktikujemo da na kraju opišemo kako smo rešili problem. Zatim zatvorimo temu >UPUTSTVO<
Praktikujemo da na kraju opišemo kako smo rešili problem. Zatim zatvorimo temu >UPUTSTVO<
-
RadovanPetkovic
- _

- Postovi: 58
- Pridružen: 07 Avg 2018, 17:18
- Location: kikinda
- Specialty: automotive
-
boniing
- _

- Postovi: 9
- Pridružen: 16 Jul 2021, 19:27
- Location: Zagreb
- Contact person: Ivan
- Specialty: audio
Re: EDU Isuzu 1.7 provera drajvera dizel pumpe
Popravio sam desetak elektronike za motor 1.7 DTI.
Moje iskustvo je:
- velika većina problema su slabi spojevi na lemnim spojevima, toplina, vibracije...obavezno ponovno zalemiti sve spojeve,
- problem je stabilizator napona, kućište TO-220, preporučujem zamjenu starog s novim 7809,
- spojite neke od priključaka dodatnom žicom,
- Imao sam problem sa el-co 10uF/35V, obavezno ih zamijeni el-co ali novi moraju biti otporni na visoke temperature,
- Loš spoj na otpornicima od 220 Ohma, serijski spoj, SDM, na ploči, obavezno ih ponovno zalemiti.
Moje iskustvo je:
- velika većina problema su slabi spojevi na lemnim spojevima, toplina, vibracije...obavezno ponovno zalemiti sve spojeve,
- problem je stabilizator napona, kućište TO-220, preporučujem zamjenu starog s novim 7809,
- spojite neke od priključaka dodatnom žicom,
- Imao sam problem sa el-co 10uF/35V, obavezno ih zamijeni el-co ali novi moraju biti otporni na visoke temperature,
- Loš spoj na otpornicima od 220 Ohma, serijski spoj, SDM, na ploči, obavezno ih ponovno zalemiti.
-
RadovanPetkovic
- _

- Postovi: 58
- Pridružen: 07 Avg 2018, 17:18
- Location: kikinda
- Specialty: automotive
Re: EDU Isuzu 1.7 provera drajvera dizel pumpe
Vidim da imaš puno iskustva. Jesi li imao ovakvo : Na stolu EDU radi sa originalnim ventilom odlično , uporedo isto radi kao drugi ispravan. Oba stavim na automobil jedan auto radi a drugi neradi?
Šema je delimična nedostaje deo sa logičkim kolima. Ja sam počeo skidati šemu i ostala mi je u rukopisu otprilike koliko i ova. Jedan kolega iz Belorusije je postavio na forum pre mene. Malo sam popravio i razjasnio šemu sa bojma da se lakše shvati šta se radi i dešava u ovoj "čarobnoj" kutijici
Šema je delimična nedostaje deo sa logičkim kolima. Ja sam počeo skidati šemu i ostala mi je u rukopisu otprilike koliko i ova. Jedan kolega iz Belorusije je postavio na forum pre mene. Malo sam popravio i razjasnio šemu sa bojma da se lakše shvati šta se radi i dešava u ovoj "čarobnoj" kutijici
-
boniing
- _

- Postovi: 9
- Pridružen: 16 Jul 2021, 19:27
- Location: Zagreb
- Contact person: Ivan
- Specialty: audio
Re: EDU Isuzu 1.7 provera drajvera dizel pumpe
Od svih koje sam radio do sada, takav slučaj nisam imao.
Ona koja je radila na stolu radila je i u autu.
Ne moraš je niti spajati na ventil, čuješ uhom oscilacije, i napon mjeriš instrumentom.
Ona koja je radila na stolu radila je i u autu.
Ne moraš je niti spajati na ventil, čuješ uhom oscilacije, i napon mjeriš instrumentom.
-
- Slične teme
- Odgovori
- Pregledano
- Zadnji post
-
- 8 Odgovori
- 3058 Pregledano
-
Zadnji post napisao MbyLegend
06 Okt 2013, 21:51
-
- 14 Odgovori
- 8736 Pregledano
-
Zadnji post napisao tom
07 svi 2009, 02:57
-
-
Provera NEC relea iz OPcoma CarProga Delphi ....
napisao RadovanPetkovic » 17 Mar 2019, 12:07 » u Autoelektronika - 15 Odgovori
- 5689 Pregledano
-
Zadnji post napisao RadovanPetkovic
25 Jul 2019, 20:34
-
-
-
Provera Instrument table bez automobila
napisao RadovanPetkovic » 29 Feb 2020, 13:05 » u Autoelektronika - 0 Odgovori
- 2505 Pregledano
-
Zadnji post napisao RadovanPetkovic
29 Feb 2020, 13:05
-
-
-
Provera Step Motora instrument table
napisao RadovanPetkovic » 30 Mar 2020, 15:57 » u Autoelektronika - 2 Odgovori
- 2454 Pregledano
-
Zadnji post napisao RadovanPetkovic
30 Mar 2020, 16:58
-
-
-
Provera i popravka Motora elektro servo volana Punto i Corsa
napisao RadovanPetkovic » 28 Jun 2020, 12:16 » u Autoelektronika - 3 Odgovori
- 4034 Pregledano
-
Zadnji post napisao Stolle
01 Jul 2020, 18:11
-
