Pozdrav ,
neznam da li je ivde mesto za ovu temu, ali da vidimo.
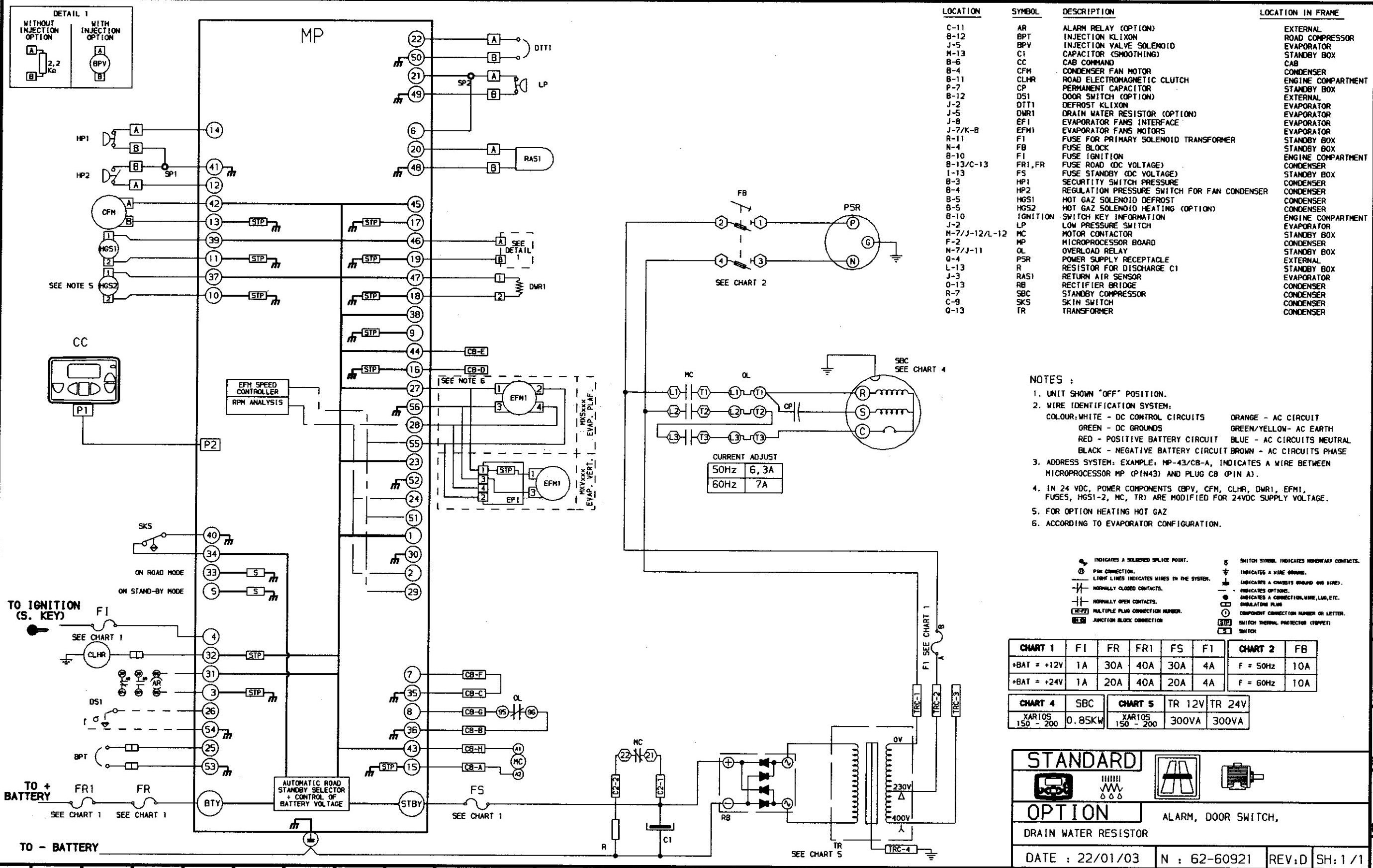
rashladni sistem je u kamionu hladnjači i nosi oznaku
Carrier Xarios 600 MT i cabinski termostat Carrier transicold
Kabinski termostat se povezuje utp kablom sa logičkom pločom.
Da li neko ima mozda shemu rasporeda zica za povezivanje izmedju ova dva dela
da bi video nacin komunikacije izmedju logičke ploče i termostata
Termostat ne daje nikakve znakove, a na njemu sam indentifikovao napon od 4,95 v na dolazu.
u prilogu cu postaviti šemu koju sam ja našao.
Pronašao sam šemu povezivanja kabinskog kontrolera i logičke ploče, i uočio da je kod jedne smd diode na logičkoj ploči
progoro štampani vod. nemogu da nadjem datasheet od diode , pa ako mi neko može pomoći .
Pronašao sam, pa ako nekome zatreba
.
Carrier Xarios 600 mt - nepali omandu u kabini
Urednik: Barbarella56
Pravila foruma
Praktikujemo da na kraju opišemo kako smo rešili problem. Zatim zatvorimo temu >UPUTSTVO<
Praktikujemo da na kraju opišemo kako smo rešili problem. Zatim zatvorimo temu >UPUTSTVO<
-
MioDrag nikolic
- _

- Postovi: 22
- Pridružen: 24 Okt 2018, 21:54
- Location: Srbija,beograd
- Contact person: Miodrag
- Specialty: audio
-
MioDrag nikolic
- _

- Postovi: 22
- Pridružen: 24 Okt 2018, 21:54
- Location: Srbija,beograd
- Contact person: Miodrag
- Specialty: audio
Re: Carrier Xarios 600 mt - nepali omandu u kabini
Došlo je do prekida u jednok zakovici izmedju dve strane ploče. dugo mi je trebalo da otkrijem gde, ali upornost se isplati.
-
- Slične teme
- Odgovori
- Pregledano
- Zadnji post
-
-
PEZO 605 Ne radi ventilator u kabini(RESENO-kao)
napisao vlatkocopa » 15 Dec 2008, 21:26 » u Autoelektronika - 7 Odgovori
- 2097 Pregledano
-
Zadnji post napisao vlatkocopa
16 Dec 2008, 14:07
-
