Slika je musava,izvinjavam se, nisam mogao bolje jer imam wide monitor.
Hvala svima unapred ,dok se ne oduzim !

Urednik: Barbarella56
Iz ovog se vidi da trazis samo za procesor i??zlix je napisao:Ok, tako mi i treba kad ne stignem da procitam sve !![]()
![]()
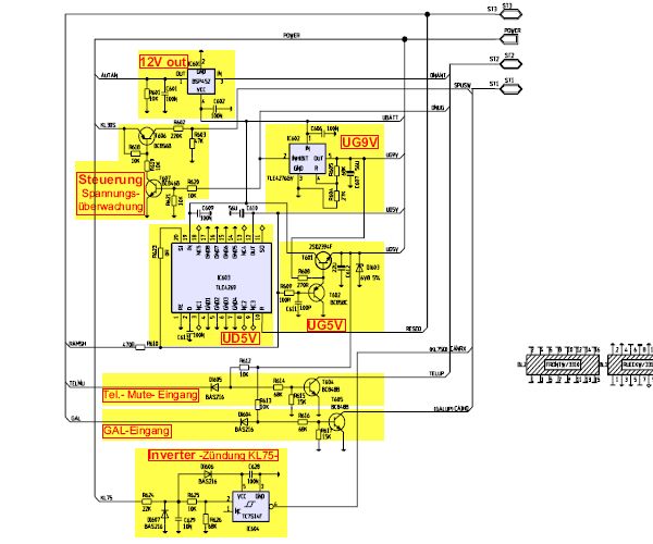
Vidim da je SM samo za experte, pa molim bilo koga ,da okaci bar shemu ,ako ne istu onda bar slicnu sto se tice napajanja procesora 5v,9v,+12v out ,ne mogu nista da pohvatam, gde sta ide ???![]()
![]()
![]()