CQ-DFX601N Panasonic,potreban pinout

problemi , kvarovi , autoradio aparati i auto ozvučenja

Urednik: Barbarella56

Pravila foruma
Na ovom delu foruma ZABRANJENO JE:
-Postavljanje kalkulatora iz serijskog broja,
-Izracunavanje kodova iz serijskog broja,
-Objavljivanje dampova bez koda.
Sva ostala pitanja iz oblasti servisiranja ARK-a,CD-a su dozvoljena.

Praktikujemo da na kraju opišemo kako smo rešili problem. Zatim zatvorimo temu >UPUTSTVO<
lakilucano
_
_
Postovi: 6
Pridružen: 29 Avg 2007, 15:19

CQ-DFX601N Panasonic,potreban pinout

Post napisao lakilucano » 14 Sep 2007, 16:06

Petrbna mi je sema povezivanja 8-pinskog prikljucka na ark-u Panasonic CQDFX601N. Unapred se zahvaljujem na pomoci.

Avatar
Stolle
Preminuo
Postovi: 19099
Pridružen: 12 Avg 2006, 23:35
Location: Srbija
Specialty: tv-multimedia
Lokacija: Dimitrovgrad

Post napisao Stolle » 14 Sep 2007, 16:26

Napiši u naslovu koju šemu tražiš! :ruls:

lakilucano
_
_
Postovi: 6
Pridružen: 29 Avg 2007, 15:19

Re: POTREBNA SEMA ZA ARK PANASONIC CQDFX601N

Post napisao lakilucano » 14 Sep 2007, 20:35

lakilucano je napisao:Petrbna mi je sema povezivanja 8-pinskog prikljucka na ark-u Panasonic CQDFX601N. Unapred se zahvaljujem na pomoci.

Avatar
Stolle
Preminuo
Postovi: 19099
Pridružen: 12 Avg 2006, 23:35
Location: Srbija
Specialty: tv-multimedia
Lokacija: Dimitrovgrad

Post napisao Stolle » 14 Sep 2007, 20:48

A šta piše u naslovu?
Idi na svoj prvi post,zatim izmeni i dopiši u naslovu!
Da li misliš na ovo?
Prilog
Capture Selection-20070914-163614-1.jpg
Capture Selection-20070914-163614-1.jpg (16.46 KiB) Pregledano 1161 put.

lakilucano
_
_
Postovi: 6
Pridružen: 29 Avg 2007, 15:19

Post napisao lakilucano » 15 Sep 2007, 08:50

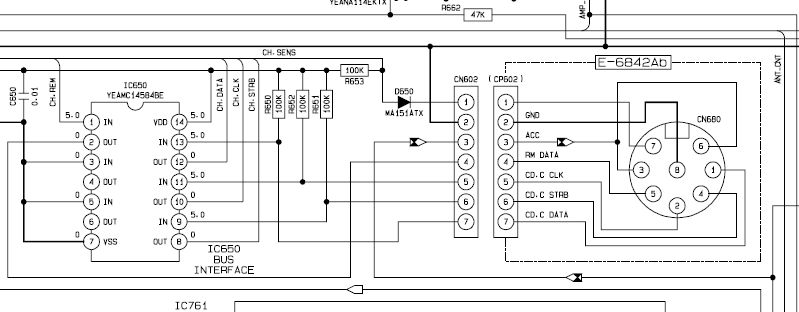
Stolle nije ovaj pored njega ima jedan okrugli 8-pinski ako mozda imas za njega. Hvala ti.Pozz

Avatar
Stolle
Preminuo
Postovi: 19099
Pridružen: 12 Avg 2006, 23:35
Location: Srbija
Specialty: tv-multimedia
Lokacija: Dimitrovgrad

Post napisao Stolle » 15 Sep 2007, 11:00

Evo ga:
Prilog
Capture Selection-20070915-105734-3.jpg
Capture Selection-20070915-105734-3.jpg (53.07 KiB) Pregledano 1125 puta.

lakilucano
_
_
Postovi: 6
Pridružen: 29 Avg 2007, 15:19

Post napisao lakilucano » 15 Sep 2007, 11:31

HVALA STOLLE i jos jedno maloooo pitanjce; da li mogu preko njega da prikljucim vanjski displej i koma :? nde na volanu??

Avatar
krllebg
___
___
Postovi: 1719
Pridružen: 27 Avg 2006, 19:45
Location: Beograd
Warranty service: DeGermany
Specialty: tv
Lokacija: Beograd
Kontakt:

Post napisao krllebg » 15 Sep 2007, 14:03

necackaj mecku ... ako mu sjebes kompjuter najeb'o si !!!
... Here lies a man whom is little known !!!

Avatar
SaleSk
___
___
Postovi: 656
Pridružen: 04 Nov 2006, 21:08
Location: Skopje
Warranty service: Siemens, Konica Minolta, Kodak, B Braun, Dade Behring, Johnson & Johnson, Drew, TerumoBCT
Kontakt:

Post napisao SaleSk » 15 Sep 2007, 15:25

krllebg je napisao:necackaj mecku ... ako mu sjebes kompjuter najeb'o si !!!


Mislim da ti je Krle rekao najpametniju stvar do sada!!!!
Ako hoces na svoju volju onda imas rizik jak :D
Dusevni bolesnik nikada ne napada bez razloga. U tome se razlikuje od normalnih ljudi.

lakilucano
_
_
Postovi: 6
Pridružen: 29 Avg 2007, 15:19

Post napisao lakilucano » 15 Sep 2007, 15:46

MA NECU DA DIRAM ALI ZNA LI SE ZASTA SLUZI OVAJ 8-PINSKI PINOUT
JER U RADNJI NISU ZNALI, NISU SIGURNI" MOZDA JE ZA POJACALO ILI NESTO DRUGO ,A MOZDA JE I ZA VANJSKI DISPLEJ"
Zadnja izmena: lakilucano, dana 15 Sep 2007, 17:39, ukupno menjano 1 put.

Avatar
fanzo
Site Admin
Site Admin
Postovi: 16010
Pridružen: 02 Avg 2006, 06:41
Location: Bački Petrovac, Srbija
Phone number: 0038121781575
Specialty: tv-multimedia
Lokacija: Bački Petrovac

Post napisao fanzo » 15 Sep 2007, 15:54

šanžer
Svakodnevno usavršavanje je bolje od zakasnelog savršenstva

lakilucano
_
_
Postovi: 6
Pridružen: 29 Avg 2007, 15:19

Post napisao lakilucano » 16 Sep 2007, 21:05

HVALA :kolege:

Odgovori
  • Slične teme
    Odgovori
    Pregledano
    Zadnji post

Natrag na “AUTO RADIO - CD - DVD- NAVIGACIJE i slično”