Acer Extensa 5635 laptop ne radi nikako,samo blinka lampica na punjacu 

Sve varijante prenosnih računara.
Pravila foruma
Praktikujemo da na kraju opišemo kako smo rešili problem. Zatim zatvorimo temu >UPUTSTVO<
Korisnik_
___
___
Postovi: 220
Pridružen: 25 Apr 2021, 04:22
Location: BiH
Specialty: tv-multimedia

Acer Extensa 5635 laptop ne radi nikako,samo blinka lampica na punjacu

Post napisao Korisnik_ » 17 Sep 2025, 04:37

PRENOSNI RAČUNAR
VRSTA PRENOSNOG RAČUNARA: laptop
FIRMA: Acer
MODEL: Extensa 5635
MODEL DODATNO:
OS PLATFORMA: Win7
PROCESOR: Intel core duo procesor T6570
PUNJAČ: PA-1650-02 Lite On
NAPON PUNJAČA: 19V/3,42A)
*********************************************

SIMPTOMI:
Blinka lampica na punjacu,al punjac radi na drugom laptopu,ne blinka i puni praznu bateriju

DETALJAN OPIS KVARA:

Ne radi laptop nikako,samo blinka lampica na punjacu,izgleda punjac ima neku zastitu,inace radi na drugok laptopu,al na ovome nece da ukljuci,vjerovatno je neki spoj u laptopu,poslje 19V.
PREDUZETE RADNJE:
Probo sam plocubez RAMa,HDDa na stolu samo panel ukljucen i isto,nema napona na ploci,gdje dolazi kabal sa djeka,gdje spojen punjac.

Jel nesto ascare da ne gubim vrijeme :mrgreen: :lala: ,tesko mi je upratit na ploci do kojeg djela prvo dolazi,postoje oni kratkospojnici ispod povrsine ploce,najblize je kolo pise FAK ili 1AK,najvjerovatnije prvo kolo U1 ima 2x3 nozice,jel to ima porucit koja bi bila oznaka od ove skracenice ili da trazim drugu plocu ili procesor? Pozz :pivopije:

Slika u prilogu zumiraj da bi vidio oznaceno
Prilog
laptop acer.jpg
laptop acer.jpg
Zadnja izmena: Korisnik_, dana 17 Sep 2025, 18:59, ukupno menjano 2 puta.
JEDINO AFRICKA SLJIVA NE PADA

Avatar
alexa_pg
Site Admin
Site Admin
Postovi: 6119
Pridružen: 22 Avg 2006, 08:10
Location: Podgorica
Specialty: tv-multimedia

Re: Acer Extensa 5635

Post napisao alexa_pg » 17 Sep 2025, 07:44

U naslov teme napiši kratak opis kvara. Iz tvog posta nije mi jasno šta se popravlja. Punjač ili laptop.
"I ja volim ljude ali ih sve manje podnosim"

Avatar
KASA1
Site Admin
Site Admin
Postovi: 3856
Pridružen: 14 Feb 2011, 10:28
Location: Zagreb
Specialty: tv-multimedia

Re: Acer Extensa 5635

Post napisao KASA1 » 17 Sep 2025, 08:44

Korisnik_ je napisao:
17 Sep 2025, 04:37
,...tesko mi je upratit na ploci do kojeg djela prvo dolazi,postoje oni kratkospojnici ispod povrsine ploce,najblize je kolo pise FAK ili 1AK,..
A kako misliš riješit problem?... instrument u ruke i poprati dokle imaš napon sa ispravljača.
"Čovječe, pazi da ne ideš malen ispod zvijezda!"

Avatar
alexa_pg
Site Admin
Site Admin
Postovi: 6119
Pridružen: 22 Avg 2006, 08:10
Location: Podgorica
Specialty: tv-multimedia

Re: Acer Extensa 5635

Post napisao alexa_pg » 17 Sep 2025, 10:48

Korisnik_ je napisao:
17 Sep 2025, 04:37
...najvjerovatnije prvo kolo U1 ima 2x3 nozice...
Po šemi koja može da se nađe na ET, kolo U1 je prekidač Off/On za panel.
Skini šemu pa prati.
"I ja volim ljude ali ih sve manje podnosim"

Korisnik_
___
___
Postovi: 220
Pridružen: 25 Apr 2021, 04:22
Location: BiH
Specialty: tv-multimedia

Re: Acer Extensa 5635

Post napisao Korisnik_ » 17 Sep 2025, 15:42

KASA1 je napisao:
17 Sep 2025, 08:44
Korisnik_ je napisao:
17 Sep 2025, 04:37
,...tesko mi je upratit na ploci do kojeg djela prvo dolazi,postoje oni kratkospojnici ispod povrsine ploce,najblize je kolo pise FAK ili 1AK,..
A kako misliš riješit problem?... instrument u ruke i poprati dokle imaš napon sa ispravljača.
Nece punjac da pusta napon,samo blinka vidi da u laptopu nesto ne valja,sa drugim laptopom radi.Ima neki kondenzator smd na ploci pokazuje malen otpor,moracu ga odlemit da vidim jel u spoju. :pivopije:
alexa_pg je napisao:
17 Sep 2025, 10:48
Korisnik_ je napisao:
17 Sep 2025, 04:37
...najvjerovatnije prvo kolo U1 ima 2x3 nozice...
Po šemi koja može da se nađe na ET, kolo U1 je prekidač Off/On za panel.
Skini šemu pa prati.
Mislis da moze i do njega biti?Gdje najbolja shema za skinuti?Hvala ti
Zadnja izmena: KASA1, dana 25 Sep 2025, 09:05, ukupno menjano 1 put.
Razlog: Spojeni postovi
JEDINO AFRICKA SLJIVA NE PADA

Avatar
alexa_pg
Site Admin
Site Admin
Postovi: 6119
Pridružen: 22 Avg 2006, 08:10
Location: Podgorica
Specialty: tv-multimedia

Re: Acer Extensa 5635

Post napisao alexa_pg » 17 Sep 2025, 16:41

alexa_pg je napisao:
17 Sep 2025, 07:44
U naslov teme napiši kratak opis kvara...
Kad uradiš navedeno, idemo dalje.
"I ja volim ljude ali ih sve manje podnosim"

Korisnik_
___
___
Postovi: 220
Pridružen: 25 Apr 2021, 04:22
Location: BiH
Specialty: tv-multimedia

Re: Acer Extensa 5635 laptop ne radi nikako,samo blinka lampica na punjacu

Post napisao Korisnik_ » 17 Sep 2025, 19:02

Sad jesam mislim pogledaj.Pozz, hvala

C11 i C1 sd kondenzatori imaju malen otpor,mozda nesto spojeno na njih malog otpora?
JEDINO AFRICKA SLJIVA NE PADA

Avatar
alexa_pg
Site Admin
Site Admin
Postovi: 6119
Pridružen: 22 Avg 2006, 08:10
Location: Podgorica
Specialty: tv-multimedia

Re: Acer Extensa 5635

Post napisao alexa_pg » 17 Sep 2025, 20:26

Korisnik_ je napisao:
17 Sep 2025, 16:17
...Gdje najbolja shema za skinuti?.
Da ja ne bih tražio gdje je najbolja šema, predlažem da to uradiš ti. U gugl napišeš oznaku aparata i u produćetku stavi šema i on će ti izbaciti brdo linkova. Onda ti biraj gdje je šema najbolja. Ja sam ti naveo da ima na ET. Ako se tebi ta ne sviđa, traži bolju.

Jesi li probao da skineš bateriju i da isprobaš laptop bez baterije, samo na punjač.
"I ja volim ljude ali ih sve manje podnosim"

Korisnik_
___
___
Postovi: 220
Pridružen: 25 Apr 2021, 04:22
Location: BiH
Specialty: tv-multimedia

Re: Acer Extensa 5635 laptop ne radi nikako,samo blinka lampica na punjacu

Post napisao Korisnik_ » 18 Sep 2025, 01:17

Jesam sad je ploca gola i bez RAMa probo sam i sa displeja odspojit kabel .Vidjecu imam li procesor na nekoj ploci odgovarajuci takodje. :pivopije:

Seme imaju samo ovdje

Kod: Označi sve

 https://www.s-manuals.com/notebook/acer_extensa_5635  
al ne vidim nigdje gdje ulazi 19V jel ima neka detaljnija shema da si vidio na ET je servisno upustvo kako se rastavlja al nema shema
JEDINO AFRICKA SLJIVA NE PADA

Avatar
alexa_pg
Site Admin
Site Admin
Postovi: 6119
Pridružen: 22 Avg 2006, 08:10
Location: Podgorica
Specialty: tv-multimedia

Re: Acer Extensa 5635 laptop ne radi nikako,samo blinka lampica na punjacu

Post napisao alexa_pg » 18 Sep 2025, 08:00

Korisnik_ je napisao:
18 Sep 2025, 01:17
...Seme imaju samo ovdje...
Kakav ti je to gugl koji običnu šemu ne može naći. Ili je tebi lakše da ti to pronađu drugi.
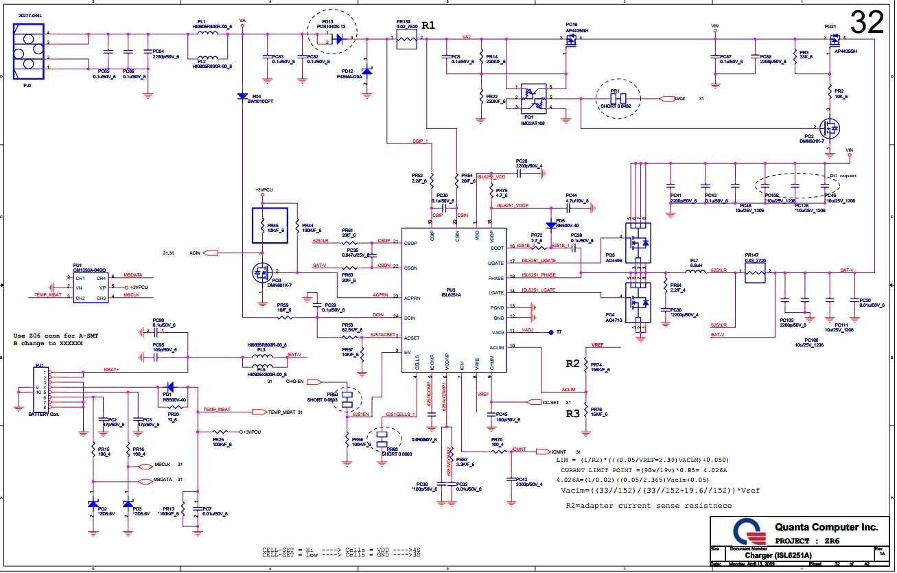
Ovo je link na ET sa šemom.

Kod: Označi sve

https://elektrotanya.com/acer_extensa_5235_5635_5635z_quanta_zr6_rev_1a_sch.pdf/download.html
Na 33. stranici je ono što tražiš. U slučaju da ti ni link ne može pomoči da nađeš šemu, evo ti 33. stranica pa probaj tako, bez traženja šeme.

Schematic.jpg
"I ja volim ljude ali ih sve manje podnosim"

Avatar
KASA1
Site Admin
Site Admin
Postovi: 3856
Pridružen: 14 Feb 2011, 10:28
Location: Zagreb
Specialty: tv-multimedia

Re: Acer Extensa 5635 laptop ne radi nikako,samo blinka lampica na punjacu

Post napisao KASA1 » 18 Sep 2025, 10:11

Sve već viđeno,... i ova će tema završit poput ostalih. Ništa se promijenilo nije, nismo se godinama s mjesta pomakli koliko god radili s tobom. I dalje puniš teme nepotrebnim upitima, trošimo vrijeme na osnovne stvari,... učimo kako koristiti instrument, tražiti šemu na internetu, kako čitati šemu, šta znači koja oznaka, može li ovo, može li ono,... ko u dječjem vrtiću.
"Čovječe, pazi da ne ideš malen ispod zvijezda!"

Korisnik_
___
___
Postovi: 220
Pridružen: 25 Apr 2021, 04:22
Location: BiH
Specialty: tv-multimedia

Re: Acer Extensa 5635 laptop ne radi nikako,samo blinka lampica na punjacu

Post napisao Korisnik_ » 20 Sep 2025, 15:54

C11 i C1 smd su, mi pokazuje instrument otpr blizu 0 Oma na shemi ih nasao samo mali dio slika u prilogu,odlemicu pa vidjet jel do njih spoj,posto na semi naci sta je js spojeno na njih...
Prilog
33.jpg
JEDINO AFRICKA SLJIVA NE PADA

Avatar
alexa_pg
Site Admin
Site Admin
Postovi: 6119
Pridružen: 22 Avg 2006, 08:10
Location: Podgorica
Specialty: tv-multimedia

Re: Acer Extensa 5635 laptop ne radi nikako,samo blinka lampica na punjacu

Post napisao alexa_pg » 20 Sep 2025, 20:53

Na forumu niko nema vremena da ti objašnjava kako se traži kratak spoj na nekoj ploči. Postoji više načina. Nekako najpopularniji je dovođenjem eksternog napona sa kontrolisanom strujom na ploču i praćenjem šta se grije.
Može i multimetrom na opsegu kontinuiteta.
Kako se sve to radi moraš potražiti sam. Na YT imaš ogroman broj linkova na ovu temu pa navali.
"I ja volim ljude ali ih sve manje podnosim"

Korisnik_
___
___
Postovi: 220
Pridružen: 25 Apr 2021, 04:22
Location: BiH
Specialty: tv-multimedia

Re: Acer Extensa 5635 laptop ne radi nikako,samo blinka lampica na punjacu

Post napisao Korisnik_ » 21 Sep 2025, 05:32

Godinama sam davno popravljo i bez sema,kad bi neko trazio da nesto popravim,dok nisam nabavio polovan prvi kompjuter jer su bili novi skupi,nekad sam moro ici pitat kolege u servisima za vrijednosti, ako se nisu mogle procitat, :-) ,nije ni Fanzo postojo prije 2006 te i bilo je nezgodno sve sam.Odlemio sam c11 i pokazuje omsku otpornost 11,5 Oma,drugi isti ima beskonacan otpor,na prilozenoj semi se vidi da je to 10 mikroF 25V,ovo je smd kondenzator koji vjerovatno nije polarisan,koji da stavim elektrolit ili blok,cini mi se na simbolu iz seme da ipak ide polarisan jer je donja elektroda malo deblja ili grijesim?Na ploci pak je ispod tjela simbol kockica koja je po sredini podljeljena na dvije komore i ta crta pregrada izlazi iz kockice i spaja se sa pravouganim okvirom na koji nalijeze smd tijelo kondenzatora,da budem precizniji,ako ce sta pomoci. :pivopije: Hvala
JEDINO AFRICKA SLJIVA NE PADA

Avatar
KASA1
Site Admin
Site Admin
Postovi: 3856
Pridružen: 14 Feb 2011, 10:28
Location: Zagreb
Specialty: tv-multimedia

Re: Acer Extensa 5635 laptop ne radi nikako,samo blinka lampica na punjacu

Post napisao KASA1 » 21 Sep 2025, 10:36

Za probu može i bez njega... poslije stavi elko po šemi (pazi na polarizaciju).
"Čovječe, pazi da ne ideš malen ispod zvijezda!"

Korisnik_
___
___
Postovi: 220
Pridružen: 25 Apr 2021, 04:22
Location: BiH
Specialty: tv-multimedia

Re: Acer Extensa 5635 laptop ne radi nikako,samo blinka lampica na punjacu

Post napisao Korisnik_ » 21 Sep 2025, 21:59

Hvala ti znaci ovaj sa slike je sigurno elko polarisan,sto jedna elrktroda deblja a druga tankai?Prilazem sljedece slike kakva je razlika u kondenzatorima po simbolima dvije tanke kratke elektrode,dvije kratke elektrode jedna tanja donja deblja,dvije duge obe tanke elektrode u istoj semi?Samo me cudi slikacu na ploci jeizgledom obicni SMD kondenzator keramicki i nista ne pise :lala: 01ziveli
Prilog
1.jpg
3.jpg
3.jpg (15.71 KiB) Pregledano 1191 put.
4.jpg
Ovde dva sa razlicitum oznakama definitivno ima razlike?
4.jpg (17.81 KiB) Pregledano 1190 puta.
JEDINO AFRICKA SLJIVA NE PADA

Avatar
alexa_pg
Site Admin
Site Admin
Postovi: 6119
Pridružen: 22 Avg 2006, 08:10
Location: Podgorica
Specialty: tv-multimedia

Re: Acer Extensa 5635 laptop ne radi nikako,samo blinka lampica na punjacu

Post napisao alexa_pg » 22 Sep 2025, 10:17

Koje je sledeće pitanje? Da odgovorimo odmah na sva.
Pretpostavljam, kakav je to elektrolitski kondenzator 15pF (C400 i C407)
Ili, zašto je u oznakama za mikro farad neko slovo "u" napisano malo a neko veliko?
Ili...
Pređi na popravku uređaja i batali se gluposti
"I ja volim ljude ali ih sve manje podnosim"

Korisnik_
___
___
Postovi: 220
Pridružen: 25 Apr 2021, 04:22
Location: BiH
Specialty: tv-multimedia

Re: Acer Extensa 5635 laptop ne radi nikako,samo blinka lampica na punjacu  *REŠENO*

Post napisao Korisnik_ » 24 Sep 2025, 17:04

Samo me zanimalo razlika ovih kondenzatora po ovim grafickim simbolima mozda SMD ima dodatne oznake,znam ja sta je i elektroli,sta blok kondenzator,nema o tome nista na internetu,o simbolima kao u ovoj semi,stavicu elektrolitski polarisan pa javim.Pozz

Bez kondenzatora ne blinka lampica na punjacu,ima tu +18v zalemicu neki elektrolit,pa javim...

Stavio sam neki elektrolit mozda je i BP umjesto minus pise ND,sad radi laptop upalio sam ga.Samo da vam kazem pomoc na forumu nije kao kad je bio i pokojni Stole,znao je odma reci sta mjenjati :lala: u ovoj temi ste pobacili sa pomaganjem :-) 01ziveli
JEDINO AFRICKA SLJIVA NE PADA

Avatar
KASA1
Site Admin
Site Admin
Postovi: 3856
Pridružen: 14 Feb 2011, 10:28
Location: Zagreb
Specialty: tv-multimedia

Re: Acer Extensa 5635 laptop ne radi nikako,samo blinka lampica na punjacu

Post napisao KASA1 » 24 Sep 2025, 21:17

Korisnik_ je napisao:
24 Sep 2025, 17:04
... Samo da vam kazem pomoc na forumu nije kao kad je bio i pokojni Stole,znao je odma reci sta mjenjati :lala: u ovoj temi ste pobacili sa pomaganjem :-) 01ziveli
A je li... vidi, ja ti predlažem da nađeš neki drugi, bolji forum sa kvalitetnijim majstorima... ovaj si prevazišao. Tvoji su upiti preteški za nas.
"Čovječe, pazi da ne ideš malen ispod zvijezda!"

Avatar
alexa_pg
Site Admin
Site Admin
Postovi: 6119
Pridružen: 22 Avg 2006, 08:10
Location: Podgorica
Specialty: tv-multimedia

Re: Acer Extensa 5635 laptop ne radi nikako,samo blinka lampica na punjacu

Post napisao alexa_pg » 24 Sep 2025, 22:47

Korisnik_ je napisao:
24 Sep 2025, 17:04
..Samo da vam kazem pomoc na forumu nije kao kad je bio i pokojni Stole,znao je odma reci sta mjenjati... u ovoj temi ste pobacili sa pomaganjem...
Žao mi je što ti nismo pomogli i što smo te na neki način razočarali. Izvini zbog toga.
Toplo ti preporučujem da nađeš neki bolji forum, da se ne bakćeš sa ovim neznalicama.

Kako je aparat završen - proradio, da se diskusija ne bi otegla u nepotrebnom pravcu, tema se zaključava.

PS.Ubuduće ustani kad pominješ Stoletovo ime.
"I ja volim ljude ali ih sve manje podnosim"

Zaključano
  • Slične teme
    Odgovori
    Pregledano
    Zadnji post

Natrag na “Prenosni računari”