Napajanje Supermicro
Pravila foruma
Praktikujemo da na kraju opišemo kako smo rešili problem. Zatim zatvorimo temu >UPUTSTVO<
Praktikujemo da na kraju opišemo kako smo rešili problem. Zatim zatvorimo temu >UPUTSTVO<
Napajanje Supermicro
Imam neko napajanje od racunara marke Supermicro model PWS-465-PQ, kazu da je dobra marka
Al izgleda da mu je nesto poslo na izlaz 3.3V, bez opterecenja daje 3V a kad se optereti ide na nulu
5 i 12 izlazi su u redu i pod jacim opterecenjem
ventilator za hladjenje ne vrti
proverio sam sve jake mosfet-ove, shotki diode i igbt-ove i sve je u redu bar mjerenjem sa dig. multimetrom
sema bi dosta pomogla ili bilo kakava pomoc u vezi servisiranja racunarskih napajanja jer nemam puno iskustva sa njima
Unaprijed zahvalan!
Al izgleda da mu je nesto poslo na izlaz 3.3V, bez opterecenja daje 3V a kad se optereti ide na nulu
5 i 12 izlazi su u redu i pod jacim opterecenjem
ventilator za hladjenje ne vrti
proverio sam sve jake mosfet-ove, shotki diode i igbt-ove i sve je u redu bar mjerenjem sa dig. multimetrom
sema bi dosta pomogla ili bilo kakava pomoc u vezi servisiranja racunarskih napajanja jer nemam puno iskustva sa njima
Unaprijed zahvalan!
- nec
- Site Admin

- Postovi: 4870
- Pridružen: 17 Okt 2007, 22:15
- Location: Makedonija, Strumica
- Phone number: 0038978425778
- Specialty: tv-multimedia
- Kontakt:
Re: Napajanje Supermicro
Zameni elko-se na toj linii (napon 3,3V)
Kad zamenimo ideje svi imamo duplo vise ideja
Re: Napajanje Supermicro
za pravo cudo uopste nema puno elkosa, kolko sam mogao uociti na 3.3 ide samo jedan od 2200uF/10V, njega sam zamijenio odmah ali nista
inace nisu naduseni
inace nisu naduseni
- alexa_pg
- Site Admin

- Postovi: 6119
- Pridružen: 22 Avg 2006, 08:10
- Location: Podgorica
- Specialty: tv-multimedia
Re: Napajanje Supermicro
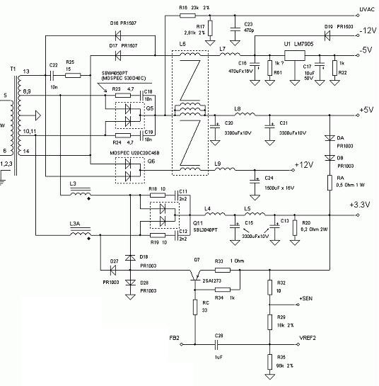
Nemam semu od pomenutog napajanja ali "princip je isti sve su ostalo nijanse"
Na semi u prilogu mozes vidjeti sta moze biti u kvaru. Ako postoje +5 i +12 provjeri prigusnice i diode u +3.3V. Moguce kako se radi o dvostranom ispravljacu da je jedna grana u prekidu.
Na semi u prilogu mozes vidjeti sta moze biti u kvaru. Ako postoje +5 i +12 provjeri prigusnice i diode u +3.3V. Moguce kako se radi o dvostranom ispravljacu da je jedna grana u prekidu.
"I ja volim ljude ali ih sve manje podnosim"
- chellawy
- gx

- Postovi: 3186
- Pridružen: 12 Avg 2006, 22:25
- Location: Bačka Palanka
- Contact person: SIX
- Specialty: tv
Re: Napajanje Supermicro
probaj da bez merenja zamenis diodu na liniji ispravljanja 3.3V
a zatim i da prespojis barem za probu zavojnicu (prigusnicu ) koja je na toj liniji posle diode
a zatim i da prespojis barem za probu zavojnicu (prigusnicu ) koja je na toj liniji posle diode
Kompletna ponuda rezervnih delova koja će biti veoma ažurirana u narednih dve ,dve i po godine :)
https://www.kupindo.com/Clan/chellawy/SpisakPredmeta
https://www.kupindo.com/Clan/chellawy/SpisakPredmeta
Re: Napajanje Supermicro
E ljudi necete vjerovati, izgleda da je problem u prigusnici
prespojio sam jednu vecu, i napon je skocio na 3.3V tacno, i kad sam opteretio pao je, ali nije kao prije na 0
zavojnica toroidna,oko 18 navojaka debele zice
u prekidu nije, e sad sto je u pitanju sa njom ne znam, nesto se kod nje promijenilo i zbog toga ne radi regulacija da valja
stavljao sam druge zavojnice slicne po velicini, ne bas iste, medjutim sa njima uopste izlaz i ne radi
dakle treba zavojnica sa istim karakteristikama
zavojnica je tipa kao sa sledeceg linka
http://ww2.pulseeng.com/products/datasheets/P589.pdf
prespojio sam jednu vecu, i napon je skocio na 3.3V tacno, i kad sam opteretio pao je, ali nije kao prije na 0
zavojnica toroidna,oko 18 navojaka debele zice
u prekidu nije, e sad sto je u pitanju sa njom ne znam, nesto se kod nje promijenilo i zbog toga ne radi regulacija da valja
stavljao sam druge zavojnice slicne po velicini, ne bas iste, medjutim sa njima uopste izlaz i ne radi
dakle treba zavojnica sa istim karakteristikama
zavojnica je tipa kao sa sledeceg linka
http://ww2.pulseeng.com/products/datasheets/P589.pdf
- alexa_pg
- Site Admin

- Postovi: 6119
- Pridružen: 22 Avg 2006, 08:10
- Location: Podgorica
- Specialty: tv-multimedia
Re: Napajanje Supermicro
Sigurno bolje znas ti koji si pored uredjaja nego ja koji citam tvoje postove. Mislim da greska nije do prigusnice. Reci nam kako se ponasaju ova druga dva napona (+5V i +12V) kad ih opteretis. Da li su oni stabilni. Da li mrezni stepen popravljas pod opterecenjem. Nije dobro (ne radi pravilno) da radi na prazno. Granu +5 moras vestacki opteretiti.
"I ja volim ljude ali ih sve manje podnosim"
- chellawy
- gx

- Postovi: 3186
- Pridružen: 12 Avg 2006, 22:25
- Location: Bačka Palanka
- Contact person: SIX
- Specialty: tv
Re: Napajanje Supermicro
ne nije problem do prigusnice !!
To sam ti rekao da vidis da li ce da bude promena .... kako bi mogao da vidis da li je tu negde problem !
da li si menjao tu diodu koja ispravlja 3,3V ??? inace ta prigusnica ogranicava struju u kolu a tebi nesto vuce vise ili ne moze mreza da daa dovoljno.
za probu sa strane ako vec ne moze da stane u kutiju , nakaci drugo (ispravno i provereno) napajanje i vidi da li ce da ti rusi napon ?
Ako rusi onda je problem na ploci ! a ako je ok onda tek nastavi "muchenje' sa tim napajanjem
To sam ti rekao da vidis da li ce da bude promena .... kako bi mogao da vidis da li je tu negde problem !
da li si menjao tu diodu koja ispravlja 3,3V ??? inace ta prigusnica ogranicava struju u kolu a tebi nesto vuce vise ili ne moze mreza da daa dovoljno.
za probu sa strane ako vec ne moze da stane u kutiju , nakaci drugo (ispravno i provereno) napajanje i vidi da li ce da ti rusi napon ?
Ako rusi onda je problem na ploci ! a ako je ok onda tek nastavi "muchenje' sa tim napajanjem
Kompletna ponuda rezervnih delova koja će biti veoma ažurirana u narednih dve ,dve i po godine :)
https://www.kupindo.com/Clan/chellawy/SpisakPredmeta
https://www.kupindo.com/Clan/chellawy/SpisakPredmeta
Re: Napajanje Supermicro
Pa i mene je cudno da ona sama pravi problem, mislim sto se ona moze pokvariti pobogu
Ovako,
napajanje je zasebno, van racunara, jer racunar nije ni mogao da se upali zbog njega
opterecujem vjestacki sa halogenim grijacem od 600W za 115V
Opterecivao sam granu po granu, ne sve istovremeno
+5V i +12 ostaju priblizno pri tim vrijednostima pri opterecenju
ali +3.3V i bez opterecenja nije 3.3V, negdje oko 2.8V
kad se optereti ide na nulu, i gasi komplet napajanje, ide vjerovatno u zastitno funkcionisanje
kad sam prespojio prigusnicu na liniji 3.3v, bez opterecenja, napon je dosao na stvarno 3.3V
kad sam ga opteretio otisao je na 1.6V ali nije ugasio komplet napajanje
nisam mijenjao ispravljacku diodu, probacu
ovo mi nije hitno tako da lagano cackam...
Ovako,
napajanje je zasebno, van racunara, jer racunar nije ni mogao da se upali zbog njega
opterecujem vjestacki sa halogenim grijacem od 600W za 115V
Opterecivao sam granu po granu, ne sve istovremeno
+5V i +12 ostaju priblizno pri tim vrijednostima pri opterecenju
ali +3.3V i bez opterecenja nije 3.3V, negdje oko 2.8V
kad se optereti ide na nulu, i gasi komplet napajanje, ide vjerovatno u zastitno funkcionisanje
kad sam prespojio prigusnicu na liniji 3.3v, bez opterecenja, napon je dosao na stvarno 3.3V
kad sam ga opteretio otisao je na 1.6V ali nije ugasio komplet napajanje
nisam mijenjao ispravljacku diodu, probacu
ovo mi nije hitno tako da lagano cackam...
- alexa_pg
- Site Admin

- Postovi: 6119
- Pridružen: 22 Avg 2006, 08:10
- Location: Podgorica
- Specialty: tv-multimedia
Re: Napajanje Supermicro
Zamijeni ti tu diodu u +3.3V bez mjerenja. Imas valjda neku sa rasodovanih mreza.
Inace dok popravljas mreze, neka ti je uvijek +5 opterecen. Najbolje je prikaciti mu zicani otpornik 5-10 oma.
Inace dok popravljas mreze, neka ti je uvijek +5 opterecen. Najbolje je prikaciti mu zicani otpornik 5-10 oma.
"I ja volim ljude ali ih sve manje podnosim"
Re: Napajanje Supermicro
mijenjao sam i opet ista stvar
- cacko85
- gx

- Postovi: 1752
- Pridružen: 03 Dec 2008, 17:51
- Location: Macedonia
- Contact person: Slavche
- Specialty: tv-multimedia
- Lokacija: Sveti Nikole
- Kontakt:
Re: Napajanje Supermicro
Optereci ti napajanje sa sijalicom za svetlo od auto 12V/45W, videcesh dal radi dobro napajanje i dal ti je problem na 3.3V ili je neki drug problem.
Menjaj svi elementi koi su povezani sa 3,3V izlaz, menjaj diode DA, D0, oni tri diode vezani so anoda zajedno, tranzistor i pridruzni elementa i mora da proradi ako imash dobri +5V i 12V.
Menjaj svi elementi koi su povezani sa 3,3V izlaz, menjaj diode DA, D0, oni tri diode vezani so anoda zajedno, tranzistor i pridruzni elementa i mora da proradi ako imash dobri +5V i 12V.
www.facebook.com/slavceelectronics
Re: Napajanje Supermicro
ma to je jako napajanje, 15A moze da da na 3.3V, tako da sam kacio ovaj halogeni grijac 600W (4-5 oma hladnog otpora)
al problem je sto se taj napon od 3.3V odmah gusi cim se optereti
al problem je sto se taj napon od 3.3V odmah gusi cim se optereti
- cacko85
- gx

- Postovi: 1752
- Pridružen: 03 Dec 2008, 17:51
- Location: Macedonia
- Contact person: Slavche
- Specialty: tv-multimedia
- Lokacija: Sveti Nikole
- Kontakt:
Re: Napajanje Supermicro
Ma rekao sam ti da menjash koi elementi shta je sporno tu. Ne mora da ga optertecujesh sa 600W, kom ne vuce toliko.
Ako imash dobar +5V i 12V odnak mora neko od ti elementa da zeza.
Ako imash dobar +5V i 12V odnak mora neko od ti elementa da zeza.
www.facebook.com/slavceelectronics
- chellawy
- gx

- Postovi: 3186
- Pridružen: 12 Avg 2006, 22:25
- Location: Bačka Palanka
- Contact person: SIX
- Specialty: tv
Re: Napajanje Supermicro
obicno svako kvalitetno napajanje ima za svaki od tih napona poseban choper trafo i takodje svaki od njih primarni deo ... prekontrolisi sve u primaru "drajvanja" chopera za 3,3V....
Kompletna ponuda rezervnih delova koja će biti veoma ažurirana u narednih dve ,dve i po godine :)
https://www.kupindo.com/Clan/chellawy/SpisakPredmeta
https://www.kupindo.com/Clan/chellawy/SpisakPredmeta
- cacko85
- gx

- Postovi: 1752
- Pridružen: 03 Dec 2008, 17:51
- Location: Macedonia
- Contact person: Slavche
- Specialty: tv-multimedia
- Lokacija: Sveti Nikole
- Kontakt:
Re: Napajanje Supermicro
@mladen82 ni sam video da je to samo primer za napajanje mislio sam da je semu sa to tvoe napajanje, ako ima secundarni elementa slicnih na oni kao u semu ondak prekontrolishi ili menaj.alexa_pg je napisao:Nemam semu od pomenutog napajanja ali "princip je isti sve su ostalo nijanse"...
Ili ako je kao shta je chellawy rekao baraj kvar u primar, ako imaju poseban choper svaki napon.
Bolje je da stavish neke slike da vidimo sha je to.
www.facebook.com/slavceelectronics
-
- Slične teme
- Odgovori
- Pregledano
- Zadnji post
-
- 8 Odgovori
- 1714 Pregledano
-
Zadnji post napisao rotor
05 Apr 2009, 20:43
-
- 4 Odgovori
- 1421 Pregledano
-
Zadnji post napisao SaleSk
05 Feb 2010, 23:51
-
-
cooler master napajanje-zvuk pri startu(rešeno)
napisao ahim » 01 Feb 2010, 20:27 » u Desktop Računari - 8 Odgovori
- 1817 Pregledano
-
Zadnji post napisao ahim
03 Feb 2010, 12:06
-
-
-
Napajanje Frontier LC-B450E variraju naponi
napisao Japanac » 31 Mar 2010, 13:09 » u Desktop Računari - 4 Odgovori
- 1194 Pregledano
-
Zadnji post napisao Kobac
01 Apr 2010, 09:05
-
-
- 12 Odgovori
- 5103 Pregledano
-
Zadnji post napisao MbyLegend
25 svi 2013, 12:43
-
- 2 Odgovori
- 2673 Pregledano
-
Zadnji post napisao MbyLegend
30 Mar 2016, 09:47
-
-
Potrebna sema za napajanje LC power LC600H-12
napisao Ribery » 09 Avg 2018, 21:24 » u Desktop Računari - 14 Odgovori
- 6923 Pregledano
-
Zadnji post napisao Ribery
21 Okt 2018, 23:18
-

