Samsung B2230N ne izlazi iz standby moda
Pravila foruma
Naslov teme treba da bude u formatu: PROIZVOĐAČ, MODEL, KRATAK OPIS KVARA
Nakon rešenog kvara zatvoriti temu >> >UPUTSTVO< u suprotnom ništa ne činiti.
RAZNA UPUTSTVA
Naslov teme treba da bude u formatu: PROIZVOĐAČ, MODEL, KRATAK OPIS KVARA
Nakon rešenog kvara zatvoriti temu >> >UPUTSTVO< u suprotnom ništa ne činiti.
RAZNA UPUTSTVA
Samsung B2230N ne izlazi iz standby moda * REŠENO *
LCD-TFT MONITOR
FIRMA: Samsung
MODEL: B2230N
MODEL DODATNO: LS22PUYKFHEN
CHASSIS: /
MAINBOARD: 4H.1QE01.A01
PANEL: /
***************************************
SIMPTOMI:
Monitor ne izlazi iz standby, ne baca ni No Signal sa otkačenim VGA kablom.
DETALJAN OPIS KVARA i PREDUZETE RADNJE:
Kada se monitor poveže na napajanje, inicijalno se startuje, i ode u standby, kao da je povezan na kompjuter, ali je kompjuter isključen. Naravno, VGA kabl je odspojen, i na ekranu bi trebalo da se pojavi Check cable, No Signal, ili slično nešto, ali se ne pojavljuje ništa. Kada se pritisne MENU taster, panel i osvetljenje se uključe, u gornjem levom uglu se pojavi VGA konektor i iznad njega piše Test Good, a zatim se isključi ekran. Koliko sam razumeo, to je normalno na Samsung monitorima iz tog doba.
Šta sam proverio:
-Napajanje (+5V i +3.3V su ispravni, kondenzatori su dobri, naponi su stabilni)
-Glavnu ploču (nema vidljivog oštećenja, svi naponi su prisutni, uključujući i +1.8V koji se generišu na samoj ploči)
Kompjuter detektuje monitor kada se poveže, ali se prijavljuje kao 1024x768. Razmišljao sam u pravcu da je loš sadržaj eeproma/flesha, kao što imaju problem Samsung SA350 monitori, ali svakako bi i sa lošim eepromom monitor trebao da baci No signal, zar ne?
Možda monitor detektuje da je kompjuter povezan, i zato neće da izađe iz standby moda, ali ne mogu da nađem nigde šemu monitora, a jedino servisno uputstvo koje sam uspeo da pronađem sadrži samo delimičnu šemu, i to neke ploče koja je drugačija od moje, iako je servisno uputstvo za ovaj monitor.
Ima li neko ideju šta još mogu da proverim?
FIRMA: Samsung
MODEL: B2230N
MODEL DODATNO: LS22PUYKFHEN
CHASSIS: /
MAINBOARD: 4H.1QE01.A01
PANEL: /
***************************************
SIMPTOMI:
Monitor ne izlazi iz standby, ne baca ni No Signal sa otkačenim VGA kablom.
DETALJAN OPIS KVARA i PREDUZETE RADNJE:
Kada se monitor poveže na napajanje, inicijalno se startuje, i ode u standby, kao da je povezan na kompjuter, ali je kompjuter isključen. Naravno, VGA kabl je odspojen, i na ekranu bi trebalo da se pojavi Check cable, No Signal, ili slično nešto, ali se ne pojavljuje ništa. Kada se pritisne MENU taster, panel i osvetljenje se uključe, u gornjem levom uglu se pojavi VGA konektor i iznad njega piše Test Good, a zatim se isključi ekran. Koliko sam razumeo, to je normalno na Samsung monitorima iz tog doba.
Šta sam proverio:
-Napajanje (+5V i +3.3V su ispravni, kondenzatori su dobri, naponi su stabilni)
-Glavnu ploču (nema vidljivog oštećenja, svi naponi su prisutni, uključujući i +1.8V koji se generišu na samoj ploči)
Kompjuter detektuje monitor kada se poveže, ali se prijavljuje kao 1024x768. Razmišljao sam u pravcu da je loš sadržaj eeproma/flesha, kao što imaju problem Samsung SA350 monitori, ali svakako bi i sa lošim eepromom monitor trebao da baci No signal, zar ne?
Možda monitor detektuje da je kompjuter povezan, i zato neće da izađe iz standby moda, ali ne mogu da nađem nigde šemu monitora, a jedino servisno uputstvo koje sam uspeo da pronađem sadrži samo delimičnu šemu, i to neke ploče koja je drugačija od moje, iako je servisno uputstvo za ovaj monitor.
Ima li neko ideju šta još mogu da proverim?
- alexa_pg
- Site Admin

- Postovi: 6119
- Pridružen: 22 Avg 2006, 08:10
- Location: Podgorica
- Specialty: tv-multimedia
Re: Samsung B2230N ne izlazi iz standby moda
Ja bih ipak probao da zamijenim softver. Normalno, originalni bih sačuvao za svaki slučaj.
Na remont-aud.net imaš dosta dampova za ovaj model.
Na remont-aud.net imaš dosta dampova za ovaj model.
"I ja volim ljude ali ih sve manje podnosim"
Re: Samsung B2230N ne izlazi iz standby moda
Gledao sam remont-aud, naravno, ali na žalost ima dumpova samo za ploču koja je opisana u service manualu, koja nije ista kao moja, nema ni isti eepom, niti isti scaler chip. Ispod je isečak iz SM-a.
- alexa_pg
- Site Admin

- Postovi: 6119
- Pridružen: 22 Avg 2006, 08:10
- Location: Podgorica
- Specialty: tv-multimedia
Re: Samsung B2230N ne izlazi iz standby moda
Da li je slika MB koju si postavio original tj. ti si je lično slikao?
Ovo pitam iz razloga što ti u postu pišeš da je MAINBOARD: 4H.1QE01.A01 a na slici je 4H.14001.A00
Šta je tačno?
Na Na remont-aud.net ima damp za ploču koja je na slici.
Ovo pitam iz razloga što ti u postu pišeš da je MAINBOARD: 4H.1QE01.A01 a na slici je 4H.14001.A00
Šta je tačno?
Na Na remont-aud.net ima damp za ploču koja je na slici.
Kod: Označi sve
Код модели :LS22PUYKFHEN
Тип модели :PU22WS
CHASSIS :4H.14001.A00
CPU+SCALER :TSUMU18NWJ-LF-1
FLASH :MX25L2025MCKod: Označi sve
https://remont-aud.net/dump/mnt/samsung_b2230_shassi_main_board_4h_14001_a00/147-1-0-29749"I ja volim ljude ali ih sve manje podnosim"
Re: Samsung B2230N ne izlazi iz standby moda
Moja greška, copy paste-ovao sam. Ja sam slikao ploču. Nekako sam prevideo ovaj damp, moguće da sam i tamo tražio sa pogrešnim nazivom ploče. Hvala ti, proveriću.
Re: Samsung B2230N ne izlazi iz standby moda
Uspeo sam da nađem problem. Nekoliko zaštitnih dioda na ulazu su bile vrlo niskog otpora, a neke su bile kompletno probile. Nekako mi je to promaklo kad sam prvi put pregledavao ploču.
Monitor sada radi, ali ne šalje EDID/DDC podatke kompjuteru, tako da se ne prijavljuje kao FHD monitor, ali ručno mogu da izaberem rezoluciju i radi ok.
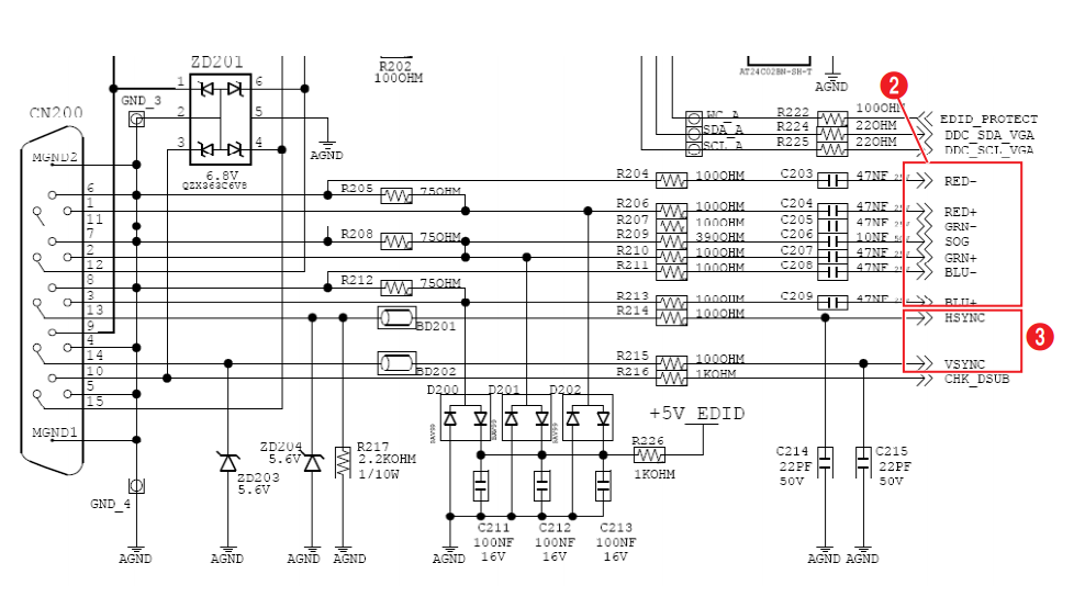
U attachmentu je deo šeme koju sam uspeo da nađem, iz servisnog uputstva za B2230N, ali šema je za model koji ima drugačiju ploču, ne kao onu kao što ja imam. ZD201 je bila delimično skratila, i nju sam skinuo sa ploče, a bila još jedna komponenta u istom pakovanju pored, koja je takođe imala neke diode u kratkom spoju, i morao sam i nju da uklonim da bi monitor proradio.
SMD oznake na ove dve komponente su C96RJ i C16YJ, ali nema šanse da pronajem šta je ovo zapravo, da li su zener, TSV diode, ili neka druga vrsta ESD zaštite za ulaz. U svakom slučaju, skidanje zaštite sa ulaza ne bi trebalo da spreči monitor da se prijavi ispravno na kompjuter, zar ne? Pošto ne mogu da nađem šemu, ne mogu ni da ispratim kojim putem idu EDID/DDC signali, pa mi stvarno nije jasno što se sad monitor ne prijavljuje kako treba.
Monitor sada radi, ali ne šalje EDID/DDC podatke kompjuteru, tako da se ne prijavljuje kao FHD monitor, ali ručno mogu da izaberem rezoluciju i radi ok.
U attachmentu je deo šeme koju sam uspeo da nađem, iz servisnog uputstva za B2230N, ali šema je za model koji ima drugačiju ploču, ne kao onu kao što ja imam. ZD201 je bila delimično skratila, i nju sam skinuo sa ploče, a bila još jedna komponenta u istom pakovanju pored, koja je takođe imala neke diode u kratkom spoju, i morao sam i nju da uklonim da bi monitor proradio.
SMD oznake na ove dve komponente su C96RJ i C16YJ, ali nema šanse da pronajem šta je ovo zapravo, da li su zener, TSV diode, ili neka druga vrsta ESD zaštite za ulaz. U svakom slučaju, skidanje zaštite sa ulaza ne bi trebalo da spreči monitor da se prijavi ispravno na kompjuter, zar ne? Pošto ne mogu da nađem šemu, ne mogu ni da ispratim kojim putem idu EDID/DDC signali, pa mi stvarno nije jasno što se sad monitor ne prijavljuje kako treba.
- alexa_pg
- Site Admin

- Postovi: 6119
- Pridružen: 22 Avg 2006, 08:10
- Location: Podgorica
- Specialty: tv-multimedia
Re: Samsung B2230N ne izlazi iz standby moda
Kako je pocrkalo zaista puno zaštitnih dioda, računam da je još neka crkla a promakla ti je pri mjerenju.bobale je napisao: ↑28 Dec 2020, 19:10...Nekoliko zaštitnih dioda na ulazu su bile vrlo niskog otpora, a neke su bile kompletno probile. ...
Monitor sada radi, ali ne šalje EDID/DDC podatke kompjuteru, tako da se ne prijavljuje kao FHD monitor, ali ručno mogu da izaberem rezoluciju i radi ok.
...U svakom slučaju, skidanje zaštite sa ulaza ne bi trebalo da spreči monitor da se prijavi ispravno na kompjuter, zar ne?...
Sa ovim se slažem "skidanje zaštite sa ulaza ne bi trebalo da spreči monitor da se prijavi ispravno"
Kao što znaš, računar komunicira sa monitorom preko kontrolnih linija takođe preko VGA porta. Moguće je da i na kontrolnim linijama ima neka zaštita i da je "krepala" :)
Moraš sve detaljno pregledati.
U prilogu je (nije suvišno) raspored pinova na VGA konektoru gde se može vidjeti kuda, preko kojih pinova, ide komunikacija PC-MON da bi se na tim linijama provjerili signali.
"I ja volim ljude ali ih sve manje podnosim"
Re: Samsung B2230N ne izlazi iz standby moda
Hvala u svakom slučaju, ali pratio sam pinout VGA kabla, na osnovu toga sam i našao da imam kratke spojeve na nekim vodovima
Ovde su bile dve komponente sa po 6 nožica, ostalo su samo zasebne diode, i ne nalazim ni jednu koja je u kratkom spoju. Možda je i neki sitan otpornik izgoreo, ali bez šeme je sulud posao tražiti dalje.
Inače pronašao sam šta je bila jedna od tih komponenti: AZC099-04S Low Capacitance ESD Protection Array. Za drugu nisam siguran i dalje, ali obzirom da je na istom mestu, odmah pored, i da je isto vezana na ulazne vodove, mora da bude isto/slično.
Inače pronašao sam šta je bila jedna od tih komponenti: AZC099-04S Low Capacitance ESD Protection Array. Za drugu nisam siguran i dalje, ali obzirom da je na istom mestu, odmah pored, i da je isto vezana na ulazne vodove, mora da bude isto/slično.
-
- Slične teme
- Odgovori
- Pregledano
- Zadnji post
-
-
monitor Standby problemčić(rešeno)
napisao ahim » 31 svi 2010, 22:09 » u Servisiranje TFT - LCD Monitora - 8 Odgovori
- 1759 Pregledano
-
Zadnji post napisao ahim
02 Jun 2010, 12:21
-
-
-
TFT Samsung 930BF tesko se pali [reseno]
napisao reb0rn » 12 svi 2008, 02:06 » u Servisiranje TFT - LCD Monitora - 10 Odgovori
- 2545 Pregledano
-
Zadnji post napisao nec
21 Jun 2008, 17:47
-
-
-
Potrebna sema za Samsung TFT
napisao simonovics » 18 Okt 2008, 20:30 » u Servisiranje TFT - LCD Monitora - 7 Odgovori
- 2025 Pregledano
-
Zadnji post napisao simonovics
24 Okt 2008, 23:10
-
-
-
LCD Samsung 913N S(ODUSTAO)
napisao vlatkocopa » 28 Nov 2008, 21:07 » u Servisiranje TFT - LCD Monitora - 28 Odgovori
- 5716 Pregledano
-
Zadnji post napisao buzdumra
29 Jun 2011, 15:54
-
-
-
Samsung SyncMaster 710v(NERIJESENO)
napisao skyline-GTR » 10 Jan 2009, 18:09 » u Servisiranje TFT - LCD Monitora - 8 Odgovori
- 2436 Pregledano
-
Zadnji post napisao skyline-GTR
23 Feb 2010, 15:05
-
-
- 12 Odgovori
- 3279 Pregledano
-
Zadnji post napisao vladan80
19 Okt 2009, 12:20
-
-
Samsung 940N, gasi se posle 2 sekunde (Rešeno)
napisao captain » 15 Nov 2009, 13:31 » u Servisiranje TFT - LCD Monitora - 7 Odgovori
- 4487 Pregledano
-
Zadnji post napisao Stolle
25 Nov 2009, 19:31
-
-
-
Samsung SyncMaster 721n problem sa osvetljenjem (RESENO)
napisao Vucko_AR » 08 Dec 2009, 12:48 » u Servisiranje TFT - LCD Monitora - 13 Odgovori
- 3916 Pregledano
-
Zadnji post napisao Stolle
05 Feb 2011, 12:32
-

