NEC LW19M
Pravila foruma
Naslov teme treba da bude u formatu: PROIZVOĐAČ, MODEL, KRATAK OPIS KVARA
Nakon rešenog kvara zatvoriti temu >> >UPUTSTVO< u suprotnom ništa ne činiti.
RAZNA UPUTSTVA
Naslov teme treba da bude u formatu: PROIZVOĐAČ, MODEL, KRATAK OPIS KVARA
Nakon rešenog kvara zatvoriti temu >> >UPUTSTVO< u suprotnom ništa ne činiti.
RAZNA UPUTSTVA
-
NightShift[MKD]
- _

- Postovi: 5
- Pridružen: 24 Jan 2011, 01:06
- Location: Veles Makedonija
- Contact person: Daniel
NEC LW19M
FIRMA:NEC
MODEL:LW19M
CHASSIS(oznaka šasije):
PCB(oznake na štampanoj ploči):
MAINBOARD:937AJWD-S3H
PANEL:PV190WLCM
T-CON BOARD:
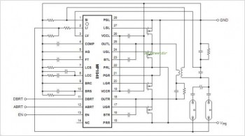
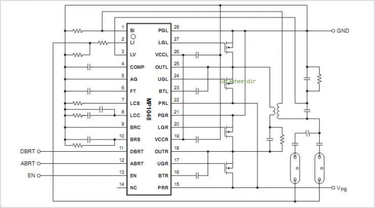
INVERTER:MP1048EY
SMPS (mreža):
KVAR:se gasi pozadinsko osvetluvanje.
OPIS KVARA:koga ke se startuva posle 2-3 sekundi pozadinskoto osvetluvanje se gasi i ledica od front panel od plava se prefrla vo crvena.
gi proveriv site neonki i najdov deka edna e neispravna.posle startuvanje utvrdiv deka naponot na bl-on doadja i posle 2-3 sekundise gubi.poradi toa i se gasi invertorot.invertorort e proban so nadvoresno napojuvanje koe go dovedov na pin bl-on 3 volti .istiot raboti besprekorono.isto taka posebno ja proveriv i osnovnata ploca koja ja napojuvav so 5 volti nadvoresno napojuvanje.posle uklucuvanje na pin bl-on doadja napon od 3.3 volti i posle 2-3 sekundi se gubi i ledicata od front panel preodja od plava vo crvena.ima li nekoj ideja zosto naponot bl-on koj treba da go startuva invertorot posel 2-3 sekundi se gubi .dali e problem do procesorot ili ima nesto drutgo.
MODEL:LW19M
CHASSIS(oznaka šasije):
PCB(oznake na štampanoj ploči):
MAINBOARD:937AJWD-S3H
PANEL:PV190WLCM
T-CON BOARD:
INVERTER:MP1048EY
SMPS (mreža):
KVAR:se gasi pozadinsko osvetluvanje.
OPIS KVARA:koga ke se startuva posle 2-3 sekundi pozadinskoto osvetluvanje se gasi i ledica od front panel od plava se prefrla vo crvena.
gi proveriv site neonki i najdov deka edna e neispravna.posle startuvanje utvrdiv deka naponot na bl-on doadja i posle 2-3 sekundise gubi.poradi toa i se gasi invertorot.invertorort e proban so nadvoresno napojuvanje koe go dovedov na pin bl-on 3 volti .istiot raboti besprekorono.isto taka posebno ja proveriv i osnovnata ploca koja ja napojuvav so 5 volti nadvoresno napojuvanje.posle uklucuvanje na pin bl-on doadja napon od 3.3 volti i posle 2-3 sekundi se gubi i ledicata od front panel preodja od plava vo crvena.ima li nekoj ideja zosto naponot bl-on koj treba da go startuva invertorot posel 2-3 sekundi se gubi .dali e problem do procesorot ili ima nesto drutgo.
-
NightShift[MKD]
- _

- Postovi: 5
- Pridružen: 24 Jan 2011, 01:06
- Location: Veles Makedonija
- Contact person: Daniel
Re: NEC LW19M
neonkata e zameneta i istoto se desava.koga na bl-on ke donesam 3 volti nadvoresno napojuvanje togas invertorot raboti .problemot e zosto naponot bl-on koj treba da go dade skalarot psle 2-3 sekundi padja.
- milan
- Preminuo
- Postovi: 4426
- Pridružen: 19 Avg 2006, 22:38
- Location: Novi Sad
- Specialty: tv-multimedia
Re: NEC LW19M
Jel to ozanaka IC kola?INVERTER:MP1048EY
Malo te teze razumemo zbog jezika, ali nije problem, koji pin na IC je to?
-
NightShift[MKD]
- _

- Postovi: 5
- Pridružen: 24 Jan 2011, 01:06
- Location: Veles Makedonija
- Contact person: Daniel
Re: NEC LW19M
to je pin 13 - EN ali izgleda da se ne razumemo.na njjega dolazi napob BL-On 3.3 volti od skalera sa maticnoj ploci.e taj napon pada i kad se inverter iskljuci sa maticnoj plcoi.maticna ploca i ploca PSU/Inverter su povezani sa jednim konektorom peko kojeg se prenosi 5 volti Bl-On Brightness i Gnd.tako da se mogu razdvojiti i svaaka posebno da se ispita.
-
gapostolski
- _

- Postovi: 126
- Pridružen: 07 Jun 2007, 16:03
- Location: macedonia
- Lokacija: Tetovo makedonija
- Kontakt:
Re: NEC LW19M
dali kad se upali invertor ima sliku na monitoru,po simptomu (promena boje na led diodi na prednjem delu)najverojatnije monitor ti ide u stan.by,-mozda ne detektuje h i v sinhro sa video karte komputera-(proveri-promeni rgb kabal)
gapostolski

