LG 32LV3550-ZB cakce relej
Pravila foruma
Naslov teme treba da bude u formatu: PROIZVOĐAČ, MODEL, KRATAK OPIS KVARA
Nakon rešenog kvara zatvoriti temu >> >UPUTSTVO< u suprotnom ništa ne činiti.
RAZNA UPUTSTVA
Naslov teme treba da bude u formatu: PROIZVOĐAČ, MODEL, KRATAK OPIS KVARA
Nakon rešenog kvara zatvoriti temu >> >UPUTSTVO< u suprotnom ništa ne činiti.
RAZNA UPUTSTVA
-
- _
- Postovi: 46
- Pridružen: 02 svi 2015, 22:21
- Location: Srbija
- Specialty: tv
LG 32LV3550-ZB cakce relej
LED TV
FIRMA:LG
MODEL:32LV3550-ZB
MODEL DODATNO:32LV3550-ZB BEUDL.IP
CHASSIS:
MAINBOARD:EAX64113202(0)
PANEL:T315HW07 V.8 XXXXG
T-CON BOARD: (oznake sa revizijom zajedno)
SMPS:EAX62865601/7
***************************************
SIMPTOMI:
Upali stand by lampicu i ugasi se
DETALJAN OPIS KVARA i PREDUZETE RADNJE
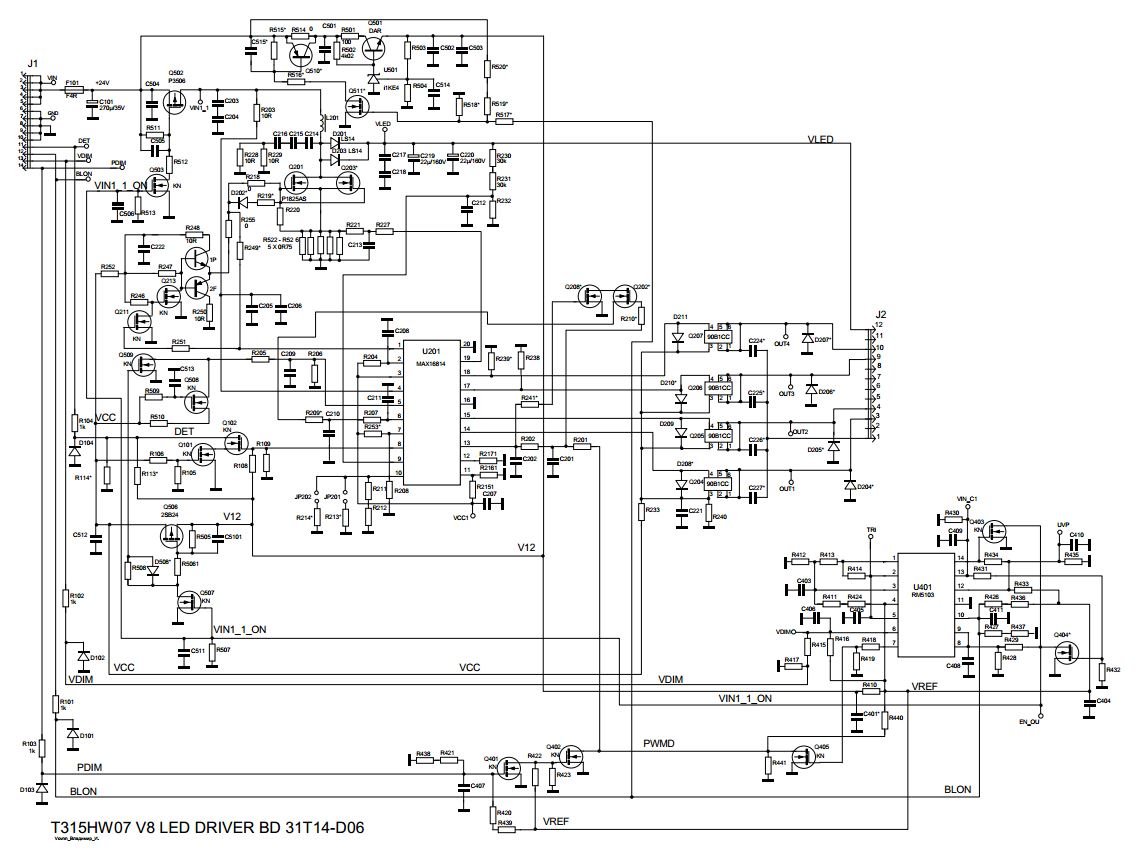
TV startuje dve sekunde i ugasi se,ponovo startuje i ponovo se gasi.Izvadio sam konektor pozadinskog osvetljenja i bio je isti simptom.Otkacio sam konektor koji ide sa napojne ploce na plocu T315HW07 V8 LED Driver BD i tv je ostao upaljen sto mi je reklo da je problem upravo ploca led driver.Na ploci imam +24V i daljom analizom sam ustanovio da je jedan fet Q201(gledano na plocu desni) u kratkom spoju.Q203 pokazuje ok.Oznaka fet tranzistora je 18n20GS(TO-263 kuciste).Ono sto me brine je da li postoji neki uzrocnik ili je dovoljno promeniti neispravan fet.Kako korisnik kaze bio je kod nekog majstora koji je probao pozadinsko osvetljenje i nije uspeo da resi jer je stavio stapove sa 40 dioda a nije nasao sa 44.
FIRMA:LG
MODEL:32LV3550-ZB
MODEL DODATNO:32LV3550-ZB BEUDL.IP
CHASSIS:
MAINBOARD:EAX64113202(0)
PANEL:T315HW07 V.8 XXXXG
T-CON BOARD: (oznake sa revizijom zajedno)
SMPS:EAX62865601/7
***************************************
SIMPTOMI:
Upali stand by lampicu i ugasi se
DETALJAN OPIS KVARA i PREDUZETE RADNJE
TV startuje dve sekunde i ugasi se,ponovo startuje i ponovo se gasi.Izvadio sam konektor pozadinskog osvetljenja i bio je isti simptom.Otkacio sam konektor koji ide sa napojne ploce na plocu T315HW07 V8 LED Driver BD i tv je ostao upaljen sto mi je reklo da je problem upravo ploca led driver.Na ploci imam +24V i daljom analizom sam ustanovio da je jedan fet Q201(gledano na plocu desni) u kratkom spoju.Q203 pokazuje ok.Oznaka fet tranzistora je 18n20GS(TO-263 kuciste).Ono sto me brine je da li postoji neki uzrocnik ili je dovoljno promeniti neispravan fet.Kako korisnik kaze bio je kod nekog majstora koji je probao pozadinsko osvetljenje i nije uspeo da resi jer je stavio stapove sa 40 dioda a nije nasao sa 44.
- alexa_pg
- Site Admin
- Postovi: 6029
- Pridružen: 22 Avg 2006, 08:10
- Location: Podgorica
- Specialty: tv-multimedia
Re: LG 32LV3550-ZB cakce relej
To što je umjesto 44 dioda ugraćeno 40, sigurno nije razlog za pregorevanje FET tranzistora u kolu LED drajvera.
Ja bih zamijenio samo tranzistor i računam da će sve biti OK.
Eventualno ugraditi neki externi drajver.
Ja bih zamijenio samo tranzistor i računam da će sve biti OK.
Eventualno ugraditi neki externi drajver.
"I ja volim ljude ali ih sve manje podnosim"
-
- _
- Postovi: 46
- Pridružen: 02 svi 2015, 22:21
- Location: Srbija
- Specialty: tv
Re: LG 32LV3550-ZB cakce relej
Veceras sam zamenio Q203 i tv je proradio.Utrenutku preko dvbt2 nije bilo signala i videlo se u pravougaoniku ,,nema signala"da treperi svetlo.Kad je proradio signal tv je radio pet minuta i crko je na isti nacin samo Q201 a Q203 je ostao ok.Nemam trenutno led tester kako bih proverio pozadinsko ali koliko to treba da vuce da bi crko fet 18A.
- alexa_pg
- Site Admin
- Postovi: 6029
- Pridružen: 22 Avg 2006, 08:10
- Location: Podgorica
- Specialty: tv-multimedia
Re: LG 32LV3550-ZB cakce relej
O tome žašto je pregoreo opet isti tranzistor mogli bi da diskutujemo do sjutra.
- Ta dva tranzistora su vezana paralelno pa je malo čudno da uvijek isti strada. Ili se stavlja tranzistor loših karakteristika ili drugi ne radi tj. radi samo jedan.
- Treba provjeriti otpornike u sorsu, da slučajno neko nije nešto mijenjao pa teče velika stuja kroz njih
- Zbog treperenja pozadinskog rekao bih da je pobuda FET-ova loša i da je to možda razlog što je jedan stradao. Potrebno provjeriti tranzistore koji se nalaze između IC i gejta FET-ova
- takođe zbog treperenja, možda je samo napajanje +24V loše
Tu bi odlično "legao" jedan externi drajver.
U prilogu šema drajvera
- Ta dva tranzistora su vezana paralelno pa je malo čudno da uvijek isti strada. Ili se stavlja tranzistor loših karakteristika ili drugi ne radi tj. radi samo jedan.
- Treba provjeriti otpornike u sorsu, da slučajno neko nije nešto mijenjao pa teče velika stuja kroz njih
- Zbog treperenja pozadinskog rekao bih da je pobuda FET-ova loša i da je to možda razlog što je jedan stradao. Potrebno provjeriti tranzistore koji se nalaze između IC i gejta FET-ova
- takođe zbog treperenja, možda je samo napajanje +24V loše
Tu bi odlično "legao" jedan externi drajver.
U prilogu šema drajvera
- Prilog
-
t315hw07_v8_led_driver_bd_31t14-d06_198.pdf
- (40.04 KiB) Preuzeto 47 puta.
"I ja volim ljude ali ih sve manje podnosim"
- KASA1
- Site Admin
- Postovi: 3742
- Pridružen: 14 Feb 2011, 10:28
- Location: Zagreb
- Specialty: tv-multimedia
Re: LG 32LV3550-ZB cakce relej
Osim navedenog provjerio bi i diode D201 i D203 te elektrolite na VLED liniji.
"Čovječe, pazi da ne ideš malen ispod zvijezda!"
-
- _
- Postovi: 46
- Pridružen: 02 svi 2015, 22:21
- Location: Srbija
- Specialty: tv
Re: LG 32LV3550-ZB cakce relej
Nije pregoreo isti fet vec drugi.Najpre Q203 a potom Q201.
-
- _
- Postovi: 46
- Pridružen: 02 svi 2015, 22:21
- Location: Srbija
- Specialty: tv
Re: LG 32LV3550-ZB cakce relej * REŠENO *
Zamenom oba feta resen problem.Hvala svima na saradnji.