VOX 39880 - 17IPS20 Backlight
Pravila foruma
Naslov teme treba da bude u formatu: PROIZVOĐAČ, MODEL, KRATAK OPIS KVARA
Nakon rešenog kvara zatvoriti temu >> >UPUTSTVO< u suprotnom ništa ne činiti.
RAZNA UPUTSTVA
Naslov teme treba da bude u formatu: PROIZVOĐAČ, MODEL, KRATAK OPIS KVARA
Nakon rešenog kvara zatvoriti temu >> >UPUTSTVO< u suprotnom ništa ne činiti.
RAZNA UPUTSTVA
VOX 39880 - 17IPS20 Backlight
LED TV
FIRMA: VOX
MODEL: LED 39880
10084249 1309 300020
SN: 7055263 300020
10084249 1309
LCD: VES390UNDA-01
17MB82-2
***************************************
SIMPTOMI:
Ploca ne daje 180v za poizadinsko. Po semi bi tu trebalo biti manje, ali pitanje je da li imam dobru semu. Komponente se bar poklapaju po njoj.
DETALJAN OPIS KVARA i PREDUZETE RADNJE:
Kvar je posledica udara groma. Ja sam zamenio sve komponente koje sam primetio da su otisle, ali i dalje ne dobijam napon na izlazu. Imam oko 2V. 12V radi odlicno.
Ono sto je meni cudno je sto po semi posle D102 treba da imam oko 400V, a ja imam 300. Mislim da je to problem. Merio sam izlaz sa U101 (FAN7529) i nikako ne dobijam signal na fet Q100. Probao sam da zamenim ic, menjao sam sve otpornike okolo jer je bilo i izgorelih. Kondenzatore sam merio i nisu u spoju. Zamenio sam i diode i spaljene i one koje su izgledale ok. Cak i zener diodu D108, ali primetio sam da na njoj nema napona. Do integralca dolazi 18V, na izlazu je 0v, kao sto rekoh, i na inv (pin1) imam 5v. Promenio sam i Q100.
Predvece cu moci slikati plocu, pa da vidite kako to izgleda. Zamolio bih za neki savet ukoliko vam pada na pamet sta bi mogao dalje da gledam. Takodje sam tu ukoliko nisam dao dovoljno informacija. Mislim da ploca posle D102 treba da ima veci napon (oko 380V) i onda mislim da ce i U300 da pocne da PWM-om cacka FET za tih 180V. Prvo sam pomislio da taj deo ploce nije ispravan, pa posto 12V radi i U202 i U300 su isti, zamenio sam im mesta da vidim da li su oni ispravni. Ostala je ista situacija 12V je radilo, a 180v ne. Tako da predpostavljam da su ta dva ic-a ispravna.
Link ka semi:
https://drive.google.com/file/d/1SXFUpf ... sp=sharing
Srdacno,
Nemanja
FIRMA: VOX
MODEL: LED 39880
10084249 1309 300020
SN: 7055263 300020
10084249 1309
LCD: VES390UNDA-01
17MB82-2
***************************************
SIMPTOMI:
Ploca ne daje 180v za poizadinsko. Po semi bi tu trebalo biti manje, ali pitanje je da li imam dobru semu. Komponente se bar poklapaju po njoj.
DETALJAN OPIS KVARA i PREDUZETE RADNJE:
Kvar je posledica udara groma. Ja sam zamenio sve komponente koje sam primetio da su otisle, ali i dalje ne dobijam napon na izlazu. Imam oko 2V. 12V radi odlicno.
Ono sto je meni cudno je sto po semi posle D102 treba da imam oko 400V, a ja imam 300. Mislim da je to problem. Merio sam izlaz sa U101 (FAN7529) i nikako ne dobijam signal na fet Q100. Probao sam da zamenim ic, menjao sam sve otpornike okolo jer je bilo i izgorelih. Kondenzatore sam merio i nisu u spoju. Zamenio sam i diode i spaljene i one koje su izgledale ok. Cak i zener diodu D108, ali primetio sam da na njoj nema napona. Do integralca dolazi 18V, na izlazu je 0v, kao sto rekoh, i na inv (pin1) imam 5v. Promenio sam i Q100.
Predvece cu moci slikati plocu, pa da vidite kako to izgleda. Zamolio bih za neki savet ukoliko vam pada na pamet sta bi mogao dalje da gledam. Takodje sam tu ukoliko nisam dao dovoljno informacija. Mislim da ploca posle D102 treba da ima veci napon (oko 380V) i onda mislim da ce i U300 da pocne da PWM-om cacka FET za tih 180V. Prvo sam pomislio da taj deo ploce nije ispravan, pa posto 12V radi i U202 i U300 su isti, zamenio sam im mesta da vidim da li su oni ispravni. Ostala je ista situacija 12V je radilo, a 180v ne. Tako da predpostavljam da su ta dva ic-a ispravna.
Link ka semi:
https://drive.google.com/file/d/1SXFUpf ... sp=sharing
Srdacno,
Nemanja
Zadnja izmena: NoX2SR, dana 11 Sep 2018, 14:51, ukupno menjano 2 puta.
- alexa_pg
- Site Admin

- Postovi: 6034
- Pridružen: 22 Avg 2006, 08:10
- Location: Podgorica
- Specialty: tv-multimedia
Re: VOX 39880 - 17IPS20 Backlight
Dobrodošao na Fanzo forum!
Kad aparat strada od groma, ne postoje pravila sta ce sve da pregori. Nekada strada samo jedna komponenta a nekada i pola ploce.
Za ovo si u pravu "...Ono sto je meni cudno je sto po semi posle D102 treba da imam oko 400V, a ja imam 300. Mislim da je to problem..."
Moras prvo popraviti PFC a onda ides dalje.
Kad si vec mijenjao IC, da li si stavio ista kola koja su bila ili si stavljao po semi?
Napisi koja je tacno oznaka ploce ukljucujuci i revizije. Ima ih nekoliko podvrsta da bi eventualno gledali u originalnu semu.
Prepravi tvoj prvi post a sve u skladu sa pravilnikom foruma. Moraju biti popunjena sledeca polja.
FIRMA: (upiši podatke)
MODEL: (upiši podatke-kratka oznaka)
MODEL DODATNO: (upiši podatke - dugačka oznaka (LG i Samsung je imaju))
CHASSIS: (oznaka šasije ako znaš)
MAINBOARD: (prepiši oznake sa matične ploče)
PANEL: (cela oznaka na panelu, sa revizijom zajedno, primer:LK315T200 L01)
T-CON BOARD: (oznake sa revizijom zajedno)
SMPS: (upiši podatke)
Kad aparat strada od groma, ne postoje pravila sta ce sve da pregori. Nekada strada samo jedna komponenta a nekada i pola ploce.
Za ovo si u pravu "...Ono sto je meni cudno je sto po semi posle D102 treba da imam oko 400V, a ja imam 300. Mislim da je to problem..."
Moras prvo popraviti PFC a onda ides dalje.
Kad si vec mijenjao IC, da li si stavio ista kola koja su bila ili si stavljao po semi?
Napisi koja je tacno oznaka ploce ukljucujuci i revizije. Ima ih nekoliko podvrsta da bi eventualno gledali u originalnu semu.
Prepravi tvoj prvi post a sve u skladu sa pravilnikom foruma. Moraju biti popunjena sledeca polja.
FIRMA: (upiši podatke)
MODEL: (upiši podatke-kratka oznaka)
MODEL DODATNO: (upiši podatke - dugačka oznaka (LG i Samsung je imaju))
CHASSIS: (oznaka šasije ako znaš)
MAINBOARD: (prepiši oznake sa matične ploče)
PANEL: (cela oznaka na panelu, sa revizijom zajedno, primer:LK315T200 L01)
T-CON BOARD: (oznake sa revizijom zajedno)
SMPS: (upiši podatke)
"I ja volim ljude ali ih sve manje podnosim"
Re: VOX 39880 - 17IPS20 Backlight
Hvala na dobrodoslici. :)
Komponente sam stavljao kakve su bile na ploci. Imao sam srece da se ic-ji nisu razleteli. Zener diodu sam stavio po semi, kao i sve obicne diode. Nadam se da njen napon odgovara onoj koji je bio tu.
Pisem sve oznake koje imam na ploci:
76V0A
94V-0
132
E116921
VESTEL 17IPS20
23144075 - 27068864 34B
040313R5(ne vidim na slici nastavak od konekcije)
To mislim da je sve sto ima na ploci.
Srdacno,
Nemanja
Komponente sam stavljao kakve su bile na ploci. Imao sam srece da se ic-ji nisu razleteli. Zener diodu sam stavio po semi, kao i sve obicne diode. Nadam se da njen napon odgovara onoj koji je bio tu.
Pisem sve oznake koje imam na ploci:
76V0A
94V-0
132
E116921
VESTEL 17IPS20
23144075 - 27068864 34B
040313R5(ne vidim na slici nastavak od konekcije)
To mislim da je sve sto ima na ploci.
Srdacno,
Nemanja
Re: VOX 39880 - 17IPS20 Backlight
Pozdrav,
Nisam stigao juce da napravim fotke, ali eto me danas.
Ploca sa gornje strane:


Ovde je ploca sa donje strane:


Ovo je FAN 7529 (U101). Zanemarite budz sa zener diodom jer nisam imao smd. Crvenim krugom sam oznacio ostecenje na ploci. Tu je ploca bila crna. Nisam bio siguran da li je tu bio vod, pa je izgoreo. Posle, po semi, sam utvrdio da to ne treba da bude spojeno. Ocistio sam i to sad tako izgleda. Ostecenje je izmedju emitora od Q102, koji fabricki nije stavljen tu, i jumper-a koji je izlaz prema gate-u sa U101.

Nadam se da cemo doci do nekog resenja jer ne znam sta bih vise mogao da gledam. Ako integralac dobija napajanje, meni bi bilo ok da dobijam pwm na njegovom izlazu. Mislio sam da je on, ali imam i rezervni, stavio sam i njega i nisam imao nikakve rezulatate. Na izlazu je i dalje 0V.
Srdacno,
Nemanja
Nisam stigao juce da napravim fotke, ali eto me danas.
Ploca sa gornje strane:


Ovde je ploca sa donje strane:


Ovo je FAN 7529 (U101). Zanemarite budz sa zener diodom jer nisam imao smd. Crvenim krugom sam oznacio ostecenje na ploci. Tu je ploca bila crna. Nisam bio siguran da li je tu bio vod, pa je izgoreo. Posle, po semi, sam utvrdio da to ne treba da bude spojeno. Ocistio sam i to sad tako izgleda. Ostecenje je izmedju emitora od Q102, koji fabricki nije stavljen tu, i jumper-a koji je izlaz prema gate-u sa U101.

Nadam se da cemo doci do nekog resenja jer ne znam sta bih vise mogao da gledam. Ako integralac dobija napajanje, meni bi bilo ok da dobijam pwm na njegovom izlazu. Mislio sam da je on, ali imam i rezervni, stavio sam i njega i nisam imao nikakve rezulatate. Na izlazu je i dalje 0V.
Srdacno,
Nemanja
- Stolle
- Preminuo
- Postovi: 19098
- Pridružen: 12 Avg 2006, 23:35
- Location: Srbija
- Specialty: tv-multimedia
- Lokacija: Dimitrovgrad
Re: VOX 39880 - 17IPS20 Backlight
A na "drugoj ploči" šta se dešava? Šablon je jasan, treba da upišeš sve oznake od TV-a, pa tako i svih ploča i šasiju koju nisi upisao, ne samo oznake jednog modula.
Šemu gledaj samo orijentacije radi, tačnu nećeš naći jer napajanje postoji u hiljadu verzija.
Šemu gledaj samo orijentacije radi, tačnu nećeš naći jer napajanje postoji u hiljadu verzija.
"29 poslednjih dana u mesecu je najteže"
Re: VOX 39880 - 17IPS20 Backlight
Druga ploca mi deluje ispravna. Nisam uspeo da primetim no signal prozor na ekranu, ali nadam se da ce se videti kad srecim napon za osvetljenje.
Da, nisam popunio sve jer sam na poslu otvarao temu. Nisam imao tv pored sebe da to sve procitam.
MODEL: LED 39880
10084249 1309 300020
SN: 7055263 300020
10084249 1309
LCD: VES390UNDA-01
17MBB2-2
Da, nisam popunio sve jer sam na poslu otvarao temu. Nisam imao tv pored sebe da to sve procitam.
MODEL: LED 39880
10084249 1309 300020
SN: 7055263 300020
10084249 1309
LCD: VES390UNDA-01
17MBB2-2
Re: VOX 39880 - 17IPS20 Backlight
Ove oznake si trebalo postaviti u tvoj prvi post, a u vezi sa tvoj problem proveri dobro jos jedan put svi otpornici spored shema, pregledaj sve diode ili bolje zameni svi i budi oprezan da ne si pogresio na neke diode smer, meri sve smd kondenzatore za kratki spoj, mosfet mislim si menjao, tako?izmeri napone na ic pinove da vidimo sta imas...
- miodrag popovic
- gx

- Postovi: 3300
- Pridružen: 08 Nov 2006, 21:08
- Location: Srbija
- Phone number: 00381638773821
- Specialty: tv
- Lokacija: Pančevo Braće Jovanović 56
Re: VOX 39880 - 17IPS20 Backlight
Za početak gretz B80C1500 neće dugo,on je max. do 140V,a to što radi i na 300V govori o kvalitetu ali ne treba pretjerivati.
Ja sam shvatio da TV ima tona,a nema osvetljenja.Optokapler?
Ja sam shvatio da TV ima tona,a nema osvetljenja.Optokapler?
Ko izgubi dobitak, taj dobija gubitak
- KASA1
- Site Admin

- Postovi: 3750
- Pridružen: 14 Feb 2011, 10:28
- Location: Zagreb
- Specialty: tv-multimedia
Re: VOX 39880 - 17IPS20 Backlight
Ipak nisi, greatz je totalno neadekvatan,...svaka čast kolegi što je to primijetio,...prvo stavi odgovarajući (GBU8K) pa onda idemo dalje.
"Čovječe, pazi da ne ideš malen ispod zvijezda!"
- alexa_pg
- Site Admin

- Postovi: 6034
- Pridružen: 22 Avg 2006, 08:10
- Location: Podgorica
- Specialty: tv-multimedia
Re: VOX 39880 - 17IPS20 Backlight
Neka jedna dioda u "igrački" od greca bude u prekidu, aparat nece raditi.
"I ja volim ljude ali ih sve manje podnosim"
Re: VOX 39880 - 17IPS20 Backlight
Zamenio sam sve otpornike i diode okolo FAN7529. Proverio sam kondenzatore i svi su ok.bobi.bt je napisao: ↑09 Sep 2018, 00:30proveri dobro jos jedan put svi otpornici spored shema, pregledaj sve diode ili bolje zameni svi i budi oprezan da ne si pogresio na neke diode smer, meri sve smd kondenzatore za kratki spoj, mosfet mislim si menjao, tako?izmeri napone na ic pinove da vidimo sta imas...
Naponi na pinovima su:
1. 6.76V
2. 0.27V
3. 0.5V
4. 0V
5. 0.7V
6. 0V
7. 0V
8. 18.44V
Mosfet sam menjao, ali kao sto vidite, na pinu 7 imam 0V. Znaci da do njegovog gate-a ni ne dolazi bilo sta da bi ga pokrenulo.
Gledajuci datasheet http://www.mouser.com/ds/2/149/FAN7529-1006915.pdf, vidim da je napon napajanja ovog ic-a od 20 do 24V, a ja imam 18V. Da li je to mozda problem i kako da lecim? Q101 mi deluje ok.

Sto se tice greca, slazem se da je ono krs. Moram priznati da sam ga stavio radi slikanja.

Srdacno,
Nemanja
- Stolle
- Preminuo
- Postovi: 19098
- Pridružen: 12 Avg 2006, 23:35
- Location: Srbija
- Specialty: tv-multimedia
- Lokacija: Dimitrovgrad
Re: VOX 39880 - 17IPS20 Backlight
Još uvek nije sigurno da li ne radi mreža, ili ti nije dobra MB. Da bi proradio PFC, treba da imaš ON/OFF na Q206.
Ako imaš, onda treba da proveriš sve tranzistore oko optokaplera U201.
A što se teme tiče, nisi je sredio.
U prvi post treba da budu svi podaci. Šablon treba popuniti maksimalno moguće.
Šasija je 17MB82, a ne 17MBB2.
Slike treba postavljati na forum, a a ne na sumnjivim sajtovima pa linkovati. Ali ne sve slike, dovoljna je jedna od svih ovih.
Ako imaš, onda treba da proveriš sve tranzistore oko optokaplera U201.
A što se teme tiče, nisi je sredio.
U prvi post treba da budu svi podaci. Šablon treba popuniti maksimalno moguće.
Šasija je 17MB82, a ne 17MBB2.
Slike treba postavljati na forum, a a ne na sumnjivim sajtovima pa linkovati. Ali ne sve slike, dovoljna je jedna od svih ovih.
"29 poslednjih dana u mesecu je najteže"
Re: VOX 39880 - 17IPS20 Backlight
Kad sam zumirao slika koj si postavio zabelezao sam na R130 - 10 ohm crna tacka, mozda nisam u pravo ali kad neki smd otpornik je izgoren od grmjlavina desi se to, znam da si rekao da si proverio sve ali da napomenem..siguran si da Q101 je ok, vidim da iskra je otisla i kon njega, meri i R114
- KASA1
- Site Admin

- Postovi: 3750
- Pridružen: 14 Feb 2011, 10:28
- Location: Zagreb
- Specialty: tv-multimedia
Re: VOX 39880 - 17IPS20 Backlight
Gledajući prethodne slike čini se da je taj otpor (R130) već mijenjan i naknadno je, izgleda, izgorio,... treba ponovo čekirati sve elemente. Moguće je da je i PFC kontroler ponovo dobio po nosu.
"Čovječe, pazi da ne ideš malen ispod zvijezda!"
- fanzo
- Site Admin

- Postovi: 16010
- Pridružen: 02 Avg 2006, 06:41
- Location: Bački Petrovac, Srbija
- Phone number: 0038121781575
- Specialty: tv-multimedia
- Lokacija: Bački Petrovac
Re: VOX 39880 - 17IPS20 Backlight
Više od 5 godina ne kupujem 1N4007 jer su bili lošeg kvaliteta. Radili su po par dana pa crknu.
Svakodnevno usavršavanje je bolje od zakasnelog savršenstva
Re: VOX 39880 - 17IPS20 Backlight
Do sada nisam siguran da sam imao da neki ic ostao '' ziv'' a sve oko njega razbijeno...
Re: VOX 39880 - 17IPS20 Backlight
Zaboravio sam koji je napon na njemu. Merio sam bio. Provericu kad dodjem kuci. Mozda se vidi na slici da su na toj desnoj strani ploce lemljeni tranzistori. Sve sam ih izmenjao sa onim vrednostima koje su bile. U principu, svi su BC848 osim jednog.
Neko je gore spomenuo optokaplere i da li sam ih proveravao. Zaboravih da odgovorim. Jesam. Ne bas po propisu, da sam zamenio sa adekvatnim. Uzeo sam ovaj sa 12V jer je ispravan i stavio na mesto U201. Nisam imao nekih rezultata.
Prepravio sam sada. Za slike cu gledati da uploadujem na forum.Stolle je napisao: ↑10 Sep 2018, 21:17A što se teme tiče, nisi je sredio.
U prvi post treba da budu svi podaci. Šablon treba popuniti maksimalno moguće.
Šasija je 17MB82, a ne 17MBB2.
Slike treba postavljati na forum, a a ne na sumnjivim sajtovima pa linkovati. Ali ne sve slike, dovoljna je jedna od svih ovih.
Bojim se da to nije problem. To je samo ostecenje na stampi otpornika. Skinucu ga i izmeriti za svaki slucaj, ali male su sanse. Ako na izlazu (pin 7) merim 0V i na Gate-u tranzistora merim 0V, znaci da su elektroni u njemu jos fabricki i da struja jos nije ni tekla.bobi.bt je napisao: ↑10 Sep 2018, 22:41Kad sam zumirao slika koj si postavio zabelezao sam na R130 - 10 ohm crna tacka, mozda nisam u pravo ali kad neki smd otpornik je izgoren od grmjlavina desi se to, znam da si rekao da si proverio sve ali da napomenem..siguran si da Q101 je ok, vidim da iskra je otisla i kon njega, meri i R114
Da. Menjan je. Menjan je fet. Bio je komplet u spoju, pa je samim tim sa source-a na gate doslo 310V. Mozda i vise jer je PFC u tom momentu radio. Taj otpornik je izgoreo, zajedno sa otpornikom R129 i dve diode D109 i D110.
Tada je moguce i nastalo ono ostecenje koje sam zaokruzio. Kad sam menjao komponente, skinuo sam i onaj jumper. Mislio sam da mozda on nije probio na vod ispod njega. Ali sve je u redu.
Hvala na savetu. Gledacu neke kvalitetnije da uzmem kad ploca proradi.
Posle menjanja izgorelih otpornika, zamenio sam i ic. Jedino ako sam kupio neispravan ic.
Srdacno,
Nemanja
Re: VOX 39880 - 17IPS20 Backlight
Meri i kazi napone na optokapler na svi 4 pina, mozda ne dobija komanda za start kao sto je Stolle rekao, neznam sta vec mozemo da uradimo.... Pozz
Re: VOX 39880 - 17IPS20 Backlight
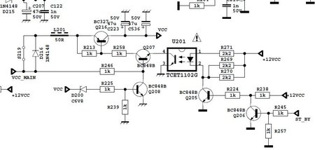
Ne kapiram bas najbolje cemu sluzi U301. Na njemu su naponi 0V sa obe strane. Ako mi mozete pojasniti malo bolje njegovu ulogu :)
Na U201 je izmadju pinova 1 i 2 napon 1.135V. Sa druge strane je 128mV.
Merio sam i napone na tranzistorima Q207 i Q208. Na C od Q207 imam 135mV, E je spojen na 4. pin od optokaplera, a na bazi imam 0.8V. C od Q208 je spojen na B od Q207, pa je napon isti (0.8V), emiter je spojen na 3. pin od optokaplera, a i po semi se vidi da je to masa. Na bazi imam 1.2V
Merio sam i D200. Njena oznaka je WN, pa sam nasao da je to zener od 18V, a ne od 6,8, kako pise na semi i na njoj imam taj napon.
---------- Thu Sep 13, 2018 17:40 ----------
Jel ovo cutanje znaci da joj nema pomoci?
Zadnja izmena: alexa_pg, dana 13 Okt 2018, 14:54, ukupno menjano 1 put.
Razlog: spojena dva uzastopna posta u jedan
Razlog: spojena dva uzastopna posta u jedan
- fanzo
- Site Admin

- Postovi: 16010
- Pridružen: 02 Avg 2006, 06:41
- Location: Bački Petrovac, Srbija
- Phone number: 0038121781575
- Specialty: tv-multimedia
- Lokacija: Bački Petrovac
Re: VOX 39880 - 17IPS20 Backlight
Suviše duga popravka. Nađi bolje polovnu i završi posao, jer ovako si već u debelom minusu.
Svakodnevno usavršavanje je bolje od zakasnelog savršenstva

