LCD TV
FIRMA: LG
MODEL: 32LD350
MODEL DODATNO: 32LD350-ZA.BEUWLJP
CHASSIS: LD01B
MAINBOARD: EAX61354203 (0)
PANEL: LC320WUG (SC) (A1)
T-CON BOARD: integriran u matičnu
INVERTER: integriran u SMPS
SMPS: EAX61124201/15
SIMPTOMI:
Ponaša se kao da neko konstantno drži pritisnuto dugme za VOLUME +
DETALJAN OPIS KVARA i PREDUZETE RADNJE:
Prvo sam posumnjao na lokalnu tastaturu, zato sam je isključio od matične, ali problem i dalje ostaje. Otvoriš MENU i celo vreme se selektiraju ikonice od levo prema desno, ne može da se uđe u nijednu. Preko daljinca može se smanjivati ton, ali odmah se počinje uvečavati do 100.
Neko čare....
LG 32LD350 Sam pojačava ton
Pravila foruma
Naslov teme treba da bude u formatu: PROIZVOĐAČ, MODEL, KRATAK OPIS KVARA
Nakon rešenog kvara zatvoriti temu >> >UPUTSTVO< u suprotnom ništa ne činiti.
RAZNA UPUTSTVA
Naslov teme treba da bude u formatu: PROIZVOĐAČ, MODEL, KRATAK OPIS KVARA
Nakon rešenog kvara zatvoriti temu >> >UPUTSTVO< u suprotnom ništa ne činiti.
RAZNA UPUTSTVA
-
- gx
- Postovi: 1491
- Pridružen: 14 Okt 2012, 13:40
- Location: Kupinovo
- Contact person: Vlada
- Specialty: tv-multimedia
Re: LG 32LD350 Sam pojačava ton
Probaj da otkačiš konektor od lokalne tastature na MB ploči. Probaj da opereš nitrom veze na MB ploči od konektora do procesora.
Re: LG 32LD350 Sam pojačava ton * REŠENO *
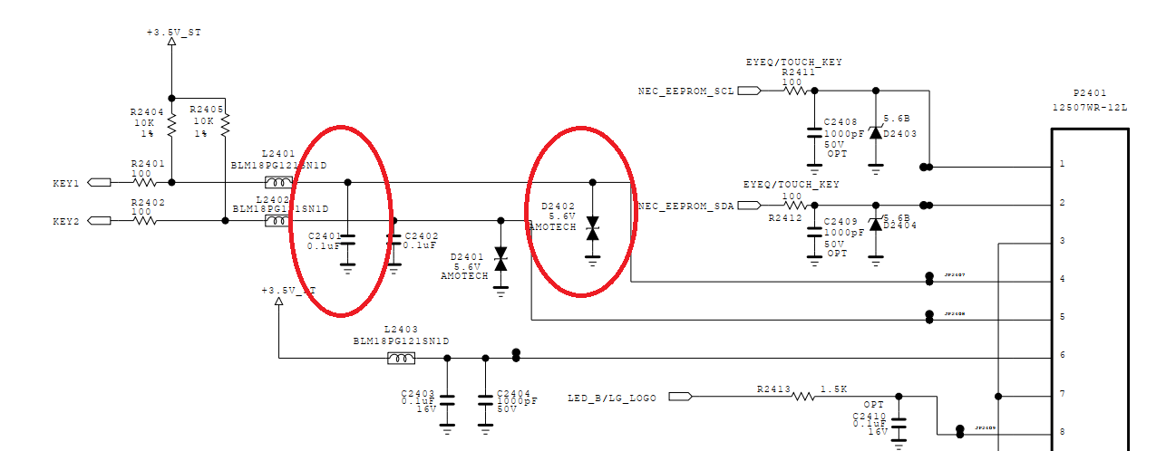
Ne pomaže otkačivanje konektora lokalne tastature, ali zato zamena na D2402 i C2401 na matičnu ploču pomogla je. Merili su se kao ispravni, ali eto, pomoglo je. C2401=220pF. Zasad radi dobro.
- KASA1
- Site Admin
- Postovi: 3742
- Pridružen: 14 Feb 2011, 10:28
- Location: Zagreb
- Specialty: tv-multimedia
Re: LG 32LD350 Sam pojačava ton
Za informaciju, radi se o elementima na KEY1 liniji:
Po šemi, na poziciji C2401 ide blok od 100nF,... što se tiče zaštitne (suppressor) diode, istu si samo skinuo ili zamijenio?.
Po šemi, na poziciji C2401 ide blok od 100nF,... što se tiče zaštitne (suppressor) diode, istu si samo skinuo ili zamijenio?.
"Čovječe, pazi da ne ideš malen ispod zvijezda!"
Re: LG 32LD350 Sam pojačava ton
Taj C2401 je veoma sitan element, jedva uspevam da stavim pipalice na njegove krajeve, pokazivalo mi je preko 200 pF, pa najbliža standardna vtednost je 220 i zato sam tu napisao.
A za diodu sam mislio da je neka ispravljačka, pa sam stavio 1N4148. To je sve jako sitno, tako da bez šeme ne možeš znati tačno o kakvim elementima se radi.
Ton je prestao sam da se pojačava i kad sam ih samo otstranio ta 2 elementa, ali za svaki slučaj da ne bude neki problem stavio sam druge. Diodu sam promašio.
Na lokalnoj tastaturi funkcija V+ se ostvaruje tako što izvod 4 na konektoru preko otpornika 10K se spaja na masu. Ali i bez pritisnutog tastera postojao je otpor od 10-11K izmegju taj 4 izvod i mase i krenuo u potragu zašto se javlja taj otpor koji procesor prepoznaje kao da je aktivirana komanda V+. Nakon otstranjivanja ta 2 elementa, otpor od 10-11K se nije izgubio, ali prestalo je samopojačavanje i ja sam prestao da tražim dalje razlog.
Nadam se da me neko razumeo...
A za diodu sam mislio da je neka ispravljačka, pa sam stavio 1N4148. To je sve jako sitno, tako da bez šeme ne možeš znati tačno o kakvim elementima se radi.
Ton je prestao sam da se pojačava i kad sam ih samo otstranio ta 2 elementa, ali za svaki slučaj da ne bude neki problem stavio sam druge. Diodu sam promašio.
Na lokalnoj tastaturi funkcija V+ se ostvaruje tako što izvod 4 na konektoru preko otpornika 10K se spaja na masu. Ali i bez pritisnutog tastera postojao je otpor od 10-11K izmegju taj 4 izvod i mase i krenuo u potragu zašto se javlja taj otpor koji procesor prepoznaje kao da je aktivirana komanda V+. Nakon otstranjivanja ta 2 elementa, otpor od 10-11K se nije izgubio, ali prestalo je samopojačavanje i ja sam prestao da tražim dalje razlog.
Nadam se da me neko razumeo...
-
- Slične teme
- Odgovori
- Pregledano
- Zadnji post
-
-
Napajanje EAX61124201/15 za LG 32LD350
napisao mancic » 22 Jan 2016, 12:29 » u SRB PRODAJA - LCD - LED televizori monitori - 0 Odgovori
- 913 Pregledano
-
Zadnji post napisao mancic
22 Jan 2016, 12:29
-
-
-
AKAI AZ 4280FHDT4 LCD Ima ton nema sliku [RESENO]
napisao mijatovic_86 » 11 Jun 2010, 20:53 » u Servisiranje LCD Televizora - 18 Odgovori
- 5237 Pregledano
-
Zadnji post napisao Majstor Duja
26 Jul 2010, 11:53
-
-
-
LCD VIVAX IMAGO TV3205 problem ton
napisao BUBUL » 02 Dec 2010, 21:06 » u Servisiranje LCD Televizora - 3 Odgovori
- 2118 Pregledano
-
Zadnji post napisao Majstor Duja
26 Mar 2014, 19:58
-
-
-
LCD GRUNDIG AMIRA 30LW769401TOP-nema slike-ton ima (ODUSTAO)
napisao zelja1 » 22 Feb 2011, 12:04 » u Servisiranje LCD Televizora - 6 Odgovori
- 2398 Pregledano
-
Zadnji post napisao zelja1
16 Mar 2011, 08:58
-
-
-
Toshiba REGZA 26AV605PG Ton prisutan, nema slika
napisao stojkePN » 13 Jul 2013, 19:10 » u Servisiranje LCD Televizora - 13 Odgovori
- 3957 Pregledano
-
Zadnji post napisao deemoon
17 Okt 2013, 11:48
-
-
-
Samsung LE40C530F1W-nema ton RESENO
napisao makedonec » 05 Okt 2013, 15:02 » u Servisiranje LCD Televizora - 5 Odgovori
- 1819 Pregledano
-
Zadnji post napisao makedonec
02 Nov 2013, 10:54
-
-
-
SAMSUNG LE32S81BX ton na max. kada se upali REŠENO
napisao vlada69 » 10 Feb 2016, 19:44 » u Servisiranje LCD Televizora - 10 Odgovori
- 3201 Pregledano
-
Zadnji post napisao vlada69
12 Feb 2016, 17:57
-
-
- 9 Odgovori
- 3948 Pregledano
-
Zadnji post napisao tomic
11 Mar 2017, 11:36