TV LCD SONY KLV30HR3 - Gasi se (ODUSTAO)
Pravila foruma
Naslov teme treba da bude u formatu: PROIZVOĐAČ, MODEL, KRATAK OPIS KVARA
Nakon rešenog kvara zatvoriti temu >> >UPUTSTVO< u suprotnom ništa ne činiti.
RAZNA UPUTSTVA
Naslov teme treba da bude u formatu: PROIZVOĐAČ, MODEL, KRATAK OPIS KVARA
Nakon rešenog kvara zatvoriti temu >> >UPUTSTVO< u suprotnom ništa ne činiti.
RAZNA UPUTSTVA
- vlatkocopa
- gx
- Postovi: 3030
- Pridružen: 04 Jun 2008, 22:41
- Location: Makedonija-Kumanovo
- Contact person: Vlado
- Phone number: 0038931420808
- Specialty: tv
Re: TV LCD SONY KLV30HR3 - Gasi se
Pa visokonaponski trafoi (prigusnice)kako ih je kolega nazvao....
Za sjaj u očima, rumenilo u licu i lepršav hod - koristite kozmetiku -Šljivovica a moze i domaca jabukovaca ..:))
- milan
- Preminuo
- Postovi: 4426
- Pridružen: 19 Avg 2006, 22:38
- Location: Novi Sad
- Specialty: tv-multimedia
Re: TV LCD SONY KLV30HR3 - Gasi se
Da li si ti siguran da je sa mrezom sve u redu, odnosno da su naponi dobri i stabilni.
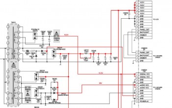
Invertor da li ovako izgleda?
Invertor da li ovako izgleda?
- vlatkocopa
- gx
- Postovi: 3030
- Pridružen: 04 Jun 2008, 22:41
- Location: Makedonija-Kumanovo
- Contact person: Vlado
- Phone number: 0038931420808
- Specialty: tv
Re: TV LCD SONY KLV30HR3 - Gasi se
Da Milane potpuno je isti,svaka cast....
Mreza je 100% ispravna,kad pocne da trepce,pada mi napon 10.6v na negde 9.2v,al probao sam i sa vestackim(spoljnim napajanjem) i opet isto...
Pozdrav



Pozdrav

Za sjaj u očima, rumenilo u licu i lepršav hod - koristite kozmetiku -Šljivovica a moze i domaca jabukovaca ..:))
- milan
- Preminuo
- Postovi: 4426
- Pridružen: 19 Avg 2006, 22:38
- Location: Novi Sad
- Specialty: tv-multimedia
Re: TV LCD SONY KLV30HR3 - Gasi se
On stabilizaciju napona vrsi na 16,5v, kakav je taj napon?
- vlatkocopa
- gx
- Postovi: 3030
- Pridružen: 04 Jun 2008, 22:41
- Location: Makedonija-Kumanovo
- Contact person: Vlado
- Phone number: 0038931420808
- Specialty: tv
Re: TV LCD SONY KLV30HR3 - Gasi se
Pa na shemi ima 16.5v i 10,6v.E sad ne mogu da otvorim posto mi preinstaliran comp.pa nemam vin.rar
A kopirana shema mi u radnji.

A kopirana shema mi u radnji.
Za sjaj u očima, rumenilo u licu i lepršav hod - koristite kozmetiku -Šljivovica a moze i domaca jabukovaca ..:))
- vlatkocopa
- gx
- Postovi: 3030
- Pridružen: 04 Jun 2008, 22:41
- Location: Makedonija-Kumanovo
- Contact person: Vlado
- Phone number: 0038931420808
- Specialty: tv
Re: TV LCD SONY KLV30HR3 - Gasi se
Milane onaj gornji napon 10.5v(izvini) preko osiguraca ps3003 3.15A,a TV je nazalost u radnji.... 

Za sjaj u očima, rumenilo u licu i lepršav hod - koristite kozmetiku -Šljivovica a moze i domaca jabukovaca ..:))
- milan
- Preminuo
- Postovi: 4426
- Pridružen: 19 Avg 2006, 22:38
- Location: Novi Sad
- Specialty: tv-multimedia
Re: TV LCD SONY KLV30HR3 - Gasi se
Proveri 16.5v da nepada.
10.5 v moze da pada i diode ako nevaljaju.
Te duple diode, obrati paznju na njih, i hladne lemove na njima i trafou.
10.5 v moze da pada i diode ako nevaljaju.
Te duple diode, obrati paznju na njih, i hladne lemove na njima i trafou.
- vlatkocopa
- gx
- Postovi: 3030
- Pridružen: 04 Jun 2008, 22:41
- Location: Makedonija-Kumanovo
- Contact person: Vlado
- Phone number: 0038931420808
- Specialty: tv
Re: TV LCD SONY KLV30HR3 - Gasi se
16.5v ne pada,cela mreza prelemjena.Pokusao sam i sa spoljnim napajanjem...isto 

Za sjaj u očima, rumenilo u licu i lepršav hod - koristite kozmetiku -Šljivovica a moze i domaca jabukovaca ..:))
- milan
- Preminuo
- Postovi: 4426
- Pridružen: 19 Avg 2006, 22:38
- Location: Novi Sad
- Specialty: tv-multimedia
Re: TV LCD SONY KLV30HR3 - Gasi se
Elektrolite da li si menjao na grani od 10.5v ? A stavljao si tu spoljno napajanje?
Da li si otkacinjao lampe jednu po jednu?
Da li si otkacinjao lampe jednu po jednu?
- vlatkocopa
- gx
- Postovi: 3030
- Pridružen: 04 Jun 2008, 22:41
- Location: Makedonija-Kumanovo
- Contact person: Vlado
- Phone number: 0038931420808
- Specialty: tv
Re: TV LCD SONY KLV30HR3 - Gasi se
I to sam pokusao,bas jednu po jednu i isto se ponasa(e sad tu nisam bas siguran,mozda se ukljucuje neka zastita kad se otkaci neka lampa i onda tv brze ugasi,trepne samo 2-3 puta)....
Za sjaj u očima, rumenilo u licu i lepršav hod - koristite kozmetiku -Šljivovica a moze i domaca jabukovaca ..:))
Re: TV LCD SONY KLV30HR3 - Gasi se
prigusnice ili trafo na invertor ploci 

- micot
- _
- Postovi: 62
- Pridružen: 15 Jan 2008, 20:19
- Location: SKOPJE-MAKEDONIJA
- Contact person: Miodrag
- Phone number: 00389023074774
- Specialty: tv-multimedia
- Lokacija: Skoplje-Makedonija
Re: TV LCD SONY KLV30HR3 - Gasi se
spredi omazu prigusnica,trebala bi biti na sve ista,kad je ispravna negde oko 950 ohm,i primarni i sekundarni deo.nezgodno je to sto moras poskidati sve da bi izmerio
- RBelectronics
- Preminuo
- Postovi: 375
- Pridružen: 06 Sep 2006, 17:54
- Location: BiH - Kiseljak
- Specialty: tv-multimedia
Re: TV LCD SONY KLV30HR3 - Gasi se
mislim samo sekundarni,,,,,primarni je maloomski navojmicot je napisao:ispravna negde oko 950 ohm,i primarni

alooo pa ko će ovo da plati.....vadi pare...
- cacko85
- gx
- Postovi: 1746
- Pridružen: 03 Dec 2008, 17:51
- Location: Macedonia
- Contact person: Slavche
- Specialty: tv-multimedia
- Lokacija: Sveti Nikole
- Kontakt:
Re: TV LCD SONY KLV30HR3 - Gasi se
Meri omski ali ako imas mogucnost meri induktivni otpor, mislim da je on bolje ke ti kaze sa stanje na namotai.


www.facebook.com/slavceelectronics
Re: TV LCD SONY KLV30HR3 - Gasi se(ODUSTAO)
ja mislim da je neomka.imao sam isti primer sa jednog sharpa.Bila je neonka,kad sam je promenio lcd je radio super.Ti si naveo da je jedna linija u sredini tamnija .To najverovatnije ne radi ta neonka,probaj okaci neku neonku od stranu pa vidi kako ce da radi lcd.
makedon
- vlatkocopa
- gx
- Postovi: 3030
- Pridružen: 04 Jun 2008, 22:41
- Location: Makedonija-Kumanovo
- Contact person: Vlado
- Phone number: 0038931420808
- Specialty: tv
Re: TV LCD SONY KLV30HR3 - Gasi se(ODUSTAO)
Veliko hvala kolegama na pomoci,ali aparat sam vratio musteriji posto nisam imao ni neonke ni inverter...
Pozdrav i hvala jos jednom

Pozdrav i hvala jos jednom

Za sjaj u očima, rumenilo u licu i lepršav hod - koristite kozmetiku -Šljivovica a moze i domaca jabukovaca ..:))
-
- Slične teme
- Odgovori
- Pregledano
- Zadnji post
-
- 5 Odgovori
- 1882 Pregledano
-
Zadnji post napisao Palme
16 Apr 2008, 10:50
-
-
LCD TV Grundig VISION2 22-2920 gasi se slika posle 2s-RESENO
napisao majstorr » 09 Okt 2012, 00:08 » u Servisiranje LCD Televizora - 4 Odgovori
- 3045 Pregledano
-
Zadnji post napisao paganini
26 Okt 2015, 16:36
-
-
-
LCD LG 32LC41 rasvjeta se gasi
napisao satelitko » 18 Mar 2013, 08:06 » u Servisiranje LCD Televizora - 6 Odgovori
- 2240 Pregledano
-
Zadnji post napisao Majstor Duja
04 Dec 2013, 07:49
-
-
-
Prodajem novi LCD panel za SONY TV LTA320WT-L06
napisao paja » 21 Avg 2014, 11:08 » u SRB PRODAJA - LCD - LED televizori monitori - 1 Odgovori
- 1415 Pregledano
-
Zadnji post napisao Stolle
21 Avg 2014, 21:54
-
-
-
LCD TV sony kdl32v5800 potreban dump
napisao ljubisalonce12 » 02 Feb 2015, 13:54 » u Servisiranje LCD Televizora - 17 Odgovori
- 4346 Pregledano
-
Zadnji post napisao ursus
16 Feb 2015, 10:47
-
-
-
SONY MB LCD A1557327A BGE
napisao fanzo » 22 Mar 2015, 11:32 » u SRB PRODAJA - LCD - LED televizori monitori - 0 Odgovori
- 739 Pregledano
-
Zadnji post napisao fanzo
22 Mar 2015, 11:32
-
-
-
LG M2762D gasi se pozadinsko osvjetljenje - RIJEŠENO
napisao ajeto » 16 svi 2014, 00:18 » u Servisiranje LCD Televizora - 3 Odgovori
- 2098 Pregledano
-
Zadnji post napisao Stolle
19 svi 2014, 21:15
-
-
-
telefunken TH22D740U se gasi nakon par minuta rada
napisao mikromakro » 13 Jun 2023, 16:22 » u Servisiranje LCD Televizora - 3 Odgovori
- 1668 Pregledano
-
Zadnji post napisao KASA1
14 Jun 2023, 09:02
-