Nemogu da nadjem nigde TCP8401 FET tranzistore za LCD inverter oznake
TLI-06-0412-A1 a imam inverter koji je oznake LC320WXN 6632L-0627 dali mogu ovaj ubaciti mesto originala i dali mi neko moze objasniti kako da prespojim konektore za ccfl lampi posto ih ima 6 a na ovom LC320WXN invertoru imam samo 2 konektora koji idu prema lampama, nisam nikad to budzio a nemogu nigde da nadjem gore pomenute fetove to sto sam imao sa monitora i ostalih invertora potrosilo se i sada nema nigde da se kupi
Zamena invertera TLI-06-0412-A1 sa 6632L-0627 RESENO
Pravila foruma
Naslov teme treba da bude u formatu: PROIZVOĐAČ, MODEL, KRATAK OPIS KVARA
Nakon rešenog kvara zatvoriti temu >> >UPUTSTVO< u suprotnom ništa ne činiti.
RAZNA UPUTSTVA
Naslov teme treba da bude u formatu: PROIZVOĐAČ, MODEL, KRATAK OPIS KVARA
Nakon rešenog kvara zatvoriti temu >> >UPUTSTVO< u suprotnom ništa ne činiti.
RAZNA UPUTSTVA
-
faca74
- Udaljen sa foruma zbog nedoličnog ponašanja
- Postovi: 155
- Pridružen: 13 Okt 2006, 12:40
- Location: Pivnice Vojvodina
- Specialty: consumer
- Lokacija: Pivnice Vojvodina
Zamena invertera TLI-06-0412-A1 sa 6632L-0627 RESENO
Zadnja izmena: faca74, dana 22 Jan 2016, 18:41, ukupno menjano 1 put.
-
spin
- gx

- Postovi: 2279
- Pridružen: 12 Sep 2012, 13:49
- Location: Šid
- Warranty service: LG Samsung Vivax Vox Fox Quadro Adler Telefunken
- Specialty: tv-multimedia
Re: Pitanje dali moze ovaj LCD INVERTER mesto originala
Umesto TCP8401 probaj neki drugi, (na pr.STM8309)
Inverter TLI-06-0412 se napaja sa 12V, koliko sam uspeo da vidim a inverter 6632l-0627 se napaja sa 24V
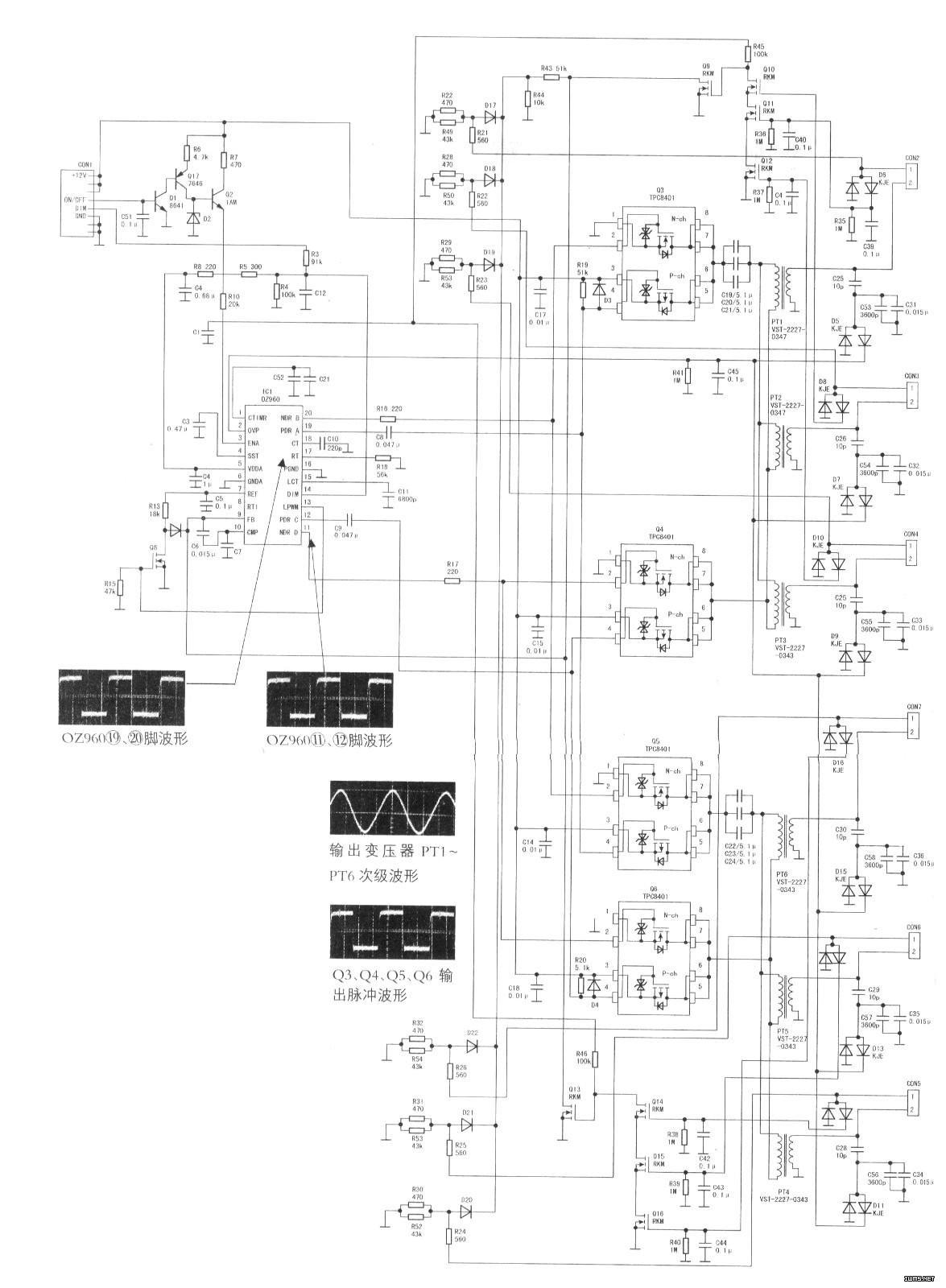
što znači da ćeš, samo po toj razlici, teško odraditi tu zamenu. Evo ti i šema nekog invertera sa TCP8401, možda ti pomogne.
Inverter TLI-06-0412 se napaja sa 12V, koliko sam uspeo da vidim a inverter 6632l-0627 se napaja sa 24V
što znači da ćeš, samo po toj razlici, teško odraditi tu zamenu. Evo ti i šema nekog invertera sa TCP8401, možda ti pomogne.
-
faca74
- Udaljen sa foruma zbog nedoličnog ponašanja
- Postovi: 155
- Pridružen: 13 Okt 2006, 12:40
- Location: Pivnice Vojvodina
- Specialty: consumer
- Lokacija: Pivnice Vojvodina
Re: Pitanje dali moze ovaj LCD INVERTER mesto originala
Hvala za semu nasao sam STM8306 porucicu a moram da pregledam zasto su ovi crkli dali od dotrajalosti ili nesto u pobudi ili sami trafoi dali mozda spaljuju ove smd fet tranzistore
-
spin
- gx

- Postovi: 2279
- Pridružen: 12 Sep 2012, 13:49
- Location: Šid
- Warranty service: LG Samsung Vivax Vox Fox Quadro Adler Telefunken
- Specialty: tv-multimedia
Re: Zamena invertera TLI-06-0412-A1 sa 6632L-0627
Ja sam imao u 90% slucajeva, da stradaju samo fetovi i to zbog hladnih lemova koi prouzrokuju njihovo pregrevanje i proboj.Obrati pažnju na blokove u kolu Drain-FETA ( bude kr.spoj).
-
faca74
- Udaljen sa foruma zbog nedoličnog ponašanja
- Postovi: 155
- Pridružen: 13 Okt 2006, 12:40
- Location: Pivnice Vojvodina
- Specialty: consumer
- Lokacija: Pivnice Vojvodina
Re: Zamena invertera TLI-06-0412-A1 sa 6632L-0627 RESENO
Resen Inverter zamenjeni fetovi stavio sam STM8306 izmenjao elkice i prelemio sve hladne lemove i tv sada vec 12 sati radi kako treba negreju se fetovi slika ok zahvaljujem kolegi spin-u za shemu i pomoc
-
- Slične teme
- Odgovori
- Pregledano
- Zadnji post
-
-
INVERTER 6632L-0338D 6632L-0339D LC370
napisao Tvberza » 28 Nov 2014, 22:16 » u SRB PRODAJA - LCD - LED televizori monitori - 0 Odgovori
- 702 Pregledano
-
Zadnji post napisao Tvberza
28 Nov 2014, 22:16
-
-
-
Inverter 6632L-0250A
napisao Liskun Elektronik » 16 Jan 2014, 16:08 » u SRB PRODAJA - LCD - LED televizori monitori - 0 Odgovori
- 563 Pregledano
-
Zadnji post napisao Liskun Elektronik
16 Jan 2014, 16:08
-
-
-
Inverter 6632L-0251A
napisao Liskun Elektronik » 16 Jan 2014, 16:10 » u SRB PRODAJA - LCD - LED televizori monitori - 0 Odgovori
- 587 Pregledano
-
Zadnji post napisao Liskun Elektronik
16 Jan 2014, 16:10
-
-
-
Inverter 6632L-0135C
napisao Tvberza » 29 Apr 2014, 18:43 » u SRB PRODAJA - LCD - LED televizori monitori - 0 Odgovori
- 594 Pregledano
-
Zadnji post napisao Tvberza
29 Apr 2014, 18:43
-
-
-
Inverter 6632L-0134C
napisao Tvberza » 29 Apr 2014, 18:46 » u SRB PRODAJA - LCD - LED televizori monitori - 0 Odgovori
- 618 Pregledano
-
Zadnji post napisao Tvberza
29 Apr 2014, 18:46
-
-
-
Inverter 6632L-0208B
napisao Tvberza » 29 Apr 2014, 18:48 » u SRB PRODAJA - LCD - LED televizori monitori - 0 Odgovori
- 548 Pregledano
-
Zadnji post napisao Tvberza
29 Apr 2014, 18:48
-
-
-
Inverter 2300KTG006A-F 6632L-0494A
napisao Tvberza » 29 Apr 2014, 18:53 » u SRB PRODAJA - LCD - LED televizori monitori - 0 Odgovori
- 520 Pregledano
-
Zadnji post napisao Tvberza
29 Apr 2014, 18:53
-
-
-
INVERTER 6632L-0189A
napisao Tvberza » 28 Nov 2014, 22:11 » u SRB PRODAJA - LCD - LED televizori monitori - 0 Odgovori
- 552 Pregledano
-
Zadnji post napisao Tvberza
28 Nov 2014, 22:11
-
