FIRMA: FAIRTEC
MODEL:LCD2606/9765
CHASSIS(oznaka šasije): ?
PCB(oznake na štampanoj ploči): E/RSAG7.820.387A
MCU(procesor): ? HLADNJACI SU ZALEPLJENI
EEPROM: 24C04 i 24C64
VERTIKALA: -
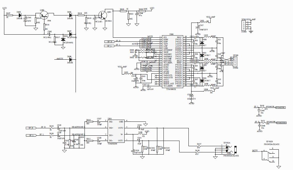
AUDIO: TDA2822M,TPA3008D2
VIDEO:-
SMPS (mreža): STRW5667
FBT (vn trafo):-
TUNER:TEDE9-2A7A SHALPS
KVAR:Nema zvuka
OPIS KVARA:Nema zvuka na zvucnicima,a kada se prikljuce slusalice na njima zvuk uredan.Sumnjam na ic kolo TDA2822M ali mi je potrebna sema za ovaj tv da proverim ostale komponente.Napajanje TDA2822M uredno,12 V.
Fairtec LCD2606 nema zvuk(Reseno)
Pravila foruma
Naslov teme treba da bude u formatu: PROIZVOĐAČ, MODEL, KRATAK OPIS KVARA
Nakon rešenog kvara zatvoriti temu >> >UPUTSTVO< u suprotnom ništa ne činiti.
RAZNA UPUTSTVA
Naslov teme treba da bude u formatu: PROIZVOĐAČ, MODEL, KRATAK OPIS KVARA
Nakon rešenog kvara zatvoriti temu >> >UPUTSTVO< u suprotnom ništa ne činiti.
RAZNA UPUTSTVA
Fairtec LCD2606 nema zvuk(Reseno)
Zadnja izmena: kele, dana 01 Avg 2011, 10:24, ukupno menjano 2 puta.
Re: Fairtec LCD2606 nema zvuk
Evo zvuk sam dobio.Problem je bio u shotky diodi D802 oznake S16 koja je probila i kada sam je izvadio,zvuk je dosao.Medjutim sada imam drugi problem koji je verovatno nastao kad i proboj ove diode.Desava se to da kada krenem pojacavati zvuk od nule pojacava se do trojke i onda pad jacine zvuka pa se ponovo pojacava negde od 45 pa dalje.Nemam semu za ovaj tv pa kao da pipam u mraku.Sta li je uzrok ove blesave kontrole tona?Da dodam jos da je dioda D802 bila u kolu TPA3008D2 koje je takodje audio amplifier i zamenom iste zvuka ima ali je pojacavanje neravnomerno.
Re: Fairtec LCD2606 nema zvuk
Hvala druze na semi.Mozemo smatrati da je resen ovaj TV posto musterija kaze da je tv kupljen sa fabrickom greskom i da je tako radio od prvog dana.Sasvim lepo pojacava i smanjuje od 39 pa nadalje,tako da je to to.
-
- Slične teme
- Odgovori
- Pregledano
- Zadnji post
-
-
TV LCD FAIRTEC LCD2606 - Vrednosti smd otpornika (RESENO)
napisao vladan80 » 04 Apr 2009, 12:29 » u Servisiranje LCD Televizora - 2 Odgovori
- 1423 Pregledano
-
Zadnji post napisao vladan80
06 Apr 2009, 20:34
-
-
-
Potreban DUMP za FAIRTEC FTS2000 REŠENO
napisao spin » 24 Jun 2015, 17:43 » u Servisiranje LCD Televizora - 1 Odgovori
- 1326 Pregledano
-
Zadnji post napisao spin
25 Jun 2015, 10:30
-
-
- 1 Odgovori
- 1302 Pregledano
-
Zadnji post napisao milan
15 Nov 2011, 09:05
-
-
FAIRTEC FC42Z21FHD filtracija 24V linije
napisao dragan.marjanovic » 03 Jan 2014, 15:41 » u Servisiranje LCD Televizora - 12 Odgovori
- 2346 Pregledano
-
Zadnji post napisao Stolle
04 Jan 2014, 13:58
-

