Visokonaponski osigurač u mikrotalasnoj (REŠENO)
Urednici: goranfri,nike,sim,Honorarac
Pravila foruma
BT-expert info - BTexpert forumi
U naslov teme prvo pisati ime proizvođača, zatim oznake modela bez crtica i razmaka i kratak opis kvara. U post obavezno upisati ID ili EAN oznake sa poleđine aparata u suprotnom tema će biti obrisana.
Praktikujemo da na kraju opišemo kako smo rešili problem. Zatim zatvorimo temu >UPUTSTVO<
PRILIKOM POSTAVLJANJA PITANJA U VEZI ELEKTRONSKOG MODULA OBAVEZNO POPIŠITE SVE OZNAKE sa ploče i sa nalepnica, dobro bi došla i po koja fotografija.
BT-expert info - BTexpert forumi
U naslov teme prvo pisati ime proizvođača, zatim oznake modela bez crtica i razmaka i kratak opis kvara. U post obavezno upisati ID ili EAN oznake sa poleđine aparata u suprotnom tema će biti obrisana.
Praktikujemo da na kraju opišemo kako smo rešili problem. Zatim zatvorimo temu >UPUTSTVO<
PRILIKOM POSTAVLJANJA PITANJA U VEZI ELEKTRONSKOG MODULA OBAVEZNO POPIŠITE SVE OZNAKE sa ploče i sa nalepnica, dobro bi došla i po koja fotografija.
Visokonaponski osigurač u mikrotalasnoj (REŠENO)
U mikrotalasnoj marke Pro Vision MW4500 izgoreo visokonaponski osigurač (5kV, 0.75A). U nekim modelima ni ne postoji ovaj deo, a teško se nabavlja, u Novom Sadu ga nema (ima u M&G u Nišu ali je cena 470din.+ PTT). Zanima me, da li u ovakvim slučajevima jednostavno izbacite osigurač iz strujnog kruga ?
Pozdrav svima, i unapred hvala.
Pozdrav svima, i unapred hvala.
Zadnja izmena: rosko, dana 20 Feb 2008, 21:35, ukupno menjano 1 put.
Mikrotalasne nisu uredjaji koje bas cesto imama priliku da popravljam, ali premoscavanje bilo kakvog osiguraca ma on bio i za 5,12, 220 a pogotovo za 5KV napone ne moze biti pametna stvar. E sad, moguce da i kada stavis novi osigurac on jednostavno crkne sto ukazuje na neki veci kvar, ali barem neces napraviti neki belaj.
- rubin_miki
- Preminuo
- Postovi: 3382
- Pridružen: 13 Avg 2006, 00:22
- Location: Prilep Makedonija
- Specialty: tv-multimedia
- Kontakt:
0.75A su 0.75A..pa bilo za 5v, 12v, 220v ili 5kv..jedino sto treba da obratis paznju jeste na izolaciju istog jer moze da baca varnice levo-desno sto bi dovelo do pregoravanja istog ili jos neku vecu stetu..stavi obican osigurac (osiguraca mora biti tamo gde je predvidjeno, nikako prespajanje zicama i nadrimajstorlukom) i izoliraj dobro.....
ce da izadjem na televizor,a????
http://www.macedonium.org/makedonija.swf
http://www.macedonium.org/makedonija.swf
- JaroslavBires
- ___

- Postovi: 392
- Pridružen: 25 Okt 2007, 19:06
- Location: Stara Pazova
- Specialty: whitegoods
- Lokacija: Stara Pazova
Možda ne znam, al' znam, ko zna! 
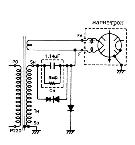
U medjuvremenu sam malo "guglao" i došao do zaključka, da u onim mikrotalasnim pećima koje nemaju visokonaponski osigurač, pored one redovne v.n. diode postoji neka vrsta zaštitne diode (na telu je znak: dve diode katodama okrenute jedna prema drugoj) koja je spojena paralelno sa v.n. kondenzatorom. U mom slučaju čini se da su ispravni i dioda i kondenzator, a i greje mikro bez čudnih zvukova kad ga na kratko spojim bez osigurača. Inače, koliko vidim na netu, osigurač se prodaje u kompletu sa plastičnim kućištem i ožičenjem, a sam osigurač je 6x40 mm, stakleni, i na njemu piše: 5kV 0.75A.
- Prilog
-
- Šema v.n. kola
- High-Voltage Circuit.jpg (41.62 KiB) Pregledano 5968 puta.
Nekoliko dana sam se bavio drugim stvarima, u medjuvremenu iz Niša nabavio visokonaponski osigurač, montirao ga i završio priču. Jeste, da je skup, ali što je sigurno, sigurno je. Naravno, prvo sam probao i po onoj šemi sa zaštitnom diodom, od nekih starih delova, onako iz radoznalosti, mikrotalasna je radila i tako bez problema. Hvala na savetima 
-
- Slične teme
- Odgovori
- Pregledano
- Zadnji post
-
-
Smeg S381X-5 ugradbena pećnica-izbacio osigurač
napisao orion52 » 03 Dec 2020, 16:53 » u OSTALI APARATI - 15 Odgovori
- 4693 Pregledano
-
Zadnji post napisao orion52
09 Dec 2020, 11:29
-


