Gorenje GVI553S1 ponovo problem sa grijanjanjem - ODUSTAO

Forum sudo mašine.

Urednici: goranfri,nike,sim,Honorarac

Pravila foruma
BT-expert info - BTexpert forumi
U naslov teme prvo pisati ime proizvođača, zatim oznake modela bez crtica i razmaka i kratak opis kvara. U post obavezno upisati ID ili EAN oznake sa poleđine aparata u suprotnom tema će biti obrisana.
Praktikujemo da na kraju opišemo kako smo rešili problem. Zatim zatvorimo temu >UPUTSTVO<
PRILIKOM POSTAVLJANJA PITANJA U VEZI ELEKTRONSKOG MODULA OBAVEZNO POPIŠITE SVE OZNAKE sa ploče i sa nalepnica, dobro bi došla i po koja fotografija.
Ivek
_
_
Postovi: 117
Pridružen: 24 Avg 2011, 08:11
Location: Krapina RH

Gorenje GVI553S1 ponovo problem sa grijanjanjem - ODUSTAO

Post napisao Ivek » 19 Feb 2013, 19:50

Gorenje GVI 553 S1
art: 662950
krene sa radom i kad bi trebala grijati vodu -stane i ne radi nista, ne javlja nikakvu gresku, napon na grijac ne dobiva, grijac, ntc, hidrostat, pumpa - sve ispravno, opet elektronika? :m: zadnji put sam promjenio kondenzatore i bilo je dobro (do sad) sta bi sad moglo biti relej?
Prilog
b0ymneijnvvpge98428.jpg
Zadnja izmena: Ivek, dana 22 Mar 2013, 01:14, ukupno menjano 1 put.

Avatar
jaro
bela tehnika
bela tehnika
Postovi: 1273
Pridružen: 21 Jun 2009, 11:53
Location: stara pazova
Contact person: jaro
Specialty: whitegoods

Re: Gorenje GVI553S1 ponovo problem sa grijanjanjem

Post napisao jaro » 20 Feb 2013, 07:40

Moze da bude do releja.
Bez alata nema zanata!.....a bez znanja dzaba ti alat!

Ivek
_
_
Postovi: 117
Pridružen: 24 Avg 2011, 08:11
Location: Krapina RH

Re: Gorenje GVI553S1 ponovo problem sa grijanjanjem

Post napisao Ivek » 25 Feb 2013, 14:07

nije do releja -ispitano
na svakom programu dešava se isto, uzme vodu, uključi se optočna pumpa koja radi točno 1min. i stane, vise ne radi nista a ne javnja nikakvu grešku

gelevski
bela tehnika
bela tehnika
Postovi: 224
Pridružen: 06 Mar 2011, 17:22
Location: Skopje Makedonija
Contact person: Rade Gelevski

Re: Gorenje GVI553S1 ponovo problem sa grijanjanjem

Post napisao gelevski » 25 Feb 2013, 18:49

A jesi li promenio onaj kondezator sto ima zalepljen kod na njemu

Ivek
_
_
Postovi: 117
Pridružen: 24 Avg 2011, 08:11
Location: Krapina RH

Re: Gorenje GVI553S1 ponovo problem sa grijanjanjem

Post napisao Ivek » 26 Feb 2013, 01:20

jesam, njega sam promjenio več prije (to je stara slika) njega sam isto sad ispitao i on je dobar

Ivek
_
_
Postovi: 117
Pridružen: 24 Avg 2011, 08:11
Location: Krapina RH

Re: Gorenje GVI553S1 ponovo problem sa grijanjanjem (odustao)

Post napisao Ivek » 22 Mar 2013, 01:16

elektronika je opet u pitanju, stranka odustala od servisa pošto elektronika dodje ko pola mašine

Lp

c00l4nt
_
_
Postovi: 53
Pridružen: 19 Nov 2012, 19:20
Location: Podgorica
Warranty service: PHILIPS, LG, PIONEER
Contact person: Boris
Specialty: tv-multimedia
Lokacija: Podgorica

Re: Gorenje GVI553S1 ponovo problem sa grijanjanjem (odustao)

Post napisao c00l4nt » 24 Mar 2013, 11:41

Senzor pritiska vode si mogao provjeriti ako ga ima...
Rad je stvorio čovjeka, a nerad gospodina...

Ivek
_
_
Postovi: 117
Pridružen: 24 Avg 2011, 08:11
Location: Krapina RH

Re: Gorenje GVI553S1 ponovo problem sa grijanjanjem (odustao)

Post napisao Ivek » 27 Mar 2013, 02:37

mislim da nema, znam da je do elektronike jer sam u medjuvremenu imao potpunu istu masinu i isti slucaj pa sam samo zamjenio elektroniku za probu i masina je odmah proradila.

tomic@blic.net
_
_
Postovi: 1
Pridružen: 04 Jun 2013, 22:28
Location: Banjaluka

Re: Gorenje GVI553S1 ponovo problem sa grijanjanjem (odustao)

Post napisao tomic@blic.net » 10 Jun 2013, 08:49

Imao sam slican problem. Masina nikako da zavrsi program, neprekido se resetuje i ponavlja isto. 65 sekundi vrti i sprica , stane na 3 sekunde, dvostruki zvucni bip i tako satima.
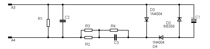
Na plocici elektronike se nalazi beztransformatorsko napajanje, kolo koje pravi 24V DC od 220 V AC.
Promijenio sam 3 elektrolita i jedan blok kondenzator koji se ovdje spominje. Ja mu nisam znao vrijednost jer je neko prije mene pokusavao mijenjati, ali ja sam ugradio 1uF 400V.
Rijeseno. Mogao bi neko da objavi vrijednost tog kondenzatora sivog koji se pominje.
Prilog
sudje.jpg
sudje.jpg (15.74 KiB) Pregledano 2996 puta.

Avatar
murko62
_
_
Postovi: 47
Pridružen: 27 Jan 2010, 02:05
Location: Lebane
Specialty: whitegoods

Re: Gorenje GVI553S1 ponovo problem sa grijanjanjem (odustao

Post napisao murko62 » 06 Avg 2014, 06:36

C3=1.2uF/280~VAC ili 1.5uF/280~VAC poliester blok kondezator ,nisu svuda isti(zavisi za koje opterećenje je projektovano napajanje) ,ponegde bude i 2.2uF /280VAC.

Avatar
bracans
bela tehnika
bela tehnika
Postovi: 459
Pridružen: 19 Apr 2014, 12:49
Location: Novi Sad
Specialty: whitegoods

Re: Gorenje GVI553S1 ponovo problem sa grijanjanjem - ODUSTA

Post napisao bracans » 02 Sep 2015, 09:03

Evo sema kopcanja za tu masinu
Prilog
sudovi 1.pdf
(101.16 KiB) Preuzeto 387 puta.
Za moju svaštaru na googl pretrazi kucati moj electro cool blog.

Odgovori
  • Slične teme
    Odgovori
    Pregledano
    Zadnji post

Natrag na “MAŠINE ZA SUDOVE”