Elin 37AAA-odustao
Urednici: goranfri,nike,sim,Honorarac
Pravila foruma
BT-expert info - BTexpert forumi
U naslov teme prvo pisati ime proizvođača, zatim oznake modela bez crtica i razmaka i kratak opis kvara. U post obavezno upisati ID ili EAN oznake sa poleđine aparata u suprotnom tema će biti obrisana.
Praktikujemo da na kraju opišemo kako smo rešili problem. Zatim zatvorimo temu >UPUTSTVO<
PRILIKOM POSTAVLJANJA PITANJA U VEZI ELEKTRONSKOG MODULA OBAVEZNO POPIŠITE SVE OZNAKE sa ploče i sa nalepnica, dobro bi došla i po koja fotografija.
BT-expert info - BTexpert forumi
U naslov teme prvo pisati ime proizvođača, zatim oznake modela bez crtica i razmaka i kratak opis kvara. U post obavezno upisati ID ili EAN oznake sa poleđine aparata u suprotnom tema će biti obrisana.
Praktikujemo da na kraju opišemo kako smo rešili problem. Zatim zatvorimo temu >UPUTSTVO<
PRILIKOM POSTAVLJANJA PITANJA U VEZI ELEKTRONSKOG MODULA OBAVEZNO POPIŠITE SVE OZNAKE sa ploče i sa nalepnica, dobro bi došla i po koja fotografija.
Elin 37AAA-odustao
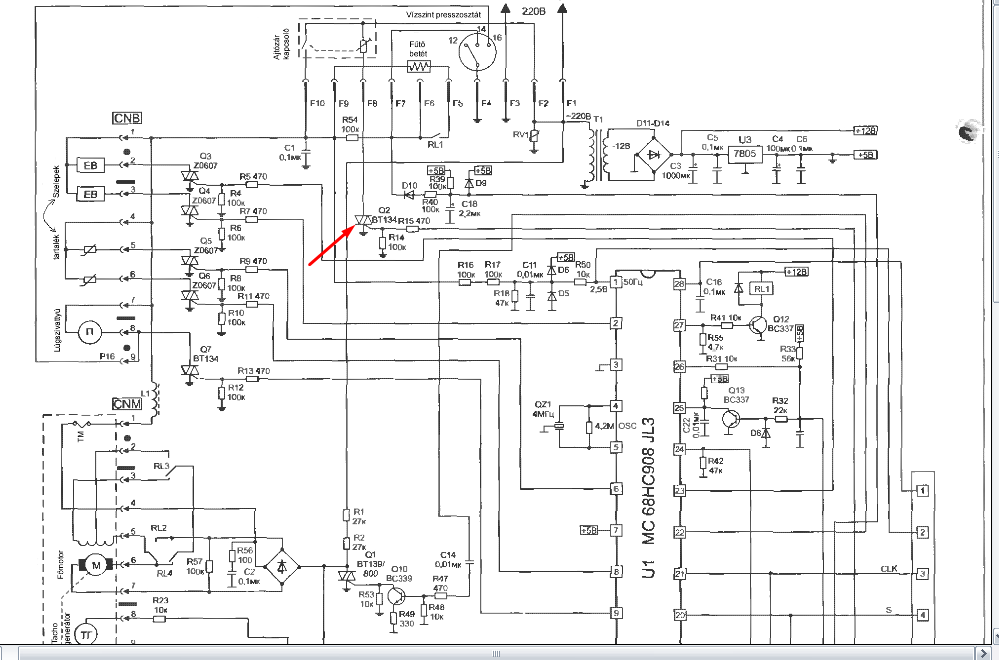
Posto sam nov ovde,unapred se izvinjavam ako sam promasio mesto i vreme za ovu temu. Nisam expert u popravljanju ves masina ali recimo da mi ne ide lose i da imam pristojnog iskustva. Dakle,problem u gore navedenoj masini se ogleda u tome sto kada se ukljuci masina pale se sve lampice i ventil za prijem vode. Na displeju je nesto nedefinisano,par crtica bez logike i to je sve. Pomeranjem selektora na bilo koju drugu poziciju,ista stvar. Ono sto sam otkrio je da je donji modul u problemu. Fali deo stampe,trijak na hladnjaku je u slusu i svih 5 tranzistora ne valjaju. Ono sto mene zanima je sto sam primetio da je neko pre mene vec krpio ovu elektroniku sto i ja nameravam,ali me zanima zasto se to desilo? Dakle sta je moguci uzrok da ne bih dosao u situaiju da je namontiram pa da opet plane. I taj trijak na hladnjaku,ne mogu da procitam koji je.Pa,ako neko zna i hoce da pomogne bicu mu zahvalan. Modul je minisel 1600.
Zadnja izmena: boja981, dana 02 Apr 2016, 22:07, ukupno menjano 1 put.
Re: elin 37aaa
BT134 a ako ti bude trebala komplet shema pri popravci imaš na linku http://elektrotanya.com/elin_minisel_16 ... nload.html
-
junuzovic
- ___

- Postovi: 594
- Pridružen: 14 Dec 2011, 21:04
- Location: Bosna i Hercegovina
- Specialty: computers
Re: elin 37aaa
Triak je BTB16-800B ili BT139-600, Možda ova shema Vam pomogne.
http://www.radioradar.net/repair_electr ... _ardo.html
http://www.radioradar.net/repair_electr ... _ardo.html
Re: elin 37aaa
Hvala puno.
Re: Elin 37AAA
Trijak treba da bude bt134.A pored trijaka vecinom pregori i veliki grec KBU8m.Ako je spaljena stampa oko trijaka i nekoliko otpornika,moguce da je ostecen procesor.Uzrok je najcesce motor.Treba proveriti i ostale elemente na ploci,releje obavezno.Ta cetiri elementa kod releja za grejac sto izgledaju kao tranzistori su u stvari trijaci.
Ispravka.Trijak za motor je BT139-800.
Re: Elin 37AAA
Skontao sam da su ta 4 elementa trijaci. Ako se ne varam za ukljucenje ventila za vodu,bravice itd. Nose oznaku zo607. Umesto njih sam narucio T1M5F600A, 1A, 600V. Da li je to ok? Trijak motora je umro ali stampa oko njega je ok kao i grec. Releji su ok,mada sam primetio da je neko vec ranije menjao 1. Motor nema proboja na masu. Taho i cetkice su ok. Na sta da obratim paznju? Sta je simptomaticno za taj motor?
Re: Elin 37AAA
Proveri jos jednom taho I njegov magnet.Stavi unimer na omsko podrucje,vezi pipalice unimera naizvode taho namotaja,pa onda lagano rukom okreci rotor motora I gledaj dali se otpor smanjuje,ide u nulu,ostaje isti ili raste.Ako ostaje konstantan ili rasti onda nevalja magnet tahogeneratora.
-
vlada69
- gx

- Postovi: 1496
- Pridružen: 14 Okt 2012, 13:40
- Location: Kupinovo
- Contact person: Vlada
- Specialty: tv-multimedia
Re: Elin 37AAA
Najčešće je problem u motoru i elektromagnetnoj bravici .Tahogenerator treba da ima otpor oko 100oma . Kada remenicu motora zavrtiš rukom i meriš napon na tahogeneratoru treba da daje napon od 3-4V AC . Ja motor povežem preko reostata i tako mu ispitujem koliko vuče struju i koliki napon pravi tahogenerator.
Re: Elin 37AAA
Sa porastom broja obrtaja na izvodima za taho na omskom podrucju unimer pokazuje da otpor raste. Dakle,zakljucak je da ne valja magnet tahogeneratora?Hazbo je napisao:Proveri jos jednom taho I njegov magnet.Stavi unimer na omsko podrucje,vezi pipalice unimera naizvode taho namotaja,pa onda lagano rukom okreci rotor motora I gledaj dali se otpor smanjuje,ide u nulu,ostaje isti ili raste.Ako ostaje konstantan ili rasti onda nevalja magnet tahogeneratora.
-
junuzovic
- ___

- Postovi: 594
- Pridružen: 14 Dec 2011, 21:04
- Location: Bosna i Hercegovina
- Specialty: computers
Re: Elin 37AAA
Provjeri napon , ovo što ti je vlada69 napisao..
Re: Elin 37AAA
Napon proveren..3-4v kada se zavrti rukom. Zarad sigurnosti rasturio sam motor da dodjem do tahoa..tj magneta. Izgleda dobro. Bez pukotina..naprslina isl.Jedino sto sam nasao je ugljena prasina od cetkica na samom taho-u. Izbrisao sve i spakovao. Sutra pakujem modul pa cu probati sta se desava. Evo i par slika..
- Stolle
- Preminuo
- Postovi: 19098
- Pridružen: 12 Avg 2006, 23:35
- Location: Srbija
- Specialty: tv-multimedia
- Lokacija: Dimitrovgrad
Re: Elin 37AAA
13MB za ove skoro beznačajne i loše slike??? Au...
Obrati pažnju sledeći put kod postavljanja.
Nema nikakve potrebe za to. Evo ih smanjene gde se sve vidi.
Obrati pažnju sledeći put kod postavljanja.
"29 poslednjih dana u mesecu je najteže"
Re: Elin 37AAA
Da,ti trijaci su Z0607.Mogu i ti da posluze sto si narucio,ali ima da se nadju i original,mada nemoguce je da su sva cetiri pregorela.Ja bar nisam imao taj slucaj.Kada ti stignu novi uporedi merenja sa starima za svaki slucaj.Proveri jos i diode na ploci obavezno i tranzistore za releje.Ja sam cist elektronicar i ako imas pitanja u vezi te ploce pomoci cu ti.U vezi ostatka masine ce ti pomoci ostale kolege.
Re: Elin 37AAA
U pravu si sto se tice trijaca zo607...bili su ispravni. Nisam gledao datasheet i raspored nozica pa sam ih posmatrao kao i BT139. No,bez obzira na sve to,izmenjao sam sve,namontirao i...nista. Potpuno ista prica. Displej brlja,cim se ukljuci dok je selektor jos na 0 polozaju pali se ventil za vodu,lampice blinkaju bez ikakvog rezona..dakle,dizem ruke. Morace nova.
U svakom slucaju hvala svima na iscrpnoj pomoci.
Re: Elin 37AAA
Meni to više djeluje da mikrokontroler nema ispravno napajanje +5, ili 3.3 V ?
Re: Elin 37AAA
Na regulatoru napona LM7805 izlaz 4.9- 5v .opto22 je napisao:Meni to više djeluje da mikrokontroler nema ispravno napajanje +5, ili 3.3 V ?
Re: Elin 37AAA
Po mom skromnom znanju o masinama taj motor treba da ima i termo zastitu ukoliko motor ima 9 zica,a na tvojoj prilozenoj slici ima 9 zica.Kada se previse optereti motor ta termo zastita "izbaci" i treba je prespojiti ili staviti drugu termozastitu.To sam naucio od majstora koji mi donose te ploce na popravku.Naravno pregori trijak na hladnjaku BT139 i veliki grec.Ja sam to najcesce imao kada mi stigne ploca na popravku.Nekada je potrebno promeniti i neki od releja.To sa displejom nisam nikada imao,a popravio sam dosta tih ploca.Mozda je i neki hladan lem u pitanju,neka zica ili konektor.Kod tebe je jos neki deo na ploci pregoreo najverovatnije.Ako nigde nije spaljena stampa i na stabilizatoru imas 5V procesor je najverovatnije citav,sto znaci da je moguce da se popravi.
-
drragan66
- _

- Postovi: 12
- Pridružen: 28 svi 2011, 21:49
- Location: Bela Crkva Srbija
- Contact person: Dragan
- Specialty: tv-multimedia
Re: Elin 37AAA
Imao sam takav problem, pali lamice i otvara ventil. Bilo je do procesora. Proveri izlaz sa procesora koji otvara ventil. Ne mogu da se setim da li je probio na masu ili na 5V.
-
vlada69
- gx

- Postovi: 1496
- Pridružen: 14 Okt 2012, 13:40
- Location: Kupinovo
- Contact person: Vlada
- Specialty: tv-multimedia
Re: Elin 37AAA
Meni to takodje izgleda na ne ispravan procesor .
-
- Slične teme
- Odgovori
- Pregledano
- Zadnji post
-
- 12 Odgovori
- 5535 Pregledano
-
Zadnji post napisao Radojcic Dejan
13 Sep 2011, 12:12
-
- 7 Odgovori
- 1959 Pregledano
-
Zadnji post napisao Matori2
11 Apr 2012, 21:11
-
- 4 Odgovori
- 1476 Pregledano
-
Zadnji post napisao alexaknez
06 Avg 2012, 17:50
-
- 5 Odgovori
- 1978 Pregledano
-
Zadnji post napisao @bane@
09 Dec 2014, 22:32
-
- 14 Odgovori
- 6447 Pregledano
-
Zadnji post napisao nesonisevic
30 svi 2015, 13:59
-
- 3 Odgovori
- 5631 Pregledano
-
Zadnji post napisao ZDRAVKO T
25 Jun 2015, 22:58
-
- 10 Odgovori
- 6606 Pregledano
-
Zadnji post napisao ivica stantic
03 svi 2018, 12:03
-
- 3 Odgovori
- 1701 Pregledano
-
Zadnji post napisao rrpisti
24 Mar 2020, 16:47

