samsung SWF4003 e (RESENO)
Urednici: goranfri,nike,sim,Honorarac
Pravila foruma
BT-expert info - BTexpert forumi
U naslov teme prvo pisati ime proizvođača, zatim oznake modela bez crtica i razmaka i kratak opis kvara. U post obavezno upisati ID ili EAN oznake sa poleđine aparata u suprotnom tema će biti obrisana.
Praktikujemo da na kraju opišemo kako smo rešili problem. Zatim zatvorimo temu >UPUTSTVO<
PRILIKOM POSTAVLJANJA PITANJA U VEZI ELEKTRONSKOG MODULA OBAVEZNO POPIŠITE SVE OZNAKE sa ploče i sa nalepnica, dobro bi došla i po koja fotografija.
BT-expert info - BTexpert forumi
U naslov teme prvo pisati ime proizvođača, zatim oznake modela bez crtica i razmaka i kratak opis kvara. U post obavezno upisati ID ili EAN oznake sa poleđine aparata u suprotnom tema će biti obrisana.
Praktikujemo da na kraju opišemo kako smo rešili problem. Zatim zatvorimo temu >UPUTSTVO<
PRILIKOM POSTAVLJANJA PITANJA U VEZI ELEKTRONSKOG MODULA OBAVEZNO POPIŠITE SVE OZNAKE sa ploče i sa nalepnica, dobro bi došla i po koja fotografija.
- nase
- _

- Postovi: 99
- Pridružen: 07 Feb 2008, 22:57
- Location: Pehcevo
- Contact person: Daniel Stefanovski
- Specialty: whitegoods
- Lokacija: MACEDONIJA
- Kontakt:
samsung SWF4003 e (RESENO)
molio bih ko ima semu za ovaj model tj. servis manuel
hvala
hvala
D.O.O. Alfa Elektektrothenika - Pehchevo, Republika Makedonija e ovlasten servis za bela tehnika i razladni uredi
- kisko
- Preminuo
- Postovi: 2054
- Pridružen: 12 Jun 2007, 01:51
- Location: Kovilj-na kraj sveta
- Specialty: tv-multimedia
- Lokacija: Kovilj-Novi sad
Re: samsung SWF4003 e
Dal si koristio pretragu
viewtopic.php?p=82211#p82211 ,....pogledaj dal ti odgovara
uvek ima nesto interesantno
- nase
- _

- Postovi: 99
- Pridružen: 07 Feb 2008, 22:57
- Location: Pehcevo
- Contact person: Daniel Stefanovski
- Specialty: whitegoods
- Lokacija: MACEDONIJA
- Kontakt:
Re: samsung SWF4003 e
Da to sam sve video al ne odgovara hvala
D.O.O. Alfa Elektektrothenika - Pehchevo, Republika Makedonija e ovlasten servis za bela tehnika i razladni uredi
- milan
- Preminuo
- Postovi: 4426
- Pridružen: 19 Avg 2006, 22:38
- Location: Novi Sad
- Specialty: tv-multimedia
Re: samsung SWF4003 e
A ova
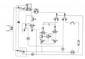
Sema od ARDO A400
Sema od ARDO A400
- nase
- _

- Postovi: 99
- Pridružen: 07 Feb 2008, 22:57
- Location: Pehcevo
- Contact person: Daniel Stefanovski
- Specialty: whitegoods
- Lokacija: MACEDONIJA
- Kontakt:
Re: samsung SWF4003 e
ne mogu to otvoriti kao da je prazan atacment
D.O.O. Alfa Elektektrothenika - Pehchevo, Republika Makedonija e ovlasten servis za bela tehnika i razladni uredi
- kisko
- Preminuo
- Postovi: 2054
- Pridružen: 12 Jun 2007, 01:51
- Location: Kovilj-na kraj sveta
- Specialty: tv-multimedia
- Lokacija: Kovilj-Novi sad
Re: samsung SWF4003 e
Ako misliš na ovo što je Milan postavio,klikneš na nju pa kad je uveliča ideš desni klik mišem i izabereš save as ili već koju opciju ti nudi(kod mene je "sačuvaj sliku kao..) i snimiš je na svoj HD,onaj link što sam postavio sam probao i svi fajlovi su tamo
uvek ima nesto interesantno
- nase
- _

- Postovi: 99
- Pridružen: 07 Feb 2008, 22:57
- Location: Pehcevo
- Contact person: Daniel Stefanovski
- Specialty: whitegoods
- Lokacija: MACEDONIJA
- Kontakt:
Re: samsung SWF4003 e
to vec znam ali izgleda da nema nista na fajlu
samo pise atacment -niti mogu otvoriti niti obeleziti
pa mi zato neda pr; save ,copy i drugo znaci ponasa se kao da je prazan fajl
samo pise atacment -niti mogu otvoriti niti obeleziti
pa mi zato neda pr; save ,copy i drugo znaci ponasa se kao da je prazan fajl
D.O.O. Alfa Elektektrothenika - Pehchevo, Republika Makedonija e ovlasten servis za bela tehnika i razladni uredi
- nec
- Site Admin

- Postovi: 4871
- Pridružen: 17 Okt 2007, 22:15
- Location: Makedonija, Strumica
- Phone number: 0038978425778
- Specialty: tv-multimedia
- Kontakt:
Re: samsung SWF4003 e
Evo je zapakovanu pa vidi dali je u redu
- Prilog
-
ardo_a400.rar- (50.17 KiB) Preuzeto 126 puta.
Kad zamenimo ideje svi imamo duplo vise ideja
- nase
- _

- Postovi: 99
- Pridružen: 07 Feb 2008, 22:57
- Location: Pehcevo
- Contact person: Daniel Stefanovski
- Specialty: whitegoods
- Lokacija: MACEDONIJA
- Kontakt:
Re: samsung SWF4003 e
hvala
to je u redu
to je u redu
D.O.O. Alfa Elektektrothenika - Pehchevo, Republika Makedonija e ovlasten servis za bela tehnika i razladni uredi
- kisko
- Preminuo
- Postovi: 2054
- Pridružen: 12 Jun 2007, 01:51
- Location: Kovilj-na kraj sveta
- Specialty: tv-multimedia
- Lokacija: Kovilj-Novi sad
Re: samsung SWF4003 e
Nase probaj sad na sliku dal će ti dozvoliti da je snimiš na HD,promenio sam pri postavljanju fajla i kliknuo na "postavi u red",mada je meni i onako htelo da je snimi na HD 
uvek ima nesto interesantno
- nase
- _

- Postovi: 99
- Pridružen: 07 Feb 2008, 22:57
- Location: Pehcevo
- Contact person: Daniel Stefanovski
- Specialty: whitegoods
- Lokacija: MACEDONIJA
- Kontakt:
Re: samsung SWF4003 e
Da moze se snimiti na HD
hvala jos jednom
hvala jos jednom
D.O.O. Alfa Elektektrothenika - Pehchevo, Republika Makedonija e ovlasten servis za bela tehnika i razladni uredi
- nase
- _

- Postovi: 99
- Pridružen: 07 Feb 2008, 22:57
- Location: Pehcevo
- Contact person: Daniel Stefanovski
- Specialty: whitegoods
- Lokacija: MACEDONIJA
- Kontakt:
Re: samsung SWF4003 e
probao sam sa semu arda al ne ide ,na samim PG ima semu al i sa njom ne ide valjda fali neki most pa ako ima neko original semu nek mi posalje
D.O.O. Alfa Elektektrothenika - Pehchevo, Republika Makedonija e ovlasten servis za bela tehnika i razladni uredi
- kisko
- Preminuo
- Postovi: 2054
- Pridružen: 12 Jun 2007, 01:51
- Location: Kovilj-na kraj sveta
- Specialty: tv-multimedia
- Lokacija: Kovilj-Novi sad
Re: samsung SWF4003 e
Nisi ni napisao u čemu je problem,možda bravica samo a ti tražiš šemu... 
uvek ima nesto interesantno
- nase
- _

- Postovi: 99
- Pridružen: 07 Feb 2008, 22:57
- Location: Pehcevo
- Contact person: Daniel Stefanovski
- Specialty: whitegoods
- Lokacija: MACEDONIJA
- Kontakt:
Re: samsung SWF4003 e
problem je u tome sta je masina bila u prodavnicu al za neku drugu je izvadjen PGpa sad ga nema ja sam nabavio al prema semi nesto ne ide (semu na samim PG-u) pa zato trazim semu da ih usporedim
D.O.O. Alfa Elektektrothenika - Pehchevo, Republika Makedonija e ovlasten servis za bela tehnika i razladni uredi
- nase
- _

- Postovi: 99
- Pridružen: 07 Feb 2008, 22:57
- Location: Pehcevo
- Contact person: Daniel Stefanovski
- Specialty: whitegoods
- Lokacija: MACEDONIJA
- Kontakt:
Re: samsung SWF4003 e RESENO
reseno
Ispostavilo se da fale dva mosta koji nisu prestavene u semu veza na pg-u
nasao sam istu masinu i presnimio semu (Zicu po zicu) i sad je sve ok
Ispostavilo se da fale dva mosta koji nisu prestavene u semu veza na pg-u
nasao sam istu masinu i presnimio semu (Zicu po zicu) i sad je sve ok
D.O.O. Alfa Elektektrothenika - Pehchevo, Republika Makedonija e ovlasten servis za bela tehnika i razladni uredi
-
- Slične teme
- Odgovori
- Pregledano
- Zadnji post
-
- 12 Odgovori
- 9288 Pregledano
-
Zadnji post napisao IvanBG
02 Avg 2009, 13:26
-
-
VEŠ MAŠINA SAMSUNG P1453 NE RADI CENTRIFUGA - RESENO
napisao msergius » 10 Jun 2012, 14:34 » u VEŠ MAŠINE - 6 Odgovori
- 5732 Pregledano
-
Zadnji post napisao msergius
13 Jun 2012, 20:40
-
-
- 4 Odgovori
- 1218 Pregledano
-
Zadnji post napisao hagula
30 Jan 2013, 23:47
-
- 18 Odgovori
- 4252 Pregledano
-
Zadnji post napisao Hazbo
16 Dec 2014, 20:28
-
- 11 Odgovori
- 2848 Pregledano
-
Zadnji post napisao murko62
09 svi 2015, 17:41
-
- 2 Odgovori
- 1149 Pregledano
-
Zadnji post napisao nesonisevic
12 Okt 2016, 21:08
-
- 3 Odgovori
- 1990 Pregledano
-
Zadnji post napisao junuzovic
01 Dec 2016, 15:15
-
- 2 Odgovori
- 1210 Pregledano
-
Zadnji post napisao KRKI
06 Nov 2017, 23:44
