Candy Alise AL CB 133T REŠENO

Forum o MAŠINAMA ZA PRANJE I MAŠINAMA ZA SUŠENJE VEŠA.

Urednici: goranfri,nike,sim,Honorarac

Pravila foruma
BT-expert info - BTexpert forumi
U naslov teme prvo pisati ime proizvođača, zatim oznake modela bez crtica i razmaka i kratak opis kvara. U post obavezno upisati ID ili EAN oznake sa poleđine aparata u suprotnom tema će biti obrisana.
Praktikujemo da na kraju opišemo kako smo rešili problem. Zatim zatvorimo temu >UPUTSTVO<
PRILIKOM POSTAVLJANJA PITANJA U VEZI ELEKTRONSKOG MODULA OBAVEZNO POPIŠITE SVE OZNAKE sa ploče i sa nalepnica, dobro bi došla i po koja fotografija.
Avatar
dudo40
_
_
Postovi: 82
Pridružen: 19 Jul 2009, 01:05
Location: Zagreb
Warranty service: Končar
Specialty: whitegoods

Candy Alise AL CB 133T REŠENO

Post napisao dudo40 » 21 Jul 2009, 20:49

Dakle ja sam više lud i glup i nek se javi netko pametniji
ukratko vešmašina ne grije! :m: vrijeme pranja je ok ali NE GRIJE
Promjenjen je grijač,novi je NTC, novi modul.novi programator.
Instalacija je OK
Presostat je OK
Termostat je OK

Nešto je ali više ništa ne vidim ako netko vidi nek se javi ja sam više lud

Dolje je šema i tako to


Unaprijd hvala
Prilog
31072168-alise cb 133 tr.pdf
(2.2 MiB) Preuzeto 574 puta.
Zadnja izmena: dudo40, dana 25 Jul 2009, 07:04, ukupno menjano 1 put.

IvanBG
bela tehnika
bela tehnika
Postovi: 398
Pridružen: 07 Apr 2009, 13:44
Location: Beograd
Contact person: Ivan
Specialty: whitegoods

Re: Candy Alise AL CB 133T

Post napisao IvanBG » 22 Jul 2009, 02:43

Ako se problem pojavio posle zamene programatora moguće je da je neka buksna završila na pogrešnom mestu ili da fali neki most, dešava se to i iskusnima kod mehaničkih programatora. Proveru je nekad nemoguće izvršiti iznerviran, tako se recimo meni skoro desilo sa jednim Gorenjem i meni dobro poznatim programatorom da sam ispizdeo najstrašnije jer nikako nije htela da proradi a onda sam tek sutradan (hladne glave) provalio jednu buksnu koja je bila završila na pogrešnom mestu. :roll:
Samo polako, što se tiče grejanja to je čista mehanika, utvrdiće se pre ili kasnije u čemu je problem, nema tu misterija...

Avatar
dudo40
_
_
Postovi: 82
Pridružen: 19 Jul 2009, 01:05
Location: Zagreb
Warranty service: Končar
Specialty: whitegoods

Re: Candy Alise AL CB 133T

Post napisao dudo40 » 22 Jul 2009, 08:03

Hvala na odazivu Ivane.
Problem je bio i prije,promijenio sam neispravan grijač i neispravan NTC,a instalacija na programatoru je po sistemu klemberta dakle u jednom redu su sve zajedno i obojane.
Zaboravio sam da kažem na grijač dolazi 90V prama zemlji sa obe strane napajanja.LUDO

IvanBG
bela tehnika
bela tehnika
Postovi: 398
Pridružen: 07 Apr 2009, 13:44
Location: Beograd
Contact person: Ivan
Specialty: whitegoods

Re: Candy Alise AL CB 133T

Post napisao IvanBG » 22 Jul 2009, 15:36

Ja u tatkvim situacijama (sa meh. programatorom) ganjam omski, po šemi, pa polako. Doteram na program gde sigurno treba da greje, isključim pa idem redom. S jedne strane sigurno dobija (inače ne bi bilo nikakvog napona) a sa druge je negde sigurno prekid. Gde god je otpor kontakata više od 1oma može biti problem. Ovakva zajebancija nekad može da bude i od lošeg glavnog prekidača (koliko god to čudno zvučalo).
Nego, jel to ne greje na pranju ili sušenju? Kako mi po šemi izgleda, ovde grejač pranja ide redno preko klasičnog kap. termostata, a NTC mislim da je samo za sušenje...

Avatar
kisko
Preminuo
Postovi: 2054
Pridružen: 12 Jun 2007, 01:51
Location: Kovilj-na kraj sveta
Specialty: tv-multimedia
Lokacija: Kovilj-Novi sad

Re: Candy Alise AL CB 133T

Post napisao kisko » 23 Jul 2009, 02:06

Da,proveri TM jer je redno vezan sa grejacem a i jedan izvod sa njega ide i na elektroniku dok sa NTC (TN) oba idu na elektroniku...zaista kosketina :oklagija a naizgled kvar "ma sad cu ja to zacas da sredim" :?
uvek ima nesto interesantno

IvanBG
bela tehnika
bela tehnika
Postovi: 398
Pridružen: 07 Apr 2009, 13:44
Location: Beograd
Contact person: Ivan
Specialty: whitegoods

Re: Candy Alise AL CB 133T

Post napisao IvanBG » 23 Jul 2009, 02:57

E kako žabari znaju da zakukulje šemu, sve nešto iz delova, pa unakrs... :m:
Treba da je isplotuješ negde na A2 pa da je uz pivce proučavaš jedno sat vremena da bi provalio sve šta je pisac hteo da kaže :!: lolzi
PS nisam imao živaca da nađem NTC na (glavnoj) šemi veza, ne videh ga nigde... :?

Avatar
kisko
Preminuo
Postovi: 2054
Pridružen: 12 Jun 2007, 01:51
Location: Kovilj-na kraj sveta
Specialty: tv-multimedia
Lokacija: Kovilj-Novi sad

Re: Candy Alise AL CB 133T

Post napisao kisko » 23 Jul 2009, 12:24

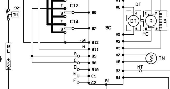
NTC je sa oznakom TN na shemi a ocigledno da je vrisnuo termostat TM (HI-limit 92*) pa pretpostavljam da zato i imas tih 90V na obe strane grejaca
alice.png
P.S. ubuduce mozes ovde postavljati teme viewforum.php?f=81
naravno ova ostaje ovde :lala:
uvek ima nesto interesantno

milneg
_
_
Postovi: 45
Pridružen: 04 Jun 2009, 11:16
Location: srbija
Contact person: milneg

Re: Candy Alise AL CB 133T

Post napisao milneg » 23 Jul 2009, 23:37

Pozdrav.samo polako sve se moze resiti.
Kao sto je neko rekao ovde nepostoji nigde NTC, prema semi rad grejaca zavisi od ispravnosti termostata od 90stepani , znaci proveriti njega.
Drugi kraj dobija napajanje preko hodrostata koji je oznacen na semi sa PB znaci na hidristatu moraju biti zatvoreni kontakti C sa P kada masina stane sa primanjem vode .dalje napajanje ide na mehanicke kontakte C08 imas na dijagramu rada programatora u kom polozaju mora biti taj kontakt zatvoren.Ali morao bi biti uvek zatvoren u poziciji kada masina treba da greje vodu. prekontrolisi taj kontakt da nije nagoreo to hoce da se desi.Koliko vidim toje mehanicki programator .Pogledaj da nisu mostovi uradjeni kao stampana ploca da nije neki pukao .I kao poslednje proveri dali je taj novi grejac ispravan probaj omski. trece ne postoji osim da si omanuo u vezi kada si povezivao . Prekontrolisi polako posle spavanja POZDRAv

Avatar
dudo40
_
_
Postovi: 82
Pridružen: 19 Jul 2009, 01:05
Location: Zagreb
Warranty service: Končar
Specialty: whitegoods

Re: Candy Alise AL CB 133T

Post napisao dudo40 » 24 Jul 2009, 21:06

:tooo: :tooo:
Ja majstor!!!!!!!!!!
A da mi je znati ko je zamijenio kontakte F1 i G1,naj vjerojatnije onaj auto mehaničar čija je ili njegov prijatelj Pero mesar sa drugog kata :m:
Uglavnom u tvorničkom rednom klembertu je išao čačkati.

Hvala svim kolegama na interesu.

p.s. mašina ima NTC a šema je za dva ista modela samo postoji starija i novija varijanta


Hvala svima
Dudo40

Avatar
kisko
Preminuo
Postovi: 2054
Pridružen: 12 Jun 2007, 01:51
Location: Kovilj-na kraj sveta
Specialty: tv-multimedia
Lokacija: Kovilj-Novi sad

Re: Candy Alise AL CB 133T

Post napisao kisko » 25 Jul 2009, 01:10

E sad majstore odes u prvi post teme i klik na UREDI pa promeni naslov i dopisi RESENO

P.S.Nisam najbolje razumeo dal si ti pogresio pri vracanju konektora na programator ili je neko drugi cackao pre tebe
uvek ima nesto interesantno

Avatar
dudo40
_
_
Postovi: 82
Pridružen: 19 Jul 2009, 01:05
Location: Zagreb
Warranty service: Končar
Specialty: whitegoods

Re: Candy Alise AL CB 133T

Post napisao dudo40 » 25 Jul 2009, 07:01

netko prije mene

Avatar
kisko
Preminuo
Postovi: 2054
Pridružen: 12 Jun 2007, 01:51
Location: Kovilj-na kraj sveta
Specialty: tv-multimedia
Lokacija: Kovilj-Novi sad

Re: Candy Alise AL CB 133T REŠENO

Post napisao kisko » 25 Jul 2009, 11:25

Onda je sasvim razumljivo sto te tako zezalo,ja sam najvise problema oko masina upravo imao kad neko sam nabode neku zicu na programator otprilike a cuti i kaze mi to tek kad se dobro namucim a ima i onih koji nece ni da priznaju vec kazu da niko nije diraoo a zica na drugom kontaktu.Zimus sam imao slucaj da je musterija nabadala kontakte na elektronski modul otprilike i nije mi to prijavio tj ja doneo drugi modul,skinuo stari i nabodem kontakte kako su i bili i PAFFFFFFFFF :shock: ,roknuo modul u momentu i pregledam sve i imam sta i da vidim,covek obrnuo dva dzeka od izlaza za motor i ulaz 220V :oklagija i kad sam ga pitao kaze : e da jesam cackao nesto mi slabo izbacivala pa ja malo dirao i ono nesto puklo :oklagija (zena se kunula da niko nije cackao oko masine).I sto je jos gore vise nije bilo tih modula na lageru...

Znaci uvek treba biti oprezan sa tim njihovim recima : Ma niko nije otvarao,...vi ste prvi...niko nije nista dirao i sl....cak i kad se kunu neverujem im jer sam se najvise opekao na takvim kvarovima,izgubis 2-3 dana da se sastavis sam sa sobom,najgore je kad nemas shemu za taj model pa moras sve peske,kod mehanickih to i nije tako strasno ali kod masina sa el.modulom to ume da bude kobno.
uvek ima nesto interesantno

IvanBG
bela tehnika
bela tehnika
Postovi: 398
Pridružen: 07 Apr 2009, 13:44
Location: Beograd
Contact person: Ivan
Specialty: whitegoods

Re: Candy Alise AL CB 133T REŠENO

Post napisao IvanBG » 25 Jul 2009, 15:55

Šta ja rekoh u svom prvom postu na ovu temu... :roll: :mrgreen:
Kako god, bitno je da je rešeno, a za ta otvaranja i čačkanja mašine od srane totalnih dunstera - nemam šta da kažem. Ja trenutno odje.avam sve mušterije koje mi zvuče neiskreno, onako, po instinktu. Bolje da i ne radim ako će posle popravka da mi izađe na nos... Na žalost, 80% aparata koji mi dođu pod ruke već su čačnuti, džekovi rasklimani, a mnogi šrafovi napola odvrnuti :!: Takav smo narod, takva nam je kultura, takvo je izgkeda i vreme u kojem živimo. Evo i ovde na forumu koliko puta, pojavi im se klasičan kvar čija popravka uopšte nije skupa, a oni neće pa neće majstora. Iako bez (skoro ikakvog) predznanja, hrabro ti to oni sami otvaraju, poskidaju i raskupusaju pola aparata zbog nekog jednostavno rešivog kvara... lolzi
Inače, meni se dešava nešto još gore, da i posle moje popravke opet otvaraju i je.avaju mašinu. :shock: Ma, ima da uradim neke male nalepnice pa da lepim na šrafove, ili da kupim negde one sa trouglastom glavom (torx već svi imaju) pa da stavljam po jedan na svaki poklopac mašine. :yeah:

Odgovori
  • Slične teme
    Odgovori
    Pregledano
    Zadnji post

Natrag na “VEŠ MAŠINE”