KONČAR ARDO WD1200 INOX sušilica
Urednici: goranfri,nike,sim,Honorarac
Pravila foruma
BT-expert info - BTexpert forumi
U naslov teme prvo pisati ime proizvođača, zatim oznake modela bez crtica i razmaka i kratak opis kvara. U post obavezno upisati ID ili EAN oznake sa poleđine aparata u suprotnom tema će biti obrisana.
Praktikujemo da na kraju opišemo kako smo rešili problem. Zatim zatvorimo temu >UPUTSTVO<
PRILIKOM POSTAVLJANJA PITANJA U VEZI ELEKTRONSKOG MODULA OBAVEZNO POPIŠITE SVE OZNAKE sa ploče i sa nalepnica, dobro bi došla i po koja fotografija.
BT-expert info - BTexpert forumi
U naslov teme prvo pisati ime proizvođača, zatim oznake modela bez crtica i razmaka i kratak opis kvara. U post obavezno upisati ID ili EAN oznake sa poleđine aparata u suprotnom tema će biti obrisana.
Praktikujemo da na kraju opišemo kako smo rešili problem. Zatim zatvorimo temu >UPUTSTVO<
PRILIKOM POSTAVLJANJA PITANJA U VEZI ELEKTRONSKOG MODULA OBAVEZNO POPIŠITE SVE OZNAKE sa ploče i sa nalepnica, dobro bi došla i po koja fotografija.
KONČAR ARDO WD1200 INOX sušilica
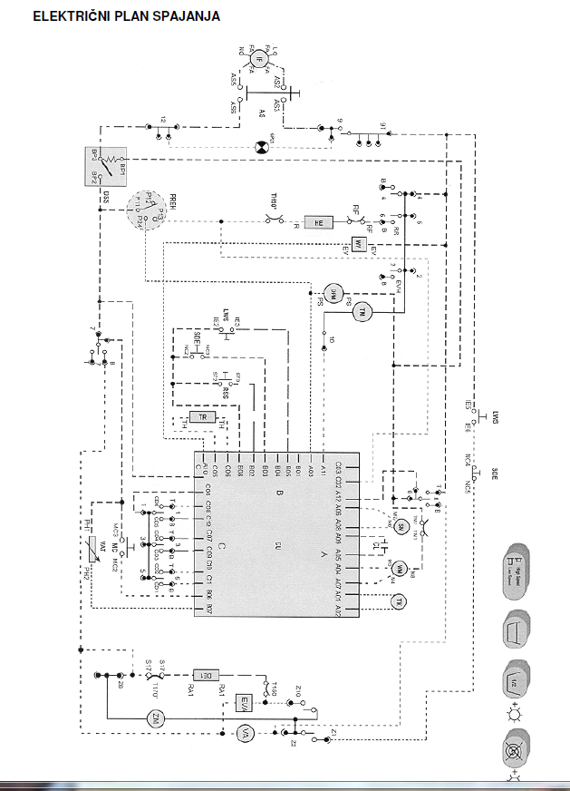
pozdrav kolege ,da li neko ima šemu i sliku modula. mašina je KONČAR ARDO WD1200 INOX sa sušilicom. oznake na modulu .modul ELMARC H7 1200 rpm DMPA 15.12.2000 546013501 0209. ja prepisao sve što ima unaprijed se zahvaljujem
Zadnja izmena: Stolle, dana 19 Feb 2014, 18:37, ukupno menjano 2 puta.
Razlog: Ispravljen naslov.
Razlog: Ispravljen naslov.
-
ZDRAVKO T
- bela tehnika

- Postovi: 363
- Pridružen: 31 Avg 2010, 12:07
- Location: Čapljina - Ljubuški
- Warranty service: Bosch Siemens Electrolux Zanussi AEG Končar Vivax
- Contact person: ZDRAVKO
Re: končar ardo sušilica
U prilogu je šema valjda pomogne..
BLAGO ONOM KO RANO POLUDI VAS MU VJEK U VESELJU PROĐE
Re: KONČAR ARDO WD1200 INOX sušilica
hvala Zdravko pokušaću sa ovom šemom pa javim.
-
- Slične teme
- Odgovori
- Pregledano
- Zadnji post
-
- 6 Odgovori
- 2437 Pregledano
-
Zadnji post napisao Honorarac
21 Nov 2010, 14:54
-
- 1 Odgovori
- 1280 Pregledano
-
Zadnji post napisao adoni
21 Nov 2016, 14:20
-
- 4 Odgovori
- 1244 Pregledano
-
Zadnji post napisao majstorlaza
02 Mar 2013, 23:11
-
-
Ves masina ARDO A500 ,radi samo jedan program - REŠENO
napisao dieselt » 24 Jul 2014, 20:09 » u VEŠ MAŠINE - 6 Odgovori
- 3380 Pregledano
-
Zadnji post napisao junuzovic
29 Jul 2014, 10:00
-
-
- 6 Odgovori
- 2592 Pregledano
-
Zadnji post napisao miva
06 Mar 2013, 20:25
-
- 8 Odgovori
- 5396 Pregledano
-
Zadnji post napisao Fiesta
16 Apr 2011, 21:21
-
- 21 Odgovori
- 6731 Pregledano
-
Zadnji post napisao jaro
21 Feb 2023, 07:30
-
-
Ves masina Koncar mc800 pere i susi,koji lageRESENOri
napisao Hazbo » 23 Avg 2011, 13:11 » u VEŠ MAŠINE - 2 Odgovori
- 971 Pregledano
-
Zadnji post napisao Hazbo
03 Sep 2011, 22:36
-

