Favorit programator 1375 sema
Urednici: goranfri,nike,sim,Honorarac
Pravila foruma
BT-expert info - BTexpert forumi
U naslov teme prvo pisati ime proizvođača, zatim oznake modela bez crtica i razmaka i kratak opis kvara. U post obavezno upisati ID ili EAN oznake sa poleđine aparata u suprotnom tema će biti obrisana.
Praktikujemo da na kraju opišemo kako smo rešili problem. Zatim zatvorimo temu >UPUTSTVO<
PRILIKOM POSTAVLJANJA PITANJA U VEZI ELEKTRONSKOG MODULA OBAVEZNO POPIŠITE SVE OZNAKE sa ploče i sa nalepnica, dobro bi došla i po koja fotografija.
BT-expert info - BTexpert forumi
U naslov teme prvo pisati ime proizvođača, zatim oznake modela bez crtica i razmaka i kratak opis kvara. U post obavezno upisati ID ili EAN oznake sa poleđine aparata u suprotnom tema će biti obrisana.
Praktikujemo da na kraju opišemo kako smo rešili problem. Zatim zatvorimo temu >UPUTSTVO<
PRILIKOM POSTAVLJANJA PITANJA U VEZI ELEKTRONSKOG MODULA OBAVEZNO POPIŠITE SVE OZNAKE sa ploče i sa nalepnica, dobro bi došla i po koja fotografija.
-
ljuben
- _

- Postovi: 65
- Pridružen: 03 Jan 2009, 18:53
- Location: prilep
- Warranty service: ardo favorit bira koncar sogo severin
- Contact person: ljuben
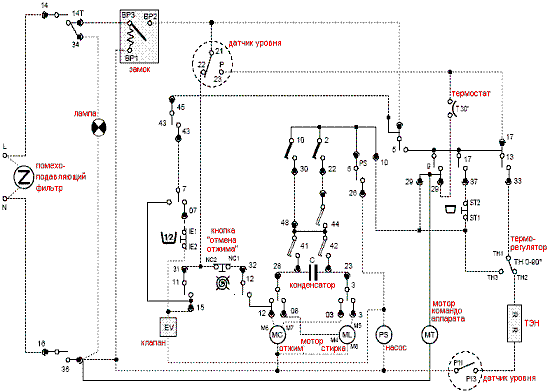
Favorit programator 1375 sema
Cesto sam imao problema sa ovim programatorom ali nazalost nikad nisam posedovao semu. Molio bih ako neko ima da mi posalje. Inace kod nas u Makedoniju ovaj je programator dosta zastupljen. Pozdrav.
Re: Favorit programator 1375 sema
posalji zaq koji model ves masine od favorita dali je klasika ili sa modulom.napisi oznaku.
-
ljuben
- _

- Postovi: 65
- Pridružen: 03 Jan 2009, 18:53
- Location: prilep
- Warranty service: ardo favorit bira koncar sogo severin
- Contact person: ljuben
Re: Favorit programator 1375 sema
To je model Prima1 sa fiksnim termostatima NO33 i NC50/90. Stigla neka serija u Makedoniju i to u znatnom broju, a u Italiju nemaju tu semu. Naime imaju sa promenlivim termostatom. Pozdrav.
- kisko
- Preminuo
- Postovi: 2054
- Pridružen: 12 Jun 2007, 01:51
- Location: Kovilj-na kraj sveta
- Specialty: tv-multimedia
- Lokacija: Kovilj-Novi sad
Re: Favorit programator 1375 sema
Pa i ovako ćeš je teško naći,premalo podataka
-Da li se radi o mehaničkom programatoru i koja mu je oznaka
-Da li se radi o hibridu tj kombinacija mehaničkog i elektronike
-Da li se radi o el.modulu
-Da li je to mašina starija mašina proizvedena u Nišu ili nešto novije,ovako npr.
-Da li se radi o mehaničkom programatoru i koja mu je oznaka
-Da li se radi o hibridu tj kombinacija mehaničkog i elektronike
-Da li se radi o el.modulu
-Da li je to mašina starija mašina proizvedena u Nišu ili nešto novije,ovako npr.
Kod: Označi sve
http://www.dsmarket.rs/ves-masine/favorit-ves-masina-mp5000/flypage.tpl.htmluvek ima nesto interesantno
-
ljuben
- _

- Postovi: 65
- Pridružen: 03 Jan 2009, 18:53
- Location: prilep
- Warranty service: ardo favorit bira koncar sogo severin
- Contact person: ljuben
Re: Favorit programator 1375 sema
To je mehanicki programator sa oznakom 1375/3/1 02 516018401.Masine koje pristignu u Makedoniju su pod nazivom Favorit i ovo je za model Prima1 . Pozdrav.
-
ljuben
- _

- Postovi: 65
- Pridružen: 03 Jan 2009, 18:53
- Location: prilep
- Warranty service: ardo favorit bira koncar sogo severin
- Contact person: ljuben
Re: Favorit programator 1375 sema
Ja jos uvek nemam tu semu, a nemaju je ni oni za kojih ja radim kao ovlasceni serviser oko 10 godina.
- kisko
- Preminuo
- Postovi: 2054
- Pridružen: 12 Jun 2007, 01:51
- Location: Kovilj-na kraj sveta
- Specialty: tv-multimedia
- Lokacija: Kovilj-Novi sad
Re: Favorit programator 1375 sema
ELBI1375/3/1 02 ili ARDO 516018401 PROGRAMATOR IDE U MODELE ARDO A500 i ARDO A600 ,pa možda ćeš tako lakše naći šemu...

uvek ima nesto interesantno
-
Honorarac
- Preminuo
- Postovi: 760
- Pridružen: 14 Nov 2008, 20:04
- Location: Sremska Mitrovica
- Contact person: Damir
- Specialty: whitegoods
Re: Favorit programator 1375 sema
ARDO A600X
-
deletraj
- _

- Postovi: 85
- Pridružen: 08 Avg 2009, 19:20
- Location: Srbija Vranje
- Contact person: Dejan Trajkovic
Re: Favorit programator 1375 sema
mozda ti ovo bude od koristi
-
ljuben
- _

- Postovi: 65
- Pridružen: 03 Jan 2009, 18:53
- Location: prilep
- Warranty service: ardo favorit bira koncar sogo severin
- Contact person: ljuben
Re: Favorit programator 1375 sema
Oprostite ako nekoga nerviram ali ja sam u svom tekstu od 11.10.2010 rekao da se radi o masini sa dva fiksna termostata. Semu koju sam pogledao nije to, tacnije imam i ja. Oko tri godine bio sam serviser i za Ardo ali nikad nisam sreo semu za ovaj model. Sve su to bile sa elektronikom i bilo je sasvim malo problema. Pozdrav.
-
Honorarac
- Preminuo
- Postovi: 760
- Pridružen: 14 Nov 2008, 20:04
- Location: Sremska Mitrovica
- Contact person: Damir
- Specialty: whitegoods
Re: Favorit programator 1375 sema
Sema sa termostatom NC90
http://www.fanzo.org/forum/viewtopic.ph ... 00#p147100
Drugi model sa istim programatorom
http://www.fanzo.org/forum/viewtopic.ph ... 69#p139069
http://www.fanzo.org/forum/viewtopic.ph ... 00#p147100
Drugi model sa istim programatorom
http://www.fanzo.org/forum/viewtopic.ph ... 69#p139069
-
ljuben
- _

- Postovi: 65
- Pridružen: 03 Jan 2009, 18:53
- Location: prilep
- Warranty service: ardo favorit bira koncar sogo severin
- Contact person: ljuben
Re: Favorit programator 1375 sema
Prelistao sam te modele jos pre nego sam zatrazio pomoc, ali nema tu semu. Pozdrav.
-
- Slične teme
- Odgovori
- Pregledano
- Zadnji post
-
-
Potrebna šema za Gorenje PS 663 BIO - programator oznake PG1 ili PG 0109
napisao Vaskez NS » 25 Jul 2024, 11:49 » u VEŠ MAŠINE - 6 Odgovori
- 1596 Pregledano
-
Zadnji post napisao jaro
27 Jul 2024, 12:51
-
-
-
Favorit mp5000 na start trepere led diode(Reseno)
napisao gelevski » 21 Dec 2013, 17:52 » u VEŠ MAŠINE - 6 Odgovori
- 4135 Pregledano
-
Zadnji post napisao gelevski
24 Dec 2013, 17:18
-
-
-
Favorit MP5000 na bel ves ne greje do 90c (reseno)
napisao gelevski » 07 Feb 2013, 15:22 » u VEŠ MAŠINE - 5 Odgovori
- 2837 Pregledano
-
Zadnji post napisao gelevski
21 Feb 2013, 22:13
-
-
- 9 Odgovori
- 4795 Pregledano
-
Zadnji post napisao cudan
10 Jan 2016, 12:19
-
- 1 Odgovori
- 1272 Pregledano
-
Zadnji post napisao Hazbo
09 Sep 2016, 17:32
-
- 8 Odgovori
- 2219 Pregledano
-
Zadnji post napisao icko
12 Apr 2023, 00:53
-
- 5 Odgovori
- 1439 Pregledano
-
Zadnji post napisao borat
26 Jun 2023, 21:36
-
- 19 Odgovori
- 4422 Pregledano
-
Zadnji post napisao Vojvoda
26 Avg 2009, 21:15

