Zdravo kolege.
Imam problem sa ves masinom W63T indesit,vinkler je promenio konektor na motoru,pa sada nezam raspored zica po boji.
Da li neko zna i da li moze da mi pomogne,da mi da raspored zica po boji.Za oba konektora i na moturu i na instalaciji.
Veze motora W63T indesit RESENO
Urednici: goranfri,nike,sim,Honorarac
Pravila foruma
BT-expert info - BTexpert forumi
U naslov teme prvo pisati ime proizvođača, zatim oznake modela bez crtica i razmaka i kratak opis kvara. U post obavezno upisati ID ili EAN oznake sa poleđine aparata u suprotnom tema će biti obrisana.
Praktikujemo da na kraju opišemo kako smo rešili problem. Zatim zatvorimo temu >UPUTSTVO<
PRILIKOM POSTAVLJANJA PITANJA U VEZI ELEKTRONSKOG MODULA OBAVEZNO POPIŠITE SVE OZNAKE sa ploče i sa nalepnica, dobro bi došla i po koja fotografija.
BT-expert info - BTexpert forumi
U naslov teme prvo pisati ime proizvođača, zatim oznake modela bez crtica i razmaka i kratak opis kvara. U post obavezno upisati ID ili EAN oznake sa poleđine aparata u suprotnom tema će biti obrisana.
Praktikujemo da na kraju opišemo kako smo rešili problem. Zatim zatvorimo temu >UPUTSTVO<
PRILIKOM POSTAVLJANJA PITANJA U VEZI ELEKTRONSKOG MODULA OBAVEZNO POPIŠITE SVE OZNAKE sa ploče i sa nalepnica, dobro bi došla i po koja fotografija.
-
deletraj
- _

- Postovi: 85
- Pridružen: 08 Avg 2009, 19:20
- Location: Srbija Vranje
- Contact person: Dejan Trajkovic
Veze motora W63T indesit RESENO
Zadnja izmena: deletraj, dana 24 Dec 2009, 16:02, ukupno menjano 1 put.
- jaro
- bela tehnika

- Postovi: 1272
- Pridružen: 21 Jun 2009, 11:53
- Location: stara pazova
- Contact person: jaro
- Specialty: whitegoods
Re: Veze motora W63T indesit
daj kolega ako imas neku sliku, jel motor asinhroni, ili ne...?
Bez alata nema zanata!.....a bez znanja dzaba ti alat!
-
IvanBG
- bela tehnika

- Postovi: 398
- Pridružen: 07 Apr 2009, 13:44
- Location: Beograd
- Contact person: Ivan
- Specialty: whitegoods
Re: Veze motora W63T indesit
Ako je asinhroni motor u pitanju, nepoznati rapored najbrže provališ ispitnom lampom (prema mašini) i instrumentom - omski (prema motoru). 
-
deletraj
- _

- Postovi: 85
- Pridružen: 08 Avg 2009, 19:20
- Location: Srbija Vranje
- Contact person: Dejan Trajkovic
Re: Veze motora W63T indesit
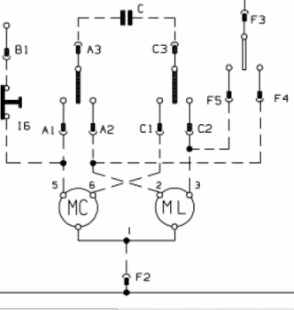
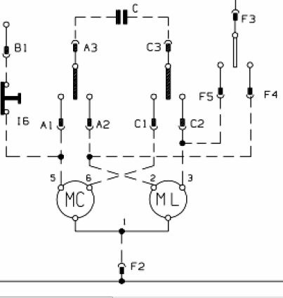
Zahvaljujem se svim kolegama,koji su pogledali ovaj post i pomoglimi da resim problem.Posebno se zahvaljujem kolegi Kisku sto mi je dao semu veze motora i ovom prilikom zelim da kazem da je sema ispravna.
- kisko
- Preminuo
- Postovi: 2054
- Pridružen: 12 Jun 2007, 01:51
- Location: Kovilj-na kraj sveta
- Specialty: tv-multimedia
- Lokacija: Kovilj-Novi sad
Re: Veze motora W63T indesit RESENO
Naravno da je ispravna jer je to šema veze za taj model,ja sam postavio samo onaj deo šeme koji je tebi potreban jer toliko mogu postaviti u javnom delu foruma.Važno da si je rešio. 
uvek ima nesto interesantno
-
- Slične teme
- Odgovori
- Pregledano
- Zadnji post
-
- 0 Odgovori
- 2598 Pregledano
-
Zadnji post napisao nase
01 Apr 2008, 13:07
-
- 3 Odgovori
- 929 Pregledano
-
Zadnji post napisao milan
26 Feb 2012, 18:39
-
- 11 Odgovori
- 2482 Pregledano
-
Zadnji post napisao IvanBG
10 Apr 2010, 15:07
-
- 8 Odgovori
- 3361 Pregledano
-
Zadnji post napisao felix_sk11
30 Jun 2013, 15:55
-
-
ZANUSSI FLS1222 CH spajanje motora centrifuge RESENO
napisao nedeljko123456 » 06 Dec 2013, 18:40 » u VEŠ MAŠINE - 8 Odgovori
- 1570 Pregledano
-
Zadnji post napisao nedeljko123456
07 Dec 2013, 13:06
-
-
- 2 Odgovori
- 1500 Pregledano
-
Zadnji post napisao Ivek
03 Mar 2012, 16:10
-
-
Kako skinuti ležaj sa motora gorenje WA982? (rješeno)
napisao Ivek » 09 Jul 2012, 12:46 » u VEŠ MAŠINE - 8 Odgovori
- 4360 Pregledano
-
Zadnji post napisao Ivek
10 Jul 2012, 13:11
-
-
- 6 Odgovori
- 2320 Pregledano
-
Zadnji post napisao GTI
12 Feb 2014, 23:20
